Model 300RB & 300RBC
Moisture Only Kit for Round Balers
Installation Manual
300RB Moisture Only Kit for Round Balers
DECLARATION OF INCORPORATION
| MANUFACTURER: | Harvest Tec LLC. 2821 Harvey St. P.O. Box 63 Hudson, WI 54016, U.S.A. |
| REPRESENTATIVE ESTABLISHED IN COMMUNITY: | Profitable Farming Company Middle Barlington, Roborough Winkleigh, Devon, EX19 8AG ENGLAND |
The person above certifies and declares that:
VIRTUAL MACHINE: Equipment mounted on a farm press and for the application of innoculants onto forage crops.
MODEL: 300RB & 300RBC-16-INST
BRAND: Harvest Tec
SERIAL NUMBER:
This application preservatives for hay Harvest Tec system meets the Directive 2006/42/EC of the European Parliment and the Council of 17 May 2006 and other applicable European Directives including Directive 2004/108/EC on the
Electromagnetic compatability.
The application of preservatives for hay Harvest Tec system will be turned on after being installed on a farm press has been declard in conformity with the Machinery Directive.
Person in the community authorized to provide information on the partly completed machinery and making this statement:
Richard Snell, President, Profitable Farming Company Signed on May 21, 2011: Middle Barlington, Roborough Winkleigh, Devon, EX19 8AG ENGLAND
Introduction
Congratulations and thank you for purchasing a Harvest Tec Model 300RB or the 300RBC moisture only kit. Please read this manual carefully to ensure correct steps are taken to attach the system to the baler. This applicator is designed to read moisture through an Apple iPad.
System Requirements
*Made for iPad® running the current iOS operating system
*iPad is a trademark of Apple Inc., registered in the U.S. and other countries.
300 Series Applicators with serial number before THS07000 will require the THS to be sent to Harvest Tec for a required update in order to use the iPad Integration Module (030-6670C).
Hay App version must be at least 2.8.1 (or higher) to operate with the iPad Integration Module (030-6672C)
Tools Needed
- Standard socket set
- Standard screw driver or 5/16”
- Side cutter
- Hose cutter
- Crescent wrench
- Hammer
- Metal drilling and cutting tools
- Center Punch
Installation of iPad Integration Control
Locate a safe location in the cab of the tractor to place the iPad Integration Control (030-6672C). Recommended location is securely fastened out of the operators way in a location that is close enough to reach with the iPad cord.
Connect the Power / Communication harness (006-6650TM(E)) to the bottom of the receiver.
To operate the applicator, plug the iPad cord into the communication port indicated by:

iPad Integration Control Light Signals
Green Slow Blink – Power supplied to the applicator system and the unit is going through its startup process. This will take approximately 25-35 seconds.
Green Double Blink – Indicating the iPad module recognizes the iPad but the app is not open or connected.
Green Solid Light – Module is connected to the app and is ready to operate.
*Recommended to use the USB cable included with the applicator kit (006-6672USBC)
Bluetooth Receiver Lights

Pre-2020 applcaitors equipped with Bluetooth receivers (030-6672B) are now equipped with lights to indicate both power and Hay App connection on the Apple iPad. Clean light regularly
Blinking Lights – System is waiting for the processor to connect, which could take up to 35 seconds.
Red Light – The Bluetooth receiver has power
Green Light – The Bluetooth receiver is connected to the Hay App.
300 Series Applicators with serial number before THS07000 will require the THS to be sent to Harvest Tec for a required update in order to use the iPad Integration Module (030-6670C).
Hay App version must be at least 2.7.1 (or higher) to operate with the iPad Integration Module (030-6672C)
*Made for Apple iPad badge
Use of the Made for Apple iPad badge means that an accessory has been designed to connect specifically to the Apple product(s) identified in the badge and has been certified by the developer to meet Apple performance standards. Apple is not responsible for the operation of this device or its compliance with safety and regulatory standards.
Please note that the use of this accessory with an Apple product may affect wireless performance.
Installation of Control – 300RB
Locate the controls package. Select a mounting location for the Three Hundred Series (THS) control box (0063671RB) easily accessible that is away from moving parts and access panels. Check before drilling to ensure nothing will be damaged on the opposite side of the THS, some locations will be underneath baler doors. After selecting the location for the THS, use the THS as a drill guide and mark the four mounting holes.
Drill the four mounting hole locations to 3/16″ (5mm) in size. The locations shown below are examples of mounting the THS on the baler. Use the supplied 10/32 x 3/4″ Phillips flathead machine screws, nylock nuts to mount the control box.
![]() | |
| Mount THS on Front of Baler | Mount THS on Front of Baler (under door) |
![]() | |
| Mount THS on Front of Baler | Mount THS on Left Side of Bale Chamber Panel Above Baler Shelf |
Installation of Control – 300RBC

- Open right side door of baler.
- Locate mounting holes for your size baler in bracket (001-4703XE). Mount bracket to pre-stamped square holes on diagonal support structure of baler, (Figure 2). Secure with two M8 x 25mm carriage bolts and flanged nuts.
- Locate the controls package. Mount the 300RB control box to the 001-4703XE bracket as shown in figure 3. You may need to drill 3/16” holes on the plate to mount controller. Use the supplied 10/32 x 3/4″ Phillips flathead machine screws, nylock washers and nuts to mount the control box. (Figure 3).

Installation of Moisture Sensing Pads
Four foot wide CNH balers (Pre 2015)

- If your baler is equipped with bale shaping pads, remove disc and use existing hole that will need to be drilled to 3/4” (19mm) to install new moisture sensing discs.
- If your baler is not equipped with bale shaping pads you will need to drill a hole in the chamber directly behind and above the starting roll (Figure 1).
- The mounting hole will be 3/4″ (19mm) in diameter. Use a plastic pad (006-4641F) and place it into the baler to use as a template. The bottom edge of the pad will be placed 1” (25mm) up from starting roll and 2” (51mm) in from the back of the bale chamber. (Figure 1)

- Locate the 006-4641G. The piece will need to be cut down to size. Use the already machined line in the bushing to cut off the small piece shown above.
- Depending on the baler the bolt may need to be trimmed for proper fit.
- Tighten all of the hardware to 50 ft/lbs (68 N/m).
- Make sure that the plastic pad is protecting all metal surfaces of the disc from touching baler.
- Run the moisture wire harness (006-4640G2) from pump plate area to each disc and secure.
- Apply silicone over nuts and washers.
Installation of Moisture Sensing Pads (continued)
Five foot wide CNH balers (Pre 2015)

- If your baler is equipped with bale shaping pads, remove disc and use existing that will need to be drilled to 3/4″ (19mm) to install new moisture sensing discs. If the discs are welded, the welds will need to ground off for disc removal.
- If your baler is not equipped with bale shaping pads you will need to drill a hole in the chamber directly behind and above the starting roll (Figure 1).
- The mounting hole will be 3/4″ (19mm) in diameter. Use a plastic pad (006-4641F) and place it into the baler to use as a template. The bottom edge of the pad will be placed 1” (25mm) up from starting roll and 2” (51mm) from the back of the bale chamber. (Figure 1)

- Depending on the baler the bolt may need to be trimmed for proper fit.
- Tighten all of the hardware to 50 ft/lbs (68 N/m).
- Make sure that the plastic pad is protecting all metal surfaces of the disc from touching baler.
- Run the moisture wire harness (006-4640G2) from pump plate area to each disc and secure
- Apply silicone over nuts and washers.
Install for John Deere 582

- The moisture discs (006-4641H) will both need to be cut on line A. (Figure 1) One disc will need to be cut on line B and one disc on line C.
- The plastic pad (006-4641F) will also need to be cut 1/4″ longer than the back of the disc.
- Bevel all sides of the cut discs to allow the smooth travel of crop over them.
- The mounting hole will be 3/4″ (19mm) in diameter. The disc will need to be placed on the baler lining up the center of the bolt with the location 2” (51mm) up from bottom and 2” in from the back of the chamber. (Figure 2)

- Make sure that plastic pad is protecting all metal surfaces of disc from touching baler.
- Run the moisture wire harness (006-4640G2) from the THS to each disc securing with cable ties.
- On some balers the bolt may need to be trimmed for proper fit.
- Tighten all hardware to 50 ft/lbs (68 N/m).
- Apply silicone over nuts and washers.
Install for John Deere 854

- The moisture discs (006-4641H) will both need to be cut on line A (Figure 1). One disc will need to be cut on line B and one disc on line C.
- The plastic pad (006-4641F) will also need to be cut 1/4″ (7mm) longer than the back of the disc.
- Bevel all sides of the cut discs to allow the smooth travel of crop over them.
- Remove the shield directly above the starter roll shown as figure D on both sides of the baler. Cut the 6 1/4” (16cm) notch out using the supplied measurements. Reinstall both sides.
- The mounting hole will be 3/4″ (19mm) in diameter. The disc will need to be placed on the baler to line up the location of 3 1/2″ (89mm) up from bottom and 2” (51mm) from the back of the chamber to the center of the bolt (Figure 2).

- Make sure that plastic pad is protecting all metal surfaces of disc from touching baler.
- Run the moisture wire harness (006-4640G2) from the THS to each disc securing with cable ties.
- On some balers the bolt may need to be trimmed for proper fit.
- Tighten all hardware to 50 ft/lbs (68 N/m)
- Apply silicone over nuts and washers
Install for John Deere Round Balers

- Both moisture discs (006-4641H) will need to be cut along the serrated line (A) shown on Figure 1. Only cut on the line shown on Figure 1, do not cut the other line.
- The plastic pad (006-4641F) will also need to be cut 1/4″ (7mm) longer than the back of the disc.
- Using the cut disc as a pattern, mark and drill a 3/4″ (19mm) hole in the side of the bale chamber. The disc will need to be placed on the baler 1” (25mm) up from bottom and 1/4″ (7mm) in from the back of the chamber (Figure 2).

- Make sure that plastic pad is protecting all metal surfaces of disc from touching baler.
- Run the moisture wire harness (006-4640G2) from pump plate area to each disc securing with cable ties.
- On some balers the bolt may need to be trimmed for proper fit.
- Tighten all hardware to 50 ft/lbs (68 N/m).
- Apply silicone over nuts and washers.
Install for Vermeer Balers
If your baler is equipped with bale shaping pads, remove disc and use existing hole (may need to be drilled larger, 3/4″ (19mm) to install new moisture sensing discs.- If your baler is not equipped with bale shaping pads you will need to drill a hole in the chamber directly behind and above the starting roll (Figure 1).
- The mounting hole will be 3/4″ (19mm) in diameter. Use a plastic pad (006-4641F) and place it into the baler to use as a template. The bottom edge of the pad will be placed 1” (25mm) up from starting roll and 2” (51mm) from the back of the bale chamber (Figure 1).

- Locate the 006-4641G
(a) piece, this will need to be cut down to size. Use the already machined line in the bushing to cut off the small piece shown above 006-4641G
(b). Part 006-4641I may also need to be trimmed to fit. - Depending on the baler the bolt may need to be trimmed for proper fit.
- Tighten all of the hardware to 50 ft/lbs (68 N/m).
- Make sure that the plastic pad is protecting all metal surfaces of the disc from touching baler.
- Run the moisture wire harness (006-4640G2) from pump plate area to each disc securing with cable ties.
Install for AGCO, Challenger, Massey Ferguson, New Idea
- If your baler is equipped with bale shaping pads, remove pads and use existing hole (may need to be drilled larger) to install new moisture sensing discs.
- If your baler is not equipped with bale shaping pads you will need to drill a hole in the chamber directly behind and above the starting roll (Figure 1).
- You will need to remove the main chain assembly to install the disk on the right side of baler (when facing front of baler) Figure 2.
- The hole size is 3/4” (19mm) diameter. Before drilling the hole make sure hole is accessible from opposite side of chamber to tighten down mounting hardware and to install moisture harness (Figure 3).
- Completed installation is show in Figure 4.

- Locate the 006-4641G. The piece will need to be cut down to size.
- Use the already machined line in the bushing to cut off the small piece shown above.
- Depending on the baler the bolt may need to be trimmed for proper fit.
- Tighten all of the hardware to 50 ft/lbs (68 N/m).
- Make sure that the plastic pad is protecting all metal surfaces of the disc from touching baler (Figure 4)
- Run the moisture wire harness (006-4640G2) from pump plate area to each disc securing with cable ties.
- Apply silicone over nuts and washers.
AGCO & Massey Ferguson (2800/2900 Series)
Challenger (3 Series/RB56C/RB56CA)

- Both moisture discs (006-4641H) will need to be cut along the serrated line (A). (Figure 1)
Measure from the laser etched line (B) 1.75 inches on both side. Mark and cut the disc. A completed disc in shown above (D). - The plastic pad (006-4641F) will also need to be cut 1/4″ larger than the steel disc.
- Bevel all sides of the cut discs to allow the smooth travel of crop over them.
- Mark a line 1 1/2” (38mm) up and 3 1/2” (89mm) over from point (E). Drill a 3/4” (19mm) hole at the point (F). Repeat for the opposite side. (Figure 2)

- Locate the 006-4641G. The piece will need to be cut down to size. Use the already machined line in the bushing to cut off the small piece shown above.
- Depending on the baler the bolt may need to be trimmed for proper fit.
- Make sure that the plastic pad is protecting all metal surfaces of the disc from touching baler.
- Run the moisture wire harness (006-4640G2) from the THS to each disc securing with cable ties.
- Tighten all of the hardware to 50 ft/lbs (68 N/m), and apply silicone over nuts and washers.
Installation of Moisture Sensing Pads – 300RBC
- Open rear tail gate of baler and lock in the up position. Refer to baler manual to lock door open.
- Remove bale shaping discs on each side of chamber by grinding welds. Once removed grind any remaining welds so sides of bale chamber are smooth.
- Place plastic isolator (006-4641FX) in the same spot that the shaping disc had been. There should be a hole in the baler that matches up with the hole in the plastic isolator. If not, use the isolator as a template and mark the hole. Center punch the hole and drill it to 3/4″ (19mm) (Note: before drilling make sure you are not drilling into sensitive equipment on the outside of the baler). Drill through the complete square tube. About two inches. Repeat for other side of the baler.
- Insert plastic bushing (006-4641G) from the outside of baler. Make sure it is flush with the outside of the baler frame. Go to the inside of the baler and mark amount that protrudes into the chamber. Remove and cut off excess material. Repeat for other side.
- Using 4” carriage bolt slide the parts on in following order: metal disc (001-4641HX), plastic isolator (006-4641FX) and shortened plastic bushing (006-4641G).
- Insert disc assembly into 3/8” (10mm) hole from inside of bale chamber. Secure to outside of baler by attaching to the protruding carriage bolt in the following order: small isolator (006-4641), 1/2” D shaped washer, 1/2” lock washer, 1/2” jam nut. Tighten down and repeat for the other side. Make sure no part of the bolt or hardware makes contact with the frame of baler-no metal to metal.
- Route moisture harness (006-4640GX2) from processor down to the carriage bolt on each side. Make sure it does not come in contact with any moving parts. Secure with cable ties.
- Attach moisture cable to moisture carriage bolt by placing items in the following order: 1/2” D shaped washer, Ring terminal of moisture harness (006-4640GX2), second 1/2” D washer, 1/2” lock washer, 1/2” Jam Nut. Tighten down and repeat for other side. Make sure none of the hardware comes in contact with the frame of the baler.

Installation of Moisture Sensor Pads and Disks – 300RBC (continued)

Installation of Bale Rate Timer Sensor
The bale rate timer sensor is used to determine when the baler door is open. With this information the system is able to change the tons/hour automatically. Refer to Operation Manual for Operation Instructions, Automatic Mode and also record information per bale.
Locate the sensor (006-7400) and the sensor bracket (001-4648RB). On the right side of the baler find a location 1”– 6” (25mm-15cm) down from the hinge to mount the bracket. Check for clearance with hydraulic cylinders before mounting the bracket. The bracket should be mounted to the front side of the hinge point, with the sensor aligned over the back door.
Mark and drill two 1/4” (7mm) holes and install the bracket using two 5/16” x 1-1/4” self-tapping bolts.
Install the sensor into the bracket and leave 1/4” (7mm) of clearance between the end of the sensor and the door.
The harness will need to be routed towards the DCP. Secure with cable ties, be sure to avoid pinch points and hydraulic lines. The harness extension (006-7400EXT) may need to be used.

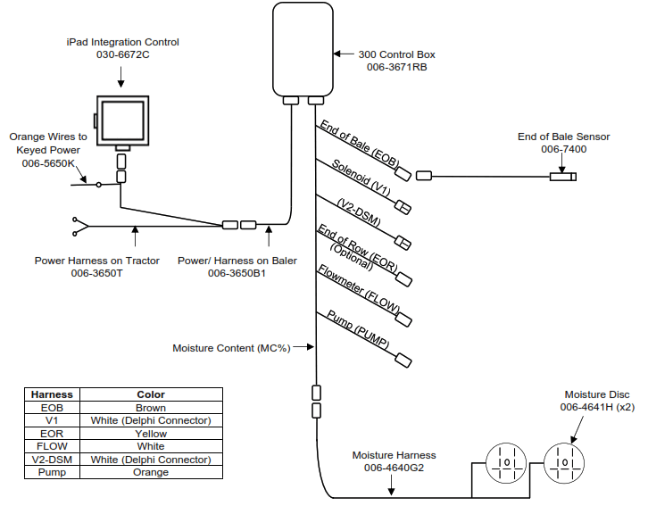
Wiring Diagram – 300RB
- Connect the power harness (006-3650T) to the tractor battery (12 volt) using the red wire with fuse to the positive side and the black wire to the negative.
a.
The power harness must be connected to the battery! The unit will draw more amps than convenience outlets can handle. Any modifications of the power harness will void systems warranty. CONTACT HARVEST TEC BEFORE MODIFICATIONS.
b. This unit will not function on positive ground tractors.
c. If the unit loses power while operating it will not keep track of accumulated pounds of product used. - The power harness on the tractor (006-3650T) will run from the tractor battery to the hitch. The power harness on the baler (006-3650B1) will connect to the tractor power harness (006-3650T) at the hitch.
- Connect the keyed power wire (006-5650K) to a keyed power source on the tractor. The keyed power wire must connect to a keyed source or the unit will not power up correctly.
- Attached the iPad Integration Control (030-6672C) to the tractor power harness (006-3650T).
- Attach the End of Bale (EOB) connection on the controller to the End of Baler Sensor (006-7400).
System wiring diagram

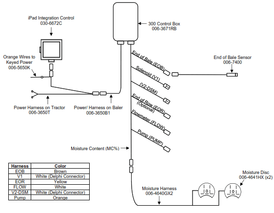
Wiring Diagram – 300RBC
- Connect the power harness (006-3650T) to the tractor battery (12 volt) using the red wire with fuse to the positive side and the black wire to the negative.
a.
The power harness must be connected to the battery! The unit will draw more amps than convenience outlets can handle. Any modifications of the power harness will void systems warranty. CONTACT HARVEST TEC BEFORE MODIFICATIONS.
b. This unit will not function on positive ground tractors.
c. If the unit loses power while operating it will not keep track of accumulated pounds of product used. - The power harness on the tractor (006-3650T) will run from the tractor battery to the hitch. The power harness on the baler (006-3650B1) will connect to the tractor power harness (006-3650T) at the hitch.
- Connect the keyed power wire (006-5650K) to a keyed power source on the tractor. The keyed power wire must connect to a keyed source or the unit will not power up correctly.
- Attached the iPad Integration Control (030-6672C) to the tractor power harness (006-3650T).
- Attach the End of Bale (EOB) connection on the controller to the End of Baler Sensor (006-7400).
System wiring diagram
Pin Outs
Power Harness 006-3650T at Tractor Hitch
| Pin 1 | Red | +12V Power to BLE |
| Pin 2 | Red | +12V Power to THS |
| Pin 3 | Orange | Keyed Power |
| Pin 4 | Not Used | |
| Pin 5 | Green | HT Can Low |
| Pin 6 | Yellow | HT Can Hi |
| Pin 7 | Not Used | |
| Pin 8 | Black | Ground from BLE |
| Pin 9 | Black | Ground from THS |
| Pin 10 | Not Used |

ower Harness 006-3650B1 at Baler Hitch
| Pin 1 Pin 2 Pin 3 Pin 4 Pin 5 Pin 6 Pin 7 Pin 8 Pin 9 Pin 10 | Red Red Orange Not Used Green Yellow Not Used Black Black Not Used | +12V Power to BLE +12V Power to THS Keyed Power HT Can Low HT Can Hi Ground from BLE Ground from THS |

Power Harness 006-3650B1 at Baler Hitch
| Pin 1 Pin 2 Pin 3 Pin 4 Pin 5 Pin 6 Pin 7 | Red Black Yellow Not Used Green Not Used Not Used | +12V Power for BLE Ground for BLE HT Can Low HT Can Hi |

End of Bale Sensor at 300 Controller Harness
| Pin 1 Pin 2 Pin 3 Pin 4 | Brown Blue N/A Black | Sensor Power Sensor Ground Signal from Sensor |

Flow Meter at 300 Controller Harness
| Pin 1 Pin 2 Pin 3 Pin 4 | White Brown Green Not Used | +5-12V Power Ground Signal |

End of Row Sensor at 300 Controller Harness
| Pin 1 Pin 2 Pin 3 Pin 4 | Red/White Black/White Yellow N/A | +12V Power Ground Signal |

Moisture Sensor connection at 300 Controller Harness
| Pin 1 Pin 2 Pin 3 Pin 4 Pin 5 Pin 6 Pin 7 Pin 8 Pin 9 | Not Used Not Used Not Used Not Used Not Used Not Used Not Used Blue Blue | Signal for Sensor 1 Signal for Sensor 2 |

Pump connection at 300 Controller Harness
| Pin 1 Pin 2 | Red Black | Power to Pump Ground to Pump |
Solenoid Connection at 300 Controller Harness
| Pin A Pin B | Black White | Solenoid Pause Solenoid Ground |

V2-DSM Connection at 300 Controller Harness
| Pin A Pin B | Black White | Solenoid Pause Solenoid Ground |

Control Box and Wiring Harnesses

| Ref 1 2 3 4 5 6 NP | Description Tractor Power Harness iPad Integration Control Baler Power Harness (20’) Control Box Dust Plug Kit Key Switch Harness USB Cable | Part # 006-3650T 030-6672C 006-3650B1 006-3671RB 006-5651Plug 006-5650K 006-6672USBC | Qty 1 1 1 1 1 1 1 |
| omplete Assembly | 030-363CPA |
End of Bale Sensor Kit A

| Ref | Description | Part # | Qty |
| 1 2 3 | End of Bale Sensor EOB Extension End of Bale Bracket | 006-7400 006-7400EXT 001-4648RB | 1 1 1 |
Complete Assembly EOB-RB-A
Moisture Sensors – 300RB

| Ref | Description | Part # | Qty | Ref | Description | Part # | Qty |
| 1 2 3 | Plastic Pad Moisture Disc Plastic Bushing | 006-4641F 006-4641H 006-4641G | 2 2 2 | 4 5 6 | Plastic Isolator 1/2X4 1/2” Carriage Bolt Moisture Cable | 006-4641I 006-4640G2 | 2 2 1 2 |
| Moisture Pad Assembly (Ref 1-5) Complete Assembly (Ref 1-6) | 030-4643 MSH-RB-A |
Moisture Sensor – 300RBC

| Ref | Description | Part # | Qty | Ref | Description | Part # | Qty |
| 1 2 3 4 5 | RB Isolator RB Moisture Pad 1/2” Nut 1/2″ Lock 1/2″ D Washer | 006-4641FX 006-4641HX Hardware Hardware Hardware | 2 2 4 4 6 | 6 7 8 9 | 1/2″ x 4 1/2” Carriage Bol Sensor Bushing Plastic Isolator Moisture Cable | Hardware 006-4641G 006-4641I 006-4640GX2 | 2 2 2 1 2 |
| Moisture Assembly (Ref 1-8) Complete Assembly (Ref 1-9) | 030-4643C MSH-RB-C |
Optional iPad Mini Mounting Kit (030-2014MK)

| Ref | Description | Part # | Qty |
| 1 2 3 4 5 6 7 8 NP | Suction cup mount Ram mount iPad Mini® spring load cradle (Mini 4) 16 gauge power wire Female spade connector Eye loop connector iPad Mini Charger 12V iPad Mini 4 case 4 amp fuse | 001-2012SCM 001-2012H 001-2012SLC 006-4723P Hardware Hardware 001-2012P 001-2012C4 Hardware | 1 1 1 1 2 2 1 1 1 |
| Mounting Kit Assembly | 030-2014MK (Includes All Parts) |
Installation Instructions
- Identify 12V power source for wires to connect.
a. Eye loops included if wiring directly to the battery is desired.
b. Test for key power source if preferred to have power to the USB shut off with the key. - Once power source is identified, cut wires to desired length.
- Crimp the two supplied quick connectors onto each the white and black wire.
- Remove the round locking plastic nut from USB plug before connecting the wires. Black (+) White (-).
- The wires will then be hooked to the designated terminals on the bottom of the USB plug
- Drill a 1 1/8” hole in the preferred mounting location. Be sure to clean any sharp edges after drilling.
- Feed the wires through the mounting hole.
- If using the round plastic nut to secure plug in place, slide the nut back over the wiring before connecting the wires to powered source.
- Connect the wires to the identified power source if easier to do so before tightening the plug into place.
- Tighten plug using either the round plastic nut or mounting plate and two screws, both options supplied.
- Once connected, hook a USB charging cord into the plug and connect a mobile device/tablet to ensure the plug is operating as you wish (key power working properly if necessary).
NOTE: This plug is not designed to charge two iPads. System damage could occur if this is attempted. System will charge a mobile phone and iPad simultaneously without problem.
*iPad mini is a trademark of Apple Inc., registered in the U.S. and other countries.
Optional iPad Display Kit (030-4670DK)

| Ref | Description | Part # | Qty | Ref | Description | Part # | Qty |
| 1 2 3 4 5 6 | Suction cup mount Ram mount iPad Mini spring load cradle (Mini 4) 16 gauge power wire Female spade connector Eye loop connector | 001-2012SCM 001-2012H 001-2012SLC 006-4723P Hardware Hardware | 1 1 1 1 2 2 | 7 8 9 NP | iPad Mini Charger 12V iPad Mini 4 case iPad Mini 4 4 amp fuse Mounting Kit Assembly | 001-2012P 001-2012C4 006-4670IP Hardware 030-4670DK (Includes All Parts) | 1 1 1 1 |
- Identify 12V power source for wires to connect.
- Eye loops included if wiring directly to the battery is desired.
- Test for key power source if preferred to have power to the USB shut off with the key.
- Once power source is identified, cut wires to desired length.
- Crimp the two supplied quick connectors onto the white and black wire.
- Remove the round locking plastic nut from USB plug before connecting the wires. Black (+) White (-).
- The wires will then be hooked to the designated terminals on the bottom of the USB plug
- Drill a 1 1/8” hole in the preferred mounting location. Be sure to clean any sharp edges after drilling.
- Feed the wires through the mounting hole.
- If using the round plastic nut to secure plug in place, slide the nut back over the wiring before connectingthe wires to powered source.
- Connect the wires to the identified power source if easier to do so before tightening the plug into place.
- Tighten plug using either the round plastic nut or mounting plate and two screws, both options supplied.
- Once connected, hook a USB charging cord into the plug and connect a mobile device/tablet to ensure the plug is operating as you wish (key power working properly if necessary).
NOTE: This plug is not designed to charge two iPads. System damage could occur if this is attempted. System will charge a mobile phone and iPad simultaneously without problem.
*iPad mini is a trademark of Apple Inc., registered in the U.S. and other countries.
Harvest Tec LLC. Warranty and Liability Agreement
Harvest Tec, LLC. will repair or replace components that are found to be defective within 12 months from the date of manufacture. Under no circumstances does this warranty cover any components which in the opinion of Harvest Tec, LLC. have been subjected to negligent use, misuse, alteration, accident, or if repairs have been made with parts other than those manufactured and obtainable from Harvest Tec, LLC.
Our obligation under this warranty is limited to repairing or replacing free of charge to the original purchaser any part that in our judgment shows evidence of defective or improper workmanship, provided the part is returned to Harvest Tec, LLC. within 30 days of the failure. If it is determined that a non-Harvest Tec branded hay preservative has been used inside the Harvest Tec applicator system where the failure occurred, then Harvest Tec reserves the right to deny the warranty request at their discretion. Parts must be returned through the selling dealer and distributor, transportation charges prepaid.
This warranty shall not be interpreted to render Harvest Tec, LLC. liable for injury or damages of any kind, direct, consequential, or contingent, to persons or property. Furthermore, this warranty does not extend to loss of crop, losses caused by delays or any expense prospective profits or for any other reason. Harvest Tec, LLC. shall not be liable for any recovery greater in amount than the cost or repair of defects in workmanship. There are no warranties, either expressed or implied, of merchantability or fitness for particular purpose intended or fitness for any other reason.
This warranty cannot guarantee that existing conditions beyond the control of Harvest Tec, LLC. will not affect our ability to obtain materials or manufacture necessary replacement parts.
Harvest Tec, LLC. reserves the right to make design changes, improve design, or change specifications, at any time without any contingent obligation to purchasers of machines and parts previously sold. Revised 5/22
HARVEST TEC, LLC.
P.O. BOX 63
2821 HARVEY STREET
HUDSON, WI 54016
PHONE: 715-386-9100
1-800-635-7468
FAX: 715-381-1792
Email: [email protected]
P.O. Box 63
2821 Harvey Street
Hudson, WI 54016 800-635-7468
www.harvesttec.com







If your baler is equipped with bale shaping pads, remove disc and use existing hole (may need to be drilled larger, 3/4″ (19mm) to install new moisture sensing discs.


Pin Outs 


















