HARVEST TEC 601A Microwave Moisture Bale Chute System
Introduction
Congratulations and thank you for purchasing a Harvest Tec Model 601A, 700, and 701 Microwave Moisture kit. Please read this manual carefully to ensure the correct steps are taken to attach the system to the baler. This is designed to read moisture through the baler’s monitor or Apple iPad. A parts break of the system is located in the back of the manual.
Right, and Left sides are determined by facing in the direction of forwarding travel.
System Requirements
The Baler Processor must have Version 3.3 or higher. C1000 monitor must have Version 3.0.1 or higher
- If equipped with the SBM, the SBM must have Version 4.0 or higher.
- The requirements to run the iPad option is iOS8 or greater operating system, plus the Hay App.
Tools Needed
- Standard wrench set
- Hammer
- Electric drill and bits
- Center punch
- Side cutter
- Plasma cutter
- The standard nut driver set
- Grinding wheel
- Standard socket set
Microwave Sensor Installation – 601A, 700MWM

Begin by opening the side shields on the baler and go to the right side of the baler so you can see the right side of the pre-compression chamber (PCC). Locate the mounting template in the kit. Removed the bolt (red arrow in figure 1) that attached the linkage that is in the way, and position the linkage out of the way.

Locate the right side sheet of the PCC and locate the two slotted holes along the front edge that attach the stripper band to the PCC side sheet. Align the slots on the template with the slots on the side sheet (figure 2). Clamp the template in place and use a marker or paint pen to mark the location for the eight holes that will need to be drilled, and also mark the rectangular area that will be cut out (figure 3).
Microwave Sensor Installation – Massey Ferguson 2190 & 2290 Baler (left side view)

Align the curved edge of the template with the curved edge of the pre-compression chamber. Align the template so the straight top edge is parallel and 5-1/2” below the edge of the angle bracket. Clamp the template in place to the side of the pre-compression chamber and mark 8 holes and cutout locations. Mirror on the opposite side (figure 4).

In the eight locations indicated by the marks, drill 3/8” (10mm) diameter holes for the mounting bolts. Cut the rectangular area out using a grinder with a cutoff wheel, reciprocating saw, or plasma cutter. The final results should look similar to the picture (figure 5). Test the fitment by placing the plastic filler plate (001-2600FP) in the rectangular hole. If the filler plate extrusion does not fully fit in the cutout, modify the cutout until the flanges of the filler plate fit flush against the outside of the PCC (figure 6).

Install eight bolts 5/16”x 1” BHCS from the inside of the pre-compression chamber through the side of the PCC and the plastic filler plate (001-2600FP). Secure the top two bolts and bottom two bolts with 5/16” flanged nuts. Place a mounting bracket over each of the two bolts on the sides of the filler plate and secure with 5/16” flanged nuts (figure 7). The right-hand side mounting brackets (001-2600) should be aligned parallel with the long edges of the filler plate. Locate the sensor that says RX on the gray connector and mount it to the brackets using four 5/16-3/4” bolts and flanged nuts (figure 8). The grey connector should be pointing down toward the ground.
Repeat the procedure on the left side of the PCC for marking the locations, drilling and cutting, and mounting. The sensor labeled TX on the gray connector needs to be mounted on the left-hand side with the connector towards the ground.

Locate the 006-7400 harness (stuffer sensor) and the L-shaped bracket (001-4648SS) from the parts bag. Attach the stuffer sensor to the bracket loosely and locate the shielding on the right-hand side of the baler ahead of the stuffer.
Position the stuffer sensor and L-bracket against the outside of the shield so the sensor is positioned within 3/8” (10mm) of the stuffer (figure 9). Mark the mounting hole location and attach the bracket to the shielding using at least one of the 5/16-1” hex bolts and a flange nut. Secure the sensor to the bracket by tightening the jam nuts. Route the wire from the sensor along the existing wiring along the frame towards the rear of the PCC (figure 10). Secure with cable ties.

Locate the MWM wiring harness (006-6650MW) in the kit. Start by locating the connector with the white heat shrink label marked RX. Connect this connector to the sensor mounted on the right side of the PCC (006-4641MRX). Locate the longer lead that is labeled TX. Route this wire behind the PCC in an area where it will not be pinched or snagged. Locate the bearing on each side of the PCC (figure 11). It works well to route the wire across to the other side by routing the wire below that pivoting assembly and securing it with cable ties. Connect the connector labeled TX to the MWM sensor on the left-hand side (006-4641MTX). Secure excess harness slack with cable ties.
Route the rest of the harness along the existing wiring toward the top of the chamber. The wire from the stuffer sensor will be connected to the 4 pin connector coming off the main harness about 2’ (.6M) from the right-hand sensor.
Route the MWM harness (006-6650MW) to the DCP on the baler and remove the green-capped terminating resistor (006-5650Z) on the pump modular port, connecting the MWM sensors. Secure harness with cable ties.
If there is already an additional module connected to the DCP (PAC, Tagger, ect.) route the MWM harness to the module that contains the green-capped terminator (006-5650Z). Remove the terminator and attach the MWM harness. Store the green-capped connector in a location where it will not be lost (for example toolbox on baler).
Moisture Installation – 701MWM

- Locate the mounting holes on the back of both the left and right sides of the bale chute (figure 1).

- Mount the rear microwave moisture mounting brackets 001-2601 (figure 2) on the holes using two 3/8” x 3 1/2″ hex bolts, nuts, and lock washers located in parts bag D.

Attach the microwave moisture sensors to each mounting bracket. Sensor 006-4641MTX will be mounted on the left side of the bale chute (figure 3). Sensor 006-4641MRX will be mounted on the right side (figure 4). Mount the sensors with the wire connection port toward the baler.
Locate the MWM wiring harness (006-6650MWL) in the kit. Start by locating the connector with the white heat shrink label marked RX. Connect this connector to the sensor mounted on the right side chute (006-4641MRX).
If connecting to a moisture-only system route the MWM harness (006-6650MWL) to the DCP on the baler and remove the green-capped terminating resistor (006-5650Z) on the pump modular port, connecting the MWM sensors. Secure the harness. If connecting to a complete applicator system route the MWM harness (006-6650MWL) to the Pump Controller (006-5672) on the pump plate next to the tank and remove the green-capped terminating resistor (006-5650Z) on the pump modular port. Connect the MWM harness to the pump controller in the modular port. Secure the harness. The green resistor is no longer needed.
601A – Wiring Diagram – Connecting to Moisture Only System
- Locate the tractor power/communication harness (006-6650TM(E)).
- At the back of the tractor run, the power leads to the battery.
- Connect the red power wire with the 50 amp fuse to the positive side (12 volts) of the battery.
- The power harness must be connected to the battery! The unit will draw more amps than convenience outlets can handle. Any modifications of the power harness will void the system’s warranty. IF MODIFICATIONS ARE REQUIRED CONTACT HARVEST, TEC, FIRST!
- This unit will not function on positive ground tractors.
- If the unit loses power while operating it will not keep track of accumulated pounds of product used and bale records.
- Connect the black ground wire to the frame of the tractor or the negative side of the (12 volts) battery.
- Connect the Bluetooth Receiver (030-6672B) to the Communication Harness (006-6650TM). Place in a safe location in the cab. Behind the seat for example.
- Connect the orange Keyed Power wire (006-5650K) to a keyed power source.
- Connect the end to the Communication Harness (006-6650TM(E)) to the Bluetooth Receiver.
- Connect the orange-keyed power wire (006-5650K) to a keyed power source on the tractor.
- Connect the Pre-Compression Harness (006-6650MW) into the Pump Controller port on the DCP.
- Connect Microwave Sensors (006-4641MTX & 006-4641MRX) to the Pre-Compression Harness.
- Connect the Stuffer Sensor (006-7400) to the Pre-Compression Harness.

Note: (E) indication is used for International Dealers.
AGCO 2100 Series Balers Pre 2012 need the AGCO Integration Harness (006-6650VAX)
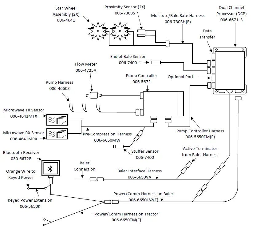
700MWM – Wiring Diagram – Connecting to 696A Preservative Applicator System
- The Baler Power/Communication Harness (006-6650LS2(E)) will attach to the open port of the Tractor Harness (006-6650TM(E)) and run back to the Dual Channel Processor (006-6671LS). Connect the large plug of the Baler Power/Communication Harness (006-6650LS(E)) to the bottom (shorter side) of the DCP.
- Attach the Baler Interface Harness (006-6650VA) in between the short whip cable hardwired to the DCP and the main Power/Communication Harness (006-6650LS2(E)). Make sure Active Terminator removed from the top of the baler processor is attached to Baler Interface Harness (006-6650VA).
- Attach moisture and bale rate harness (006-7303H(E)) and the end of bale harness (006-7400) to the DCP.
- Attach the Pump Control Harness (006-5650F3M(E)) between Pump Controller (006-5672) and the DCP.
- Connect Keyed Power Extension harness (006-5650K) to a keyed power source on tractor.
- Connect the Bluetooth Receiver (030-6672B) to the Communication Harness (006-6650TM).
- Connect the Pre-Compression Harness (006-6650MW) into the Pump Controller port on the DCP.
- Connect Microwave Sensors (006-4641MTX & 006-4641MRX) to the Pre-Compression Harness.
- Connect the Stuffer Sensor (006-7400) to the Pre-Compression Harness.

Note: (E) indication is used for International Dealers
AGCO 2100 Series Balers Pre 2012 need the AGCO Integration Harness (006-6650VAX)
701MWM – Wiring Diagram – Connecting to 696A Preservative Applicator System
- The Baler Power/Communication Harness (006-6650LS2(E)) will attach to the open port of the Tractor Harness (006-6650TM) and run back to the Dual Channel Processor (006-6671LS). Connect the large plug of the Baler Power/Communication Harness (006-6650LS(E)) to the bottom (shorter side) of the DCP.
- Attach the Baler Interface Harness (006-6650VA) in between the short whip cable hardwired to the DCP and the main Power/Communication Harness (006-6650LS2(E)). Make sure Active Terminator removed from the top of the baler processor is attached to Baler Interface Harness (006-6650VA).
- Attach moisture and bale rate harness (006-7303H(E)) and the end of bale harness (006-7400) to the DCP.
- Attach the Pump Control Harness (006-5650F3M(E)) between Pump Controller (006-5672) and the DCP.
- Connect Keyed Power Extension harness (006-5650K) to a keyed power source on tractor.
- Connect the Bluetooth Receiver (030-6672B) to the Communication Harness (006-6650TM(E)).
- Connect the Chute Wire Harness (006-6650MWL) into the Pump Controller port on the DCP.
- Connect Microwave Sensors (006-4641MTX & 006-4641MRX) to the Chute Wire Harness.
- Connect Stuffer Sensor (006-7400) and 20’ sensor extension harness (006-7400MXT) to the Chute Harness.

Note: (E) indication is used for International Dealers.
AGCO 2100 Series Balers Pre 2012 need the AGCO Integration Harness (006-6650VAX)
Pin Outs

Power/Comm Harness 006-6650TM(E) at Hitch
- Pin 1 Red +12V Power to BLE
- Pin 2 Red +12V Power to DCP
- Pin 3 Orange Keyed Power
- Pin 4 Gray Shield
- Pin 5 Green HT Can Low
- Pin 6 Yellow HT Can Hi
- Pin 7 Orange Can1 Hi
- Pin 8 Black Ground from BLE
- Pin 9 Black Ground from DCP
- Pin 10 Blue Can1 Low
Power/Comm Harness 006-6650LS2(E) at Hitch
- Pin 1 Red +12V Power to BLE
- Pin 2 Red +12V Power to DCP
- Pin 3 Orange Keyed Power
- Pin 4 Gray Shield
- Pin 5 Green HT Can Low
- Pin 6 Yellow HT Can Hi
- Pin 7 Orange Can1 Hi
- Pin 8 Black Ground from BLE
- Pin 9 Black Ground from DCP
- Pin 10 Blue Can1 Low
Bluetooth Receiver on Harness 006-6650TM(E)
- Pin 1 Red +12V Power from DCP
- Pin 2 Black Ground from BLE
- Pin 3 Yellow HT Can Low
- Pin 4 Gray Shield
- Pin 5 Green HT Can Hi
- Pin 6 Orange Can1 Hi
- Pin 7 Blue Can1 Low
006-6650VA to DCP Whip

- Pin 1 Red Can Power
- Pin 2 Black Can Ground
- Pin 3 Yellow HT Can Hi
- Pin 4 Gray Shield
- Pin 5 Green HT Can Low
- Pin 6 Orange Can1 Hi
- Pin 7 Blue Can1 Low
006-6650VA Harness to Baler Plug
- Pin A N/A
- Pin B Red TBC Power
- Pin C N/A
- Pin D Gray TBC Ground
- Pin E Orange Can1 Hi
- Pin F Blue Can1 Low
006-6650VA to 006-6650LS2(E)

- Pin 1 Red Can Power
- Pin 2 Black Can Ground
- Pin 3 Yellow HT Can Hi
- Pin 4 Gray Shield
- Pin 5 Green HT Can Low
- Pin 6 N/A
- Pin 7 N/A
Main Power Connector on Dual Channel Processor (DCP)
- Pin 1 Red +12V Power from tractor
- Pin 2 Black Ground from tractor
- Pin 3 Orange Keyed power
Star Wheel and Bale Rate Sensor Connector on DCP

- Pin 1 Blue +12V Power
- Pin 2 Orange Ground
- Pin 3 Black Signal for sensor 1
- Pin 4 White Signal for sensor 2
- Pin 5 N/A
- Pin 6 N/A
- Pin 7 N/A
- Pin 8 Violet Star wheel input 1
- Pin 9 Brown Star wheel input 2
End of Bale Sensor on DCP
- Pin 1 Brown Sensor Power
- Pin 2 Blue Sensor Ground
- Pin 3 N/A
- Pin 4 Black Signal from Sensor
Microwave Moisture Harness 006-6650MW & 006-6650MWL

- Pin 1 Red Power
- Pin 2 N/A Not Used
- Pin 3 N/A Not Used
- Pin 4 Yellow Can H In
- Pin 5 Green Can L In
- Pin 6 Orange Can H Out
- Pin 7 Blue Can L Out
- Pin 8 Black Ground
- Pin 9 N/A Not Used
- Pin 10 N/A Not Used
Microwave Moisture Harness 006-6650MW & 006-6650MWL
- Pin 1 Red Power
- Pin 2 Black Ground
- Pin 3 N/A Not Used
- Pin 4 Brown Signal
Microwave Moisture Harness 006-6650MW & 006-6650MWL (RX)

- Pin 1 Black Ground
- Pin 2 Red Power
- Pin 3 Yellow Can H
- Pin 4 Green Can L
- Pin 5 Plugged
- Pin 6 Plugged
- Pin 7 Brown Signal
- Pin 8 Black Ground
Microwave Moisture Chamber Harness 006-6650MW & 006-6650MWL (TX)
- Pin 1 Black Ground
- Pin 2 Red Power
- Pin 3 Yellow Can H
- Pin 4 Green Can L
- Pin 5 Plugged
- Pin 6 Plugged
- Pin 7 Plugged
- Pin 8 Plugged
Common Questions
Can microwave sensors function with 500 series PIP?
- No, microwave sensors are only compatible w/600 Series units running software version dcp46227 or later.
Can microwave sensors function through a Harvest Tec Touch Screen Display?
- No, microwave sensors require an ISOBUS Interface (VT) or iPad system to set the microwave settings.
What terminal is required to operate the microwave sensor?
- Microwave sensors are compatible with VT & iPads.
What moisture range will sensors detect?
- Pre-Compression Chamber microwave sensors have a moisture range of 6-60% moisture. The Bale Chute chamber sensors have a range of 6-40%.

How do I know if I’m displaying microwave or star wheel moisture?
- The sensor type selected is indicated in the upper right corner of the run screen (right). MC-0 indicates starwheels, MC-1 indicates MWM Pre-Compression Chamber, MC-2 indicates MWM Bale Chamber System, MWM-3 indicates other.
What crops are the microwave sensors designed for?
- The Microwave sensors are designed and calibrated for Alfalfa.
Is there a calibration to the microwave sensors for different crops?
- No, there is no adjustments needed.
Do the sensors emit harmful waves?
- No
How often should a Zero Adjust (ZA) be performed?
- A zero adjustment should be performed on the initial installation. It is also recommended during a zero adjust calibration at the beginning of each season.
When reading moisture with microwave sensors why can I not select Automatic mode?
- MWM Pre-Compression sensors can be used in both Auto and Manual modes. MWM Bale Chute sensors can only be used in Manual Mode due to the lag time between the application tops and the sensors.
Where does the green terminating resistor plug into microwave sensors?
- The green resistor (006-5650Z) is not used. Store the resistor for potential updates and changes you may make to the system in the future.
Where do I position the 840 moisture dye marker spray tip when operating microwave sensors in the pre-compression chamber?
- Dye marking tips should be located behind (toward the rear end of the chute) MWM Chute sensors, with the tips angled toward the rear at a 45-degree angle. Alternative mounting would locate the dye marking tips above the bale w/ the brackets mounted off the top cross beam. When using a Pre-Compression system mount the tips as close to the front of the bale chamber as possible, either on the side if there is clearance or on the top of the bale.
What do the lights on the 030-6672B indicate?
- Red Light – The Bluetooth receiver has power. Green Light – When the proper active connection is selected in the Hay App menu, the green light will indicate a connection with the iPad.
Troubleshooting

Microwave Moisture Pre-Compression System – 601A & 700MWM

Ref /Description /Part # /Qty
- MWM Mounting Bracket 001-2600 4
- Microwave TX Sensor 006-4641MTX 1
- MWM Filter Plate 006-2600FP2
- MWM Pre-Compression Harness 006-6650MW 1
- Microwave RX Sensor 006-4641MRX 1
- End of Bale Bracket (Stuffer Bracket) 001-4648SS 1
- End of Bale Sensor (Stuffer Sensor) 006-7400 1
Complete Assembly 030-0700MWM
Microwave Moisture Bale Chute System – 701MWM

Ref /Description /Part # /Qty
- MWM Rear Mounting Bracket 001-2601
- 2 Microwave TX Sensor 006-4641MTX 1
- End of Bale Extension Harness (20’) 006-7400MXT1
- MWM Pre-Compression Harness 006-6650MWL 1
- Microwave RX Sensor006-4641MRX 1
- End of Bale Bracket (Stuffer Bracket) 001-4648SS 1
- End of Bale Sensor (Stuffer Sensor) 006-7400 1
- NP Power / Comm Extension Harness (25’) 006-6650FMX 1
Complete Assembly 030-0701MWM (Ref 1-7)
Harvest Tec LLC. Warranty and Liability Agreement
Harvest Tec, LLC. will repair or replace components that are found to be defective within 12 months from the date of manufacture. Under no circumstances does this warranty cover any components which in the opinion of Harvest Tec, LLC. have been subjected to negligent use, misuse, alteration, accident, or if repairs have been made with parts other than those manufactured and obtainable from Harvest Tec, LLC. Our obligation under this warranty is limited to repairing or replacing free of charge to the original purchaser any part that in our judgment shows evidence of defective or improper workmanship, provided the part is returned to Harvest Tec, LLC. within 30 days of the failure. If it is determined that a non-Harvest Tec branded hay preservative has been used inside the Harvest Tec applicator system where the failure occurred, then Harvest Tec reserves the right to deny the warranty request at their discretion. Parts must be returned through the selling dealer and distributor, transportation charges prepaid. This warranty shall not be interpreted to render Harvest Tec, LLC. liable for injury or damages of any kind, direct, consequential, or contingent, to persons or property. Furthermore, this warranty does not extend to loss of crop, losses caused by delays or any expense prospective profits or for any other reason. Harvest Tec, LLC. shall not be liable for any recovery greater in amount than the cost or repair of defects in workmanship. There are no warranties, either expressed or implied, of merchantability or fitness for a particular purpose intended or fitness for any other reason. This warranty cannot guarantee that existing conditions beyond the control of Harvest Tec, LLC. will not affect our ability to obtain materials or manufacture necessary replacement parts. Harvest Tec, LLC. reserves the right to make design changes, improve design, or change specifications, at any time without any contingent obligation to purchasers of machines and parts previously sold.
HARVEST TEC, LLC
- address: P.O. BOX 63 2821 HARVEY STREET HUDSON, WI 54016
- PHONE: 715-386-9100
- 1-800-635-7468
- FAX: 715-381-1792
- Email: [email protected]




















