HARVEST TEC 600RBC Moisture Sensor Kit
Introduction
Thank you for purchasing a Harvest Tec Model 600RBC Moisture Monitor System. This 600RBC Moisture Monitoring System has been designed to be operated through an Apple iPad (not included) using the Hay App. As well as the option to plug directly into most tractors that have an ISOBUS Monitor. The 600RBC Moisture Monitoring System offers these advantages by operating through an Apple iPad:
- Large bright, clear, colorful display
- More durable and can be read in bright sunlight
- Can be used for multiple other uses than just the applicator display
- Option to tie into the tractor ISOBUS system
The 600RBC Moisture Monitor kit includes the following parts: Dual Channel Processor (DCP), Moisture Sensors, and Harnesses. For your convenience, a parts breakdown for the 600RBC Moisture Monitoring System is included in the back of this manual. If you do have questions please bring this manual to the dealership. Right, and Left sides are determined by facing in the direction of forwarding travel.
System Requirements
- Made for iPad® running the current iOS operating system or one version previous required for the iPad option
iPad is a trademark of Apple Inc., registered in the U.S. and other countries. - 600 Series Applicators with serial numbers before DCP27000 will require the DCP to be sent to Harvest Tec for a required update in order to use the iPad Integration Module (030-6672C).
- Hay App version must be at least 2.7.1 (or higher) to operate with the iPad Integration Module
If choosing to operate the unit through the ISOBUS monitor, part number 006-6670A will need to be ordered through your local equipment dealer.
Tools Needed
- Standard wrench set
- Electric drill and bits
- Side cutter
- The standard nut driver set
- Standard socket set
- Hammer
- Center punch
Installation of Dual Channel Processor (DCP)

- Locate mounting bolts on the support bar on the right side of the baler (Figure 1).
- Install DCP mounting bracket 001-4703XI as shown (Figure 2).
- Install DCP onto mounting bracket 001-4703XI and secure (Figure 3).
- Cover with DCP Shield 001-5650X (not shown).
Installation of Moisture Sensing Pads
- Open the rear tailgate of the baler and lock it in the up position. Refer to the baler manual to lock the door open.
- Remove bale shaping discs on each side of the chamber by grinding welds. Once removed grind any remaining welds so the sides of the bale chamber are smooth.
- Place plastic isolator (006-4641FX) in the same spot that the shaping disc had been. There should be a hole in the baler that matches up with the hole in the plastic isolator. If not, use the isolator as a template and mark the hole. Center punch the hole and drill it to 3/4″ (19mm)
- (Note: before drilling makes sure you are not drilling into sensitive equipment on the outside of the baler). Drill through the complete square tube. About two inches. Repeat for another side of the baler.
- Insert plastic bushing (006-4641G) from the outside of the baler. Make sure it is flush with the outside of the baler frame. Go to the inside of the baler and mark the amount that protrudes into the chamber. Remove and cut off excess material. Repeat for another side.
- Using 4” carriage bolt slide the parts on in the following order: metal disc (001-4641HX), plastic isolator (006-4641FX), and shortened plastic bushing (006-4641G).
- Insert disc assembly into 3/8” (10mm) hole from inside of bale chamber. Secure to the outside of baler by attaching to the protruding carriage bolt in the following order: small isolator (006-4641), 1/2” D shaped washer, 1/2” lock washer, 1/2” jam nut. Tighten down and repeat for the other side. Make sure no part of the bolt or hardware makes contact with the frame of the baler-no metal to metal.
- Route moisture harness (006-4640G3E) from processor down to the carriage bolt on each side. Make sure it does not come in contact with any moving parts. Secure with cable ties.
- Attach moisture cable to moisture carriage bolt by placing items in the following order: 1/2” D shaped washer, Ring terminal of moisture harness (006-4640G3E), second 1/2” D washer, 1/2” lock washer, 1/2” Jam Nut. Tighten down and repeat for another side. Make sure none of the hardware comes in contact with the frame of the baler.

Installation of Bale Rate Timer Sensor
- The bale rate timer sensor is used to determine when the baler door is open. With this information, the system is able to change the tons/hour automatically. Refer to Operation Manual for Operation Instructions, Automatic Mode, and also record information per bale.
- Locate the sensor (006-7400) and the sensor bracket (001-4648RB). On the right side of the baler find a location 1”– 6” (25mm-15cm) down from the hinge to mount the bracket. Check for clearance with hydraulic cylinders before mounting the bracket. The bracket should be mounted to the front side of the hinge point, with the sensor aligned over the back door.
- Mark and drill two 1/4” holes and install the bracket using two 5/16” x 1-1/4” self-tapping bolts.
- Install the sensor into the bracket and leave 1/4” (7mm) of clearance between the end of the sensor and the door.
- The harness will need to be routed towards the DCP. Secure with cable ties, and be sure to avoid pinch points and hydraulic lines. The harness extension (006-7400EXT) may need to be used.
Installation of iPad Integration Control
Locate a safe location in the cab of the tractor to place the iPad Integration Control (030-6672C). The recommended location is securely fastened out of the operator’s way in a location that is close enough to reach with the iPad cord. Connect the Power / Communication harness (006-6650TM(E)) to the bottom of the receiver.![]()
To operate the applicator, plug the iPad cord into the communication port indicated by:
iPad Integration Control Light Signals
- Green Slow Blink: Power is supplied to the applicator system and the unit is going through its startup process. This will take approximately 25-35 seconds.
- Green Double Blink: Indicating the iPad module recognizes the iPad but the app is not open or connected.
- Green Solid Light: The module is connected to the app and is ready to operate.
Recommended to use the USB cable included with the applicator kit (006-6672USBC)
Bluetooth Receiver Lights
Pre-2020 applicators equipped with Bluetooth receivers (030-6672B) are now equipped with lights to indicate both power and Hay App connection on the Apple iPad. Clean light regularly
- Blinking Lights: The system is waiting for the processor to connect, which could take up to 35 seconds.
- Red Light: The Bluetooth receiver has power
- Green Light: The Bluetooth receiver is connected to the Hay App.
600 Series Applicators with serial numbers before DCP27000 will require the DCP to be sent to Harvest Tec for a required update in order to use the iPad Integration Module (030-6672C). Hay App version must be at least 2.7.1 (or higher) to operate with the iPad Integration Module.
Made for Apple iPad badge
Use of the Made for Apple iPad badge means that an accessory has been designed to connect specifically to the Apple product(s) identified in the badge and has been certified by the developer to meet Apple performance standards. Apple is not responsible for the operation of this device or its compliance with safety and regulatory standards. Please note that the use of this accessory with an Apple product may affect wireless performance.
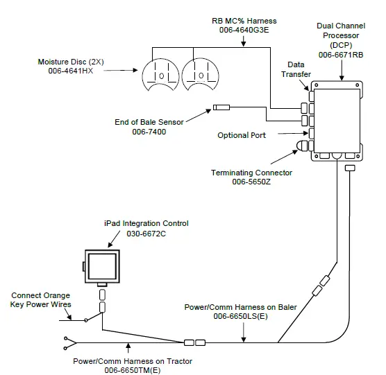
Wiring Diagram
- Locate the tractor power/communication harness (006-6650TM(E)).
- On the back of the tractor run the power leads to the battery and the communication leads to the ISOBUS plug.
- Connect the red power wire with the 50 amp fuse to the positive side of the battery (12 volts).
- The power harness must be connected to the battery! The unit will draw more amps than convenience outlets can handle. Any modifications to the power harness will void the system’s warranty. CONTACT HARVEST TEC IF MODIFICATION IS REQUIRED!
- This unit will not function on positive ground tractors.
- If the unit loses power while operating it will not record the accumulated product used.
- Connect the black ground wire to the frame of the tractor or the negative side of the battery (12 volts).
- Connect the baler power and communication harness (006-6650LS) to the power port on the DCP and to the display port on the DCP (006-6671RB).
- Connect the iPad Integration Control (030-6672C) to the Communication Harness (006-6650TM(E)).
- Install one terminating resistor to the pump controller connection on the DCP (006-5650Z).
- Attach moisture cable (006-4640G3E) to the DCP.
Note: (E) indication is used for International Dealers.
Pin Outs
Power/Comm Harness 006-6650TM(E) at Hitch
- Pin 1 Red +12V Power to TSD
- Pin 2 Red +12V Power to DCP
- Pin 3 Orange Keyed Power
- Pin 4 Gray Shield
- Pin 5 Green HT Can Low
- Pin 6 Yellow HT Can Hi
- Pin 7 Orange Can1 Hi
- Pin 8 Black Ground from TSD
- Pin 9 Black Ground from DCP
- Pin 10 Blue Can1 Low
Power/Comm Harness 006-6650LS(E) at Hitch
- Pin 1 Red +12V Power to TSD
- Pin 2 Red +12V Power to DCP
- Pin 3 Orange Keyed Power
- Pin 4 Gray Shield
- Pin 5 Green HT Can Low
- Pin 6 Yellow HT Can Hi
- Pin 7 Orange Can1 Hi
- Pin 8 Black Ground from TSD
- Pin 9 Black Ground from DCP
- Pin 10 Blue Can1 Low
iPad Integration Control / BLE Harness 006-6650TM(E) at TSD
- Pin 1 Red +12V Power from DCP
- Pin 2 Black Ground from TSD
- Pin 3 Yellow HT Can Low
- Pin 4 Gray Shield
- Pin 5 Green HT Can Hi
- Pin 6 Orange Can1 Hi
- Pin 7 Blue Can1 Low
ISOBUS Plug 006-6670A Baler Side
- Pin 1 N/A
- Pin 2 N/A
- Pin 3 120 OHM with Pin 5
- Pin 4 N/A
- Pin 5 120 OHM with Pin 3
- Pin 6 Orange Can1 Hi
- Pin 7 Blue Can1 Low
ISOBUS Plug Tractor Side
- Pin 1 N/A
- Pin 2 N/A
- Pin 3 +12V Keyed Tractor Power
- Pin 4 N/A
- Pin 5 N/A
- Pin 6 N/A
- Pin 7 N/A
- Pin 8 Orange Can1 Hi
- Pin 9 Blue Can1 Low
Main Power Connector on DCP
- Pin 1 Red +12V Power from tractor
- Pin 2 Black Ground from tractor
- Pin 3 Orange Keyed power
Star Wheel and Bale Rate Sensor connector on DCP
- Pin 1 Blue +12V Power
- Pin 2 Orange Ground
- Pin 3 Black Signal for sensor 1
- Pin 4 White Signal for sensor 2
- Pin 5 N/A
- Pin 6 N/A
- Pin 7 N/A
- Pin 8 Violet Star wheel input 1
- Pin 9 Brown Star wheel input 2
End of Bale sensor on DCP
- Pin 1 Brown Sensor Power
- Pin 2 Blue Sensor Ground
- Pin 3 N/A
- Pin 4 Black Signal from Sensor
Troubleshooting
| PROBLEM | POSSIBLE CAUSE | SOLUTION |
| Moisture reading errors (high or low) |
|
|
|
| |
|
| |
|
| |
|
| |
|
| |
| Moisture readings are erratic. |
| |
|
| |
|
| |
| The terminal reads under or over power. |
|
|
| The Bale rate displays zero. |
|
|
| Bluetooth Receiver lights will not illuminate |
| 1. Check connections and voltage. Minimum 12.5V needed. |
| Blinking Lights – The system is waiting for the processor to connect, which could take up to 35 seconds. Red Light – The Bluetooth receiver has power Green Light – When the proper active connection is selected in the Hay App menu, the green light will indicate a connection with the iPad. | ||
Parts Breakdown for 600RBC Series Control and Harnesses


Description/Part Number/Qty
- End Of Bale Sensor 006-7400 1
- Terminating Connector w/ green cap 006-5650Z 1
- DCP Shield/Cover 001-5650X 1
- DCP Main Control LS 600 AUTO 006-6671RB 1
- DCP Baler Harness 15 FT 006-6650LS 1
- DCP Tractor Harness 006-6650TM 1
- Dust Plugs 006-5651PLUGS 1
- Round Baler End of Bale Bracket 001-4648RB 1
- Key Switch Wire 006-5650K 1
- Optional ISOBUS Tractor Plug (not included)006-6670A 1
- iPad Integration Control 030-6672C 1
- End of Bale Ext. Harness 006-7400EXT 1
- USB Cord 006-6672C 1
Moisture Pads Parts Breakdown

Description/ Part /Qty
- CNH RB Moisture Isolator 006-4641FX 2
- CNH RB Moisture Disk 006-4641HX 2
- 1/2” JAM Nut Misc Hardware 4
- 1/2″ Lock Misc Hardware 4
- 1/2″ D Washer Misc Hardware 6
- 1/2″x 4” Bolt Misc Hardware 2
- Sensor Bushing 006-4641G 2
- Sensor Isolator 006-4641I 2
- Moisture Cable 006-4640G3 1
- Moisture Disc Assembly: 030-4643C (Includes Ref # 1-8)
Optional iPad Mini Mounting Kit (030-2014MK)

Description/ Part / Qty
- Suction cup mount 001-2012SCM 1
- Ram mount 001-2012H1
- iPad Mini® spring load cradle (Mini 4) 001-2012SLC 1
- 16 gauge power wire 006-4723P 1
- Female spade connector Hardware 2
- Eye loop connector Hardware 2
- iPad Mini Charger 12V 001-2012P 1
- iPad Mini 4 case 001-2012C4 1
- 4 amp fuse Hardware 1
- Mounting Kit Assembly: 030-2014MK (Includes All Parts)
Installation Instructions
- Identify a 12V power source for wires to connect.
- Eye loops included if wiring directly to the battery is desired.
- Test for key power source if preferred to have power to the USB shut off with the key.
- Once power source is identified, cut wires to the desired length.
- Crimp the two supplied quick connectors onto each of the white and black wires.
- Remove the round locking plastic nut from the USB plug before connecting the wires. Black (+) White (-).
- The wires will then be hooked to the designated terminals on the bottom of the USB plug
- Drill a 1 1/8” hole in the preferred mounting location. Be sure to clean any sharp edges after drilling.
- Feed the wires through the mounting hole.
- If using the round plastic nut to secure the plug in place, slide the nut back over the wiring before connecting the wires to the powered source.
- Connect the wires to the identified power source if easier to do so before tightening the plug into place.
- Tighten the plug using either the round plastic nut or mounting plate and two screws, both options are supplied.
- Once connected, hook a USB charging cord into the plug and connect a mobile device/tablet to ensure the plug is operating as you wish (key power working properly if necessary).
NOTE: This plug is not designed to charge two iPads. System damage could occur if this is attempted. The system will charge a mobile phone and iPad simultaneously without a problem.
Optional iPad Display Kit (030-4670DK)

Description/ Part / Qty
- Suction cup mount 001-2012SCM 1
- Ram mount 001-2012H 1
- iPad Mini® spring load cradle (Mini 4) 001-2012SLC 1
- 16 gauge power wire 006-4723P 1
- Female spade connector Hardware 2
- Eye loop connector Hardware 2
- iPad Mini Charger 12V 001-2012P 1
- iPad Mini 4 case 001-2012C4 1
- iPad Mini 4 006-4670IP 1
- 4 amp fuse Hardware 1
- Mounting Kit Assembly: 030-4670DK (Includes All Parts)
Installation Instructions
- Identify a 12V power source for wires to connect.
- Eye loops are included if wiring directly to the battery is desired.
- Test for key power source if preferred to have power to the USB shut off with the key.
- Once the power source is identified, cut wires to the desired length.
- Crimp the two supplied quick connectors onto the white and black wire.
- Remove the round locking plastic nut from the USB plug before connecting the wires. Black (+) White (-).
- The wires will then be hooked to the designated terminals on the bottom of the USB plug
- Drill a 1 1/8” hole in the preferred mounting location. Be sure to clean any sharp edges after drilling.
- Feed the wires through the mounting hole.
- If using the round plastic nut to secure the plug in place, slide the nut back over the wiring before connecting the wires to the powered source.
- Connect the wires to the identified power source if easier to do so before tightening the plug into place.
- Tighten plug using either the round plastic nut or mounting plate and two screws, both options are supplied.
- Once connected, hook a USB charging cord into the plug and connect a mobile device/tablet to ensure the plug is operating as you wish (key power working properly if necessary).
NOTE: This plug is not designed to charge two iPads. System damage could occur if this is attempted. The system will charge a mobile phone and iPad simultaneously without a problem.
Harvest Tec LLC. Warranty and Liability Agreement
Harvest Tec, LLC. will repair or replace components that are found to be defective within 12 months from the date of manufacture. Under no circumstances does this warranty cover any components which in the opinion of Harvest Tec, LLC. have been subjected to negligent use, misuse, alteration, accident, or if repairs have been made with parts other than those manufactured and obtainable from Harvest Tec, LLC. Our obligation under this warranty is limited to repairing or replacing free of charge to the original purchaser any part that in our judgment shows evidence of defective or improper workmanship, provided the part is returned to Harvest Tec, LLC. within 30 days of the failure. If it is determined that a non-Harvest Tec branded hay preservative has been used inside the Harvest Tec applicator system where the failure occurred, then Harvest Tec reserves the right to deny the warranty request at their discretion. Parts must be returned through the selling dealer and distributor, and transportation charges prepaid.
This warranty shall not be interpreted to render Harvest Tec, LLC. liable for injury or damages of any kind, direct, consequential, or contingent, to persons or property. Furthermore, this warranty does not extend to loss of crop, losses caused by delays or any expense prospective profits, or for any other reason. Harvest Tec, LLC. shall not be liable for any recovery greater in amount than the cost or repair of defects in workmanship. There are no warranties, either expressed or implied, of merchantability or fitness for a particular purpose intended or fitness for any other reason. This warranty cannot guarantee that existing conditions beyond the control of Harvest Tec, LLC. will not affect our ability to obtain materials or manufacture necessary replacement parts. Harvest Tec, LLC. reserves the right to make design changes, improve design, or change specifications, at any time without any contingent obligation to purchasers of machines and parts previously sold.
HARVEST TEC, LLC.
- P.O. BOX 63 2821 HARVEY STREET HUDSON, WI 54016
- PHONE: 715-386-9100
- 1-800-635-7468
- FAX: 715-381-1792
- Email: [email protected]





















