HARVEST TEC 500C15 Moisture Sensor Kit

DECLARATION OF INCORPORATION FOR A PARTIALLY COMPLETED MACHINE: Harvest Tec Hay Preservative Application System.
MANUFACTURER: Harvest Tec, LLC., 2821 Harvey St, P.O. Box 63, Hudson, WI, 54016, U.S.A.
MACHINE DESCRIPTION: An implement mounted machine that applies inoculants to forage crops.
DECLARATION OF APPLICATION OF ESSENTIAL REQUIREMENTS OF THE DIRECTIVE
2006/42/ EC OF THE EUROPEAN PARLIAMENT AND OF THE COUNCIL OF 17, MAY, 2006 AND OTHER RELEVANT EU DIRECTIVES: The Harvest Tec Hay Preservative Application System conforms with the Directive and other relevant EU directives.
SERVICE DUTY OF THE PARTIALLY COMPLETED MACHINE: The Harvest Tec Hay Preservative Application System will only be put into service after installed on a forage harvester that has been declared to conform with the Directive.
Noise from the Harvest Hay Tec Preservative Application System does not exceed 70 dB (A).
MANUFACTURERS NAME PLATE
Introduction
Thank you for purchasing a 500C15 Moisture Sensor Kit and congratulations. The 500C15 Moisture Sensor Kit is designed to work with any CASE LB 334 or LB 434 and New Holland BB 330 or BB 340 large square baler model year 2013 and newer.
For instructions on the operation of the 500C15 Moisture Sensor Kit please refer to the Balers Operations Manual.
Safety
Carefully read all safety signs in this manual and on the moisture sensor kit before use. Keep signs clean and clear of obstruction to view. Replace missing or damaged safety signs. Replacement signs are available from your local authorized dealer. See your installation manual under the replacement parts section for the correct part numbers.
Keep your moisture sensor kit in proper working condition. Unauthorized modifications to the moisture sensor kit may impair the function and/or safety of the machine.
Carefully read and understand all safety signs before installing or servicing.
Safety Signs
- Number 1
Disconnect power before servicing. Part no. DCL-8003
- Number 2
Read and understand the operator’s manual before using or working around the equipment. Part no. DCL-8000
Installation of the 500C15 Moisture Sensor Kit
Mounting the 500C15 Precision Information Processor (PIP)

- Locate the Precision Information Processor (006-5671LS2).
- Lock the baler’s flywheel brake and lift and open the front hood.
- Locate the four holes by the fly wheel brake. Figure 5
- Insert four M8 x 60mm full thread hex bolts with lock washers in these holes. Note: heads of bolts are on the inside of baler’s main frame. Secure bolts by attaching M8 x 24mm coupling nut spacer to outside of baler main frame.
- Place two 5/16’ fender washers on top two bolts. Place two 5/16” thick washers on bottom two bolts.
- Mount the PIP with the cable pointed down. Install M8 lock washers and nuts but do not tighten down.
- Install the PIP shield (001-5650X) between the 5/16” fender washer and mounting feet of the PIP on the top two M8 x 60mm. Now tighten all hardware.
Installation of Star Wheel Moisture Sensors

- Locate the two star wheel moisture sensors (030-4641) and twine diverters (001-4644 & 001-4645)
- Directly behind the knotters, locate the four predrilled holes per side shown at the arrows. This location is also beneath the lift points on top of the baler. Figure 8
- Install the eight (four per side) M8 x 80mm Allen head cap screws. Make sure the Allen heads are in the bale chamber. Secure using M8 hex nuts. Figure 9
- Install the star wheels below the lift points on the baler. Figure 8 & 9
- Install the twine diverters over the star wheel sensor. The twine diverter with two extra holes will be installed on the right star wheel when looking from the rear of the baler toward the tractor.
- Secure the star wheels and twine diverters with four M8 hex nuts, lock washers, and two flat washers. Figure 9
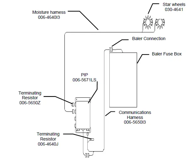
Connecting the Star Wheels to the PIP
Locate the moisture harness (006-4640E3). Remove the four pan head screws on each star wheel and loosen the grommet. Insert the eye loop of the wire into the star wheel block and install on the end of the swivel. Leave a loop in the wire to allow the star wheel cover space to be reinstalled. Tighten the swivel nut, followed by the grommet, and finally install and tighten the four screws. The picture to the left shows the star wheel block open with the wire looped and attached to the swivel. Once both wheels are complete route the harness towards the PIP. Secure loose wires with cable ties.
Connecting the Harnesses to the PIP

- Install the green capped terminating resistor (006-5650Z) to the Precision Information Processor (PIP).
- Route the communication harness (006-5650I3) from the PIP to the baler. Attach the harness to the whip harness coming off the base of the PIP. Secure harness from PIP to baler communication port.
- Install the grey terminating resistor (006-4640J) on the open end of the communication harness (006-5650I3) next to the PIP.
- Install the moisture harness (006-4640I3) into the PIP at the port marked Moisture Sensor. Secure harness from PIP to star wheels.
Power On and Calibrating
Prior to Power On a 5amp fuse will need to be installed in the baler fuse box at location F5. Please refer to the baler operations manual to calibrate and test the system.
Common Questions
The moisture content displays “0%” or “HIGH” all the time.
When the moisture content display does not change frequently while bailing, there is likely a faulty star wheel connection. One of the first places to check is inside the white star wheel block. Check to see if the electronic swivel is in the star wheel shaft and check to see that the star wheel shaft is not working out of the block.
Also check star wheel wires and connections to see if there is a continuity or grounding problem.
Another possible cause could be dirt in the terminating resistor on the side of the PIP. Wipe clean and use dielectric grease. Or replace it.
Can the Harvest Tec 500C15 be updated for preservative or a tagger? Yes. Please ask your Dealer and/or your Harvest Tec representative for more details. Listed below are compatible attachments.
Add Preservative Application:
- New Holland CASE
- HT5C154533BDS 3 Ft wide C5C154533B 3 Ft wide Standard/Packer Cut
- HT5C154534BDS 4 Ft wide C5C154534B 4 Ft wide Standard/Packer Cut
- HT5C154535BDS 3 Ft wide C5C154535B 3 Ft wide Roto Cut
- HT5C154536BDS 4 Ft wide C5C154536B 4 Ft wide Roto Cut
- Add Tagger
- HT5C150850DS C5C150850
- Add Dye Spray Marker
- HT5C150840DS C5C150840
PARTS BREAKDOWN
Controls and Harnesses

Ref : Description : Part # : Qty
- 1 Dust Shield : 001-5650X : 1
- 2 Resistor Plug : 006-4640J : 1
- 3 CAN Comm. Harness : 006-5650I3 : 1
- 4 Twine Guard Right : 001-4645 : 1
- 5 Twine Guard Left : 001-4644 : 1
- 6 PIP Module : 006-5671 : 1
- 7 Terminating Resistor : 006-650Z : 1
- 8 Star Wheels : 030-4641 : 2
- 9 Star Wheel CAN Harness : 006-4640E3 : 1
- 10 Jiffy Clips : 008-9018 : 3
Star Wheels Sensors

Ref : Description : Part# Qty
- Block cover : 006-4641B 2 : 2
- Electronic swivel : 006-4642A : 2
- Swivel insert : w/ Ref # 10 : 2
- Snap ring (per side) : 006-4641K : 2
- Washer (per side) : w/006-4641K : 2
- Dust seal (per side) : w/006-4641K : 2
- Plug fitting : 003-F38 : 2
- Wiring grommet : 008-0821A : 2
- Star wheel block : 006-4641A : 2
- Star wheel sensor : 030-4641C : 2
- Twine guard-left Twine guard-right (prox) : 001-4645 : 1
- 1-10 Star wheel assembly : 001-4644 : 1
Harvest Tec, LLC. Warranty and Liability Agreement.
Harvest Tec, LLC. will repair or replace components that are found to be defective within 12 months from the date of manufacture. Under no circumstances does this warranty cover any components which in the opinion of Harvest Tec, LLC. have been subjected to negligent use, misuse, alteration, accident, or if repairs have been made with parts other than those manufactured and obtainable from Harvest Tec, LLC.
Our obligation under this warranty is limited to repairing or replacing free of charge to the original purchaser any part that in our judgment shows evidence of defective or improper workmanship, provided the part is returned to Harvest Tec, LLC. within 30 days of the failure. Parts must be returned through the selling dealer and distributor, transportation charges prepaid.
This warranty shall not be interpreted to render Harvest Tec, LLC. liable for injury or damages of any kind, direct, consequential, or contingent, to persons or property. Furthermore, this warranty does not extend to loss of crop, losses caused by delays or any expense prospective profits or for any other reason. Harvest Tec, LLC. shall not be liable for any recovery greater in amount than the cost or repair of defects in workmanship.
There are no warranties, either expressed or implied, of merchantability or fitness for particular purpose intended or fitness for any other reason.
This warranty cannot guarantee that existing conditions beyond the control of Harvest Tec, LLC. will not affect our ability to obtain materials or manufacture necessary replacement parts.
Harvest Tec, LLC. reserves the right to make design changes, improve design, or change specifications, at any time without any contingent obligation to purchasers of machines and parts previously sold.
Revised 7/22
For questions regarding installation of hardware please contact:
HARVEST TEC, LLC.
P.O. BOX 63
2821 HARVEY STREET
HUDSON, WI 54016
PHONE: 715-386-9100
1-800-635-7468
FAX: 715-381-1792
Email: [email protected]






















