HARVEST TEC 700J Moisture Sensor Kit for John Deere Large

Introduction
Thank you for purchasing a Harvest Tec moisture monitor system. This moisture monitoring system has been designed to be operated through a number of different displays and tablets using the Precision Baling App. These include, the Harvest Tec display, the baler’s ISOBUS and display on the baler monitor, or iOS/Android Tablet (not included).
The 700 Series Moisture System is designed to show moisture through the balers ISOBUS. Failure to follow instructions can result in personal injury or equipment malfunction. If you need parts for the system, please view the Parts Breakdown toward the back of this manual and contact your local authorized dealer to order the parts.
System Requirements
The Baler must have Software Version 2.0.7 or higher
GreenStar 4th Generation Arm Command Display must have version 8.10.2393-23
*Made for Harvest Tec Display, Baler Integration, or Tablet*
For best performance ensure all displays are running the latest operating system
Tools Needed
- Standard Wrench set
- Electric drill and bits
- Side cutter
- Standard Socket Set
- Hammer Center
- Punch
Installation of the Processor (IPM)
The locations shown are on the right twine box (looking form the back of the baler). Mark and drill the two 3/8 (10mm) holes and install the (IPM) with two 5/16 x 1 bolts, four 1/4” washers, and two 5/16” nylock nuts. Main harness whip coming out of (IPM) should point to the ground. When attaching other harness make sure to loop them below the (IPM) so as not to funnel water into the control.
Main Wire Harness and Baler Interface Harness Routing and Connections
John Deere L330 / L340 Balers Harness Routing and ISOBUS Connection
- Route cords 006-765B2 along this path. Keep cords away from moving parts and hydraulic hoses. Secure with existing cable clamps or use cable ties. When all connections are made, secure wires as shown.

- Route harness from IPM and ICM as shown in picture left, secure with cable ties.

- Route ISO Integration Harness (006-765VA) to opposite side of baler through support cylinder as shown in picture left.

- Locate harness 006-765VA and connect to baler interface harness next to baler’s processor (below) on front left side of baler.
Remove baler terminating resistor and connect to short pigtail on 006-765VA Harness.
Star Wheel Installation
Remove any material from the bale chute. The star wheels are to be mounted on the transition bracket on both sides of the bale chute located after knotters shown above. Holes have been installed at the factory, however you need to remove bracket and cut 3/4” (19mm) off the bracket as indicated below to allow proper spacing for star wheel assembly.
Once complete, touch up with spray paint to prevent rusting and place the carriage bolts that mount the transition bracket back in original bracket mounting holes (A) before mounting star wheel assembly (C). Insert the 5/16” x 3” Allen head bolts (B) up through the transition bracket. Place the star wheel block over the nuts. Place twine guard on top of star wheel (D).
Note: Star wheel with 6 position plug and twine diverter with extra holes needs to be mounted on right side of baler.
End of Bale Sensor Installation
The end of bale sensor determines the position of the needles on the baler. When the needle cycles the sensor communicates this information to the 700 series that a bale has been made. Installation of this sensor is required for use with the Harvest Tec job records. Reference “Sensor Settings” in Operation Manual.
End of bale sensor bracket (001-4648J) will be used.
Mount the end of bale sensor bracket (001-4648J) as shown. Under the twine box mark and drill two 3/8”
(10mm) holes and attach the bracket using two 5/16” x 1” self-tapping screws, and 5/16” flange nuts. Position the bolts so the bolt heads are inside the twine box, so they do not interfere with the twine. Mount the sensor in hole location centered alongside the needle arm, keep the sensor 1/4” (7mm) from the needle arm and tighten both nuts. Route the sensor wire along the bottom side of the twine box toward the twine box pivot point. Secure the wire to the twine box and around the pivot point to avoid damage to the wire. Once routed around the pivot point, connect the EOB sensor wire to the main baler harness (006-765B2).
Tractor Setup

The general tractor setup of the 700 Series applicator can be seen above. The main harness of interest is the tractor power/communication harness (006-765IC). This harness will connect at the tractor battery, to the ISO Communication Module (ICM) mounted in the cab, a keyed power connection point, and connect at the hitch area to the baler power/communication harness (006-765B2). View below to see highlighted installation instruction:
- 12V Battery Connection
- The 12V battery connection must be at the tractor battery. Connection to alternative locations such as an accessory port can cause problems with applicator system.
*MUST BE CONNECTED DIRECT TO TRACTOR BATTERY TERMINALS*
- The 12V battery connection must be at the tractor battery. Connection to alternative locations such as an accessory port can cause problems with applicator system.
- ISO Communication Module
- The ISO communication module is to be mounted inside the cab. Other mounting locations can lead to issues with weathering and operation. Once installed and the system is powered, a green light will turn on the ICM module.
- Key Power Connection
- Ensure a solid keyed connection is found inside the cab and wired into. Poor keyed power connection can result in applicator system issues.
- Harness Connection to Baler
- The tractor harness connects at the hitch to baler power/communication harness (006-765B2). This will allow the system components to communicate with one another. Ensure connections are debris and corrosion free.
Display Options
Optional Tablet Display
The iOS or Android Tablet displays offer the ability to communicate with the 700 series applicator system via hard-wired connection to the ISO Communication Module (ICM). Through the free Precision Baling App, the operator can set real time baling parameters to ensure the most precise application to every bale. This provides a multi-use option while utilizing the improved app to select objects, enter data, and easily switch through operational screens.
The Tablet Display offers easy integration by connecting a charging cable to the USB port on the ICM module (USB port closest to LED light). Once, connected the Harvest Tec applicator will display upon opening the app and powering up the applicator system. Tablets can be used in addition to integrated baler VT display.
*Made for iPad® (3rd generation minimum) or Android Tablet (Does not work with Amazon Fire).
Required to be running the most current operating system or one version previous.
*iPad is a trademark of Apple Inc., registered in the U.S. and other countries.
Optional Harvest Tec Display

The 700 series Harvest Tec Display will allow you to set your real time baling parameters to ensure the most precise application to every bale. This is done by utilizing the improved touch technology to select objects, enter data, and swipe through operational screens.
The Harvest Tec Display offers easy integration by connecting to the additional CAN plug on the 006-765IC harness. Once, connected the Harvest Tec display will power up with applicator system.
Note: The Harvest Tec Display must be used as a standalone display, the baler cannot run both integrated and on the Harvest Tec Display. Must be one or the other. Removal of the 006-765VA integration harness is required when equipped.
Optional Baler VT Integration

The 700 series integration to the Baler VT allows for the ability to set your real time baling though the baler VT and monitor both baler settings and Harvest Tec system parameters through one monitor to ensure the most precise application to every bale.
The 700 series offers easy integration by connecting to the additional CAN plug on the 006-765B harness. Once connected the Harvest Tec system will display with power up of the baler and applicator system.
Baler Display Integration

The ISOBUS Monitor utilizes a combination of soft keys, touch panel, and number menus. All buttons are labeled and color coded.
Baler Monitor Setup
Follow the instructions below to finish setup of the Harvest Tec 700J system through the John Deere ISOBUS monitors.
2600 Series Monitors
- Starting from the Home Page select the Up Arrow with the dot on top.

- On the Machine Setup page that will appear, select soft key D (Page Right)

- On the next page select the Harvest Tec option. The Check mark indicates that the system is now on.

2600 Series Monitor Baler run Screen Details
Harvest Tec information will display on the bottom of screen in the center

Stats Icon Descriptions
- Applicator is not in a run mode.
- Applicator is in Automatic or Manual Mode.
- System is at End of Row as indicated by the Optional Hay Indicators (Crop-Eyes).
- System is in Pause Mode from pressing the Pause button.
GreenStar 4th Generation Arm Command Display
Display software version 8.10.2393-23 or later, is required on the display to ensure compatibility. Earlier versions are not all compatible. This information can be found by selecting “Menu” in the lower right-hand corner of the display, select the third tab down labeled “System”, press “Software Manager”, then the “Version Information” tab and the software versions will be displayed (Figure 1).
Once you have made sure the software version is at or above the recommended version, return to the tractor run screen. When on the run screen, there will be an ISO button (Figure 2) on the bottom toolbar. Pressing this will bring you into the “Connected ISOBUS Implements” page (Figure 3). If Harvest Tec is powered up correctly and active on the ISOBUS, the icon labeled “Forage, Harvest Tec, Inc.” will display. If the files are still loading you will see a loading status.
Once the files are loaded onto the display, you will receive a warning (Figure 5) to inform the operator that another device has been added onto the ISOBUS. This can be accepted and then selecting the Harvest Tec device in the ISOBUS menu will bring up the Harvest Tec system.
When the Harvest Tec system is connected you can also access the applicator by following these screens:

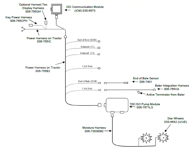
Wiring Diagram – 700 Series Moisture Only
- Connect the power harness (006-765IC) to the tractor battery (12 volt) using the red wire with fuse to the positive side and the black wire to the negative.
A. The power harness must be connected to the battery! CONTACT HARVEST TEC BEFORE MODIFICATIONS.
*The unit will draw more amps than convenience outlets can handle. Any modifications of the power harness will void systems warranty*
B. This unit will not function on positive ground tractors.
C. If the unit loses power while operating it will not keep track of accumulated pounds of product used. - The power harness on the tractor (006-765IC) will run from the tractor battery to the hitch. The power harness on the baler (006-765B2) will connect to the tractor power harness (006-765IC) at the hitch.
- Connect the keyed power wire (006-765CPH) to a keyed power source on the tractor. The keyed power wire must connect to a keyed source or the unit will not power up correctly.
- Attached the ISO Communication Module (006-6673) to the tractor power harness (006-765IC).
- Attach the End of Bale (EOB) connection on baler harness (006-765B2) to the EOB Sensor (006-7401).
- Attach star wheel (030-4642 U/UE) connection to ISO Pump Module on pump plate assembly.
System Wiring Diagram

Pin Outs
Integrated Control Module (ICM) on harness 006-765IC

- Pin 1 Red +12V from ECU
- Pin 2 Purple Signal Wire
- Pin 3 Red/White +12V CAN X
- Pin 4 Black/White Ground CAN X
- Pin 5 Orange CAN X Hi
- Pin 6 Blue CAN X Lo
- Pin 7 Green ISO CAN Lo
- Pin 8 Yellow ISO CAN Hi
- Pin 9 White GPS Expansion 1
- Pin 10 Gray GPS Expansion 2
- Pin 11 Brown GPS Expansion 3
- Pin 12 Black Ground from ECU
ISOBUS Plug on harness 006-765IC

- Pin 1 Red +12V from ECU
- Pin 2 Yellow ISO CAN Hi
- Pin 3 Green ISO CAN Lo
- Pin 4 Black Ground from ECU
Power / Communication Harness 006-765IC at Baler Hitch

- Pin 1 Not Used —-
- Pin 2 Yellow ISO CAN Hi
- Pin 3 Green ISO CAN Lo
- Pin 4 Red +12V Power to ECU
- Pin 5 Black Ground to ECU
- Pin 6 Red +12V From Battery
- Pin 7 Not Used —-
- Pin 8 Black Ground From Battery
- Pin 9 Not Used —-
- Pin 10 Purple Signal Wire
- Pin 11 Red/White +12V CAN X
- Pin 12 Black/White Ground CAN X
- Pin 13 Orange CAN X Hi
- Pin 14 Blue CAN X Lo
- Pin 15 White GPS Expansion 1
- Pin 16 Gray GPS Expansion 2
- Pin 17 Brown GPS Expansion 3
- Pin 18 Not Used —-
Power / Communication Harness 006-765B2 at Baler Hitch IPM

- Pin 1 Not Used —-
- Pin 2 Yellow ISO CAN Hi
- Pin 3 Green ISO CAN Lo
- Pin 4 Red +12V Power to ECU
- Pin 5 Black Ground to ECU
- Pin 6 Red +12V From Battery
- Pin 7 Not Used —-
- Pin 8 Black Ground From Battery
- Pin 9 Not Used —-
- Pin 10 Orange/White +12V Power to EOR
- Pin 11 Not Used —
- Pin 12 Not Used —-
- Pin 13 Not Used —-
- Pin 14 Not Used —-
- Pin 15 Not Used —-
- Pin 16 Not Used —-
- Pin 17 Not Used —-
- Pin 18 Not Used —-
Power / Communication Harness 006-765B2 at IPM Module

- Pin 1 Not Used —-
- Pin 2 Yellow ISO CAN Hi
- Pin 3 Green ISO CAN Lo
- Pin 4 Red +12V Power to ECU
- Pin 5 Black Ground to ECU
- Pin 6 Red +12V From Battery
- Pin 7 Not Used —-
- Pin 8 Black Ground From Battery
- Pin 9 Not Used —-
- Pin 10 Orange/White +12V Power to EOR
- Pin 11 Orange/Black Ground to EOR
- Pin 12 Purple/Green EOR Signal
- Pin 13 Blue/White EOB Signal
- Pin 14 Gray/Red +12V Power to Solenoid 1
- Pin 15 White/Black Ground to Solenoid 1
- Pin 16 Orange/Red +12V Power to Solenoid 2
- Pin 17 White/Black Ground to Solenoid 2
Solenoid 1 Plug on Baler Harness 006-765B

- Pin B Gray/Red +12V to Solenoid 1
- Pin A White/Black Ground to Solenoid 1
Solenoid 2 Plug on Baler Harness 006-765B

- Pin B Orange/Red +12V to Solenoid 2
- Pin A White/Black Ground to Solenoid 2
CAN / IDM on Baler Harness 006-765B

- Pin 1 Red +12V to ECU
- Pin 2 Yellow ISO CAN Hi
- Pin 3 Green ISO CAN Lo
- Pin 4 Black Ground to ECU
End of Bale Sensor Plug on Baler Harness 006-765B

- Pin 1 Orange/White +12V to End of Bale Sensors
- Pin 2 Orange/Black Ground to End of Bale Sensors
- Pin 3 Blue/White Signal
End of Row Sensors Plug on Baler Harness 006-765B

- Pin 1 Orange/White +12V to End of Bale Sensors
- Pin 2 Orange/Black Ground to End of Bale Sensors
- Pin 3 Blue/White Signal
Integration Harness Plug on Baler Harness 006-765VA

- Pin A Not Used —-
- Pin B Red TBC Power
- Pin C Not Used —-
- Pin D Gray TBC Ground
- Pin E Orange CAN Hi
- Pin F Blue CAN Lo
Pump Connection on 700 Controller Harness

- Pin 1 Red Power to Pump
- Pin 2 Black Ground to Pump
Star Wheel Sensors

Ref : Description : Part# : Qty
- Block Cover 006-4642UC 1
- Star Wheel Block 006-4642UB 1
- Star Wheel Gasket 006-4642UG 1
- Electric Swivel 006-4642A 1
- Swivel Insert 006-4642B 1
- Encoder 006-4512E 1
- Encoder Mount 006-4512P 1
- Washers 006-4642K 1
- Star Wheel 006-4642US 1 10
Encoder Harness (6 pin)
006-7307EM 1
NP Moisture Harness (2 pin) 006-7307M 1 1-10
Star wheel assembly (w/ Encoder) 030-4642UE 1 1-5
8,9,NP Star wheel assembly (w/o Encoder) 030-4642U 1
Control Box and Wiring Harnesses

Ref : Description : Part# : Qty
- Power Lead Baler 20’ 006-765B2 1
- Power lead tractor 006-765IC 1
- Key Switch Wire 006-765CPH 1
- ISO Pump Module 006-7671LS 1
- ISO Communication Module 006-6673 1
NP Baler Integration Harness 006-765VA 1
NP Dust Plug Kit 006-765DP 1
End of Bale Sensor Kit

Ref : Description : Part # : Qty
- End of Bale Sensor 006-7401 1
- End of Bale Ext. 006-7401EXT 1
Harvest Tec Inc. Warranty and Liability Agreement
Harvest Tec, Inc. will repair or replace components that are found to be defective within 12 months from the date of manufacture. Under no circumstances does this warranty cover any components which in the opinion of Harvest Tec, Inc. have been subjected to negligent use, misuse, alteration, accident, or if repairs have been made with parts other than those manufactured and obtainable from Harvest Tec, Inc.
Our obligation under this warranty is limited to repairing or replacing free of charge to the original purchaser any part that in our judgment shows evidence of defective or improper workmanship, provided the part is returned to Harvest Tec, Inc. within 30 days of the failure. If it is determined that a non-Harvest Tec branded hay preservative has been used inside the Harvest Tec applicator system where the failure occurred, then Harvest Tec reserves the right to deny the warranty request at their discretion. Parts must be returned through the selling dealer and distributor, transportation charges prepaid.
This warranty shall not be interpreted to render Harvest Tec, Inc. liable for injury or damages of any kind, direct, consequential, or contingent, to persons or property. Furthermore, this warranty does not extend to loss of crop, losses caused by delays or any expense prospective profits or for any other reason. Harvest Tec, Inc. shall not be liable for any recovery greater in amount than the cost or repair of defects in workmanship.
There are no warranties, either expressed or implied, of merchantability or fitness for particular purpose intended or fitness for any other reason.
This warranty cannot guarantee that existing conditions beyond the control of Harvest Tec, Inc. will not affect our ability to obtain materials or manufacture necessary replacement parts.
Harvest Tec, Inc. reserves the right to make design changes, improve design, or change specifications, at any time without any contingent obligation to purchasers of machines and parts previously sold.
Revised 4/17
HARVEST TEC, INC. P.O. BOX 63
2821 HARVEY STREET HUDSON, WI 54016
PHONE: 715-386-9100 1-800-635-7468
FAX: 715-3 81-1792
20



























