HARVEST TEC 300RBHTK Round Balers High Output Kit

DECLARATION OF INCORPORATION
MANUFACTURER: Harvest Tec LLC.
2821 Harvey St.
P.O. Box 63
Hudson, WI 54016, U.S.A.
REPRESENTATIVE ESTABLISHED IN COMMUNITY: Profitable Farming Company
Middle Barlington, Roborough
Winkleigh, Devon, EX19 8AG
ENGLAND
The person above certifies and declares that:
VIRTUAL MACHINE: Equipment mounted on a farm press and for the application of innoculants onto forage crops.
MODEL: 300RBHTK-17-Inst-Imp&Metric
BRAND: Harvest Tec
SERIAL NUMBER:
This application preservatives for hay Harvest Tec system meets the Directive 2006/42/EC of the European Parliment and the Council of 17 May 2006 and other applicable European Directives including Directive 2004/108/EC on the Electromagnetic compatability.
The application of preservatives for hay Harvest Tec system will be turned on after being installed on a farm press has been declard in conformity with the Machinery Directive.
Person in the community authorized to provide information on the partly completed machinery and making this statement:
Richard Snell, President, Profitable Farming Company
Signed on May 21, 2011: Middle Barlington, Roborough Winkleigh, Devon, EX19 8AG
Introduction
Congratulations and thank you for purchasing a Harvest Tec Model 300RBHTK High Output Kit. Please read this manual carefully to ensure correct steps are taken to attach the system to the baler.
Made for iPad® running the current iOS operating system
iPad is a trademark of Apple Inc., registered in the U.S. and other countries.
300 Series Applicators with serial number before THS07000 will require the THS to be sent to Harvest Tec for a required update in order to use the iPad Integration Module (030-6670C).
Hay App version must be at least 2.7.1 (or higher) to operate with the iPad Integration Module (030-6672C)
Installing 300RBHTK Solenoid Block, Hose & Solenoid
Locate solenoid on current system and connect 1/4″ Tee (003-TT14) to the solenoid check valve (004-1207VF) as shown in figure 1. Install 1/4″ x 1/2″ straight fitting (003-A1412) into the tee. Connect 1/2″ hose from the pump to the straight fitting.
Install the 1/4″ street elbow (003-SE14) to the tee. Connect the second solenoid check valve to the 1/4″ street elbow. Connect the female quick coupler (004-1207H) to the check valve with the washer (004-1207W). Install the second 1/4″ x 1/2″ straight fitting (003-A1412) to the female quick coupler.
Install 1/2” hose (002-9001) to the 1/4″ x 1/2″ straight fitting (003-A1412) from the 300RBHTK. Install the original solenoid and the new solenoid (002-2203F) from 300RBHTK to check valve as shown in Figure 2.
Reconnect original solenoid harness (006-3650-S2) to the original solenoid. Ensuring that the opposite end of the harness is connected to the Solenoid V1 connection on the 300RB controller harness. See wiring diagram
Connect new solenoid harness (006-3650-S2) included in the 300RBHTK to the new solenoid and connect the opposite end to the V2-DSM connection on 300RB controller harness. *See wiring diagram

Installing 300RBHTK Tips
Within the 300RBHTK kit there will be two different tip styles. Locate the set (2 tips) that are the same as on your current system, include the tip mounting components if needed.
For example, nozzle body (004-4722), tip screens (004-1203-100), White Tip (004-XR11008VS), body cap (004-4723).
Note: Due to the 300RBHTK containing parts to fit all styles of round baler 300 applicator kits, not all parts will be used. Refer to parts breakdown for all parts included.
V Bracket Nozzle Holders
Following the same setup currently on your baler for hose length, fittings, and tip style. Add in the additional high output tip into the additional mounting holes on the V shaped nozzle brackets (001-4714J)
Below is an illustration of the view from below the nozzle holders to show the single tip setup in figure1, and the high output tip kit (300RBHTK) installed in figure 2.

Spray Shields
Below is an illustration of the of a spray shield (figure 3) showing where the original tips would be located on the 4’ and 5’ (1.2M and1.5M) balers, on the spray shield vertical holes.
Following the same setup currently on your baler for hose length, fittings, and tip style. Add in the additional high output tip into the additional mounting holes on or a spray shield.

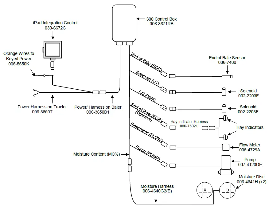
Wiring Diagram – 346, 347, 349 using 300RBHTK
- Connect the power harness (006-3650T) to the tractor battery (12 volt) using the red wire with fuse to the positive side and the black wire to the negative.
a. The power harness must be connected to the battery! The unit will draw more amps than convenience outlets can handle. Any modifications of the power harness will void systems warranty. CONTACT HARVEST TEC BEFORE MODIFICATIONS.
b. This unit will not function on positive ground tractors.
c. If the unit loses power while operating it will not keep track of accumulated pounds of product used. - The power harness on the tractor (006-3650T) will run from the tractor battery to the hitch. The power harness on the baler (006-3650B1) will connect to the tractor power harness (006-3650T) at the hitch.
- Connect the keyed power wire (006-5650K) to a keyed power source on the tractor. The keyed power wire must connect to a keyed source or the unit will not power up correctly.
- Attached the iPad Integration Control (030-6672C) to the tractor power harness (006-3650T).
- Attach the End of Bale (EOB) connection on the controller to the End of Baler Sensor (006-7400).
- Attach the Solenoid (V1) (Delphi connector) connection on the controller to the wire from the solenoid (002-2203F). Connect 300RBHTK solenoid and solenoid harness to V2-DSM connection.
- Attach the Flowmeter (FLOW) connection on the controller to the flowmeter (006-4729A).
a. Attach the spade connectors on the FLOW harness to the Pump (007-4120DE).
System wiring diagram
Note: (E) indication is used for International Dealers

| Harness | Color |
| EOB | Brown |
| V1 | White (Delphi Connector) |
| EOR | Yellow |
| FLOW | White |
| V2-DSM | White (Delphi Connector) |
| Pump | Orange |
Wiring Diagram – 347C using 300RBHTK
- Connect the power harness (006-3650T) to the tractor battery (12 volt) using the red wire with fuse to the positive side and the black wire to the negative.
a. The power harness must be connected to the battery! The unit will draw more amps than convenience outlets can handle. Any modifications of the power harness will void systems warranty. CONTACT HARVEST TEC BEFORE MODIFICATIONS.
b. This unit will not function on positive ground tractors.
c. If the unit loses power while operating it will not keep track of accumulated pounds of product used. - The power harness on the tractor (006-3650T) will run from the tractor battery to the hitch. The power harness on the baler (006-3650B1) will connect to the tractor power harness (006-3650T) at the hitch.
- Connect the keyed power wire (006-5650K) to a keyed power source on the tractor. The keyed power wire must connect to a keyed source or the unit will not power up correctly.
- Attached the iPad Integration Control (030-6672C) to the tractor power harness (006-3650T).
- Attach the End of Bale (EOB) connection on the controller to the End of Baler Sensor (006-7400).
- Attach the Solenoid (V1) (Delphi connector) connection on the controller to the wire from the solenoid (002-2203F). Connect the 300RBHTK solenoid and solenoid harness to V2-DSM connection.
- Attach the Flowmeter (FLOW) connection on the controller to the flowmeter (006-4729A).
a. Attach the spade connectors on the FLOW harness to the Pump (007-4120DE).

High Output Kit (300RBHTK)

| Ref | Description | Part # | Qty |
| 1 | 1/4″ x 1/2″ Straight Fitting | 003-A1412 | 7 |
| 2 | #6 Hose Clamp | 003-9003 | 7 |
| 3 | 1/4” Tee | 003-TT14SQ | 1 |
| 4 | 1/4″ Sq Elbow | 003-SE14F | 1 |
| 5 | Nozzle Body | 004-4722 | 2 |
| 6 | Tip Screens | 004-1203-100 | 2 |
| 7 | High Output Tip – White | 004-XR11008VS | 2 |
| 8 | Nozzle Body Cap | 004-4723 | 2 |
| 9 | High Output Tip – Grey | 004-T8008-PT | 2 |
| 10 | 1/4″ x 1/2″ Sq Fitting | 003-A1412F | 2 |
| 11 | 1/2″ Hose | 002-9001 | 6ft |
High Output Solenoid (Included with 300RBHTK Kit)

| Ref | Description | Part # | Qty |
| 12 | #6 Hose Clamp | 003-9003 | 2 |
| 13 | 1/4″ x 1/2″ Straight Fitting | 003-A1412 | 2 |
| 14 | Female Quick Coupler | 004-1207H | 2 |
| 15 | Rubber Washer | 004-1207W | 1 |
| 16 | Solenoid | 002-2203F | 1 |
| 17 | Solenoid Harness (10’) | 006-3650-S2 | 1 |
| 18 | 1/4″ Street Elbow | 003-SE14 | 1 |
| 19 | Mini Hose Clamp | 003-9002 | 1 |
| 20 | 1/4″ x 1/4″ Straight Fitting | 003-A1414 | 1 |
| 21 | Solenoid Check Valve | 004-1207VF | 2 |
| 22 | 1/4″ Tee | 003-TT14 | 1 |
Harvest Tec LLC. Warranty and Liability Agreement
Harvest Tec, LLC. will repair or replace components that are found to be defective within 12 months from the date of manufacture. Under no circumstances does this warranty cover any components which in the opinion of Harvest Tec, LLC. have been subjected to negligent use, misuse, alteration, accident, or if repairs have been made with parts other than those manufactured and obtainable from Harvest Tec, LLC. Our obligation under this warranty is limited to repairing or replacing free of charge to the original purchaser any part that in our judgment shows evidence of defective or improper workmanship, provided the part is returned to Harvest Tec, LLC. within 30 days of the failure. If it is determined that a non-Harvest Tec branded hay preservative has been used inside the Harvest Tec applicator system where the failure occurred, then Harvest Tec reserves the right to deny the warranty request at their discretion. Parts must be returned through the selling dealer and distributor, and transportation charges prepaid.
This warranty shall not be interpreted to render Harvest Tec, LLC. liable for injury or damages of any kind, direct, consequential, or contingent, to persons or property. Furthermore, this warranty does not extend to loss of crop, losses caused by delays or any expense prospective profits or for any other reason. Harvest Tec, LLC. shall not be liable for any recovery greater in amount than the cost or repair of defects in workmanship. There are no warranties, either expressed or implied, of merchantability or fitness for particular purpose intended or fitness for any other reason. This warranty cannot guarantee that existing conditions beyond the control of Harvest Tec, LLC. will not affect our ability to obtain materials or manufacture necessary replacement parts. Harvest Tec, LLC. reserves the right to make design changes, improve design, or change specifications, at any time without any contingent obligation to purchasers of machines and parts previously sold.
Revised 5/22
HARVEST TEC, INC.
P.O. BOX 63
2821 HARVEY STREET
HUDSON, WI 54016
PHONE: 715-386-9100
1-800-635-7468
FAX: 715-381-1792
Email: [email protected]




















