EMTEK Rosette Style Door Bumper

Installation Guide – Rosette Style Door Bumper
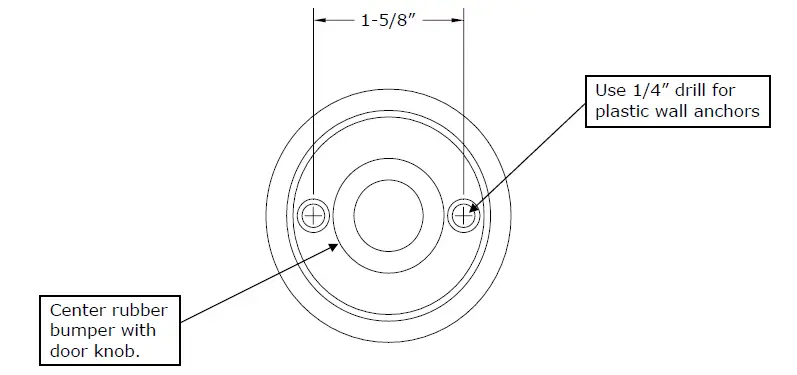
Drill Holes

Install Door Bumper

- Use #2 Phillips screwdriver to install wall bumper to wall.
IN4-WALLBUMPER REV 2 11-23-21


Drill Holes

Install Door Bumper

IN4-WALLBUMPER REV 2 11-23-21
Download manual
Here you can download full pdf version of manual, it may contain additional safety instructions, warranty information, FCC rules, etc.