EMTEK Stretto 1.5×5 Passage Door Lock 
Installation Guide
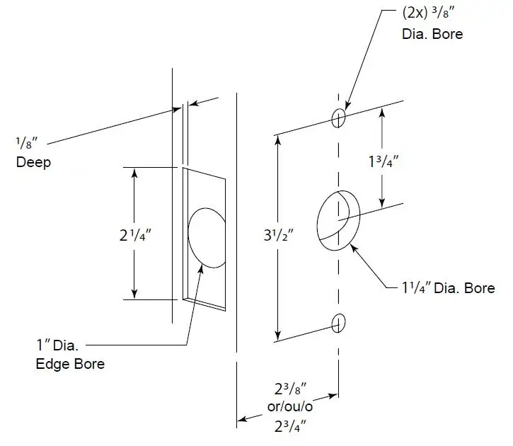
Door Prep
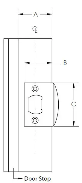
Door Jamb Prep 
Dimension B & C should be used as reference only. Due to tolerances as reference only. Due to tolerances actual door jamb prep dimensions will vary. Using the strike plate outline edges and locate screw holes on strike with center line on jamb.
| A | B | C |
| 1-3/8˝ | 1-1/4˝ | 2-1/4˝ |
| 1-1/2˝ | 1-5/16˝ | 2-1/4˝ |
| 1-3/4˝ | 1-7/16˝ | 2-1/4˝ |
Install Latch
Install Strike Plate
Fasten strike plate with #8 wood screws (provided).
Install Outside and Inside Trims
NOTE: Handles vary depending on style.





















