
EMTEK Pocket Door Lock

Installation Instructions
Pocket Door lock – Passage/Privacy
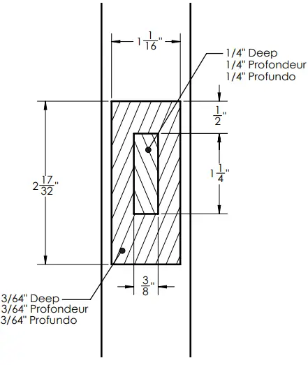
- Door Prep

- Jamb Prep

- Loosen Screw
Important
Loosen Pan Head Screws before installing lock to door – both sides
- Install Lock

- Secure Lock
Remember to re-tighten all Pan Head Screws after installation.
Secure Pocket door to door with wood screws provided (Machine screws optional)























