
NAL RESEARCH 9602-AB Satellite Tracker User Guide
![]()
9602-AB
LEGAL DISCLAIMER AND CONDITION OF USE
This document contains information for the Iridium 9602-AB tracker and accompanying accessories (“Product”), which are provided “as is.” Reasonable effort has been made to make the information in this document reliable and consistent with specifications, test measurements and other information. However, NAL Research Corporation and its affiliated companies, directors, officers, employees, agents, trustees or consultants (“NAL Research”) assume no responsibility for any typographical, technical, content or other inaccuracies in this document. NAL Research reserves the right in its sole discretion and without notice to you to change Product specifications and materials and/or revise this document or withdraw it at any time. User assumes the full risk of using the Product specifications and any other information provided.
NAL Research makes no representations, guarantees, conditions or warranties, either express or implied, including without limitation, any implied representations, guarantees, conditions or warranties of merchantability and fitness for a particular purpose, non-infringement, satisfactory quality, non-interference, accuracy of informational content, or arising from a course of dealing, law, usage, or trade practice, use, or related to the performance or nonperformance of any products, accessories, facilities or services or information except as expressly stated in this guide and/or the Product and/or satellite service documentation. Any other standards of performance, guarantees, conditions and warranties are hereby expressly excluded and disclaimed to the fullest extent permitted by the law. This disclaimer and exclusion shall apply even if the express limited warranty contained in this guide or such documentation fails of its essential purpose.
In no event shall NAL Research be liable, whether in contract or tort or any other legal theory, including without limitation strict liability, gross negligence or negligence, for any damages in excess of the purchase price of the Product, including any direct, indirect, incidental, special or consequential damages of any kind, or loss of revenue or profits, loss of business, loss of privacy, loss of use, loss of time or inconvenience, loss of information or data, software or applications or other financial loss caused by the Product (including hardware, software and/or firmware) and/or the Iridium satellite, or arising out of or in connection with the ability or inability to use the Product (including hardware, software and/ or firmware) and/or the Iridium satellite to the fullest extent these damages may be disclaimed by law and whether advised of the possibilities of such damages. NAL Research is not liable for any claim made by a third party or made by you for a third party.
REVISION HISTORY

REFERENCE DOCUMENTS
The latest revisions of the NAL documents are available from the NAL Research website at https://www.nalresearch.com/support/documentation-downloads/.

GLOSSARY
ABS ………………………..Acrylonitrile butadiene styrene
BIS …………………………Bureau of Industry and Security
CE ………………………….Conformité Européenne
DTE ………………………..Data terminal equipment
EAR ………………………..Export Administration Regulations ETSI ………………………..European Telecommunications Standards Institute
FCC ………………………..Federal Communications Commission
GPS ………………………..Global Positioning System
LCD ………………………..Liquid-crystal display
LED ………………………..Light-emitting diode
Li-ion ………………………Lithium-ion
OFAC ………………………Office of Foreign Asset Controls
SatTerm ………………….Satellite terminal emulator software
SBD ………………………..Short-burst data
USB ………………………..Universal Serial Bus
1. PURPOSE
The 9602-AB Tracker is an ultra-low power consumption tracker designed for Short Burt Data (SBD) communication using the Iridium satellite network. It has internal Iridium and GPS antennas and internal Li-ion battery. When a data terminal equipment (DTE) with SatTerm software installed is connected to the 9602-AB USB Mini interface, the DTE can be used to set up the operating parameters of the 9602-AB via a Universal Serial Bus (USB) port. A DTE can be a desktop computer, a laptop computer, or a microcontroller. Refer to the “SatTerm user guide” [1] on how to set the 9602-AB operating parameters.
2. DESIGN SPECIFICATIONS
- Dimensions:……………………………………………………….3.75” L x 2.16” W x 1.23” D (95 mm x 55 mm x 31 mm)
- Weight: ……………………………………………………………..8.0 oz. (227 g)
- Enclosure: ………………………………………………………….Hard Anodized Enclosure, ABS Lid
- Multi-Interface Connector: ………………………………….USB-mini
- OFF/ON Switch: ………………………………………………….Push Button
- Emergency Switch: ……………………………………………..Guarded Button
- Status LED Displays: ……………………………………………Power, GPS, Iridium, SBD status, and Emergency

Figure 1: 9602-AB Operational Features
3. CHARGING THE 9602-AB
The 9602-AB has an internal 1.95 Ah rechargeable Li-ion battery, and ships with the internal battery partially charged. Fully charge the 9602-AB before use. There are two (2) ways of charging the 9602-AB:
- Use the supplied AC wall adapter.
o The charging time is approximately five (5) hours. - Connect to a standard USB device: Make sure to use the USB cable provided with the 9602-AB.
o The charging time depends on the type of USB port.
USB 1.0 should be able to charge the 9602-AB in about a day, assuming the port is capable of producing an output current of 100 mA.
USB 2.0 can charge in about four (4) hours, assuming the current output of 1.5 A.
4. STATUS LEDS
The 9602-AB has five (5) status LEDs, as shown in Figure 1. These include power indicator, GPS availability, Iridium signal strength, SBD transmission status, and emergency mode alert. They provide a quick visual check to ensure proper operations with the following information:
- Power LED:
o Solid: Battery level is at +80% or battery is fully charged with power cable plugged in.
o Rapid blinking (on 0.5 second, off 0.125 second): Battery level is between 50% – 80% or battery level is between 50% – 90% with power cable plugged in.
o Slower blinking (on 1 second, off 0.25 second): Battery level is between 20% – 50%.
o Slow blinking (on 2 seconds, off 0.5 second): Battery level is between 0% – 20%.
o Very slow blinking (on 0.1 seconds, off 5 seconds): Sleeping between reports.
o Off: The device is off. - GPS LED:
o Solid: There is a valid 3D position fix.
o Blinking: There is 2D position fix.
o Off: Unable to obtain a position fix, only able to obtain time, or GPS receiver is off. - Iridium LED:
o Solid: The Iridium signal strength is between 3–5 bars.
o Blinking: The Iridium signal strength is between 1–2 bars.
o Off: The Iridium signal strength is at 0 bars or Iridium transceiver is off. - Status LED:
o Solid: The most recent SBD transmission succeeded.
o Blinking: An SBD transmission was successful in the past, but the most recent transmission failed.
o Off: No successful SBD transmission yet. - Emergency LED:
o Solid: Emergency is enabled.
o Off: Emergency is disabled.
5. POWER CONSUMPTION
The 9602-AB has an internal 1.95 Ah Li-ion rechargeable battery. When both the Iridium and GPS antennas have a clear view of the sky, the battery is fully charged and the report rate is set to less than two hours, the 9602-AB is capable of sending more than 1,500 tracking reports. Blocked or partially blocked antennas force the 9602-AB to retry multiple SBD transmissions for each report, and as a result can significantly reduce the overall number of reporting cycles.
The 9602-AB saves valid ephemeris data after each 3D fix. The ephemeris data reduces acquisition time in the next reporting cycle from cold-start to hot-start. If the ephemeris data is older than two hours (time between reports is set for more than two hours), the GPS receiver goes through cold-start each time it wakes up to send a report. As a result, the 9602-AB configured for report rate of more than two hours can only send approximately 750 tracking reports.
IMPORTANT: Data presented here are only estimates and are highly dependent on the operating environment. Data are based on measurements made with multiple 9602-ABs placed on the roof of NAL Research’s facility with no blockage.
6. TECHNICAL SUPPORT
For technical support, please contact us at:
Phone: 703-392-1136, Fax: 703-392-6795 Email: [email protected]
Technical documents are also available to download on NAL Research’s website www.nalresearch.com in the Support > Documentation & Downloads section.
7. STANDARDS COMPLIANCE
The 9602-AB comprises an Iridium 9602 transceiver. The 9602 transceiver is designed to meet the regulatory requirements for approval for FCC, Canada, and CE, assuming an antenna with a gain of approximately 3 dBi and adequate shielding. The 9602-AB testing complies with the regulatory and technical certifications as shown in Table 1.
Table 1: Regulatory and Technical Certifications

8. EXPORT COMPLIANCE
The 9602-AB is controlled by the export laws and regulations of the United States of America (USA). It is the policy of NAL Research to fully comply with all U.S. export and economic sanction laws and regulations. The export of NAL Research products, services, hardware, software, and technology must be made only in accordance with the laws, regulations, and licensing requirements of the U.S. government. NAL Research customers must also comply with these laws and regulations. Failure to comply can result in the imposition of fines and penalties, the loss of export privileges, and termination of your contractual agreements with NAL Research.
The export and re-export of NAL Research products and services are subject to regulation by the Export Administration Regulations (15 CFR 730-744), as administered by the U.S. Department of Commerce, Bureau of Industry and Security (BIS).
See: https://www.bis.doc.gov/index.php/regulations/export-administration-regulations-ear for further information on BIS and the Export Administration Regulations (EAR). Additional export restrictions are administered by the U.S. Department of the Treasury’s Office of Foreign Asset Controls (OFAC). See: http://www.ustreas.gov/ofac for further information on OFAC and its requirements.
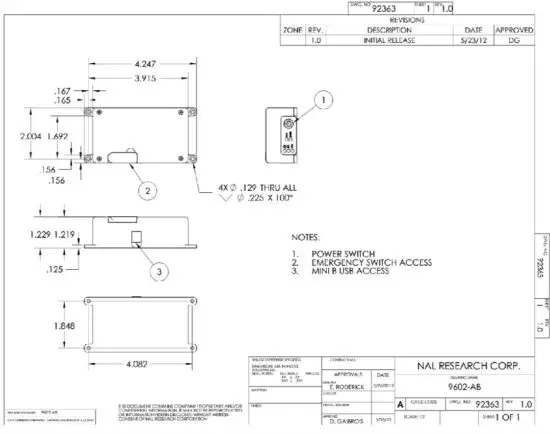
9. MECHANICAL DRAWING

Figure 2: 9602-AB Mechanical Drawing
Copyright © 2021 by NAL Research Corporation
11100 Endeavor Ct., Suite 300
Manassas, Virginia 20109 USA
Phone: 703-392-1136
Email: [email protected]
Read More About This Manual & Download PDF:













