CandCNC ISS-05 Intelligent Spindle Speed Control User Manual
Features
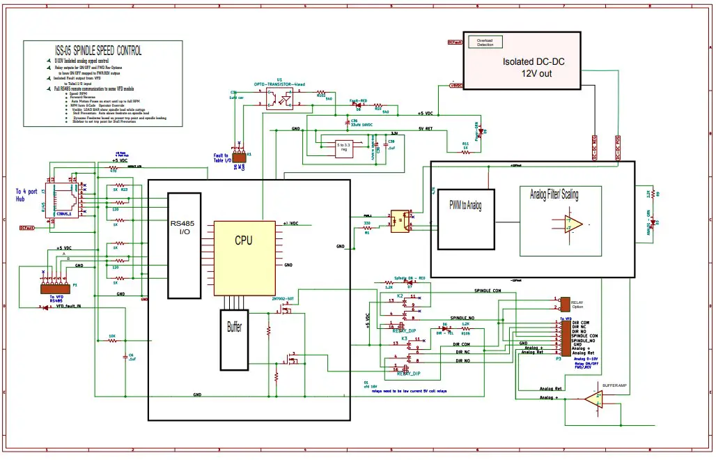
The ISS-05 is a spindle speed controller which will interface with a VFD (Variable Frequency Drive) to control a spindle. Following are the current features:
- RS485 control and feedback for select VFDs
- Auto Hold Motion until spindle up to speed
- Slow/Increase feedrate in real time based on spindle torque load (Stall Prevention)
- Fault input and output to HALT system on spindle fault
- Fully Isolated Analog control for VFDs without supported RS485 communications
- Configurable Relay Outputs of ON/OFF and FWD/REV or combined signals
- Single Cat5 connection back to system 4 Port HUB

ISS-05 Front Panel Indicators

CommandCNC Setup
There is a spindle page in the Configurator as of CommandCNC version 1.3.0.

There are three ways to control a spindle:
- Simple Output – this is for machines which do not have an ISS-05.
- ISS-05 with the Analog control method
- ISS-05 with RS485 control method
The Simple Output control method is for machines which do not have an ISS-05. These can simply use an output to turn the spindle on and off or the user can even do that manually before running a cut program. If an output is used for spindle control, the output used must be set to Spindle:Torch On:Off in the Outputs Tab in the Configurator.
There is also a setting for Spin-up Time in seconds. This causes the machine to delay for the set amount of time after turning the spindle on, before starting a cut. The purpose of this is to give the spindle time to get up to speed so it is not trying to cut before it is spinning fast enough to cut properly. To determine the time needed for this, turn the spindle on, and count the number of seconds until it is at full speed. If in doubt, make the time longer than you think is necessary and reduce it later if it is too long. The ISS-05 with analog control setting is for machines with a VFD and an ISS-05 but the VFD either does not have RS485 control or it is not supported for that VFD. For this method of control you will need to wire the analog + and – and the two relays to the VFD.
The analog control method also uses the Spin-up Time setting as described above.
ISS-05 with RS485 control is for machines with a VFD with RS485 communications supported in the ISS-05. For this method the RS485 settings must be set to match the settings in the VFD or communication will not work. The RS485 settings shown below are the default settings in Huanyang VFDs, but all settings should be checked and set properly in the VFD

The settings on the left must be set according to the specifications of the spindle motor. This information is usually on a data plate on the motor or in the motor’s manual.

The spindle section of the CommandCNC screen will only appear if the ISS 05 is selected in the Configurator. It has buttons to start and stop the spindle as well as set speed for manual work. There are +/- buttons beside the spindle speed DRO which can increase or decrease the speed in 100 RPM increments. This works even while running gcode. The slider below that is a spindle speed override which will increase or decrease the speed as a percentage of the set speed. The RPM bar shows either the commanded speed in the case of a VFD in analog mode, or the RPM feedback from a VFD in RS485 mode.
The slider on the far right in the Spindle box labeled “FRR Load” is for setting the AMPS at which the feedrate will begin to be reduced. FRR Load stands for Feed Rate Reduction Load, and indicates the load or amps at which the feed rate will begin to be reduced. This only works for a VFD with current feedback in RS485 mode.
The way this works is this: as spindle load increases the current will increase, and when it goes higher than the purple bar on the AMPS bar the X-Y feedrate will slow in proportion to how high the current goes. So the higher the motor load the slower the X-Y feedrate will be. As the load decreases the feedrate will go back up until it is running at normal speed.
The “Spindle Online” LED shows if there is a good connection to the VFD in RS485 mode. If using analog mode it will remain off. The “At Speed” LED shows if the spindle is up to speed. When the spindle is not up to speed, the LED willbe off and the machine will not cut. It will do any rapid moves in code while the spindle is getting up to speed but it will not do any cutting moves until the LED is ON. There are two ways that this LED and signal are controlled:
- For a spindle controlled with just a relay and not an ISS-05 (Simple Output in the Configurator), OR for a spindle controlled with an ISS-05 in Analog mode; the “At Speed” LED and signal is controlled by the “Spin-up Time” setting in the Configurator. When the Spindle is commanded to start, the “At Speed” LED will be OFF, and a timer will start and run for the given time. When the time is up the “At Speed” LED will turn ON and the machine will perform any commanded cutting moves.
- For a spindle controlled with an ISS-05 in RS485 mode, the “At peed” LED and signal is turned on when the spindle RPM sent from the VFD is close to the speed commanded from software.

VFD testing in Hub Utility

The Hub Utility is an application that is provided with all CandCNC systems that include a RS485 4 Port Hub . NOTE : A 4 port hub is required for using the DTHC, the PN200 Pendant and is part of any system that has a DTHC. It is possible that a Router only model did not include a 4 port hub. Since it is the primary connection to the controller, it is required. If you do not currently have an RS485 4 port hub, or it is not working, you will need to go to the website and purchase a hub.
You will find an ICON on your desktop. Click on it and open the hub Utility You will notthat the hub status (connected) hub firmware version and by clicking ABOUT you can see the hub utility version and the HUB ID number. If the hub is connected and working you will see a list of devices

on the left side. You can highlight a device by left clicking the device name . The Device info will appear in the Device Details window on the right and the Device Status willshow and the “Setup / Test Device” button will be active. In the test and info window you can set up a connection to the spindle and test functionality of the spindle and see feedback from a VFD.

The settings in the utility are the same as the settings in the Configurator. They must be set according to the VFD settings and motor specifications for everything to work correctly.
Hub Utillity with RS485 option

Using Hub Utility to test ISS-05 .
- Turn on VFD Power
- Connect ISS-05 to 4 Port Hub using cat5 cable. Up to 25ft cable
- Confirm RS485 connections from ISS-05 to VFD Port
- Start Hub Utility and select ISS-05 DEVICE and Setup and Test
- Above screen will apper. Check RS485 connection indicators lower left
- Click on Spindle Speed bopx and input speed in RPM
- Hit FWD button. Spindle should start and spin up to RPM
- Spindle stats are displayed lower right
- Always use STOP button stop spindle before closing or disconnecting VFD
NOTE: If you do not get VFD Comm OK LED checke the following:
- RS+ and RS- polarity (cable) at the VFD
- RS485 MODE and ADDRESS settings
- Model of VFD for supported settings.
The following tables show the settings needed in the VFD based on the control method and the motor being driven.
The Pdxxx numbers in the tables are the “registers” or variables in the VFD that must be set. Here is the basic sequence in order to program these settings.
- Press the PRGM key. The display will show “Pd000”, and the right most digit will be blinking.
- Use the ▲ and ▼ keys to change the value up or down.
- Use the SHIFT key to change which digit will be changed by the ▲ and ▼ keys. That digit will blink. As you press the SHIFT key the next digit to the left will blink. If there are no more digits to the left then the right-most digit will blink.
- Press the SET key to accept the PD number and edit the value of that register
- Now use the SHIFT, ▲, and ▼ keys as shown above to change the value of the register.
- Press the SET key to accept and save the value to the register. The display will show “End” and after a second or two will show the next Pdxxx number.
- Either press the PRGM key or wait a few seconds and the VFD will return to the operating mode.
So here is an example of setting the PD144 register to 3000.
- Press PRGM – the display should read Pd000 if this is right after powering up the VFD
- Press the ▲ key until the display reads Pd004
- Press the SHIFT key and the next digit to the left will blink
- Press the ▲ key until the display reads Pd044
- Press the SHIFT key and the next digit to the left will blink
- Press the ▲ key until the display reads Pd144
- Now press the SET key, and the display will show the value of the PD144
- Press the SHIFT key until the left-most digit is blinking
- Press the ▼ key until that digit is 0, then press ▼ once more and all of the numbers will change to 0
- Now press the ▲ key three times and the display should show 3000
- Press the SET key to save the value, and the display should show “End” and after a second or so it will show Pd145
- Press PRGM to go back to the operating mode.

Motor Settings
| PD004 | Rated motor frequency – max frequency from motor data plate |
| PD011 | Lower frequency limit. Should be set to the frequency corresponding to the lowest speed at which the motor has useful torque. |
| PD141 | Rated motor voltage – voltage from motor data plate |
| PD142 | Rated motor current – current from motor data plate |
| PD143 | Number of motor poles – typically 2 but see motor data plate or documentation |
| PD144 | Motor RPM at 50 hz. This is used by the drive to calculate motor rpm readout. |
4 KW motor / VFD
| Motor Settings | VFD Settings |
| Max RPM = 18000 | PD004 = 300 |
| Min RPM = 3000 | PD011 = 0 |
| Max Frequency = 300 | PD141 = 220 |
| Max Motor Amps = 11 | PD142 = 11 |
| PD143 = 2 | |
| PD144 = 3000 |
Fault Output Settings
| PD052 | 11 (activates output when there is an over-torque fault) |
| PD124 | 100 (set over-torque limit to 100% of max current) |
RS485 Control Settings
| PD001 | 2 (set RS485 port as source of run commands) |
| PD002 | 2 (set RS485 port as source of speed command) |
| PD163 | 1 (RS485 address) |
| PD164 | 1 (Baud Rate 9600) |
| PD165 | 0 (8 bits, no parity, 1 stop bit, ASCII mode) |
Huanyang HY Series RS485 Control Wiring

NOTE RS- and RS+ need to be reversed at the VFD . Solid wire goes to RS- , Striped wire to RS+ +
Analog Control Settings
| PD001 | 1 (sets screw terminals as source of run commands) |
| PD002 | 1 (sets screw terminals as source of speed commands) |
| PD070 | 0 (sets speed voltage range to 0 to 10 volts) |
Huanyang HY Series Analog Control Wiring
VFD Wiring For RS485
Huanyang
The Huanyang HY series VFDs are supported with RS485 communication.

NOTE RS- and RS+ need to be reversed at the VFD . Solid wire goes to RS- , Striped wire to RS+

NOTE: The above wiring diagram explained that only supplies the reference, take the actual product as the standard, if has the change not to inform.
NOTE: The above note is Chinese and means: ” We can change this drawing any time we want so it may not be correct , use the actual product ”
Note Reverse ORG and WHT/ORG pair to RS485 from what is shown
Connecting the IIS-05 Fault output to the Table I/O 17
Fault ESTOP wiring from ISS-05 Module to Table I/O 17 on G5, G5XL and MP3700 units

New Table I/O 17 used on G5
Connecting the IIS-05 Fault output to the Table I/O rev12.6
ault ESTOP wiring from ISS-05 Module to Table 12.6 on Bladerunner/ CommandCNC and Upgrades

VFD Noise suppression

Setting Manual Toolchange Settings
There are two positions and a couple of other settings that must be set up before the manual tool change with auto tool setter can be used. They are found in the Manual tab in CommandCNC. If you are running a ‘Router” Machine type CONFIG
The Touch-off Feedrate sets the speed at which the tool will move down to the tool setter. This should be fairly slow (10 to 30 IPM) so the tool setter and tool are not damaged.
Touchoff Limit is a point at which the probe move will stop and give an error if the tool setter has not activated yet. Since the top of the material will be set to zero and the tool setter could be several inches lower (or higher) than that, this number should be a large enough negative number that the tool can reach the tool setter for any thickness of material you might use. So if the tool setter is level with the table and your machine can handle material 6” thick, you would need a number less than -6.00 here, say -7.00” It will not hurt to make this number a good bit more than you will need.
The Tool change and Tool Setter positions are set in absolute positions for X and Y. What that means is that you will need to make sure that you have homed your machine, and that there are no offsets in effect. You can view and edit the offsets in the Fixture Offsets page. (upper right Menu Bar)
The Tool change position should be a place where you can easily change the tool in the spindle. Typically that is towards the front of the table and several inces in the air in Z. After making sure the machine is homed in XY and there are no offsets active, move the spindle to the place where you want to do your tool changes, and then enter the values from the X and Y DROs in the X and Y boxes for Toolchange Position. The Z value will be in the current work offset, so that is essentially how high it will move above the top of the material. Put in a value that will be enough to clear anything that might be in the way such as clamps
The Tool Setter position can be set by moving the tool over the center of the tool setter and then entering the values from the X and Y DROs in the X and Y boxes for the Tool Setter Position. The Z is again moved in the active work offset. For this Z position you need to make sure that it is high enough for every tool to clear the tool setter! If you put a new tool in the spindle and it is and inch longer than the previous tool, the tool will be an inch lower than the old one when it moves up to the Z position you enter here.
Manual Toolchange with Auto Tool Setter.
There is a sequence that MUST be followed in order to use manual tool changes in a gcode file and for them to be automatically touched off of a tool setter. This section assumes you have already set up the tool change location and tool setter location in the Manual tab in CommandCNC.
This must be done before running G-code
- Insert a tool in the spindle and move the spindle until the tip of the tool just touches the top of the material for the job you are about to do.
- Zero the Z axis there by pressing the “Zero Z” button.
- In the Manual tab in CommandCNC, click the “Initial Tool Probe” button. The tool will move to the tool setter position and move down until the tool setter activates, and the offset between the material top and the tool setter will be saved.
Alternately, if you use the first tool that will be used in the G-code file to set Z zero at the top of the material, then you can skip the third step above and it will be done automatically in the first tool probe while running code.
In this case when it prompts you to insert the first tool simply press “Resume” since the tool is already in the spindle
While running G-code
When a tool change is requested the following sequence will be performed:
- The spindle will move to the tool change position entered in the Manual tab in CommandCNC
- The code will pause and the user will be prompted to insert the tool by the name given in SheetCAM
- After inserting the correct tool, press the “Resume” button.
- The spindle will move to the tool setter position and move the tool down until the tool setter activates.
- The dynamic tool offset (G43.1) will be set to the difference between the initial tool probe position and the current probe position, so that the tip of the new tool will be at the top of the material when Z is at zero.
ConnectiingTouch-Off Sensor
While a touch off sensor can be a simple switch to be effective it needs to have good repatability (swtich trips at the same spot every time). And its best to have a secondary “overtravel” that is connected to the system ESTOP to keep it from punching a ole hole though your sensor or driving the bit into the table and breaking the bit and the sensor.
If you get on line you will find a myrid of touch off solutions, from the cheap “ohmic” plate (where you manually clip a wire to the tool and it senses the plate. Its only redeeming feature is its its cheap. It has no over run sensor and if you forget to clip the wire to the tool or its not a good connection you will drive the tool into your table with predictable results. Its better suited for a totally manual process .
The better solution is some form of powered electronics sensor that you can screw down to your table in a fixed , known spot and that has good repeatability, requires a minimum of force and can be setup so the machine finds it, uses it and continues on without user input.
The strange looking tube on the side is not some electronic sensor. Its an air tube that connects to the air input down by the cable and keeps cips off the topof the sensor button. The one shown goes for 50 to 7 bucks from China if you don’t mind waiting 4 to 6 weeks to get it, We have tried several and the do the job and they have the overrun sensor built in . They are rather tall at well over 2 inches so you have to be mindful of the Z height to rapid over to he tool setter device
There are 4 wires in the cable and they need to be hooked up to some spare inputson the Table I/O 12.6 or the rev 17 on the G5 series. The next page will give you a wiring diagram .

NOTE: the wire colors may vary between vendors on these unit. Get the diagram for your model . The ProbeSingle needs a voltage source . While it reports to be a NC (norally cloased ) device its been or experinece the button sensor is NO while the overrun is NC.
The Yellow wire listed above goes to any open input on the table I/O The Table I/O provides power (about 10 volts DC) on that input
The Green Wire goes to the table I/O COMMON (any common) input
The RED wire goes to any INPUT on the Table I/O
The Black Wire goes to and COMMON on the table I/O




















