KATOOL KT-X85 Electric Mid-Rise Scissor Lift

Description of Middle Rise Lift
Middle rise lift is specially designed for the tire-changing of car. With its elaborate design, reasonable structure and easily-operation, it is very popular with the customers. When using this machine, the bottom frame could be placed on the ground or embedded below the ground. These two bottom frames must be on the same horizon plain, fix this machine with anchor bolts.
Features:
- With A3 steel plate, the strength of the lift is enhanced, avoids deformation, and guarantees the service life.
- The hydraulic system adopts a differential cylinder, which is a kind of high-quality high-pressure cylinder. With a Max pressure 22Mpa, the hydraulic pump is a kind of super-high pressure pump from Italy. The hydraulic valve adopts an Italy thread cartridge inserted valve, guaranteeing the working pressure of the hydraulic system and its long-term balanced usage.
- Hydraulic and mechanical double safety locks, guarantee an absolute safety service.
Safety
Introduction
Thoroughly read this manual before operating the lift and comply with the instructions. Always display the manual in a conspicuous location. Personal injury and property damage incurred due to non-compliance with these safety instructions are not covered by the product liability regulations.
Safety Instructions for Commissioning
the lift may be installed and commissioned by authorized service personnel only. the standard lift version may not be installed and commissioned in the vicinity of explosives or flammable liquids, outdoors, or in moist rooms (e.g. car wash).
Safety Instructions for Operation
Read the operating manual. Lift operation by authorized personnel over 18 years only. Always keep the lift and lift area clean and free of tools, parts, debris, etc. After raising the vehicle briefly, stop and check the disk adapters for secure contact. Make sure the vehicle doors are closed during raising and lowering cycles. Closely watch the vehicle and the lift during raising and lowering cycles. Do not allow anyone to stay in the lift area during raising and lowering cycles. Do not allow anyone on a lift or inside the raised vehicle. Only use the lift for its intended purpose. Comply with the applicable accident prevention regulations. Do not overload the lift. The rated load capacity is indicated on the lift nameplate. Only use the vehicle manufacturer’s recommended lift points. After positioning the vehicle to apply the parking brake. Use caution when removing or installing heavy components (center-of-gravity displacement). The main switch serves as an emergency switch. In case of emergency turn to position 0. Protect all parts of the electrical equipment from humidity and moisture. Protect the lift against unauthorized usage by padlocking the main switch.
Safety Instructions for Servicing
Maintenance or repair work by authorized service personnel only. Turn off and padlock the main switch before doing any maintenance, or repair work. Work on pulse generators or proximity switches by authorized service personnel only. Work on the electrical equipment by certified electricians only. Ensure that ecologically harmful substances are disposed of only in accordance with the appropriate regulations. Do not use high-pressure/steam jet cleaners or caustic cleaning agents. Risk of damage! Do not replace or override the safety devices.
Technical data
- The identification data of the machine are shown in the label placed on the control unit.
parameter
| Max. lift weight | 3500kg | Rise time | 45-50s |
| Lift hight | 1000mm | Lower time | 35-40s |
| Platform length | 1450mm | Dimensions | 1940*1850*110mm |
| Platform width | 520mm | Weight | 550kg |
| Rated voltage | 110V/220V | Rated power | 2.2kw |
| Hydraulic press oil | 46# anti-grinding oil | Noise | ≤70dB |
| Working temperature | -10℃- 40℃ | ||
| Oil pressure | ≤22MPa |
Layout

Installation and Debug




Maintenance
- Keep all the moveable parts clean, and regularly grease them.
- All the oil cups should be refilled once every week.
- Replace the hydraulic oil once every year. Clean the oil tank and oil filter. The oil level should keep an upper limit.
- The compressed air for the pneumatic safety lock should be filtered to ensure the reliability of the safety lock.
- Ordinary Maintenance
The lift has to be properly cleaned at least once a month using self-cleaning clothes, Lubricate all pivot pins at least once a week.

Safety instructions for operation
- Always keep lift and lift area free of tools, parts, debris etc. The car on the platform should be flat, and stable.
- Do not allow anyone to stay in lift area or stand on the platform during raising and lowering cycles.
- Do not overload the lift.
- Handle up the manual brake of the car and stack up the antiskid pad when the car is on the lift.
- The rise and fall should be synchronous avoiding any abnormal condition.
- When this machine is locked, the two platforms should be on the same plane.
- When the operation is finished, the platform should be lowered at a bottom position.
Spare parts list
| Code | Descriptions | Qty | Code | Descriptions | Qty | |
| 101 | Upper cover plate | 2 | 102 | 8 | ||
| 103 | Roller | 8 | 104 | 支撑板 | 4 | |
| 105 | arm | 1 | 106 | 轴承座 | ||
| 107 | Oil cylinder Connecting shaft | 2 | 108 | 底板 | 2 | |
| 109 | 尼龙块 | 8 | 110 | shaft | 2 | |
| 111 | Roller | 4 | 112 | Bottom safety gear rack | 2 | |
| 113 | 轴套 | 20 | 114 | shaft | 2 | |
| 115 | 轴套 | 2 | 116 | shaft | 2 | |
| 117 | shaft | 1 | 118 | Help arm | 2 | |
| 119 | Roller | 4 | 120 | shaft | 4 | |
| 121 | shaft | 4 | 121 | shaft | 4 | |
| 123 | Roller | 3 |



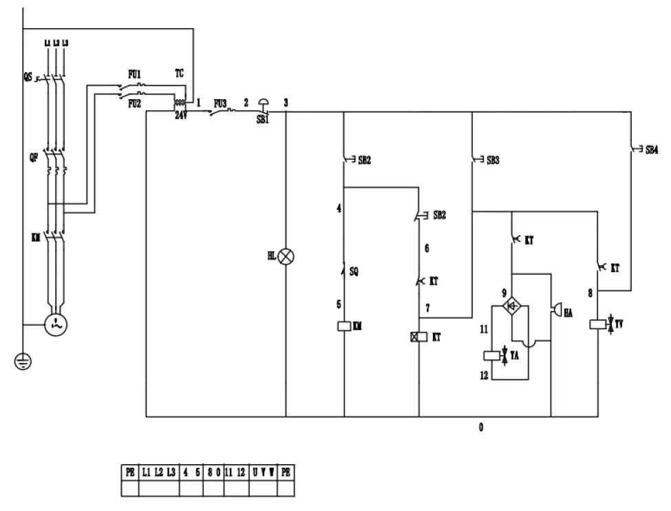
Circuit diagram


PACKING, TRANSPORT, AND STORAGE
Only skilled personnel who are familiar with the lift and this manual shall be allowed to carry out packing, lifting, handling, transport and unpacking operations.
PACKING
The packing of the lift is delivered in the following components: N. 2 base units packed in a steel frame, wrapped up in non-scratch waterproof material and sealed with 2 straps N. 1 power unit packed in a plywood box N. 4 drive-on ramps wrapped up in non-scratch waterproof material, including N. 4 rubber pads, N. 4 hydraulic hoses and N. 8 anchor bolts. (If requested, optional accessories are available to satisfy each customer’s requirements). The average weight of the package is 700kg
Lifting and Handing
When loading/unloading or transporting the equipment to the site, be sure to use suitable loading (e.g. cranes, trucks) and hoisting means. Be sure also to hoist and transport the components securely so that they cannot drop, taking into consideration the package’s size, weight and centre of gravity and it’s fragile parts.
- Hoist and handle only one package at a time
STORAGE AND STACKING OF PACKAGES
Packages must be stored in a covered place, out of direct sunlight and in low humidity, at a temperature between -10°C and +40°C. Stacking is not recommended: the package’s narrow base, as well as its considerable weight and size make it difficult and hazardous.
DELIVERY AND CHECK OF PACKAGES
When the lift is delivered, check for possible damages due to transport and storage; verify that what is specified in the manufacturer’s confirmation of order is included. In case of damage in transit, the customer must immediately inform the carrier of the problem. Packages must be opened paying attention not to cause damage to people (keep a safe distance when opening straps) and parts of the lift (be careful the objects do not drop from the package when opening).
RISKS FOR PEOPLE
All risks the personnel could run, due to an improper use of the lift, are described in this section.
PERSONNEL CRUSHING RISKS
During lowering of runways and vehicles, personnel must not be within the area covered by the lowering trajectory. The operator must be sure no one is in danger before operating the lift.
BUMPING RISK
When the lift is stopped at relatively low height for working, the risk of bumping against projecting parts occurs.
RISK OF THE VEHICLE FALLING FROM THE LIFT
Vehicle falling from the lift can be caused when the vehicle is improperly placed on platforms, and when its dimensions are incompatible with the lift or by excessive movement of the vehicle. In this case, keep immediately away from the working area.
Electric Appliance Operation
- Rise: Press the “rise” button, and the platform rise. Release this button, it stops.
- Lock: When the platform rise at a height, release the “rise” button and press the “lock” button, this platform begin falling. When the safety gear block the safety claw, it lock.
- Lower: Press the “lower” button, and the platform rise. 2-3 seconds later, it fall automatically, the safety claw rise and the motor stop.

Hydraulic pressure schematic diagram















