Jema Autolifte A S JA2.8Mini Movable Scissor Lift

Read this entire manual carefully and completely before installation or operation of the lift.
Important safety instructions
Important notices
Jema Autolifte will offer a one-year quality warranty of the lift, during which any quality problem will be properly solved to the user’s satisfaction. However, we will not take any responsibility for whatever bad consequence that may result from improper installation and operation, overload running or improper ground conditions This model is specially designed for lifting motor vehicles that weigh s within maximum lifting capacity. Users are not allowed to use it for any other purposes. Jema Autolifte, as well as our sales agency, will not bear any responsibility for accidents or damages of the lift. Make sure to pay careful attention to the label showing the lifting capacity attached on the lift and never try to lift cars weighing more than the specified lifting capacity. Read this manual carefully before operating the lift so as to avoid economic loss or personnel casualty incurred by wrong operation Without our professional advice, users are not permitted to make any modifications of the control unit or any other mechanical unit.
Qualified personnel
- Only qualified staff, which has been properly trained can operate the lift.
- Electrical connection must be carried out by a certified electrician.
- No unauthorized entry is allowed in the lifting area.
Danger notices
- Do not install the lift on an asphalt surface.
- Read and understand all safety warnings before operating the lift.
- Calibration of the lift must be down after reading calibration instructions.
- Do not leave the controls while the lift is still in motion.
- Keep hands and feet away from any moving parts. Keep feet clear of the lift when lowering.
- Only properly trained personnel can operate the lift.
- Do not wear unfit clothes such as large clothes with flounces, tires, etc, which could be caught by moving parts of the lift.
- To prevent accidents, surrounding areas of the lift must be tidy and free from irrelevant matters.
- The lift is simply designed to lift the entire body of vehicles, with its maximum weight within the lifting capacity.
- Always insure the safety lock is engaged before any attempt to work near or under the vehicle. Never remove safety related components from the lift.
- Do not use the lift if safety related components are damaged or missing.
- Do not rock the vehicle while on the lift or remove any heavy component from vehicle that may cause excessive weight shift.
- Check at any time the parts of the lift to ensure the agility of moving parts and the performance. Ensure regular maintenance and if anything abnormal occurs, stop using the lift immediately and co ntact our dealers for help.
- Lower the lift to its lowest position and do remember to cut off the power source when service finishes.
- Do not modify any parts of the lift without manufacturer’s advice.
- If the lift is going to be left unused for a long time, users are required to:
- Disconnect the power source;
- Empty the oil tank;
- Lubricate the moving parts with hydraulic oil.
Attention: For environment protection, please dispose the disused oil in a proper way.
Warning signs
All safety warning labels are clearly depicted on the lift to ensure that the operator is aware of and avoids the dangers of using the lift in an incorrect manner. The labels must be kept clean and they have to be replaced if detached or damaged. Please read carefully the meaning of each label and memorise them for future operation.

Sound Level
- The sound emitted from the lift should not exceed 75DB. For the sake of your health, we suggest that you install a noise detector in your working area.
Training
- Only qualified staff , which has been properly trained, can operate the lift. We are quite willing to provide professional training for the users when necessary.
Overview of the lift
General descriptions
This movable scissor lift has a quite low profile when at its lowest position. This model is designed with 2 cylinders and a manual release system. The spring makes sure the lock goes back to position, it is extremely important that the safety lock is engaged when working on the lift! When lowering the lift, it has to be lifted up to the position where the lock can be released.
Safety structure

Technical data
| Model | Lifting capacity | Lifting time | Lifting height | Electrical requirement |
| JA2.8Mini | 2800kg | 50 Sec | 1200mm | 220V/240V, Single Phrase |
- Weight of JA2.8Mini = 415 KG.
Construction of the lift

Installation instructions
Preparations before installation
Tools and equipment needed
- Open wrenches
- Screw drivers
- Adjustable spanner
List for checking of parts —Annex 1 (Packing list)
Unfold the package and check if any parts missed as per Annex 1. Do not hesitate to contact us in case any parts are missing, but if you do not contact us and insist on installing the lift lacking of some parts, Jema A/S as well as our dealers will not bear any responsibility for this and will charge for any parts subsequently demanded by the buyer.
Ground conditions
The Autolift must only be used on a hard and flat surface, such as concrete, tiles or similar. Under no circumstances should the autoliftt be used on a loose or soft surface.
Precautions for installation
- Joints of oil hose must be firmly connected in order to avoid leakage.
- All bolts should be firmly checked .
- Do not place any vehicle on the lift in the case of trial running.
Installation
- Step 1: Place all the parts on the floor to have the best possible overview of the work/Installation you are about to begin. (Check appendix no. 6)

- Step 2: Install the engine on the engine stand with the 4 pcs. 8mm bolt, washers, and nuts.
- Make sure they are thighten so the engine is perfectly installed and safe, do NOT use an air or battery wrench.

- Make sure they are thighten so the engine is perfectly installed and safe, do NOT use an air or battery wrench.
- Step 3: Mount the safety lock handle on the engine stand.

- Step 4: Mount the safety lock kable to the safety lock handle

- Step 5: Mount the oil hose on the engine connection
- Before Installing the oil hose on the hydraulic piston and installing the safety lock cable REMEMBER to pull both parts through the safety hose protection.

- Before Installing the oil hose on the hydraulic piston and installing the safety lock cable REMEMBER to pull both parts through the safety hose protection.
- Step 6: Install the safety locks cable on the safety lock – It is important to adjust the lock on the Umbraco screw so that the safety lock is pulled back by the spring and thus always engages when the handle is not activated! See instructions in pictures 1, 2, and 3 below:

- Step 7: Now mount the hydraulic hose onto the piston, REMEMBER to make sure that the hose is screwed straight onto the nozzle to ensure that there is no oil leakage or that the thread is damaged.

- Step 8: Add 10L hydraulic oil (32).
- Step 9: Connect power to the lift and press the “UP” button until the lift reaches 50 cm. –> Now check that all parts are properly tightened and there are no loose parts after transport.

- Step 10: When the lift is lifted for the first time then place the supplied springs (4 pcs.) In the pipe holes, they are placed there to make sure the lift does not make obscene noise when lowered to the bottom position.

- Step 11: Pump pressure adjustment. (Is pre-adjusted from the factory -> properly trained personnel may make this adjustment)

- Step 12: Justering af sænkehastighed.
Items to be checked after installation
| S/N | Check items | YES | NO |
| 1 | Are the lifting arms mounted correct and tighten? | ||
| 2 | Are the oil hose tightly connected? | ||
| 3 | Are all electric connections correct? | ||
| 4 | Are the safety lock correct adjusted? |
Operation instructions
Precautions
- Check all the joints of the oil hose. Only when there is no leakage, the lift can start working.
- The lift must not be used if its safety devices malfunction
- The machine must not lift or lower an automobile if its center of gravity is not positioned midway of the rising platforms Jema Autolifte as well as our dealers will not bear any responsibility for any consequence as a result of operating the lift in unbalance conditions
- Operators and other authorized personnel should stand in a safety area during lifting and lowering process.
- When the lift are being raised to the desired height, switch off the power at once to prevent any wrong operation performed by unauthorized people.
- Make sure that the safety lock of the lift is engaged before starting work under the vehicle and that nobody stays under the vehicle during the lifting and lowering process.
Operation flow chart

Operation instructions
To raise the lift
- Make sure that you have read and understood the operation manual before operation.
- Drive and park the vehicle midway s on the lift
- Place the four rubber pads under the prop points of the vehicle and ensure that the car’s gravity have fallen on the rubber pads.
- Connect the lift to the power supply
- Press the UP button on the control box until rubber pads have touched the prop points of vehicle.
- Keep on pressing the UP button to lift the vehicle a bit higher from the ground and check if the vehicle is in a safe position.
- Disconnect the power supply
To lower the lift
- Connect the lift to the power supply
- Press the “UP” Button to make sure the safety lock is released
- Press the DOWN button to lower the lift.
- When the lift is in the lowest position, disconnect the power
Trouble Shooting
ATTENTION: If the trouble could not be fixed by yourself, please do not hesitate to contact Jema Autolifte for help. Jema Autolifte will offer our service at the earliest possible time. Y our troubles will be judged and solved much faster if you could provide us more details or pictures of the trouble.
| TROUBLES | CAUSE | SOLUTION |
| Motor does not run and will not raise | The engines power supply is not connected or connected correctly. | Check the power supply and change broken parts if needed. |
| The motor is burnt | Replace it. | |
| The condensator is burnt. | Change the broken condensator. | |
|
Motor runs but will not raise | The lowering valve is open. | Check if the lowering valve is broken. |
| Overflow valve is loose or jammed. | Clean or adjust it. | |
| The gear pump is damaged. | Replace it. | |
| Oil level is too low. | Add oil. | |
| The oil hose is jammed. | Clean or replace the oil hose. | |
| The oil hose is broken. | Replace it. | |
|
Platforms go down slowly after being raised | The oil hose leaks. | Check or replace it. |
| The oil piston is not in the right position. | Adjust or replace the piston. | |
| It is to cold in the garage. (min. 5°). | The lift can only be used at 5° to 40°. | |
| Lowering the speed valve is not correct adjusted | Clean or adjust. | |
| The lowering valve is broken. | Replace it. | |
|
Raising too slow | The oil filter is jammed. | Clean or replace it. |
| Oil level is too low. | Add oil. | |
| The pump pressure is not adjusted right | Adjust it. | |
| The hydraulic oil hose is too hot (above 40°). | The lift can max. be used up to 40°. | |
| The seal of the cylinder is abraded. | Replace the piston or seal. | |
|
Lowering too slow | The lowering valve is jammed. | Clean or replace. |
| The hydraulic oil is dirty. | Change the oil. | |
| The lift is not checked and maintained | Get the lift checked asap. | |
| The oil hose is jammed. | Clean or replace it. |
Maintenance
Easy and low cost routine maintenance can ensure the lift works normally and safely. The following are requirements for routine maintenance. You may choose the frequency of routine maintenance by consulting your lift’s working conditions and time. The following parts need to be lubricated.

| S/N | DESC |
| 1 | Arm Lock shaft |
| 2 | Joint shaft A |
| 3 | Joint shaft B |
| 4 | Joint shaft C |
Daily checking of items before operation
The user must perform daily checks. Daily checks of the safety system are very important – the discovery of device failure before action could save your time and prevent you from great loss, injury or casualty.
- Check whether oil hose well connected. No leakage is allowed.
- Check the electric connections. Make sure that all connections are in good condition.
- Check whether the expansion bolts are well anchored.
- Check if safety teeths and safety block is matching well or not.
Weekly checking of items
- Check the flexibility of moving parts.
- Check the working conditions of safety parts.
- Check the amount of oil left in the oil tank. Oil is sufficient if the carriage can be raised to highest position. Otherwise, oil is insufficient.
- Check whether the expansion bolts are well anchored.
Monthly checking of items
- Check whether the expansion bolts are well anchored.
- Check the tightness of the hydraulic system and screw the joints firmly if it leaks.
- Check the lubrication and abrasion circumstances of moving parts.
Yearly checking of items
- Empty the oil tank and check the quality of the hydraulic oil.
- Wash and clean the oil filter.
If users follow the above maintenance requirements strictly, the lift will be kept in a good working condition and accidents could be avoided to a large extent.
ANNEX
Annex1, Overall diagram

Annex 2 Hydraulic working system

- main cylinder
- cushion valve
- electrical unloading valve
- throttle valve
- motor
- coupling
- gear pump
- single-way valve
- overflow valve
- one-way throttle valve
Annex3, Separate diagram for the engine

| S/N | DESCRIPTION | QTY |
| 1 | Motor | 1 |
| 2 | Hydraulic block | 1 |
| 3 | Overflow valve | 1 |
| 4 | Fitting | 2 |
| 5 | Cushion valve | 1 |
| 6 | Absorbing oil pipe | 1 |
| 7 | Oil filter | 1 |
| 8 | Throttle valve | 1 |
| 9 | Oil hose tie-in | 1 |
| 10 | Manual unloading valve | 1 |
| 11 | One way valve | 1 |
| 12 | Gear pump | 1 |
| 13 | Oil tank | 1 |
| 14 | Oil tank cover | 1 |
| 15 | Oil back pipe | 1 |
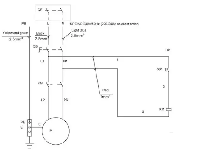
Annex 5, Electric wire diagram


Packing list

EC Declaration
Machinery Directive 2006/42/EC
EC TYPE-EXAMINATION CERTIFICATE
- Certificate No: C-20-0603-20-01-A
- Date of Issue: 13 July 2020

Contacts
Jema Autolifte A/S
- Denmark
- Industrihegnet 2 4030 Tune Danmark
- Tel: (+45) 48180300
- Mail: [email protected]
- Website: www.jemaautolifte.dk
CEM International Ltd
- Westmead House
- Westmead Farborough Hampshire GU14 7LP UK
- Tel: +44 (0) 1252 547721
- Email: [email protected]














