
QJYJ30X
scissor lift
Installation & Adjustment Manual
QJYJ30X Short Platform Scissor Lift
Copyright reserved! Without the written agreement of ChangShu Tongrun Auto Accessory Co.,LTD no company or individual is allowed to copy and backup this manual in any form (electronic, mechanical, photocopy, recording or other forms). This manual is specifically designed for the use of Tongrun product, and our company doesn’t undertake any responsibility for various consequences caused as a result of applying it to the guidance of operating other equipment.
In case of the equipment damage or loss due to the accident of the user himself or third party, abuse or misuse of this equipment, unauthorized change and repair of this equipment, or not conforming to the operation and maintenance requirement of Tongrun, Tongrun and its branches won’t undertake any responsibility for the expenses and expenditures generated.
For the equipment damage or problem caused as a result of using other optional accessories or consumables instead of original Tongrun product or its recognized product, Tongrun won’t undertake any responsibility.
Official statement: The purpose of other- product- names mentioned in this manual is to describe how to use this equipment. Their registered trademarks still belong to the original companies.
This equipment is for the use of professional technical personnel or maintenance personnel.
Registered Trademark
Tongrun has registered its trademark in China and several foreign countries, with the symbol of Tongrun. Other trademarks, service symbol, domain name, icon, and company name of Tongrun mentioned in this manual belong to the property of Tongrun and its subsidiary companies. In the countries where Tongrun’s trademark, service symbol, domain name, icon and company name haven’t been registered, Tongrun declares its ownership on such unregistered trademark, service symbol, domain name, icon and company name. The trademarks of other products and company names mentioned in this manual still belong to the originally registered companies. Without prior written agreement of the owner, nobody can use the trademark, service symbol, domain name, icon and company name of Tongrun and other companies mentioned in this manual. If you have any question, please visit website of Tongrun: http://www.tongrunjacks.com or write to Sales Dept. of New Long Teng Industry Area, Changshu
Economy Development Zone, Changshu, Jiangsu, China
Please read and understand the manual before operation
Warning
- This manual is an important part of the product. Please read and understand it thoroughly.
- Keep the manual for future use in inspection and maintenance.
- Do not use the product for any other purposes.
- The manufacturer is not responsible for any damage caused by improper use or uses other than the designed purpose.
Precautions
- Only well-trained personnel can operate the lift.
Any changes to the components or use for other purpose without the consent of the manufacturer may cause direct or indirect damage to the product. - Do not expose the lift to extreme temperature or humidity. Keep it away from heating device, faucet, humidifier or furnace.
- Do not install the lift outdoors or expose it to rain. If it is really necessary to do so, a special order should be made from the manufacturer.
- Keep the lift away from the dust, ammonia, alcohol, thinner and spray adhesive.
- Keep away from the lift when it is in operation.
- Inspection of the lift should be carried out regularly.
Do not operate a damaged lift or a lift with broken parts. All the parts are only replaceable with the parts provided by the manufacturer. - Do not overload the lift. The maximum lifting weight is clearly marked on the nameplate.
- Do not operate the lift when there are personnel in the vehicle.
- Keep the lifting area clear of obstacle, grease, oil, garbage and other substances.
- Use the lifting point recommended by the auto manufacturer. Keep the support in close contact with the vehicle.
- Use appropriate tools and safety protection equipments such as overall and working boots.
- Pay special attention to the safety labels on the control desk.
- Keep hands and other body parts away from the moving parts of a lift in operation.
- Do not remove or override safety protection of the lift.
- Hydraulic oil for the lift is N32 or N46 mechanical oil. Pay attention to the safe data as described in this manual.
- For the sake of technical improvements, Changshu Tongrun Auto Accessory Co. Ltd. reserves the right to change the specifications without prior notice.
General Information
1.1 Application
This lift is designed for the purpose of lifting light vehicles under 3.0 tons for vehicle test, service and cleaning.
This machine can also be used as a lifting devise in production lines, for material transportation and work piece assembly.
1.2 Features
- The lift features advanced design, durability, compact layout, and original shape.
- The installation of base frames in the pits can save space in the workshop.
- Hydraulic system keeps both platforms level.
- Mechanical protection device throughout the travel distance.
- Automatic height limiting device.
- Automatic lubricating system and oil-less bearings.
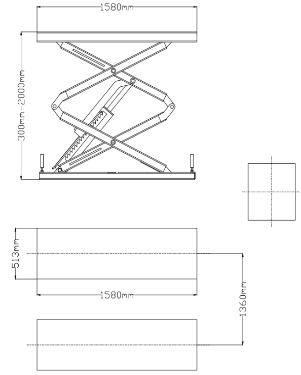
1.3 Specifications
| Max. Lifting Weight (kg) ( T ) | 3.0 |
| Max. Lifting Height (mm) ( mm ) | 2000 |
| Lifting Time (s) | 555 |
| Lowering Time (s) | ?_18 |
| Power (kw) | 2. |
| Power of Supply (v) | 380)220 |
| Number of Platforms ( set ) | 2 |
| Platform Size (mm) ( mm ) | 1580×513 |
| Overall Weight (kg) | 675 |
| Width Between Table ( mm ) | 800 |
| Hydraulic Oil | N46# |
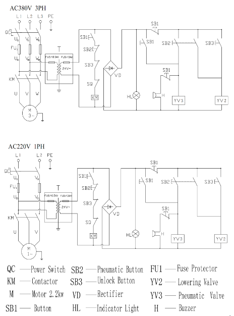
Electric specifications: Motor (Optional): 2.2kw 2800 r/min
Voltage options: Single-phase/3-phase 220v/380v 50Hz Noise
Noise: ≤80dB (A)
Hydraulic System Max. Working Pressure: 30 MPa
Pneumatic System Working Pressure: 5 kg/cm 2
1.4 Environment requirements
Temperature: 0℃ ~ +40℃
Relative Humidity: ≤80% at 30℃
Transportation/Storage Temperature: -25℃~+55℃ Altitude: ≤2000mm
Structure
2.1 Layout

2.2 Electrical Diagram
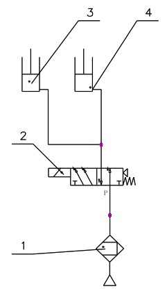
2.3 Hydraulic Diagram
Under normal working conditions, manual change valve 3 stays at position 1, oil from bump flows to the lower chamber of master cylinder through check valve 8 and
change valve 3 to move the piston. The force of the piston causes the oil in the upper chamber of the master cylinder will flow to the lower chamber of slave cylinder, driving the piston of slave cylinder. The flow of oil from check valve 8 to the lower chamber of the slave cylinder is blocked by change valve 3. To fill oil to or bleed air from slave cylinder, switch change valve to position 2, then oil from pump flows to 
- Master cylinder
- Slave cylinder
- Manual change valve
- Lowering solenoid valve
- Lowering restrictive valve
- Oil pump motor
- Pump
- Check valve
- Overflow valve (safety valve)
- Hose burst protection valve
- Emergency lowering valve
the lower chamber of slave cylinder through check valve 8 and change valve 3, forcing piston up. The flow of oil from check valve 8 to the lower chamber of master cylinder will be cut off by change valve 3. If too much oil is added to the slave cylinder, press the DOWN button to discharge. When the operation of charging or discharging operation is completed, switch change valve 3 back to position 1. For emergency lowering the scissor lift if the hydraulic or electrical system have problems, first use the jack to disengage and release the safety lock plate and then open the emergency lowering valve(11) to lower the lift slowly and carefully
2.4 Pneumatic Diagram

- Air filter & Lubricotor
- Solenoid air valve
- Air cylinder on master platform
- Air cylinder on slave plotform
2.5 Operation Panel
Power-signal of power supply
SWITCH- for ON to supply power, for OFF to cut off the power supply.
Lock- The lifts will be locked by the safety ratchet.
STOP-Action of any emergency to stop the movement of lifting
UP-lifting the lifts under working order
Down-Lowering the lifts under working order
Operation
3.1 Preparatory Inspections
- Check for the synchronized and steady movement of the platforms.
- Check the sensibility and reliability of safety ratchet.
- Make sure the platforms would automatically stop when they reach the max lifting height (2000mm/79inches)
- Check for possible leakage in the cylinder, hoses and fittings.
- Check for possible air leakage in the solenoid valve, cylinder, pressure regulator valve and fittings.
- Check for any abnormal action and sound in pump and motor.
- Check if the Emergency Stop button works properly.
3.2 Operational Procedures
- Keep speed below 5km/h when driving on the platforms.
- Stop the vehicle when the platforms are between its front and rear wheels.
- Place rubber pads on the platforms where the lifting points will contact and press UP button to lift the vehicle to 20cm~30cm (9 to 12 inches) from the floor.
- Make sure that the two platforms are leveled and nothing unusual is found.
- Keep pressing UP button until the vehicle rises to the required height.
- Press LOCK button to lower the lift and engage the safety ratchet so that the platforms are leveled with one another.
- After the maintenance is done, keep the work area clear and safe before lowering lift.
3.3 Safety Precautions
- The hydraulic overflow valves are well-adjusted before leaving factory. The manufacturer will not be responsible for any damage caused by unauthorized adjustment.
- Check the safety lock ratchets are engaged before going about any under-car jobs.
- Place rubber pads on the platforms and spread them for maximal support.
- In case of any leakage in the hydraulic system, fix the problem and refill the oil to the proper level.
Caution: Once the safety ratchets are fully in place, the LOCK button should be released immediately. If the Lock button is pressed for too long, too much oil would flow back to cylinder. In this case, the safety ratchets can not be completely released from locked position within the set time for the platforms to go up when the DOWN button is pressed. This can result in no lowering action, or lowering of only one platform, which may cause the vehicle to fall from the lift. (Please refer to the Working Principles of the lift)
Troubleshooting
| Symptoms | Rsons | Solutions |
| The motor does not work. | Fuse is bumed. Voltage is in correct Electrical wiring is wrong. Motor is broken. | Change the fuse. Supply power of correct voltage. Fix the wiring. Change motor. |
| The motor works, but the platforms do not move, or can only go up slowly. | The motor rotates in the wrong direction. Oil level is too low. Height limit switch is stuck or damaged. | Exchange wiring of motor to change direction. Add oil. Repair or replace the height limit switch. |
| The motor works, but the plafforms can not lift the vehicle. | The voltage to the motor is too low. Pressure of overflow valve is not right. The lift is overload. The hydraulic pump is damaged. | Supply motor with correct voltage. Adjust the pressure of overflow valve. Ch.k the weight of the vehicle. Replace the hydraulic pump. |
| The lift is too &ow in lowering. | There is foreign substance in the lowering solenoid valve. Lowering restrictive valve is turn. too low. | Clean the lowering solenoid valve. Tum the lowering restrictive valve up. |
| The platforms are not synchronized. | There is air in upper thamber of Master Cylinder or Slave Cylinder. The oil supply can not be cut off because of the leakage in manual change valve. Leakage in hydraulic system | Lift Platform 1 dose to the max height, switch change valve to Position 2 and press UP Button to add oil. When the slave cylinder is lifted to max. height, press Down Button to lower it to the min. height. Repeat the operation for three times and adjust the height of &ave cylinder to achieve synchronization after all the air is bl. from slave cylinder. Replace manual change valve. Replace the seal or the cylinder. |
| Safety ratchets cannot be separated from serration. | The air pressure regulating valve is closed or too low. The Solenoid air valve is damag.. The LOCK button is pressed for too long time. | Adjust air pressure to 5kglcm2 Replace the solenoid air valve. Release the LOCK button immediately after the safety ratchets are fully engaged. |
Maintenance
5.1 Daily Maintenance
- Keep the lift clean. Make sure power is cut off before cleaning the lift.
- Keep the working area clean. Excessive dust in the work area will shorten the lifespan of the lift.
- Before operation, inspect and keep all the safety devices of lift in order. If any problems are found, adjust, maintain or replace the parts in a timely manner.
- Make sure that the pits are kept dry and clean.
- Inspect if there is leakage in the air valve and if it is well-lubricated.
5.2 Monthly Maintenance
- Refasten the anchor bolts.
- Check all the hoses and fittings for possible wearing and leakage. If any leakage is found to be caused by worn sealing parts, replace with
Storage and Scrapping
6.1 Storage
When the lift needs to be stored for a long time:
- Unplug from power socket.
- Lubricate all the parts, including all the contact surface of the rollers.parts meeting the specifications.
- Check if the roller slide is well-lubricated with high-quality #2 lithium lubricant.
- Apply #2 lithium lubricant on a monthly basis.
5.3 Biannual Maintenance
- Check all the moving parts for possible wearing, interference and damage.
- Inspect the lubrication of all the rollers. If the roller is dragged along in lifting or lowering, apply lubricant to the roller shaft.
- At the end of the first six months, clean the hydraulic system and replace the hydraulic oil. Replace the hydraulic oil with N32 hydraulic oil in winter and N46 in summer.
5.4 Maintenance for 3 Years or 5000 Times Operations
- Replace the complex bushings at all joints.
- Replace the rollers.
- Bleed oil from tanks.
- Cover the lift with plastic hood.
6.2 Scrapping
When the lift has exceeded its lifespan and can not be used any more, disconnect it from the electrical supply and dispose of as required by the local regulations.
Oil Safety Data
#2 Lithium Lubricant
| Item | Specifications |
| Conical degree ( 1/10mm ) | 278 |
| Dropping point °C | 185 |
| Erosion ( T2 Copper Plate. 100 °C. 24h) | No Change |
| Copper Screening ( 100°C. 22h) % | 4 |
| Evaporation ( 100°C. 22h) % | 2 |
| Oxidizing Stability ( 99°C. 100 h) | 2 |
| Non-corrosibility ( 52°C. 48 ) | Grade 1 |
| Foreign substance ( Microscopic method ) I ( number/cm3) Above 10, Above 25, Above 75pm Above 125pm |
Fewer than 5000 Fewer than 3000 Fewer than 500
|
| Relative Viscosity (-15°C. 10, ) l(Pa•s) | <800 |
| Humidity Loss ( 38°C. 1h) (%) | ,.8 |
N32 Mechanic Oil (for winter)
| Item | Specifications |
| Moving Viscosity 40℃ | 28.8~35 |
| Pour /℃ | ≤-15 |
| Flash point /℃ | ≥175 |
N46 Mechanical Oil (for summer)
| Item | Specifications |
| Moving Viscosity 40℃ | 41.4~50.6 |
| Pour /℃ | ≤-9 |
| Flash point /℃ | ≥185 |
Packing list
| Item | Name | Unit | QTY | Remark |
| 1 | Platform | set | 2 set | (Include hydraulic hose, Trachea) |
| 2 | Control center | set | 1 set | (Include wiring, Trachea, Oil-box, electromagnetic valve) |
| 3 | Rubber block | set | 4 set | |
| 4 | Anchor bolt | set | 8 set | (Include Anchor bolt, air fit) |
| 5 | Installation & Adjustment Manual | Piece | 1 pc |














