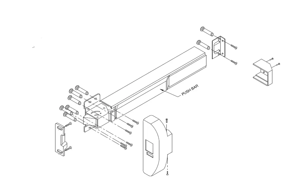
Pamex F5000R Rim Fire Rated Exit Device
F500OR RIM FIRE RATED EXIT DEVICE-RERVERSIBLE
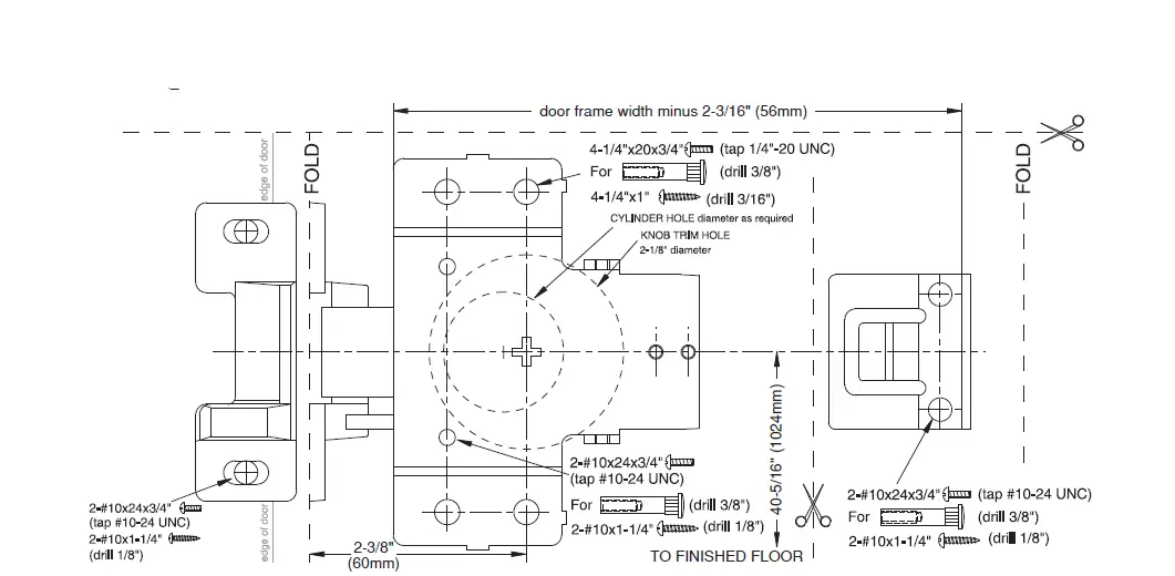
INSTALLATION INSTRUCTIONS
LHR door shown, RHR door opposite

F500OR RIM FIRE RATED EXIT DEVICE-RERVERSIBLE
INSTALLATION INSTRUCTIONS
LHR door shown, RHR door opposite
Download manual
Here you can download full pdf version of manual, it may contain additional safety instructions, warranty information, FCC rules, etc.