INSTALLATION INSTRUCTION
EX8300 SERIES EXIT DEVICE
EX8300 Series Exit Device
DIAGRAMS ARE NOT TO SCALE.
READ AND FOLLOW INSTRUCTIONS CAREFULLY.
Incorrect installation or adjustment could cause damage or injury.
Before Installation, Please Check:
- If Door is Fitted And Properly Hung.
- Size Of Exit Device, Function And Design
• 36”Doors, Can Be Cut To Fit Doors Down To 30” Wide.
• 48”Doors, Can Be Cut To Fit Doors Down To 36” Wide.
• Hand Of Device Against Application.

Type of Installation

Apply Hardware
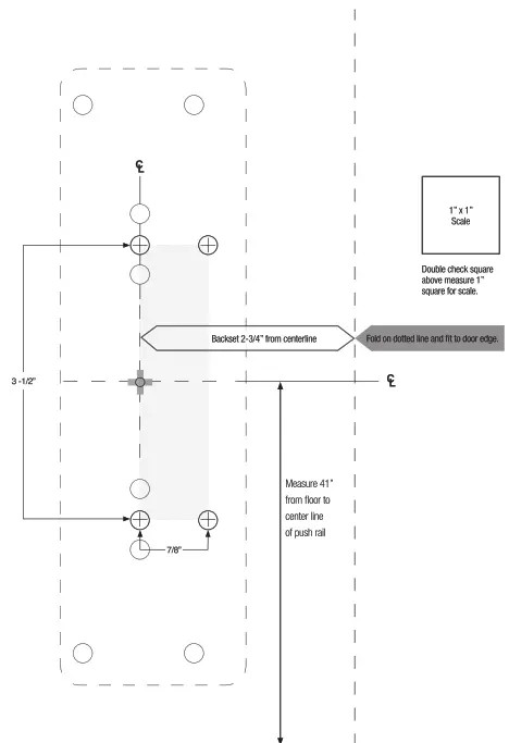
2.1 Drill Holes
Mark door face and drill holes in accordance with the diameters suggested.
See attached template.

2.2 Install Cylinder
- Insert the cylinder through Cyl Ring and hole in the door.
- Keep the tail piece horizontal.
- Mount liner on inside of door and
- Tailpiece projection over inside of Door is suggested in the range 9/32” – 15/32. If necessary, use a pliers to bend and cut to desired length.

2.3 Install Lever, Knob, or Pull Trim

Apply Rail Assembly
- Check the size of device, if cutting to length Is required.
- Determine cut off length “x” by subtracting 1-3/4” From “y”. Mark cut off point on mounting rail.

- Depress arm into rail opening and slide rail onto chassis. Level rail and fasten chassis and mounting plate.

Apply Covers and Strike
![]() | ![]() | ![]() |
| ATTACH COVER TO CHASSIS WITH (4) #8 TRUSS HEAD MACHINE SCREW | ATTACH END CAP TO MOUNTING PLATE WITH (2) COVER SCREWS. | ATTACH STRIKE TO DOOR STOP WITH (2), STRIKE SCREW AND LOCK WASHER |
ACTUAL SIZE TEMPLATE.

Tell Manufacturing
A Division of Spectrum Brands Inc.
1-800-433-4047
EX8300-2016
















