TESY HPWH 3.2 100l Air-to-Water Heat Pump Water Heater Aquathermica Compact

DOMESTIC HOT WATER HEAT PUMP

warning

Parts Numbers

Warning




Dimensions



Mounting







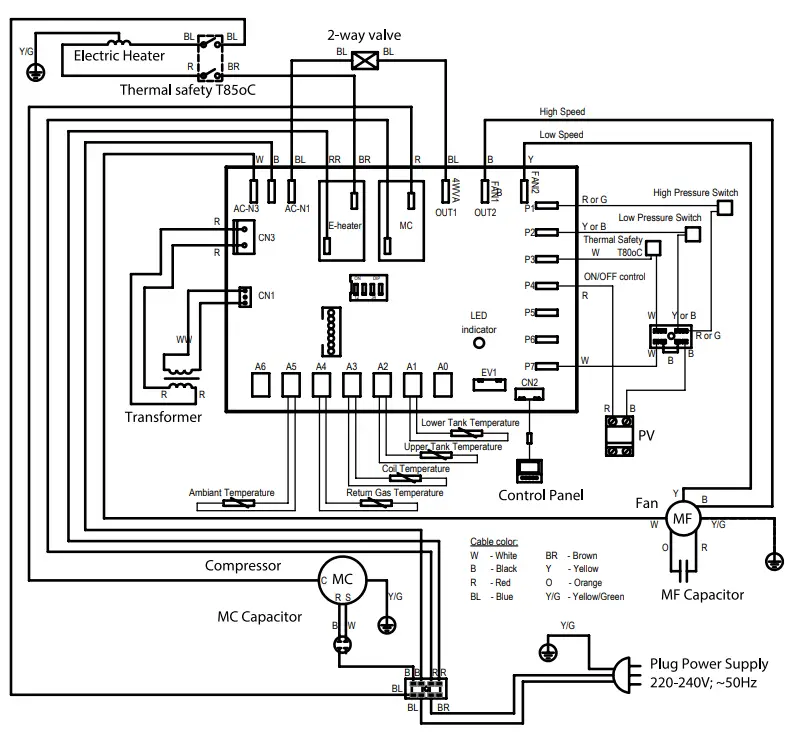
Circuit Diagram






DOMESTIC HOT WATER HEAT PUMP

warning


Warning



















Download manual
Here you can download full pdf version of manual, it may contain additional safety instructions, warranty information, FCC rules, etc.