LG MFL62047301 Air-To-Water Heat Pump
Please read this installation manual completely before installing the product. Installation work must be performed in accordance with the national wiring standards by authorized personnel only.
Please retain this installation manual for future reference after reading it thoroughly.
Safety Precautions
- If the product was submerged under water, ask the service center for instruction. It may cause fire or an electric shock unless you do that.
- For electrical work, contact the dealer, seller, a qualified electrician, or Authorized Service Center.
CAUTION - Make sure children or senor citizens use the product under proper observation in order to prevent safety accident.
- Do not subject the product to shock. It will cause product breakdown.
- Do not pick the product with a sharp tool. It may cause product breakdown with the damage to its parts.
- Do not clean the product with strong cleanser such as solvent. Use soft clothes in order to prevent fire or product deformation.
- Do not touch the product with a wet hand. Do not pull the lead cable. It may cause product breakdown or an electric shock.
- Do not install the unit in potentially explosive atmospheres.
To prevent injury to the user or other people and property damage, the following instructions must be followed.
- Incorrect operation due to ignoring instruction will cause harm or damage. The seriousness is classified by the following indications.
WARNING
This symbol indicates the possibility of death or serious injury.
CAUTION
This symbol indicates the possibility of injury or damage.
Installation
- ELCB(Electric Leakage Circuit Breaker) should be installed for safety.
- Entrust installation of the product to the service center because improper installation may cause fire, an electric shock, explosion, and physical injury.
- Use the original parts in order to prevent fire, an electric shock, explosion, and product breakdown.
- Keep combustible and/or inflammable materials away from the product in order to prevent fire or product breakdown.
- Do not disassemble, repair, or modify the product at your discretion in order to prevent fire or an electric shock.
- Do not install the product in wet and humid areas in order to prevent product breakdown.
- Do not drop water on to the product. It may cause an electric shock or product breakdown.
Part Description
| Item | Image | Quantity (EA) |
| MCCB(Molded Case Circuit Breaker) & Magnetic Contactor | ![]() | 1 |
| Thermistor Sensor | ![]() | 1 |
| Cable (For connecting MCCB with terminal block) | ![]() | 2 |
| Fixing Screw for Magnetic Contactor | ![]() | 2 |
| Installation Manual | ![]() | 1 |
| Bracket (For PHLTA) | ![]() | 1 |
| Bracket (For PHLTC) | ![]() | 1 |
| Fixing Screw for Bracket | 2 |
Installation Method
Before Installing the DHW Tank Kit
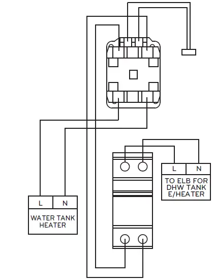
- Check the port number of the magnetic contactor and MCCB before installing the DHW Tank Kit. (Figure 1)
Port Number Assignment- Magnetic Contactor

- MCCB

- Magnetic Contactor
- DHW tank booster heater can be used up to 3kW.
- Select a circuit breaker and power cable appropriate for the current.
How to Install the DHW Tank Kit
Follow the procedures in Step 1 ~ Step 6 below.
- Step 1. Find the magnetic contactor and MCCB in the kit. Assemble them into the indoor unit control box by using the enclosed components.
- Step 2. Connect the indoor unit PCB harness connector with the magnetic contactor using the enclosed cable.

Harness Connector Magnetic Contactor CN_B_HEAT_A A1, A2 CN_TANK_HEATER A1, A2 - Step 3. Connect the magnetic contactor with MCCB.

Magnetic Contactor MCCB L1 ② L3 ④ - Connect the MCCB with the terminal block “TO ELB FOR DHW TANK E/HEATER”.
MCCB TO ELB FOR DHW TANK E/HEATER ① L ③ N - Step 4. Connect the magnetic contactor with the terminal block “WATER TANK HEATER”.
Magnetic Contactor WATER TANK HEATER T1 L T3 N - Step 5. Connect MCCB to the terminal block “TO ELB FOR DHW TANK E/HEATER”.
MCCB TO ELB FOR DHW TANK E/HEATER ① L ③ N - Step 6. Insert the DHW tank sensor into “CN_TH4” of the Main PCB. The sensor should be mounted correctly into the sensor hole of the DHW tank.
How to Check Polarity
Follow the procedures in Step 1 ~ Step 3 below.
- Step 1. Connect the magnetic contactor with MCCB.
Magnetic Contactor MCCB L1 ② L3 ④ - Step 2. Connect the magnetic contactor with the terminal block “WATER TANK HEATER”.
Magnetic Contactor WATER TANK HEATER T1 L T3 N
[Representative] LG Electronics Inc. EU Representative :
LG Electronics European Shared Service Center B.V.
Krijgsman 1, 1186 DM Amstelveen, The Netherlands
[Manufacturer] LG Electronics Inc. Changwon 2nd factory 84, Wanamro, Seongsangu, Changwon-si, Gyeongsangnam-do, KOREA

























