Tesy Hpwh 3.1 200 Air To Water Heat Pump Water Heater Instruction Manual
TESY HPWH 3.1 200 Air to Water Heat Pump Water Heater
Overview
Instruction
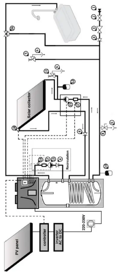
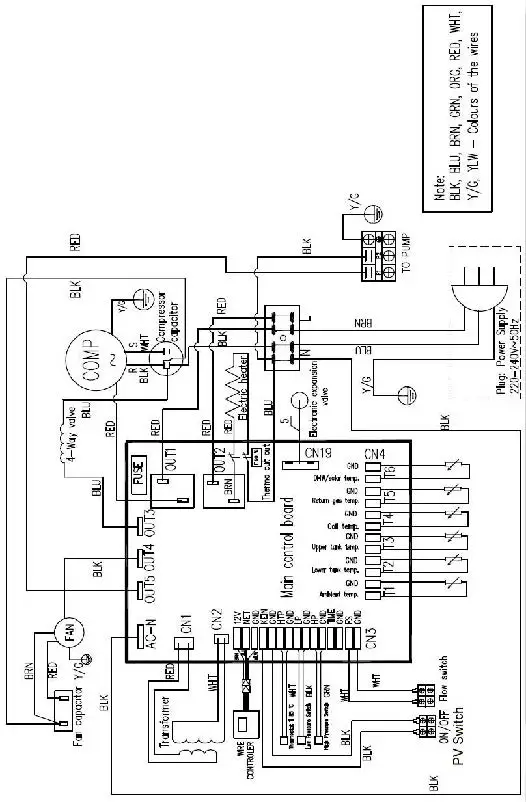
Parts
Installation
Download manual
Here you can download full pdf version of manual, it may contain additional safety instructions, warranty information, FCC rules, etc.
To access the pdf donwload links, solve the captcha.








































