BRADFORD WHITE RE2H50 Heat Pump Water Heater Instruction Manual
![]()
IMPORTANT SAFETY NOTICE
This information is intended for use by individuals possessing adequate background of electrical, electronic and mechanical experience. Any attempt to repair a major appliance may result in personal injury and property damage. The manufacturer or seller cannot be responsible for the interpretation of this information, nor can it assume any liability in connection with its use. This quick reference guide is provided for information purposes only and does not replace, modify or change in any manner the Owner’s Manual and Installation Instructions.
DISCONNECT POWER BEFORE SERVICING IMPORTANT- RECONNECT ALL GROUNDING DEVICES
All parts of this appliance capable of conducting electrical current are grounded. If grounding wires, screws, straps, clips, nuts or washers used to complete a path to ground are removed for service, they must be returned to their original condition and properly fastened.
⚠ CAUTION
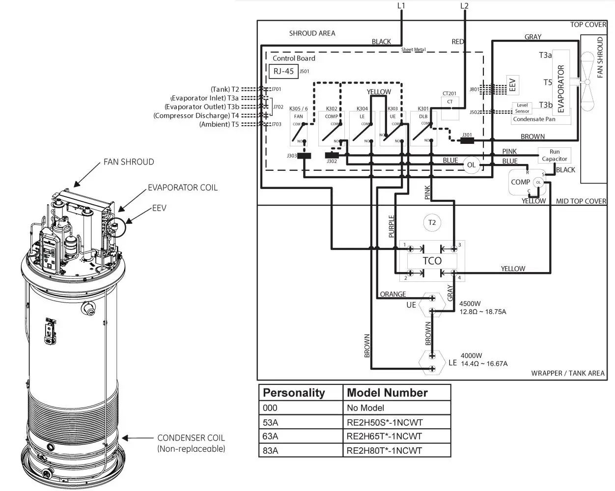
Double wall heat exchanger, suitable for potable water connection.
SPECIFICATIONS
Capacity ……… …. …… … .. ….. …. ………. 50/65/80 US gal
Tank Max Working Pressure …………………… 150 PSI
Water Temperature Set Point Range .. 100F – 140F
Electrical ……… … …… … .. …. 240/208VAC 60 Hz 1-PH
Circuit Breaker … .. ….. .. … ……… …. …… .. … …. .. . 30 Amp
Upper Element Wattage ………. … .. ….. …… .4500/3380
Lower Element Wattage ………. … .. ….. …… .4000/3004
REFRIGERATION SYSTEM
Compressor …. … .. ….. .. .. ….. ….. …. ….. … .. ….. .. … 500 W
Refrigerant Charge (R134a) ….. .. .. ….. …. 29.1/30.9 oz
(50Gal/65Gal &80Gal)
Compressor LRA ……………………………………. 14.0A
Compressor RLA …. .. … ………. … …… .. … ….. ….. 2.56A
Typical High Side Pressure (70°F amb) …. 210-280
PSIA
Typical Low Side Pressure (70°F amb) 55-65 PSIA

SERVICE MODE
The Service Mode can be accessed by pressing and holding the UP Arrow and Enter buttons simultaneously for 5 seconds. You will first hear a single beep when pressing the buttons, then a two-tone sound indicating the action was successful. A moment later, you will see the first display of the thermistor T2 alternating with its temperature displayed in the units selected (degrees F or C). The Service Mode will time out after 15 minutes of button inactivity.
Five functions are available in Service Mode: View Thermistors, Heating Component Status and Control, View Faults and Counters, Personality, and Software Revision. You may switch from one function to another by pressing the Mode button. The operating mode LED will illuminate to indicate which service mode is selected. An explanation
of the five functions follows:
View Thermistor (Hidden LED) – Each of the 5 thermistors can be monitored for the temperature they sense. The thermistor designation appears on the display and alternates with the temperature in degrees of the units selected – Fahrenheit or Celsius. Pressing the Down
Arrow button switches the display to the next thermistor in the list. The following table shows the thermistors’ designations and their function in the unit.

Heating Component Status and Control, EEV Operation (Heat Pump (Only) LED) – This function displays the status (on/off) for each of the heating components – Lower Element, Upper Element, Compressor (with fan), and Fan – and allows you to turn it on or off. The first component is the Lower electric element (LE). On status is signified by a 1 and off is 0. Pressing the Down Arrow button switches to the Upper Element (UE). Pressing Down Arrow again switches to the Compressor (with fan) (Co). Pressing the Down Arrow once more switches to the fan (Fn) . Only one component can be on at one time. The electric elements will only stay on for 5 minutes without refreshing by pressing any button on the front panel. The compressor timeout is 10 minutes. Press the Down Arrow button again to check EEV Operation. The position will be displayed. Press the Enter button to open the EEV in increments of 10, from 80 to 450. After reaching 450, pressing Enter will close the valve in increments of 10.
View Faults and Counters (Hybrid LED) – The control counts the number of times a fault is recorded. A fault code is not displayed until the number of counts in the fault table (refer to page 2) has been reached. For example, if the upper element fails to draw current each time the control energizes the upper element, the count will increase by 1. However, if the element responds normally, the count will decrement by 1.
The View Faults and Counters function displays any fault codes in the system. Pressing the Down Arrow takes you to the next fault code, if any. If no fault codes are active, “- – -” is displayed. Pressing the Filter button switches the display to the fault counters. The displayed fault code alternates with its count value. For example, if the thermistor T3a has registered 3 failures, its value will be 3 and the display will alternate between “F5” and “3”.
To clear all fault codes and fault counters, press and hold the Enter button for 5 seconds and listen for the beep.
Personality (Electric (Only) LED)- This function allows the user to verify that the correct parameter set has been programmed into the control board (refer to Personality Table on page 2). The Personality allows the software to properly control the heating system. The Personality of the water heater cannot be changed, except by replacing the control board.
Software Revision (Vacation LED) – This function allows the user to view the software revision that is programmed into the control. If the software revision is not correct, the correct revision should be uploaded.
Exiting Service Mode – To exit Service Mode without waiting for 15 minute timeout, press and hold the Up Arrow and Down Arrow simultaneously for 5 seconds and listen for two beeps.





Electronic Expansion Valve (EEV)
This valve replaces the capillary tube typically used in refrigeration appliances. The EEV meters the flow of liquid refrigerant entering the evaporator at the rate that matches the amount of refrigerant being boiled off in the evaporator (gas). the valve also maintains the proper “superheat” (T3b-T3a).
Superheat is the temperature of a gas above the boiling point of the liquid.

















