STIEBEL ELTRON 234727 WPM Heat Pump Manager

Product Information
The user manual provides installation and safety instructions for the product. The product is an electrical device that requires professional installation by a qualified technician. The manual includes information on national and regional regulations that must be followed during installation. The device has multiple components, including pumps, mixers, and analog inputs, that are designed to work together to provide heating and hot water services. The device also includes a bus initialization feature that allows for system configuration through parameters.
Product Usage Instructions
- Read the user manual before attempting to install or use theproduct.
- Hire a qualified technician to install the product in accordance with national and regional regulations.
- Ensure that all safety instructions and symbols are understood before proceeding with the installation or use of the product.
- Connect the device to the power supply in accordance with the electrical connection diagram provided in the manual.
- Configure the system using the parameter settings in the manual.
- Test the system to ensure that all components are working as intended.
- Monitor the system regularly to ensure that it is functioning correctly and efficiently.
General information
These instructions are intended for qualified contractors.
The latest version of these instructions can be found on our web-site.
Relevant documents
- WPM operating instructions
- WPM commissioning instructions
- Installation instructions for heat pump cascade with WPM
Note
Please see appliance operating and installation instruc-tions for information on the “Guarantee” and “Environ-ment and recycling”.
Safety instructions
Structure of safety instructions
KEYWORD Type of risk
Here, possible consequences are listed that may result from failure to observe the safety instructions.
Symbols, type of risk
Symbol Type of risk
Injury
Electrocution
Keywords
KEYWORD Meaning
- DANGER Failure to observe this information will result in serious injury or death.
- WARNING Failure to observe this information may result in serious injury or death.
- CAUTION Failure to observe this information may result in non-seri-ous or minor injury.
Other symbols in this documentation
Note
General information is identified by the adjacent symbol.
- Read these texts carefully.
- This symbol indicates that you have to do something. The ac-tion you need to take is described step by step.
Units of measurement
Note
All measurements are given in mm unless stated otherwise.
Safety
Only a qualified contractor should carry out installation, commissioning, maintenance and repair of the appliance.
Instructions, standards and regulations
Note
Observe all applicable national and regional regulations and instructions.
General safety instructions
We guarantee trouble-free function and operational reliability only if original accessories and spare parts intended for the appliance are used.
Notes
- Electrical installation must only be carried out by a recog-nised and qualified contractor or by our customer service engineers.
- The qualified contractor is responsible for adherence to all applicable regulations during installation and commissioning.
- The appliance should only be operated once it is fully in-stalled and all safety equipment has been fitted.
- Protect the appliance from dust and dirt during building work.
- Observe the operating limits listed in chapter “Specification”.
Test symbols
See type plate on the appliance.
Appliance description
Standard delivery
- Wall mounting enclosure with pre-wired heat pump manager
- AF PT outside temperature sensor
- 3 TAF PT immersion/contact sensor
- 30 wedges for securing cables
Installation
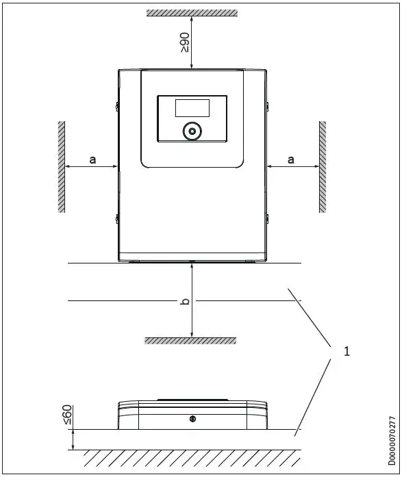
Minimum clearances
- Cable duct
- Optional space for front fascia or WPE heat pump extension
- Screwdriver space
- Allow sufficient space below the device to use a screwdriver.
We recommend allowing enough space to the left or right of the device that when you open the device you can allow the front fascia to hang on one side or the other.
Installation location
The device is designed solely for wall mounting.
- Install the device close to the heat pump.
- Install the device on a smooth installation surface. This will make it easier to lay the electrical cables.
- Ensure that enough space is available to the left or right of the device for the WPE heat pump extension, if required.
- Ensure that the back of the wall mounting enclosure is not accessible once mounted.
- Protect the equipment in use against humidity, dirt and damage.
Wall mounting
- Mark the holes to be drilled.
- Drill the holes and insert suitable rawl plugs.
- To secure the top of the enclosure, insert a screw far enough into the corresponding rawl plug that the enclosure can just still be hung onto the screw head.
- Then secure the bottom of the enclosure with two further screws.
Electrical connection
General
- WARNING Electrocution
Carry out all electrical connection and installation work in accordance with national and regional regulations. - WARNING Electrocution
I solate the heat pump from the power supply when carrying out any work. - WARNING Electrocution
The connection to the power supply must be in the form of a permanent connection. Ensure the appliance can be separated from the power supply by an isolator that dis-connects all poles with at least 3 mm contact separation. This requirement can be met by using contactors, circuit breakers, fuses/MCBs, etc. - WARNING Electrocution
Only components that operate with safety extra low voltage (SELV) and that ensure secure separation from the mains voltage supply may be connected to the low voltage terminals of the appliance.
Connecting other components can make parts of the ap-pliance and connected components live. - Only use components which have been approved by us.
Material losses
- When connecting up, note the maximum load capacity of the relay outputs (see chapter “Specification / Data table”).
Note
The specified voltage must match the mains voltage. Ob-serve the type plate.
Note
In conjunction with the WPM heat pump manager, use the HSM mixer servomotor.
- When connecting the power, observe the relevant electrical connection diagram for the heat pump.
- Protect the device on site with a 6 A circuit breaker.
The supply voltage at terminal L and the phase L’ – switched by the power supply utility – must be routed via the same residual current device, as they share a neutral conductor in the WPM.
- Ensure that L and L’ are in phase.
- Disconnect all heating system poles from the mains power supply before installation.
No fuses/MCBs for connected consumers are provided in the WPM or in the wall mounting enclosure. A fuse for connected consumers may be connected in series via terminal L* or pumps L (see also heat pump connection diagram).
Appliance connection
The cable entries in the wall mounting enclosure are suitable for rigid and flexible cables with an outside diameter of 6-12 mm.
- Lay flexible cables in conduits or cable ducts.
Mains and low voltage power circuits are routed separately in the wall mounting enclosure.
Material losses
Bus cables, power cables and sensor leads must be in-stalled separately.
- Front cable entry for mains voltage
- Rear cable entry for low voltage
- Route the low voltage leads from below into the rear cable entry on the device.
- Route the mains power cable from below into the front cable entry on the device.
- When connecting the mains voltage, ensure the earth con-ductor is correctly connected.
- Secure all electrical cables directly below the wall mounting enclosure with the red wedges supplied.
Note
The red wedges are for securing the cables.
- Do not use the red wedges for strain relief.
Material losses
- Tighten all the screws on the terminals. Screws on unconnected terminals must also be tightened.
Terminal assignment
- Retainer for connecting cable from programming unit
- Micro-SD card slot
- CAN bus for programming unit
- Lay the connecting cable from the programming unit over the retainer.


Note
For every appliance fault, output X2.10 issues a 230 V signal.
In the case of temporary faults, the output switches the signal through for a specific time.
In the case of faults that result in a permanent appliance shutdown, the output switches through permanently.
- You can define the characteristics of the output via parameter “COMMISSIONING / I/O CONFIGURATION / OUTPUT X 2.10”.
Sensor installation
Note
- Only use PT1000 sensors.
- Connect all of the required sensors before commissioning the appliance.
AF PT outside temperature sensor
The temperature sensors have a significant influence on the func-tion of your heating system. Therefore ensure sensors are correctly positioned and well insulated.
Install the outside temperature sensor on a north or north-eastern wall. Minimum clearances: 2.5 m above the ground, and 1 m to the side of windows and doors. The outside temperature sensor should be freely exposed to the elements but not placed in direct sunlight. Never mount the outside temperature sensor above win-dows, doors or air ducts.
Installation:
- Pierce the cable grommet at the appropriate place using a pointed object.
- Insert the cable grommet into the recess on the sensor retainer.
- Pass a connecting lead through the cable grommet.
- Connect the connecting lead to the terminal.
- Tighten the screws on the terminal.
- Connect the connecting cable to sensor terminal X1.3.
- Press the sensor retainer into the sensor enclosure until it clicks audibly into place.
- Secure the sensor enclosure to the wall using a screw and rawl plug.
TAF PT immersion/contact sensor
Installation as contact sensor
- Clean the pipe.
Note
The recesses on the retaining clip are of different sizes.
- Press the smaller recess on the retaining clip into one of the notches on the sensor.
- Press the larger recess of the retaining clip onto the sensor.
- Apply heat conducting paste to the sensor.
- Secure the sensor with the retaining clip and the cable tie.
Installation as an immersion sensor
The immersion sensor is required for the sensor well in the buffer cylinder.
- Press the spring downwards. The spring is used for fixing the sensor in the sensor well.
- Apply heat conducting paste to the sensor.
- Push the sensor into the sensor well.
Sensor resistance values
Temperature in °C PT 1000 sensor Resistance in Ω
- – 30 882
- – 20 922
- -10 961
- 0 1000
- 10 1039
- 20 1078
- 25 1097
- 30 1117
- 40 1155
- 50 1194
- 60 1232
- 70 1271
- 80 1309
- 90 1347
- 100 1385
- 110 1423
- 120 1461
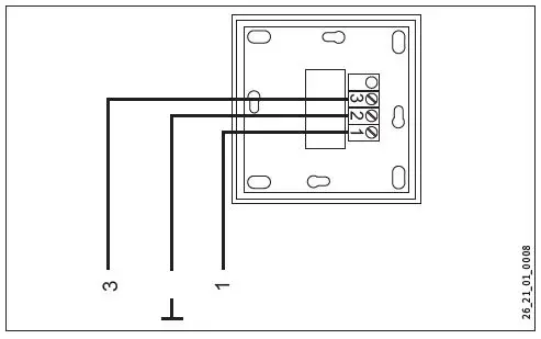
FE 7 remote control
Note
If you are connecting an FE 7 remote control, you cannot use an FET remote control.
FE 7 connection array
With the FE 7 remote control you can adjust the set room temper-ature for heating circuit 1 by ± 5 °C. This function is enabled only in PROGRAMMED OPERATION. You can also change the operating mode.
- Connect the remote control to terminal X1.13.
FET remote control
Note
If you are connecting one or multiple FET remote controls, you cannot use an FE 7 remote control.
FET connection array
The FET digital remote control enables convenient operation of one heating zone.
- Attach the remote control to one of the CAN B terminals.
- Observe the FET operating instructions.
Internet Service Gateway ISG
The Internet Service Gateway ISG enables you to operate the heat pump in your local home network and via the internet whilst you are away from home.
- Attach the Internet Service Gateway to one of the CAN B ter-minals (not one marked “+”).
- Observe the ISG operating instructions.
The ISG is not supplied with power by the heat pump.
Closing the front fascia
- CAN bus for programming unit
- Connect the connecting lead from the programming unit to one of the “CAN bus for programming unit” connections.
- Attach the front fascia at the top of the device.
- Press in the bottom of the front fascia firmly.
- Secure the fascia at the bottom with the screw.
Commissioning
Only qualified contractors may carry out any adjustments to the heat pump manager (see list in the chapter “Settings / Setting pa-rameters” in the heat pump manager commissioning instructions), commission the device and instruct the system user in its use.
Commissioning must be carried out in accordance with these in-stallation instructions and the operating and installation instruc-tions of all components belonging to the heat pump system.
Note
Our customer support can assist with commissioning, which is a chargeable service.
Bus initialisation
Connecting the bus cable not only establishes the electrical con-nection for system communication. As part of commissioning, connecting the bus cable will also assign the appliance-specific address required for switching the heat pump.
General information
Note
The control panel for each heat pump provides space for the connection of two 3-core BUS cables, i.e. the BUS cable between the heat pumps is wired in parallel.
Note
In a cascade, heat pumps designed to heat DHW must always be initialised first. The remaining heat pumps can then be initialised in any order.
Note
All necessary sensors must be connected before the volt-age is connected to the WPM. Any sensors connected later will not be recognised by the WPM.
Example: No DHW parameters, programs or tempera-tures are displayed if the DHW cylinder sensor was not connected at the time of commissioning. No values can be programmed for these parameters.
Note
If incorrectly initialised, all IWS (internal heat pump controllers) must be reset and reinitialised (see chapter “Reset options / Reinitialising the IWS”).
Note
The entire heat pump system will be shut down if the BUS cable between the WPM and the heat pump is in-terrupted.
Note
The connection between heat pump manager and heat pump is carried out via CAN bus. The connection can have a line or star topology.
Sequence when activating the heat pumps for bus initialisation
Requirement: The appliances (heat pump, heat pump manager (WPM) and, where applicable, heat pump extension (WPE)) are connected to each other via the bus.
For bus initialisation, it is essential that you comply with the fol-lowing sequence:
- Connect the WPM to the mains voltage.
- Connect the WPE (if installed) to the mains voltage.
- Connect the internal heat pump controller (IWS) to the mains voltage.
- Leave the mains voltage to the compressor and emergency/booster heater switched off, so that the heat pump does not start up uncontrolled during initialisation.
In the DIAGNOSIS / SYSTEM menu, all connected BUS subscrib-ers and their respective software versions are shown under BUS SUBSCRIBER.
After completing initialisation of the heat pump, use the DIAG-NOSIS / SYSTEM menu under HEAT PUMP TYPES to check that all connected heat pumps are being displayed.
System configuration through parameter settings
If the system is operating incorrectly, you should first check the parameter settings (see chapter “Settings / Parameter summary” in the commissioning instructions for the heat pump manager).
Reset options
Reinitialising the IWS
This reset should be performed if the system was commissioned or initialised incorrectly.
To do so, proceed as follows:
- Switch OFF the mains voltage to the WPM.
- Switch OFF the mains voltage to the WPE (if installed).
- Switch OFF the mains voltage to the heat pump.
- Disconnect the BUS connections.
- Switch ON the mains voltage to the heat pump.
- Hold the reset key until the two outer LEDs are constantly illuminated.
- Release the reset key. The IWS has now been reset and is ready for renewed initialisation.

- Switch the mains voltage to the components back ON.
- Carry out BUS initialisation (see chapter “Commissioning /BUS initialisation”).
- Reset the system-specific parameters for the WPM and WPE.
Heat pump reset
This reset should be performed if a heat pump-specific fault or hardware fault occurs five times in the space of two hours’ runt-ime.
- Activate the HEAT PUMP RESET parameter in the COMMIS-SIONING menu.
The fault is cleared. The heat pump is ready to be returned to use.
Troubleshooting
WARNING Electrocution
- Isolate the heat pump from the power supply when carrying out any work.
Problem
- An info value is not dis-played.
Cause
- The sensor has not been connected correctly.
Remedy
- Isolate the system from the power supply. Con-nect the sensor. Recon-nect the system to the mains voltage.
Specification
Dimensions and connections

Details on energy consumption
The product data complies with EU regulations relating to the Directive on the ecodesign of energy related products (ErP).
Data table
Deutschland
STIEBEL ELTRON GmbH & Co. KG
Dr.-Stiebel-Straße 33 | 37603 Holzminden
Tel. 05531 702-0 |
Fax 05531 702-480
[email protected]
www.stiebel-eltron.de
Australia
STIEBEL ELTRON Australia P ty. L td.
294 Salmon Street | Port Melbourne VIC 3207
Tel. 03 9645-1833 |
Fax 03 9644-5091
[email protected]
www.stiebel-eltron.com.au
China
STIEBEL ELTRON (Tianjin) Electric Appliance Co., L td.
Plant C3, XEDA International Industry City
Xiqing Economic Development Area
300385 Tianjin
Tel. 022 8396 2077 |
Fax 022 8396 2075
[email protected]
www.stiebeleltron.cn
France
STIEBEL ELTRON SAS
7-9, rue des Selliers
B.P 85107 | 5 7073 Metz-Cédex 3
Tel. 0387 7438-88 |
Fax 0387 7468-26
[email protected]
www.stiebel-eltron.fr
Japan
NIHON STIEBEL Co. L td.
Kowa Kawasaki Nishiguchi Building 8F
66-2 Horikawa-Cho
Saiwai-Ku | 21 2-0013 Kawasaki
Tel. 044 540-3200 |
Fax 044 540-3210
[email protected]
www.nihonstiebel.co.jp
Russia
STIEBEL ELTRON LLC RUSSIA
Urzhumskaya s treet 4 ,
building 2 | 1 29343 Moscow
Tel. +7 495 125 0 1 25
[email protected]
www.stiebel-eltron.ru
South Africa
STIEBEL ELTRON Southern Africa (PTY) L td
30 Archimedes Road
Wendywood
Johannesburg, 2090
Tel. +27 10 0 01 85 47
[email protected]
www.stiebel-eltron.co.za
United Kingdom and Ireland
STIEBEL ELTRON UK Ltd.
Unit 12 Stadium Court
Stadium Road | CH62 3RP Bromborough
Tel. 0151 346-2300 |
Fax 0151 334-2913
[email protected]
www.stiebel-eltron.co.uk
United States of America
STIEBEL ELTRON, Inc.
17 West Street | 01088 West Hatfield MA
Tel. 0413 247-3380 |
Fax 0413 247-3369
[email protected]
www.stiebel-eltron-usa.com
Thailand
STIEBEL ELTRON Asia Ltd.
469 Moo 2 Tambol K long-Jik
Amphur Bangpa-In | 1 3160 Ayutthaya
Tel. 035 220088 |
Fax 035 221188
[email protected]
www.stiebeleltronasia.com






















