LENNOX Elite ELXP Series 6, 7.5 Heat Pumps

WARNING
Improper installation, adjustment, alteration, service or maintenance can cause property damage, personal injury or loss of life. Installation and service must be performed by a licensed professional HVAC installer or equivalent, or service agency.
IMPORTANT
The Clean Air Act of 1990 bans the intentional venting of refrigerant (CFCs, HCFCs and HFCs) as of July 1, 1992. Approved methods of recovery, recycling or reclaiming must be followed. Fines and/or incarceration may be levied for noncompliance.
CAUTION
As with any mechanical equipment, contact with sharp sheet metal edges can result in personal injury. Take care while handling this equipment and wear gloves and protective clothing.
WARNING To prevent serious injury or death:
- Lock-out/tag-out before performing maintenance.
- If system power is required (e.g., smoke detector maintenance), disable power to blower, remove fan belt where applicable, and ensure all controllers and thermostats are set to the “OFF” position before performing maintenance.
- Always keep hands, hair, clothing, jewelry, tools, etc. away from moving parts.
Shipping and Packing List
Check the unit for shipping damage. If damaged or parts are missing, immediately contact the last shipping carrier.
- 1 – Assembled outdoor unit
- 1 – Installation instructions
Outdoor Unit
Elite Series heat pumps, which will also be referred to in this instruction as the outdoor unit, use HFC-410A refriger-ant. This outdoor unit must be installed with an approved indoor air handler. For AHRI certified system match-ups and expanded ratings, visit www.LennoxPros.com
This outdoor unit is designed for use in thermal expansion valve (TXV) systems only.
Model Number Identification

Unit Dimensions, Corner Weights and Centers of Gravity
| Model No. | CORNER WEIGHTS | CENTER OF GRAVITY | ||||||||||
| AA | BB | CC | DD | EE | FF | |||||||
| lbs. | kg | lbs. | kg | lbs. | kg | lbs. | kg | in. | mm | in. | mm | |
| EL072XPSS | 103 | 47 | 103 | 47 | 116 | 53 | 118 | 54 | 21-1/2 | 546 | 27-1/4 | 689 |
| EL090XPSS | 108 | 49 | 108 | 49 | 114 | 52 | 114 | 52 | 21-3/4 | 552 | 29 | 737 |
| EL120XPSS | 120 | 54 | 114 | 52 | 139 | 63 | 149 | 68 | 20 | 508 | 25-1/4 | 641 |


Unit Plumbing Parts Arrangement
EL072XPSS / EL090XPSS

EL120XPSS

Unit Control Box Component Arrangement
CONTROL BOX PARTS ARRANGEMENT ELITE HEAT PUMP MODELS

Rigging the Unit for Lifting
Rig the unit for lifting by attaching four cables to the holes in the base rail of the unit. See figure 1.
- Remove protective packaging before rigging the unit for lifting.
- Connect the rigging to the holes in each corner of the unit’s base.
- All panels must be in place for rigging.
- Place a field-provided H-style frame just above the top edge of the unit. The frame must be of adequate strength and length. (An H-style frame will prevent the top of the unit from being damaged.)
Lifting point should be directly above the center of gravity.

Installation Clearances
See Unit Dimensions on page 3 for sizing mounting slab, platforms or supports. Refer to figure 2 for mandatory in-stallation clearance requirements.
NOTES:
- Clearance to one of the remaining two sides may be 12 in. (305 mm) and the final side may be 6 in. (152 mm).
- A clearance of 24 in. (610 mm) must be maintained be-tween two units.
- 48 in. (1219 mm) clearance required on top of unit.

Line Set
Field refrigerant piping consists of liquid and suction lines connecting the condensing unit and the indoor unit. Liquid and suction service valves are located in a compartment at the corner of the unit below the control box.
Piping can be routed directly from the service valves or field supplied elbows can be added to divert the piping as required.
Refer to table 1 for field-fabricated refrigerant line sizes for runs up to 50 linear feet (15 m).
TABLE 1. Refrigerant Line Sizes for Runs Up to 50 Linear Feet
| Unit | Liquid Line | Suction Line |
| EL072XP / EL090XP | 5/8” (16mm) | 1-1/8” (29mm) |
| EL120XP | 5/8″ (16mm) | 1-1/8” (29mm) |
Refrigerant Line Limitations
You may install the unit in applications that have line set lengths of up to 50 linear feet (15 m) with refrigerant line sizes as outlined in table 1 (excluding equivalent length of fittings). Size refrigerant lines greater than 50 linear feet (15m or greater) according to the Lennox Refrigerant Pip-ing Design and Fabrication Guidelines (Corp. 9351-L9) or latest version.
Electrical Connections
WARNING Electric Shock Hazard. Can cause injury or death. Unit must be properly grounded in accordance with national and local codes.
Line voltage is present at all components when unit is not in operation on units with single-pole contactors. Disconnect all remote electric power supplies before opening access panel. Unit may have multiple power supplies.
In the United States, wiring must conform with current lo-cal codes and the current National Electric Code (NEC). In Canada, wiring must conform with current local codes and the current Canadian Electrical Code (CEC).
TRANSFORMER – 24VAC, 90VA – PROVIDED
NOTE – The addition of accessories to the system could exceed the 90VA power requirement of the factory-pro-vided transformer. Measure the system’s current and voltage after installation is complete to determine trans-former loading. If loading exceeds the factory-provided transformer capacity, a larger field-provided transformer will need to be installed in the system.
CIRCUIT SIZING AND DISCONNECT SWITCH

Refer to the unit nameplate for minimum circuit ampacity amperage minimum, and maximum fuse or circuit breaker fusible (HACR per NEC). Install power wiring and properly sized disconnect switch.
NOTE — UNITS ARE APPROVED FOR USE ONLY WITH COPPER CONDUCTORS. GROUND UNIT AT DISCONNECT SWITCH OR TO AN EARTH GROUND.
TYPICAL HIGH VOLTAGE POWER SUPPLY CONNECTIONS

INSTALL THERMOSTAT

Install room thermostat (ordered separately) on an inside wall approximately in the center of the conditioned area and 5 feet (1.5m) from the floor. It should not be installed on an outside wall or where it can be affected by sunlight, drafts or vibrations.
TYPICAL CONTROL WIRING

TYPICAL UNIT CONTROL WIRE CONNECTIONS

A RUN CONTROL WIRES THROUGH RIGHT CUTOUT.
B RUN CONTROL WIRES THROUGH WIRE TIES.
C TIGHTEN WIRE TIE TO SECURE 24VDC CONTROL WIRING.
NOTE
- FOR PROPER VOLTAGES, SELECT THERMOSTAT WIRE (CONTROL WIRING) GAUGE PER TABLE ABOVE.
- WIRE TIE PROVIDES LOW VOLTAGE WIRE STRAIN RELIEF AND MAINTAINS SEPARATION OF FIELD INSTALLED LOW AND HIGH VOLTAGE CIRCUITS.
- DO NOT BUNDLE ANY EXCESS 24VAC CONTROL WIRES INSIDE CONTROL BOX.

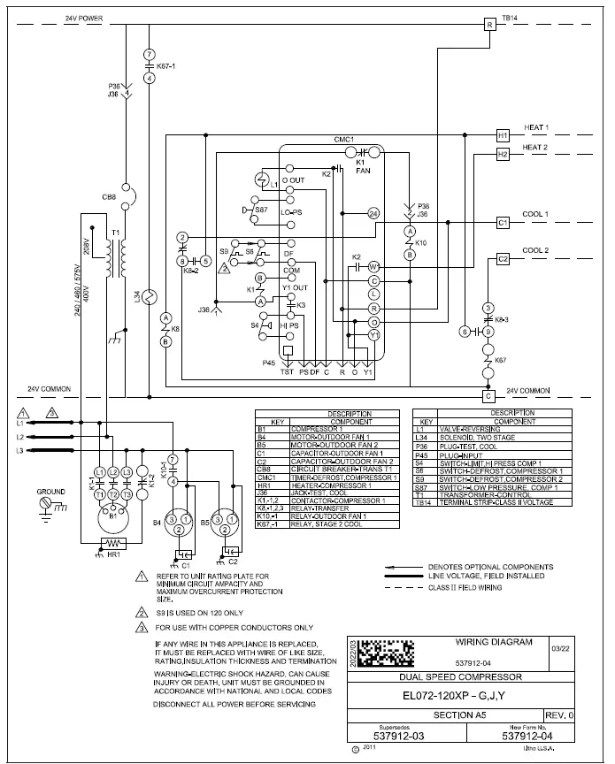
FIGURE 3. Typical Wiring Diagram – Elite Series Heat Pumps
Refrigerant Charge
The ELITE units have a factory holding charge of 2 pounds of HFC-410A in each circuit. Additional refriger-ant will need to be added during installation. Charge using the HFC-410A charging information label provided in the unit. The HFC-410A charging information label in the unit applies to Indoor and Outdoor unit with same full load ca-pacity, see table below. For all other unit matches, please contact Lennox Commercial Application department for Charging Procedure Information (form # 508349-01).
| Split System Matches | ||
| Cooling Unit | Air Handler | Air Handler SCFM |
| EL072XP | EL090XA | 2600 |
| EL090XP | EL090XA | 2760 |
| EL120XP | EL120XA | 3925 |
System Operation
The outdoor unit and indoor unit cycle on demand from the room thermostat. Refer to interconnect diagram (page 7, step 4) for demand signals passed from the indoor unit to the heat pump.
For details on the heat pump component operation based on thermostat demand, refer to table 2.
TABLE 2. Component Operation
| HEAT PUMPS | |||||
| Thermostat Demand | Input Signals at Terminal Strip² | Compressor Output | Fans | Re- versing Valve | |
| (Key Number¹) | (TB14) | (B1) | (B4) | (B5) | (L1) |
| STANDBY | R | OFF | OFF | OFF | OFF |
| COOLING 1 | C1 | LOW | ON | ON | ON |
| COOLING 2 | C1+C2 | HIGH | ON | ON | ON |
| HEATING | H1 | HIGH | ON | ON | OFF |
| AUXILARY HEAT | H2 | Output Signal from CMC1 to Indoor Unit | |||
| Footnotes: 1. Refer to Component Label or Wiring Diagram for key numbers. 2. 24V input signals measured between one TB14 connection listed and TB14-C connection. | |||||
HIGH PRESSURE SWITCHES (S4)
These units are equipped with an auto-reset high pressure switch (single-pole, single-throw) which is located on the discharge line. The switch shuts off the compressor when discharge pressure rises above the factory setting. High Pressure (auto reset) – trip at 640 psig; reset at 475 psig.
LOW PRESSURE SWITCH (S87)
These units are equipped with a loss-of-charge switch that is located in the liquid line. The switch is a SPST, auto-re-set switch that is normally closed. The switch opens at 40 psi and closes at 90 psi.
Defrost System
The defrost system includes a defrost thermostat and a defrost control.
DEFROST THERMOSTAT (S6, S9)
The defrost thermostat is located on the liquid line be-tween the check/expansion valve and the distributor on each coil. When the defrost thermostat switch senses coil temperature at set point or lower (072/090 – 35°F; 120 – 42°F), its contacts close and send a signal to the defrost control board to start the defrost timing. It also terminates defrost when the liquid line warms up to set point (072/090 – 60°F; 120 – 70°F) and its contacts open.
DEFROST CONTROL (CMC1)
The defrost control board includes the combined functions of a time/temperature defrost control, defrost relay, time delay, diagnostic LEDs, and a terminal strip for field wiring connections.
The control provides automatic switching from normal heat-ing operation to defrost mode and back. During compressor cycle (defrost thermostat is closed, calling for defrost), the control accumulates compressor run times at 30, 60, or 90 minute field adjustable intervals. If the defrost thermostat is closed when the selected compressor run time interval ends, the defrost relay is energized and defrost begins.
Each timing pin selection provides a different accumulat-ed compressor run time period for one defrost cycle. This time period must occur before a defrost cycle is initiated. The defrost interval can be adjusted to 30 (T1), 60 (T2), or 90 (T3) minutes. The maximum defrost period is 14 minutes and cannot be adjusted.
NOTE – Defrost control part number is listed near the P1 timing pins.
Units with defrost control 100269-07 or higher: The fac-tory default defrost interval is 90 minutes.
If the timing selector jumper is missing, the defrost control defaults to a 90-minute defrost interval.
Defrost Control Board
DEFROST CONTROL TIMING PINS

A TEST option is provided for troubleshooting. The TEST mode may be started any time the unit is operating in the heating mode and the defrost thermostat is closed or jumpered. If the jumper is in the TEST position at power-up, the control will ignore the test pins. When the jumper is placed across the TEST pins for two seconds, the con-trol will enter the defrost mode. If the jumper is removed before an additional 5-second period has elapsed (7 sec-onds total), the unit will remain in defrost mode until the defrost thermostat opens or 14 minutes have passed.
If the jumper is not removed until after the additional 5-sec-ond period has elapsed, the defrost will terminate and the test option will not function again until the jumper is re-moved and re-applied.
COMPRESSOR DELAY
The defrost board has a field-selectable function to reduce occasional sounds that may occur while the unit is cycling in and out of the defrost mode. When the compressor de-lay jumper is removed, the compressor will be cycled off for 30 seconds going in and out of the defrost mode.
NOTE – The 30-second compressor feature is ignored when the TEST pins have been jumpered.
TIME DELAY
The timed-off delay is five minutes long. The delay helps protect the compressor from short-cycling in case the power to the unit is interrupted or a pressure switch opens. The delay is bypassed by placing the timer select jumper across the TEST pins for 0.5 seconds.
NOTE – The board must have a thermostat demand for the bypass function.
PRESSURE SWITCH CIRCUITS
The defrost control includes two pressure switch circuits. The factory-installed high pressure switch (S4) wires are connected to the board’s HI PS terminals (figure 5). The board also includes LO PS terminals to accommodate a field-provided low (or loss-of-charge) pressure switch (S87).
During a single thermostat cycle, the defrost control will lock out the unit after the fifth time that the circuit is in-terrupted by any pressure switch that is wired to the con-trol board. In addition, the diagnostic LEDs will indicate a pressure switch lockout after the fifth occurrence of an open pressure switch (table 3). The unit will remain locked out until power is broken then remade to the control or un-til the jumper is applied to the TEST pins for 0.5 seconds.
NOTE – The defrost control board ignores input from the loss-of-charge switch terminals during the TEST mode, during the defrost cycle, during the 90-second start-up period, and for the first 90 seconds each time the reversing valve switches heat/cool modes. If the TEST pins are jumpered and the 5-minute delay is being bypassed, the LO PS terminal signal is not ignored during the 90-second start-up period.
SERVICE LIGHT CONNECTION
The defrost control board includes terminal connections for a service light which provides a signal that activates the room thermostat service light during periods of inefficient operation.
IMPORTANT: After testing has been completed, properly reposition test jumper across desired timing pins.
DIAGNOSTIC LEDS
The defrost board uses two LEDs for diagnostics. The LEDs flash a specific sequence according to the diagno-sis (table 3).
TABLE 3. Defrost Control Board Diagnostic LEDs
| DS2 Green | DS1 Red | Condition |
| OFF | OFF | Power problem |
| Simultaneous Slow Flash | Normal operation | |
| Alternating Slow Flash | 5-min. anti-short cycle delay | |
| Fault and Lockout Codes | ||
| OFF | Slow Flash | Loss-of-Charge Fault |
| OFF | ON | Loss-of-Charge Lockout |
| Slow Flash | OFF | High Pressure Fault |
| ON | OFF | High Pressure Lockout |
Maintenance
At the beginning of each cooling season, the system should be checked as follows:
OUTDOOR UNIT
- Clean and inspect the condenser coil. You can flush the coil with a water hose.
- The outdoor fan motor is prelubricated and sealed.
No further lubrication is necessary. - Visually inspect connecting lines and coils for evidence of oil leaks.
- Check wiring for loose connections.
- Check for correct voltage at the unit while the unit is operating and while it is off.
- Check amp-draw of the outdoor fan motor. Unit nameplate _________ Actual ____________
- Check amp-draw of the compressor. Unit nameplate _________ Actual ____________
NOTE – If the owner complains of insufficient cooling, gauge the unit and check the refrigerant charge. Refer to section on refrigerant charging in this instruction.
INDOOR COIL
- If necessary, clean the coil.
- Check connecting lines and coils for evidence of oil leaks.
- If necessary, check the condensate line and clean it.
INDOOR UNIT
- Clean or change filters.
- Adjust the blower speed for cooling. Measure the pressure drop over the coil to determine the correct blower CFM. Refer to the unit information service manual for pressure drop tables and procedure.
- On belt drive blowers, check the belt for wear and proper tension.
- Check all wiring for loose connections.
- Check for correct voltage at the unit (blower operating).
- Check amp-draw on blower motor. Unit nameplate _________ Actual ____________
| Start-Up and Performance Checklist | ||||
| Job Name Job no. Date Job Location City State Installer City State Unit Model No. Serial No. Service Technician Nameplate Voltage Rated Load Ampacity Compressor Amperage: Maximum Fuse or Circuit Breaker Electrical Connections Tight? Indoor Filter clean? Supply Voltage (Unit Off) Indoor Blower RPM S.P. Drop Over Indoor (Dry) Outdoor Coil Entering Air Temp. Vapor Pressure; Refrigerant Lines: Leak Checked? Properly Insulated? Outdoor Fan Checked? Service Valves: Fully Opened? Caps Tight? Voltage With Compressor Operating | ||||
| Heating Correct? | SEQUENCE OF OPERATION Cooling Correct? | Calibrated? | THERMOSTAT Properly Set? | Level? |



















