AirEase 4SHP17LE Single-Stage Heat Pump

INSTALLATION INSTRUCTIONS
- This manual must be left with the homeowner for future reference.
- This is a safety alert symbol and should never be ignored. When you see this symbol on labels or in manuals, be alert to the potential for personal injury or death.
- WARNING
- Installation and servicing of air conditioning equipment can be hazardous due to internal refrigerant pressure and live electrical components. Only trained and qualified service personnel should install or service this equipment. Installation and service performed by unqualified persons can result in property damage, personal injury, or death.
- WARNING: ELECTRICAL SHOCK HAZARD!
- Risk of electrical shock. Disconnect all remote power supplies before installing or servicing any portion of the system. Failure to disconnect power supplies can result in property damage, personal injury, or death.
- WARNING
- Sharp metal edges can cause injury. When installing the unit, use care to avoid sharp edges.
General
Read this entire instruction manual, as well as the instructions supplied in separate equipment, before starting the installation. Observe and follow all warnings, cautions, instructional labels, and tags. Failure to comply with these instructions could result in an unsafe condition and/or premature component failure. These instructions are intended as a general guide only for use by qualified personnel and do not supersede any national or local codes in any way. The installation must comply with all provincial, state, and local codes as well as the National Electrical Code (U.S.) or Canadian Electrical Code (Canada). Compliance should be determined prior to installation. This unit uses R-410A, which is an ozone-friendly HFC refrigerant. The unit must be installed with a matching indoor coil and line set. A filter drier approved for use with R-410A is installed in the unit. When servicing or repairing HVAC components, ensure the fasteners are appropriately tightened. Table 1 shows torque values for fasteners.
| Fastener | Torque |
| Stem Caps | 8 ft. lbs. |
| Service Port Caps | 8 ft. lbs. |
| Sheet Metal Screws | 16 in. lbs. |
| #8 Machine Screws | 16 in. lbs. |
| #10 Machine Screws | 28 in. lbs. |
| Compressor Bolts | 90 in. lbs. |
Table 1. Torque Table
Inspection of Shipment
Upon receipt of equipment, carefully inspect it for possible shipping damage. If damage is found, it should be noted on the carrier’s freight bill. Take special care to examine the unit inside the carton if the carton is damaged. Any concealed damage discovered should be reported to the last carrier immediately, preferably in writing, and should include a request for inspection by the carrier’s agent.
If any damages are discovered and reported to the carrier DO NOT INSTALL THE UNIT, as claim may be denied.
Check the unit rating plate to confirm specifications are as ordered.
Safety Precautions
Follow all safety codes. Wear safety glasses and work gloves. Use quenching cloth for brazing operations. Have fire extinguisher available. Read these instructions thoroughly and follow all warning or cautions attached to the unit.
- Always wear proper personal protection equipment.
- Always disconnect electrical power before removing panel or servicing equipment.
- Keep hands and clothing away from moving parts.
- Handle refrigerant with caution; refer to proper MSDS from refrigerant supplier.
- Use care when lifting, avoid contact with sharp edges.
Installation
NOTE: In some cases, noise in the living area has been traced to gas pulsations from improper installation of equipment.
- Locate unit away from windows, patios, decks, etc. where unit operation sounds may disturb customer.
- Leave some slack between structure and unit to absorb vibration.
- Place a sound-absorbing material, such as Isomode, under the unit if it will be installed in a location or position that will transmit sound or vibration to the living area or adjacent buildings.
- Install the unit high enough above the ground or roof to allow adequate drainage of defrost water and prevent ice buildup.
- In heavy snow areas, do not locate the unit where drifting snow will occur. The unit base should be elevated above the depth of average snows.
- NOTE: Elevation of the unit may be accomplished by constructing a frame using suitable materials. If a support frame is constructed, it must not block drain holes in unit base.
- When installed in areas where low ambient temperatures exist, locate unit so winter prevailing winds do not blow directly into outdoor coil.
- Locate unit away from overhanging roof lines which would allow water or ice to drop on, or in front of, coil or into unit.
- When outdoor unit is connected to factory-approved indoor unit, outdoor unit contains system refrigerant charge for operation with matching indoor unit when connected by 15 ft. of field-supplied tubing. For proper unit operation, check refrigerant charge using charging information located on control box cover.
- Outdoor Section
Zoning ordinances may govern the minimum distance the condensing unit can be installed from the property line. - Install on a Solid, Level Mounting Pad
The outdoor section is to be installed on a solid foundation. This foundation should extend a minimum of (inches) beyond the sides of the outdoor section. To reduce the possibility of noise transmission, the foundation slab - should NOT be in contact with or be an integral part of the building foundation. See Figure 1.
If conditions or local codes require the unit be attached to pad or mounting frame, tie down bolts should be used and secured to unit base pan.
Elevate Unit
CAUTION: Accumulation of water and ice in base pan may cause equipment damage.
Elevate unit per local climate and code requirements to provide clearance above estimated snowfall level and ensure adequate drainage of unit. Use snow stand in areas where prolonged freezing temperatures are encountered.
If conditions or local codes require the unit be attached to pad or mounting frame, tie down bolts should be used and fastened through knockouts provided in unit base pan.
Clearance Requirements
When installing, allow sufficient space for airflow clearance, wiring, refrigerant piping, and service. For proper airflow, quiet operation and maximum efficiency. Position so water, snow, or ice from roof or eaves cannot fall directly on unit. Refer to Table 2 for installation clearances.
| Location | Minimum Clearance |
| Service box | 30” |
| Top of unit* | 48” |
| Between units | 24” |
| Against wall | 6” |
| * Maximum soffit overhang is 36”. NOTE: At least one side should be unobstructed by a wall or other barrier. | |
Table 2. Clearances
DO LOCATE THE UNIT:
- With proper clearances on sides and top of unit
- On a solid, level foundation or pad (unit must be level to within ± 1/4 in./ft. per compressor manufacturer specifications)
- To minimize refrigerant line lengths
DO NOT LOCATE THE UNIT:
- On brick, concrete blocks or unstable surfaces
- Near clothes dryer exhaust vents where debris accumulates
- Near sleeping area or near windows
- Under eaves where water, snow or ice can fall directly on the unit
- With clearance less than 2 ft. from a second unit
- With clearance less than 4 ft. on top of unit
- Operating Ambient
- The minimum outdoor operating ambient in cooling mode is 55°F, and the maximum outdoor operating ambient in cooling mode is 125°F. The maximum outdoor operating ambient in heating mode is 66°F.
Rooftop Installations - Install unit at a minimum of 6 above surface of the roof to avoid ice buildup around the unit. Locate the unit above a load bearing wall or area of the roof that can adequately support the unit. Consult local codes for rooftop applications.
- If unit cannot be mounted away from prevailing winds, a wind barrier should be constructed. Due to variation in installation applications, size and locate barrier according to the best judgment of the installer.
Refrigeration Piping
- Use only refrigerant grade copper tubes.
- Split systems may be installed with up to 50 feet of line set (no more than 20 feet vertical) without special consideration (see long line set guidelines).
- Ensure that vapor and liquid tube diameters are appropriate to capacity of unit.
- Run refrigerant tubes as directly as possible by avoiding unnecessary turns and bends.
- When passing refrigerant tubes through the wall, seal opening with RTV or other silicon-based caulk.
- Avoid direct tubing contact with water pipes, duct work, floor joists, wall studs, floors, walls, and any structure.
- Do not suspend refrigerant tubing from joists and studs with a rigid wire or strap that comes in direct contact with tubing.
- Ensure that tubing insulation is pliable and completely surrounds vapor tube.
- It is important that no tubing be cut or seals broken until you are ready to actually make connections to the evaporator and to the condenser section.
- DO NOT remove rubber plugs or copper caps from the tube ends until ready to make connections at evaporator and condenser. Under no circumstances leave the lines open to the atmosphere for any period of time, if so unit requires additional evacuation to remove moisture.
| Capacity | Liquid | Vapor | ||
| Connections Dia. | Tube Dia. | Connections Dia. | Tube Dia. | |
| -018 | 3/8” | 3/8” | 3/4” | 3/4” |
| -024 | 3/8” | 3/8” | 3/4” | 3/4” |
| -030 | 3/8” | 3/8” | 3/4” | 3/4” |
| -036 | 3/8” | 3/8” | 7/8” | 7/8” |
| -042 | 3/8” | 3/8” | 7/8” | 7/8” |
| -048 | 3/8” | 3/8” | 7/8” | 7/8” |
| -060 | 3/8” | 3/8” | *1-1/8” | *1-1/8” |
| * Field supplied 7/8 x 1-1/8 connector required on both ends of vapor tubing. | ||||
Table 3. Recommended Liquid & Vapor Tube Diameters (in.)
Be extra careful with sharp bends. Tubing can “kink” very easily, and if this occurs, the entire tube length will have to be replaced. Extra care at this time will eliminate future service problems.
It is recommended that vertical suction risers not be up-sized. Proper oil return to the compressor should be maintained with suction gas velocity.
Filter Drier
The filter drier is very important for proper system operation and reliability. If the drier is shipped loose, it must be installed by the installer in the field. Unit warranty will be void, if the drier is not installed.
Installation of Line Sets
DO NOT fasten liquid or suction lines in direct contact with the floor or ceiling joist. Use an insulated or suspension type of hanger. Keep both lines separate, and always insulate the suction line. Liquid line runs (30 feet or more) in an attic will require insulation. Route refrigeration line sets to minimize length.
DO NOT let refrigerant lines come in direct contact with foundation. When running refrigerant lines through the foundation or wall, openings should allow for a sound and vibration absorbing material to be placed or installed between tubing and foundation. Any gap between foundation or wall and refrigerant lines should be filled with a vibration damping material.
CAUTION
If ANY refrigerant tubing is required to be buried by state or local codes, provide a 6 inch vertical rise at service valve.
Flushing Line Sets
If the unit will be installed in an existing system that uses an indoor unit or line sets charged with R-22 refrigerant, installer must perform the following flushing procedure.
NOTE: Existing system components (including line set and indoor coil) must be an AHRI match with the unit in order to fulfill unit warranty requirements.
- WARNING
- Refrigerant must be reclaimed in accordance with national and local codes.
- CAUTION
- Do NOT attempt to flush and re-use existing line sets or indoor coil when the system contains contaminants (i.e., compressor burn out).
- NOTE: Clean refrigerant” is any refrigerant in a system that has not had compressor burnout. If the system has experienced burnout, it is recommended that the existing line set and indoor coil be replaced.
- NOTE
In lieu of R-410A, an industry-standard flushing agent may also be used.
- Connect gauges and equipment as shown in Figure 3.
- Set the recovery machine for liquid recovery and start the recovery machine. Open the gauge set valves to allow the recovery machine to pull a vacuum on the existing system line set and indoor unit coil.
- Position the cylinder of clean R-410A for delivery of liquid refrigerant and open its valve to allow liquid refrigerant to flow into the system through the vapor line valve. Allow the refrigerant to pass from the cylinder and through the line set and the indoor unit coil before it enters the recovery machine.
- After all of the liquid refrigerant has been recovered, switch the recovery machine to vapor recovery so that all of the R-410A vapor is recovered. Allow the recovery machine to pull the system down to 0.
- Close the valve on the inverted R-410A drum and the gauge set valves. Pump the remaining refrigerant out of the recovery machine and turn the machine off.
Refrigerant Piping – Install Indoor Expansion Valve
This outdoor unit is designed for use in systems that include a heat pump expansion valve metering device (purchased separately) at the indoor coil. See the Product Specifications for approved expansion valve kit match-ups and application information. The check expansion valve unit can be installed internal or external to the indoor coil. In applications where an uncased coil is being installed in a field-provided plenum, install the check/expansion valve in a manner that will provide access for future field service of the expansion valve. Refer to below illustration for reference during installation of expansion valve unit.
EQUALIZER LINE INSTALLATION
- Remove and discard either the flare seal cap or flare nut with copper flare seal bonnet from the equalizer line port on the vapor line as illustrated in the figure below.
- Remove the field-provided fitting that temporarily reconnected the liquid line to the indoor unit’s distributor as- sembly

- Install one of the provided Teflon® rings around the stubbed end of the check expansion valve and lightly lubricate the connector threads and expose surface of the Teflon® ring with refrigerant oil.

- Attach the stubbed end of the check expansion valve to the liquid line orifice housing. Finger tighten and use an appropriately sized wrench to turn an additional 1/2 turn clockwise as illustrated in the figure above, or tighten to 20 ft-lb.

- Place the remaining Teflon® washer around the other end of the check expansion valve. Lightly lubricate connector threads and expose surface of the Teflon® ring with refrigerant oil.
- Attach the liquid line assembly to the check expansion valve. Finger tighten and use an appropriately sized wrench to turn an additional 1/2 turn clockwise as illustrated in the figure above or tighten to 20 ft-lb.
SENSING BULB INSTALLATION
- Attach the vapor line sensing bulb in the proper orientation as illustrated to the right using the clamp and screws provided.
NOTE – Though it is preferred to have the sensing bulb installed on a horizontal run of the vapor line, installation on a vertical run of piping is acceptable if necessary.
NOTE – Confirm proper thermal contact between vapor line and check/expansion bulb before insulating the sensing bulb once installed. - Connect the equalizer line from the check expansion valve to the equalizer vapor port on the vapor line. Finger tighten the flare nut plus 1/8 turn (7 ft-lbs) as illustrated below.

Refrigerant Piping – Brazing Procedures
- CUT AND DEBUR
Cut ends of the refrigerant lines square (free from nicks or dents) and debur the ends. The pipe must remain round. Do not crimp end of the line. - CAP AND CORE REMOVAL
Remove service cap and core from both the vapor and liquid line service ports.
- ATTACH THE MANIFOLD GAUGE SET FOR BRAZING LIQUID AND VAPOR LINE SERVICE VALVES
Flow regulated nitrogen (at 1 to 2 psig) through the low-side refrigeration gauge set into the liquid line service port valve, and out of the vapor line service port valve.
- A – Connect gauge set low pressure side to liquid line service valve (service port).
- B – Connect gauge set center port to bottle of nitrogen with regulator.
- C – Remove core from valve in vapor line service port to allow nitrogen to escape.

NOTE
Use a manifold gauge set designed for use on R-410A refrigerant systems.
WARNING
Before brazing, ensure the system is fully recovered of all refrigerant. Application of a brazing torch to a pressurized system may result in ignition of the refrigerant and oil mixture. Check the high and low pressures before applying heat.
WARNING
- Brazing alloys and flux contain materials which are hazardous to your health.
- Avoid breathing vapors or fumes from brazing operations. Perform operations only in well-ventilated areas.
- Wear gloves and protective goggles or face shield to protect against burns.
- Wash hands with soap and water after handling brazing alloys and flux.
- WRAP SERVICE VALVES
To help protect service valve seals during brazing, wrap water-saturated cloths around service valve bodies and copper tube stubs. Use additional water-saturated cloths underneath the valve body to protect the base paint. - FLOW NITROGEN
Flow regulated nitrogen (at 1 to 2 psig) through the refrigeration gauge set into the valve stem port connection on the liquid service valve and out of the vapor valve stem port. See steps 3A, 3B and 3C on manifold gauge set connections. - BRAZE LINE SET
Wrap both service valves with water-saturated cloths as illustrated here and as mentioned in step 4, before brazing to line set. Cloths must remain water-saturated throughout the brazing and cool-down process.
- IMPORTANT — Allow braze joint to cool. Apply additional water-saturated cloths to help cool brazed joint. Do not remove water-saturated cloths until piping has cooled. Temperatures above 250ºF will damage valve seals.
- WARNING
FIRE, PERSONAL INJURY, OR PROPERTY DAMAGE may result if you do not wrap a water-saturated cloth around both liquid and suction line service valve bodies and copper tube stub while brazing the line set! The braze, when complete, must be quenched with water to absorb any residual heat.
Do not open service valves until refrigerant lines and indoor coil have been leak-tested and evacuated. Refer to Leak Test and Evacuation section of this manual. - WARNING While protecting the service valve seals with water-saturated cloths, ensure that water does NOT enter the system.
- PREPARATION FOR NEXT STEP
After all connections have been brazed, disconnect manifold gauge set from service ports. Apply additional water-saturated cloths to both services valves to cool piping. Once piping is cool, remove all water-saturated cloths.
Leak Test and Evacuation
- CONNECT GAUGE SET
- A – Connect the high pressure hose of an HFC-410A manifold gauge set to the vapor valve service port.
- NOTE – Normally, the high pressure hose is connected to the liquid line port. However, connecting it to the vapor port better protects the manifold gauge set from high pressure damage.
- B – With both manifold valves closed, connect the cylinder of HFC-410A refrigerant to the center port of the manifold gauge set.
NOTE – Later in the procedure, the HFC-410A container will be replaced by the nitrogen container.
TEST FOR LEAKS
- After the line set has been connected to the indoor and outdoor units, check the line set connections and indoor unit for leaks. Use the following procedure to test for leaks:
A – With both manifold valves closed, connect the cylinder of HFC-410A refrigerant to the center port of the
manifold gauge set. Open the valve on the HFC-410A cylinder (vapor only).
B – Open the high pressure side of the manifold to allow HFC-410A into the line set and indoor unit. Weigh in a trace amount of HFC-410A. [A trace amount is a maximum of two ounces (57 g) refrigerant or three pounds (31 kPa) pressure.] Close the valve on the HFC-410A cylinder and the valve on the high pressure side of the manifold gauge set. Disconnect the HFC-410A cylinder. - C – Connect a cylinder of nitrogen with a pressure regulating valve to the center port of the manifold gauge
set.
D – Adjust nitrogen pressure to 150 psig - (1034 kPa). Open the valve on the high side of the manifold gauge set
in order to pressurize the line set and the indoor unit.
E – After a few minutes, open one of the service valve ports and verify that the refrigerant added to the system earlier is measurable with a leak detector.
F – After leak testing, disconnect gauges from service ports. - NOTE – Service valve cores remain removed for the following evacuation procedure.
CONNECT GAUGE SET
NOTE – Remove cores from service valves (if not already done).
- A – Connect low side of manifold gauge set with 1/4 SAE in-line tee to vapor line service valve
- B – Connect high side of manifold gauge set to liquid line service valve
- C – Connect available micron gauge connector on the 1/4 SAE in-line tee.
- D – Connect the vacuum pump (with vacuum gauge) to the center port of the manifold gauge set. The center port line will be used later for both the HFC-410A and nitrogen containers.
EVACUATION
EVACUATE THE SYSTEM
- A – Open both manifold valves and start the vacuum pump.
- Evacuate the line set and indoor unit until a slight vacuum is indicated on the micron gauge (approximately 23,000 microns or
29.01 inches of mercury). - NOTE – During the early stages of evacuation, it is desirable to close the manifold gauge valve at least once. A rapid rise in pressure indicates a relatively large leak. If this occurs, repeat the leak testing procedure.
- NOTE – The term absolute pressure means the total actual pressure above absolute zero within a given volume or system. Absolute pressure in a vacuum is equal to atmospheric pressure minus vacuum pressure.
- C – When the absolute pressure reaches 23,000 microns (29.01 inches of mercury), perform the following:
- Close manifold gauge valves.
- Close valve on vacuum pump.
- Turn off vacuum pump.
- Disconnect manifold gauge center port hose from vacuum pump. Attach manifold center port hose to a nitrogen cylinder with pressure regulator set to 150 psig (1034 kPa) and purge the hose.
- Open manifold gauge valves to break the vacuum in the line set and indoor unit.
WARNING !
Possible equipment damage. Avoid deep vacuum operation. Do not use compressors to evacuate a system. Extremely low vacuum can cause internal arcing and compressor failure. Damage caused by deep vacuum operation will void the warranty.
Close manifold gauge valves.
- D – Shut off the nitrogen cylinder and remove the manifold gauge hose from the cylinder. Open the manifold gauge valves to release the nitrogen from the line set and indoor unit.
- E – Reconnect the manifold gauge to the vacuum pump, turn the pump on, and continue to evacuate the line set and indoor unit until the absolute pressure does not rise above 500 microns (29.9 inches of mercury) within a 20-minute period after shutting off the vacuum pump and closing the manifold gauge valves.
- F – When the absolute pressure requirement above has been met, disconnect the manifold hose from the vacuum pump and connect it to a cylinder of HFC-410A positioned to deliver liquid refrigerant. Open the manifold gauge valve 1 to 2 psig in order to release the vacuum in the line set and indoor unit.
- G – Perform the following:
- Close manifold gauge valves. 1/6 TURN
- Shut off HFC-410A cylinder.
- Reinstall service valve cores by removing manifold hose from service valve. Quickly install cores with core tool while maintaining a positive system pressure.
Replace stem caps and finger tighten them, then tighten an additional one-sixth (1/6) of a turn as illustrated. - H – Open suction service valve first before liquid valve to release the unit charge into the system. Replace valve caps and tighten (8 ft. lb.). Caps are the primary seal.

Electrical – Circuit Sizing and Wire Routing
In the U.S.A., wiring must conform with current local codes and the current National Electric Code (NEC). In Canada, wiring must conform with current local codes and the current Canadian Electrical Code (CEC).
Refer to the furnace or air handler installation instructions for additional wiring application diagrams and refer to unit nameplate for minimum circuit ampacity and maximum overcurrent protection size.
24VAC Transformer
Use the transformer provided with the furnace or air handler for low-voltage control power (24VAC – 40 VA minimum).
WARNING
Electric Shock Hazard. Can cause injury or death. Unit must be properly grounded in accordance with national and local codes.
Line voltage is present at all components when unit is not in operation on units with single-pole contactors. Disconnect all remote electric power supplies before opening access panel. Unit may have multiple power supplies.
WARNING
Fire Hazard. Use of aluminum wire with this product may result in a fire, causing property damage, severe injury or death. Use copper wire only with this product.
WARNING
Failure to use properly sized wiring and circuit breaker may result in property damage. Size wiring and circuit breaker(s) per Product Specifications and unit rating plate.
WARNING: ELECTROSTATIC DISCHARGE (ESD)
Precautions and Procedures
Electrostatic discharge can affect electronic components. Take care during unit installation and service to protect the unit’s electronic controls. Precautions will help to avoid control exposure to electrostatic discharge by putting the unit, the control and the technician at the same electrostatic potential. Touch hand and all tools on an unpainted unit surface before performing any service procedure to neutralize electrostatic charge.
SIZE CIRCUIT AND INSTALL SERVICE DISCONNECT SWITCH
Refer to the unit nameplate for minimum circuit ampacity, and maximum fuse or circuit breaker (HACR per NEC). Install power wiring and properly sized disconnect switch.
NOTE – Units are approved for use only with copper conductors. Ground unit at disconnect switch or connect to an earth ground.
INSTALL THERMOSTAT
Install room thermostat (ordered separately) on an inside wall approximately in the center of the conditioned area and 5 feet (1.5m) from the floor. It should not be installed on an outside wall or where it can be affected by sunlight or drafts.
NOTE – 24VAC, Class II circuit connections are made in the control panel.
The following illustration provides an example of control wiring connections when using a standard thermostat.
ROUTING HIGH VOLTAGE, GROUND, AND CONTROL WIRING
HIGH VOLTAGE / GROUND WIRES
Any excess high voltage field wiring should be trimmed and secured away from any low voltage field wiring. To facilitate a conduit, a cutout is located in the bottom of the control panel. Connect conduit to the control panel using a proper conduit fitting.
TYPICAL CONTROL WIRING
Install low voltage wiring from outdoor to indoor unit and from thermostat to indoor unit as illustrated.
- A – Run 24VAC control wires through hole with grommet.
- B – Make 24VAC thermostat wire connections to CMC1.
- NOTE – Do not bundle any excess 24VAC control wires inside control panel.
- NOTE – For proper voltages, select thermostat wire (control wires) gauge per table below.

- NOTE – Wire tie provides low voltage wire strain relief and maintains separation of field-installed low and high voltage circuits. Figure 5.
Start-Up Procedure
- Check to ensure:
- Service valve and gage port caps are installed and tightened.
- Voltage supply at unit agrees with nameplate rating.
- Field wiring connections are tight and factory wiring has not been disturbed and are tight.
- Indoor fan motor is on correct speed tap.
- Set thermostat selector switch to OFF and fan control switch to “Auto” is so equipped.
- Close electrical disconnects to energize system. Set room thermostat at desired temperature. Be sure set point is below indoor ambient temperature.
- Set the system switch of the thermostat on COOL (or HEAT if applicable) and fan switch for continuous operation (ON) or AUTO, as desired. There will be a 5 minute
- short cycle compressor delay on startup. Operate unit for 15-20 minutes, then check the system refrigerant charge.
- Adjust refrigerant charge per “Adjusting Charge” section.
Adjusting Charge
Factory charge is shown on the rating label located on the access panel.
All split system heat pumps are factory charged for 15 feet of connecting line set and matched indoor fan coil. Nameplate refrigerant charge should initially be adjusted for line set lengths other than 15 feet. For line sets shorter than 15 feet in length, remove charge. For line sets longer than 15 feet, add charge. Oil charge is sufficient for all line lengths.
| Refrigeration Charge Adjustment | |
| Liquid Line Diameter | Oz. Per Linear Foot |
| 3/8” | 0.6 |
| * Factory charge for series is for 15’ (ft.) line sets and matched fan coil. | |
Table 4.
Before final adjustment is made to the refrigerant charge, it is imperative that proper indoor airflow be established. Airflow will be higher across a dry coil versus a wet coil. Blower charts are calculated with a dry or wet coil basis. Recommended airflow is 350-450 CFM per ton (12,000 Btuh) through a wet coil. Refer to indoor unit instructions for methods of determining air flow and blower performance.
The optimum method for checking the charge is by weight. However the following methods may be used to confirm the proper charge:
Cooling Mode
- Operate unit a minimum of 10 minutes before checking charge.
- Measure liquid service valve pressure by attaching an accurate gage to service port. Determine saturation temp. from T/P chart.
- Measure liquid line temperature by attaching an accurate thermistor type or electronic thermometer to liquid line near outdoor coil.
- Calculate subcooling (saturation temp. measured temp.) and compare with table on back of central box cover.
- Add refrigerant if subcooling is lower than table. Recover refrigerant if subcooling is high.
- If ambient temp is lower than 60°F, check charge in heating mode or weigh refrigerant according to name plate data.
Heating Mode
Check charge in heating mode if ambient temp is below 60° F. Indoor temp must be between 65° and 75° F.
Follow steps (1) to (6) above and compare with heating mode subcooling range on the table on back of central box cover.
Charge must be rechecked again during the cooling season.
Cold Weather Application
A cold weather accessory kit may be required for heat pumps operating at ambient conditions below 25°F. Supplemental heat should be provided for these conditions.
Operation
Pressure Switch Connections
The unit’s automatic reset pressure switches (LO PS – S87 and HI PS – S4) are factory-wired into the control board on the LO-PS and HI-PS terminals, respectively.
Low Pressure Switch (LO-PS)
When the low pressure switch trips, the control board will cycle off the compressor, and the strike counter in the board will count one strike. The low pressure switch is ignored under the following conditions:
- during the defrost cycle and 90 seconds after the termination of defrost
- when the average ambient sensor temperature is below 15° F (-9°C)
- for 90 seconds following the start up of the compressor
- during “test” mode
- High Pressure Switch (HI-PS)
When the high pressure switch trips, the control board will cycle off the compressor, and the strike counter in the board will count one strike.
Pressure Switch Settings
- High Pressure (auto reset) – trip at 590 psig; reset at 418.
Low Pressure (auto reset) – trip at 25 psig; reset at 40.
Strike Lockout Feature
The internal control logic of the board counts the pressure switch trips only while the Y1 (Input) line is active. If a pressure switch opens and closes four times during a Y1 (Input), the control logic will reset the pressure switch trip counter to zero at the end of the Y1 (Input). If the pressure switch opens for a fifth time during the current Y1 (Input), the control will enter a lockout condition.
The 5-strike pressure switch lockout condition can be reset by cycling OFF the 24-volt power to the control board or by shorting the TEST pins between 1 and 2 seconds. All timer functions (run times) will also be reset.
If a pressure switch opens while the Y1 Out line is engaged, a 5-minute short cycle will occur after the switch closes.
Demand Defrost System
The demand defrost system measures differential temperatures to detect when the system is performing poorly because of ice build-up on the outdoor coil. The system “self-calibrates” when the defrost system starts and after each system defrost cycle. The demand defrost components on the control board are listed below.
NOTE: The demand defrost system accurately measures the performance of the system as frost accumulates on the outdoor coil. This typically will translate into longer running time between defrost cycles as more frost accumulates on the outdoor coil before the board initiates defrost cycles.
Defrost System Sensors
Sensors connect to the defrost board through a field– replaceable harness assembly that plugs into the board. Through the sensors, the board detects outdoor ambient and coil fault conditions. As the detected temperature changes, the resistance across the sensor changes. Sensor resistance values can be checked by ohming across pins.
NOTE: When checking the ohms across a sensor, be aware that a sensor showing a resistance value that is not within the range shown, may be performing as designed. However, if a shorted or open circuit is detected, then the sensor may be faulty and the sensor harness will needs to be replaced.
| Sensor | Temperature Range °F (°C) | Red LED (DS1) | Pins / Wire Color |
| Outdoor (ambient) | -35 (-37) to 120 (48) | 280,000 to 3750 | 3 & 4 (black) |
| Coil | -35 (-37) to 120 (48) | 280,000 to 3750 | 5 & 6 (brown) |
| NOTE: Sensor resistance decreases as sensed temperature increases. | |||
Table 5. Sensor Temp. / Resistance Range
Coil Sensor
The coil temperature sensor considers outdoor temperatures below -35°F (-37°C) or above 120°F (48°C) as a fault. If the coil temperature sensor is detected as
being open, shorted or out of the temperature range of the sensor, the board will not perform demand or time/temperature defrost operation and will display the appropriate fault code. Heating and cooling operation will be allowed in this fault condition.
NOTE: The coil temperature probe is designed with a spring clip to allow mounting to the outside coil tubing. Coil sensor location is important for proper defrost operation.
Ambient Sensor
The ambient sensor considers outdoor temperatures below -35°F (-37°C) or above 120°F (48°C) as a fault. If the ambient sensor is detected as being open, shorted or out of the temperature range of the sensor, the board will not perform demand defrost operation. The board will revert to time/temperature defrost operation and will display the appropriate fault code. Heating and cooling operation will be allowed in this fault condition.
NOTE: Within a single room thermostat demand, if 5-strikes occur, the board will lockout the unit. Control board 24 volt power “R” must be cycled “OFF” or the “TEST” pins on board must be shorted between 1 to 2 seconds to reset the board.
Defrost Temperature Termination Shunt (Jumper) Pins
The defrost board selections are: 50, 70, 90, and 100°F (10, 21, 32 and 38°C). The shunt termination pin is factory set at 50°F (10°C). If the temperature shunt is not installed, the default termination temperature is 90°F (32°C).
Delay Mode
The defrost system has a field-selectable function to reduce occasional sounds that may occur while the unit is cycling in and out of the defrost mode. When a jumper is installed on the DELAY pins, the compressor will be cycled off for 30 seconds going in and out of the defrost mode. Units are shipped with jumper installed on DELAY pins.
NOTE: The 30 second compressor delay feature (known as the quiet shift) must be deactivated during any unit performance testing. The feature is deactivated by removing the jumper located on the compressor delay pins on the control board mounted inside the unit control box. This feature is optional for the homeowner, but may impact testing performance.
Defrost Operation
The defrost control system has three basic operational modes: normal, calibration, and defrost.
- Normal Mode—The demand defrost system monitors the O line, to determine the system operating mode (heat/cool), outdoor ambient temperature, coil temperature (outdoor coil) and compressor run time to determine when a defrost cycle is required.
- Calibration Mode—The board is considered uncalibrated when power is applied to the board, after cool mode operation, or if the coil temperature exceeds the termination temperature when it is in heat mode. Calibration of the board occurs after a defrost cycle to ensure that there is no ice on the coil. During calibration, the temperature of both the coil and the ambient sensor are measured to establish the temperature differential which is required to allow a defrost cycle.
- Defrost Mode—The following paragraphs provide a detailed description of the defrost system operation.
- Defrost Cycles
The control board initiates a defrost cycle based on either frost detection or time. - Frost Detection—If the compressor runs longer than 30 minutes and the actual difference between the clear coil and frosted coil temperatures exceeds the maximum difference allowed by the control, a defrost cycle will be initiated.
- IMPORTANT – The control board will allow a greater accumulation of frost and will initiate fewer defrost cycles than a time/ temperature defrost system.
- Time—If 6 hours of heating mode compressor run time has elapsed since the last defrost cycle while the coil temperature remains below 35°F (2°C), the control board will initiate a defrost cycle.
Actuation
- When the reversing valve is de-energized, the Y1 circuit is energized, and the coil temperature is below 35°F (2°C), the board logs the compressor run time. If the board is not calibrated, a defrost cycle will be initiated after 30 minutes of heating mode compressor run time. The control will attempt to self-calibrate after this (and all other) defrost cycle(s).
- Calibration success depends on stable system temperatures during the 20-minute calibration period. If the board fails to calibrate, another defrost cycle will be initiated after 45 minutes of heating mode compressor run time. Once the control board is calibrated, it initiates a demand defrost cycle when the difference between the clear coil and frosted coil temperatures exceeds the maximum difference allowed by the control OR after 6 hours of heating mode compressor run time has been logged since the last defrost cycle.
- NOTE: If ambient or coil fault is detected, the board will not execute the “TEST” mode.
- Termination
- The defrost cycle ends when the coil temperature exceeds the termination temperature or after 14 minutes of defrost operation. If the defrost is terminated by the 14-minute timer, another defrost cycle will be initiated after 30 minutes of run time.
Control Board Diagnostics and Test Mode
Control Board Diagnostics
See control board diagnostic LED table (Table 6) to determine control board operational conditions and to diagnose cause and solution to problems.
Test Mode
When Y1 is energized and 24V power is being applied to the board, a test cycle can be initiated by placing the termination temperature jumper across the “Test” pins for 2 to 5 seconds. If the jumper remains across the “Test” pins longer than 5 seconds, the control will ignore the test pins and revert to normal operation. The jumper will initiate one cycle per test.
Enter the “TEST” mode by placing a shunt (jumper) across the “TEST” pins on the board after power-up. (The “TEST” pins are ignored and the test function is locked out if the shunt is applied on the “TEST” pins before power-up). Board timings are reduced, the low pressure switch is ignored and the board will clear any active lockout condition.
Each test pin shorting will result in one test event. For each “TEST” the shunt (jumper) must be removed for at least 1 second and reapplied. Refer to flow chart for “TEST” operation.
NOTE: The Y1 input must be active (ON) and the “O” room thermostat terminal into board must be inactive.
| DS1 and DS2 System Status, Fault and Lockout Codes | |||||
| DS2 Green | DS1 Red | Type | Condition / Code | Possible Cause(s) | Solution |
| OFF | OFF | Status | Power Problem | No power (24V) to control board terminals R and C or control board failure. | 1. Check control transformer power (24V). 2. If power is available to control board and LED(s) do not light, replace control board. |
| Simultaneous SLOW Flash | Status | Normal operation | Unit operating normally or in standby mode. | None required. | |
| Alternating SLOW Flash | Status | 5-minute anti-short cycle delay | Initial power up, safety trip, end of room thermostat demand. | None required (jumper TEST pins to override) | |
| Simultaneous FAST Flash | Fault | Ambient Sensor Problem | Sensor being detected open or shorted or out of temperature range. Control board will revert to time/temperature defrost operation. (System will still heat or cool). | ||
| Alternating FAST Flash | Fault | Coil Sensor Problem | Sensor being detected open or shorted or out of temperature range. Control board will not perform demand or time/temperature defrost operation. (System will still heat or cool.) | ||
| ON | ON | Fault | Demand Defrost Control Failure | Indicates that demand defrost control has internal component failure. Cycle 24VAC power to control board. If code does not clear, replace control board. | |
| OFF | SLOW Flash | Fault | Low Pressure Fault | • Restricted air flow over indoor or outdoor coil. • Improper refrigerant charge in system. • Improper metering device installed or incorrect operation of metering device. • Incorrect or improper sensor location or connection to system. | • Remove any blockages or restrictions from coils and/or fans. Check indoor and outdoor fan motor for proper current draws. • Check system charge using subcooling method. • Check system operating pressures and compare to unit subcooling tables located on unit access panel. • Make sure all pressure switches and sensors have secure connections to system to prevent refrigerant leaks or errors in pressure and temperature measurements. |
| OFF | ON | Lockout | Low Pressure Lockout | ||
| SLOW Flash | OFF | Fault | High Pressure Fault | ||
| ON | OFF | Lockout | High Pressure Lockout | ||
| (Each fault adds 1 strike to that code’s counter; 5 strikes per code = LOCKOUT) | |||||
Table 6. Control Board Diagnostic LEDs
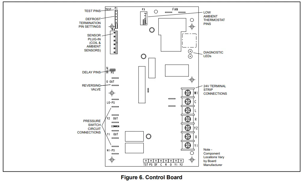
| Control Locations | Control Label or Description | Purpose | Function |
| P1 | 50, 70, 90, 100 | Defrost Temperature Termination Shunt (Jumper) Pins | The control board has selections which are: 50, 70, 90, and 100°F (10, 21, 32 and 38°C). The shunt termination pin is factory-set at 50°F (10°C). If the temperature shunt is not installed, the default termination temperature is 90°F (32°C). |
|
P2 | W | 24VAC Thermostat Input / Output | 24VAC input / output from indoor thermostat to indoor unit. |
| C | 24VAC Common | 24VAC common. | |
| L | Thermostat Service Light | Thermostat service light connection. | |
| R | 24VAC | 24VAC. | |
| Y2 | Thermostat Input | Controls the second stage operation of the unit. Not applicable in single stage unit. | |
| O | Thermostat Input | Reversing valve solenoid. | |
| Y1 | Thermostat Input | Controls the operation of the unit. | |
| P3 | 165, 140, 100, 60 | Nominal Defrost Time Selection | Provides selection of the nominal defrost time. Valid options are 140, 100, 60, and 165 minutes. |
|
P4 | DIS-YEL | Coil Sensor | (P4-5) Ground connection for outdoor coil temperature sensor. (P4-6) Connection for outdoor coil temperature sensor. |
| AMB-BLACK | Ambient Sensor | (P4-3) Ground connection for outdoor ambient temperature sensor. (P4-4) Connection for outdoor ambient temperature sensor. | |
|
P5 |
DELAY |
Delay Mode | The control board has a field-selectable function to reduce occasional sounds that may occur while the unit is cycling in and out of the defrost mode. When a jumper is installed on the DELAY pins, the compressor will be cycled off for 30 seconds going in and out of the defrost mode. Units are shipped with jumper installed on DELAY pins. NOTE – The 30-second off cycle is NOT functional when TEST pins on P1 are jumpered. |
| P6 | TST, PS DF, C, R, O, Y1, Y2 | Factory Test Connectors | No field use. |
| DS1 | RED LED | Diagnostic LED | Control board LEDs may be OFF, ON, or FLASHING to indicate diagnostic conditions which are described in Table 6. |
| DS2 | GREEN LED | ||
| FAN | TWO CONNECTORS | Condenser Fan Operation | These two connections provide power for the condenser fan. |
| O OUT | O OUT | 24 VAC output | 24 VAC output connection for reversing valve. |
|
LO-PS |
LO-PS |
Low-Pressure Switch | When the low pressure switch trips, the control board will cycle off the compressor, and the strike counter in the control board will count one strike. The low pressure switch is ignored under the following conditions: • during the defrost cycle and 90 seconds after the termination of defrost • when the average ambient sensor temperature is below 0°F (-18°C) • during 90 seconds following the start of the compressor during TEST mode. |
| Y2 OUT | Y2 OUT | 24 VAC Output | 24 VAC output for second-stage compressor solenoid. |
| Y1 OUT | Y1 OUT | 24 VAC Common Output | 24 VAC common output, switched for enabling compressor contactor. |
| HS-PS | HS-PS | High-Pressure Switch | When the high pressure switch trips, the control board will cycle off the compressor, and the strike counter in the control board will count one strike. |
| L | L | Service Light Output | 24VAC service light output. |
| Table 7. Control Board Inputs, Outputs and Configurable Settings | |||
Maintenance
Regular Maintenance Requirements
Your system should be regularly inspected by a qualified service technician. These regular visits may include (among other things) checks for:
- Motor operation
- Ductwork air leaks
- Coil & drain pan cleanliness (indoor & outdoor)
- Electrical component operation & wiring check
- Proper refrigerant level & refrigerant leaks
- Proper airflow
- Drainage of condensate
- Air filter(s) performance
- Blower wheel alignment, balance & cleaning
- Primary & secondary drain line cleanliness
- Proper defrost operation (heat pumps)
Air Filter
Inspect air filters at least monthly and replace or clean as required. Disposable filters should be replaced. Washable filters may be cleaned by soaking in mild detergent and rinsing with cold water. Allow filter to dry before reinstalling. Replace filters with the arrows pointing in the direction of airflow. Dirty filters are the most common cause of poor heating / cooling performance and compressor failures.
Indoor Coil
If the system has been operated with a clean filter in place, it should require minimal cleaning. If cleaning is needed, call your dealer for service.
Condensate Drain
During cooling season check at least monthly for free flow of drainage and clean if necessary.
Condenser Coils
Grass cuttings, leaves, dirt, dust, lint from clothes dryers, and foliage from trees can be drawn into coils by movement of the air. Clogged condenser coils will lower the efficiency of your unit and could cause damage to the condenser. Periodically, debris should be brushed from the condenser coils. Use a soft bristle brush with light pressure only. DO NOT damage or bend condenser coil fins. Damaged or bent fins may affect unit operation.
WARNING
SHARP OBJECT HAZARD!
Condenser coils have sharp edges. Wear adequate body protection on body extremities (e.g. gloves).
FAILURE TO FOLLOW THIS WARNING COULD RESULT IN BODILY INJURY.
NOTICE
This unit is equipped with an aluminum coil. Aluminum coils may be damaged by exposure to solutions with a pH below 5 or above 9. The aluminum coil should be cleaned using potable water at a moderate pressure (less than 50psi). If the coil cannot be cleaned using water alone, it is recommended to use a coil cleaner with a pH in the range of 5 to 9. The coil must be rinsed thoroughly after cleaning. In coastal areas, the coil should be cleaned with potable water several times per year to avoid corrosive buildup (salt).
Painted Surfaces
For maximum protection of the unit’s finish, a good grade of automobile wax should be applied every year. In geographical areas where water has a high concentration of minerals (calcium, iron, sulfur, etc.), it is recommended that lawn sprinklers not be allowed to spray the unit. In such applications, the sprinklers should be directed away from the unit. Failure to follow this precaution may result in premature deterioration of the unit finish and metal components. In sea coast areas, special maintenance is required due to the corrosive atmosphere provided by the high salt concentration in ocean mists and the air. Periodic washing of all exposed surfaces and coil will add additional life to your unit. Please consult your installing dealer for proper procedures in your geographic area.
Homeowner Information
WARNING ELECTRICAL SHOCK HAZARD!
Turn OFF electric power to unit before performing any maintenance or removing panels or doors.
FAILURE TO DO SO COULD RESULT IN BODILY INJURY OR DEATH.
Heat Pump Operation
Your new heat pump has several characteristics that you should be aware of:
- Heat pumps satisfy heating demand by delivering large amounts of warm air into the living space. This is quite different from gas-or oil-fired furnaces or an electric furnace which deliver lower volumes of considerably hotter air to heat the space.
- Do not be alarmed if you notice frost on the outdoor coil in the winter months. Frost develops on the outdoor coil during the heating cycle when temperatures are below 45°F. An electronic control activates a defrost cycle lasting 5 to 15 minutes at preset intervals to clear the outdoor coil of the frost.
- During the defrost cycle, you may notice steam rising from the outdoor unit. This is a normal occurrence. The thermostat may engage auxiliary heat during the defrost cycle to satisfy a heating demand; however, the unit will run to normal operation at the conclusion of the defrost cycle.
In case of extended power outage…
- If the outdoor temperature is below 50°F and power to your outdoor unit has been interrupted for one hour or longer, observe the following when restoring power to your heat pump system.
- Set the room thermostat selector to the “Emergency Heat” setting to obtain temporary heat for a minimum of 6 hours. This will allow system refrigerant pressures and temperatures enough time to return to a stabilized condition.
- In Emergency Heat mode, all heating demand is satisfied by auxiliary heat; heat pump operation is locked out. After a 6 hour “warm-up” period, the thermostat can then be switched to the “Heat” setting and normal heat pump operation may resume.
- Thermostat Operation
- The wall-mounted thermostat controls your heat pump. The thermostat is available in various configurations from different manufacturers. The information below is typical for most thermostats. Ask your dealer for specific information regarding the model of thermostat installed.
- Thermostat Operation
- The wall-mounted thermostat controls your heat pump. The thermostat is available in various configurations from different manufacturers. The information below is typical for most thermostats. Ask your dealer for specific information regarding the model of thermostat installed.
Fan Switch - In AUTO or INT (intermittent) mode, the blower operates only when the thermostat calls for heating or cooling. This mode is generally preferred when humidity control is a priority.
- The ON or CONT mode provides continuous indoor blower operation, regardless of whether the compressor or auxiliary heat are operating. This mode is required when constant air circulation or filtering is desired.
On models without a fan selection switch, the fan will cycle with the outdoor unit. - In AUTO or INT (intermittent) mode, the blower operates only when the thermostat calls for heating or cooling. This mode is generally preferred when humidity control is a priority.
- The ON or CONT mode provides continuous indoor blower operation, regardless of whether the compressor or auxiliary heat are operating. This mode is required when constant air circulation or filtering is desired.
- On models without a fan selection switch, the fan will cycle with the outdoor unit.
- System Switch
- Set the system switch for heating, cooling or auto operation. The auto mode allows the heat pump to automatically switch from heating mode to cooling mode to maintain predetermined comfort settings. Many heat pump thermostats are also equipped with an emergency heat mode which locks out heat pump operation and provides temporary heat supplied by the auxiliary heat.
Indicating Light - Most heat pump thermostats have an amber light which indicates when the heat pump is operating in the emergency heat mode.
- Temperature Indicator
- The temperature indicator displays the actual room temperature.
- Important System Information
- Your system should never be operated without a clean air filter properly installed.
- Return air and supply air registers should be free from restrictions or obstructions to allow full flow of air.
IF YOUR SYSTEM DOES NOT WORK, BEFORE REQUESTING A SERVICE CALL:
- Ensure thermostat is set below (cooling) or above (heating) room temperature and that the system lever is in the “COOL”, “HEAT” or “AUTO” position.
- Inspect your return air filter: If it is dirty, your heat pump may not function properly.
- Check indoor and outdoor disconnect switches. Confirm circuit breakers are ON or that fuses have not blown. Reset breakers/replace fuses as necessary.
- Inspect the outdoor unit for clogged condenser coils,(grass cuttings, leaves, dirt, dust or lint). Ensure that branches, twigs or other debris are not obstructing the condenser fan.
IF YOUR SYSTEM STILL DOES NOT OPERATE, CONTACT YOUR SERVICING DEALER.
Be sure to describe the problem, and have the model and serial numbers of the equipment available.
If warranty replacement parts are required, the warranty must be processed through a qualified distribution location.

- Manufactured By
- Allied Air Enterprises LLC
- A Lennox International, Inc. Company 215 Metropolitan Drive
- West Columbia, SC 29170



























