ZKTeco G5 Multi Biometric Access Control Terminal User Guide
Safety Precautions
Before installation, please read the following precautions carefully to prevent the risks of danger to the users of this product or those nearby and damaging the device.
Do not expose to direct sunlight, water, dust and soot.
Do not place any magnetic objects near the product. Magnetic objects such as magnets, CRT, TV, monitors or speakers may damage the device.
Do not place the device next to heating equipment.
Prevent water, drinks or chemicals leaking into the device.
This product is not intended for use by children unless they are supervised.
Do not drop or damage the device.
Do not disassemble, repair or modify the device.
Do not use the device for any purpose other than those specified.
Remove dusts or dirts regularly. While cleaning, wipe dust off with a smooth cloth or towel instead of water.
Contact your supplier in case of any problem!
Device Overview


Terminal Block

Product Installation
The recommended distance

For users whose height is between 55.118″ to 70.866″ (1.4m to 1.8m), the recommended height of the equipment is 61.024″ (1.55m), and the distance from the personnel to the equipment is 19.685″ (0.5m). Users not in the range can adjust the position by moving back and forth according to the actual situation.
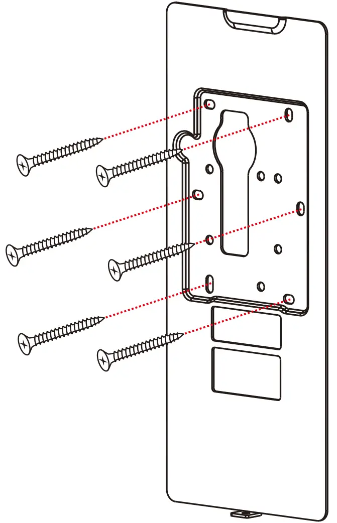
Installation on the wall
- First passing the wires through the wiring hole in the back plate.

- Drill holes at suitable locations on the wall, then fix the back plate to the wall with mounting screws, the recommended distance from the camera to the ground is 61.024 inches (1.55m).

- Then attach the device to the back plate from top to bottom.

- Fasten the device to the back plate with a security screw.

Power & Ethernet Connection
Power Connection

Recommended power supply
- Recommended AC adapter: 12V, 3A
- To share the power with other devices, use an AC adapter with higher current ratings.
Ethernet Connection

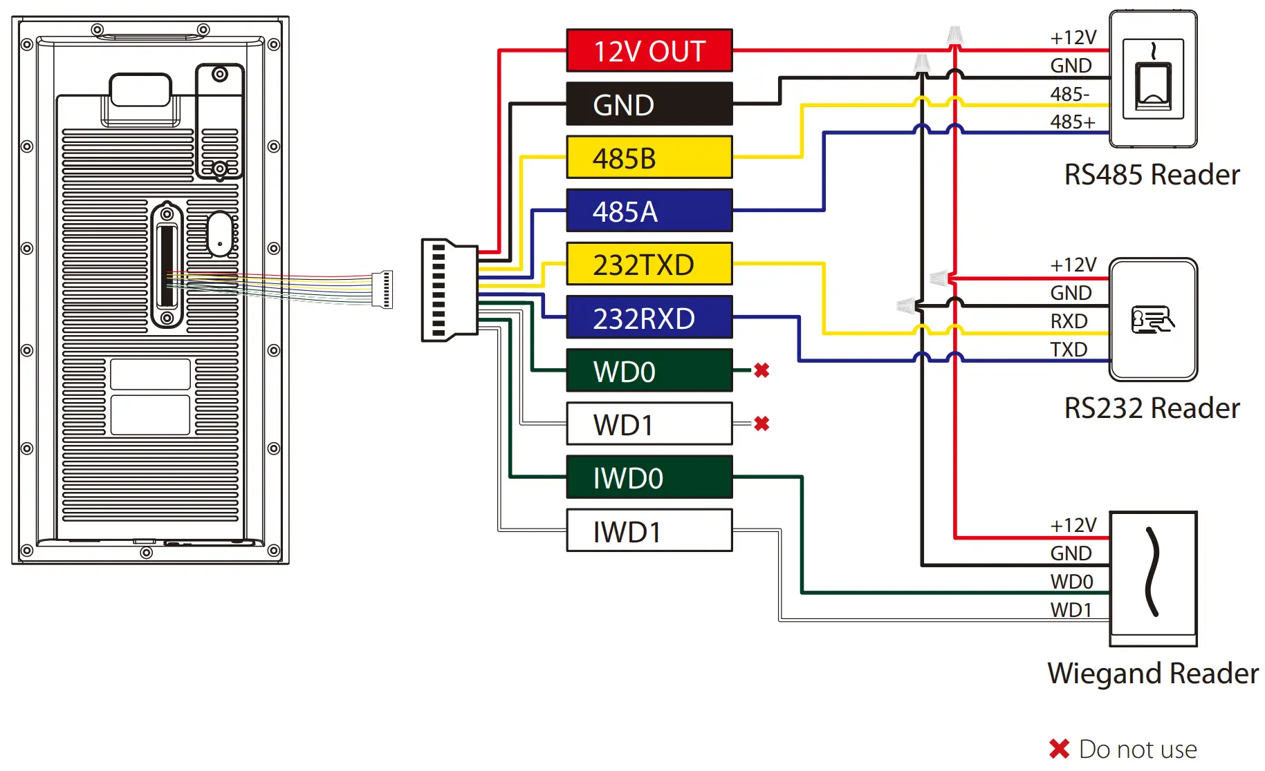
Access Control & Reader Connection
Access Control Connection

Reader Connection

Lock Relay Connection
The system supports both Normally Opened Lock and Normally Closed Lock. The NO Lock (Normally Opened when powered) is connected with ‘NO’ and ‘COM’ terminals, and the NC Lock (Normally Closed when powered) is connected with ‘NC’ and ‘COM’ terminals. The power can be shared with the lock or can be used separately for the lock, as shown in the example with NC Lock below:
Device not sharing power with the lock is shown below:

Device sharing power with the lock is shown below:

Connecting Other Devices
Bell Connection


Standalone Installation

Enroll New User

When there is no Super Administrator set in the device, click
to enter the menu. Add a new user and set the User Role to Super Admin, then the system will request for Administrator’s verification before entering the menu. It is recommended to register a Super Administrator initially for security purposes.
Click
> User Management >
> New User to register a new user. The procedure includes entering the User ID and Name, choosing User Role, registering Fingerprint, enroll Card Number, setting Password and setting Access Control Role.
Access Settings

Click
> Access Control > Access Control Options to enter the setting interface.

Click
> System Settings > Network settings to set the network parameters. If the TCP/IP communication of the device is successful, the icon
will be displayed in the top right corner of the standby interface.
Attendance Search

View records in the device:
Click
> Attendance Search > Access Logs (records of all users will be displayed) > select Time Range > press OK, the corresponding attendance logs will be displayed.
View records on computer:
Click
> USB Management > Download to USB. Insert the USB disk correctly and download the data to the USB drive, then copy this data from the USB drive to your PC. The downloaded data filename will be ”Device Serial Number.dat”, you can open and view it.
Date and Time Settings
Click
> System Settings > Date and Time, to enter Date and Time setting interface.
Troubleshooting
- Fingerprint can’t be detected or it takes too long.
- Check whether the finger or fingerprint sensor is stained with sweat, water, or dust.
- Retry after wiping the finger and fingerprint sensor with dry paper tissue or a mildly wet cloth.
- If the fingerprint is too dry, blow onto the fingertip and retry.
- Failed to gain access after successful verification.
- Check with administrator whether the enrolled fingerprint has been deleted from the device or not.
- Door doesn’t open after successful verification.
- Check if the lock open duration parameter is set appropriately.
Specifications
| Model | G5 |
| CPU | 64bit Eight Core Customized Computer Vision CPU |
| Operation System | Android 9.0 |
| Storage | 2GB LPDDR3 16GB eMMC |
| SDK | Android LCDP, PUSH SDK |
| WLAN | 2.4GHz/5.0GHz Dual Frequency; IEEE 802.11 a/b/g/n/ac |
| Display | 8 inch TFT LCDColor Screen |
| Screen Type | Capacitive Touch Screen |
| Resolution | 800*1280 |
| Camera | 2MP Binocular Camera |
| Card Type | 125kHz ID card & 13.56MHz IC card Multi-tech Card Module (optional) ISO14443A/B & ISO15693 & HID Prox |
| QR Code (optional) | Dynamic QR codes on the ZKBioSecurity mobile application QR code, PDF417, Data Matrix, MicroPDF417, Aztec scanning in third-party development projects |
| User Capacity | 100,000 |
| Face Templates Capacity | 100,000 |
| Fingerprint Capacity (optional) | 30,000 |
| Card Capacity | 100,000 |
| Record Capacity | 5,000,000 |
| Firmware Functions | Push, Schedule Bell, Automatic Status Switch, Record Query, Access Levels, Groups, Holidays, DST, Duress Mode (Password & Fingerprint), Anti-Passback, Customization of Wallpaper & Screen Saver, Tamper Alarm |
| Language | English, Korean, Latin American, Indonesian, Vietnamese, Traditional Chinese, Portuguese, Spanish, Farsi, Japanese, Russian and Thai |
| Software | BioTime 8.0 , ZKBioSecurity,ZKBioCV Security |

ZKTeco Industrial Park, No. 32, Industrial Road,
Tangxia Town, Dongguan, China.
Phone : +86 769 – 82109991
Fax : +86 755 – 89602394
www.zkteco.com
Copyright©2023ZKTECOCO., LTD.All Rights Reserved.
Do not expose to direct sunlight, water, dust and soot.
Do not place any magnetic objects near the product. Magnetic objects such as magnets, CRT, TV, monitors or speakers may damage the device.
Do not place the device next to heating equipment.
Prevent water, drinks or chemicals leaking into the device.
Do not drop or damage the device.
Do not disassemble, repair or modify the device.
Do not use the device for any purpose other than those specified.
Remove dusts or dirts regularly. While cleaning, wipe dust off with a smooth cloth or towel instead of water.












![Zkteco G4[qr] Android Multi-biometric Facial Recognition Terminal User Guide Zkteco G4[qr] Android Multi-biometric Facial Recognition Terminal User Guide](https://static-data1.manualsee.com/1/img/172/2574452/2022/04/ZKTECO-G4QR-Android-Multi-Biometric-Facial-Recognition-Terminal-Featured-Image.png)








