F6 Fingerprint Access Controller
User Manual
F6 Fingerprint Access Controller
| Function description | Choose from the relevant functions below and input |
| Enter the programming mode | *- 888888 – #, then you can do the programming (888888 is the default factory master code) |
| change the master code | 0 – new code – # – repeat the new code – # (code: 6-8 digit) |
| Add fingerprint user | 1— Fingerprint — repeat Fingerprint – # (can add Fingerprints continuously) |
| Add card user | 1— Card – # (can add Cards continuously) |
| Delete user | 2 — Fingerprint – # 2 — Card 4 (can delete Users continuously) |
| Exit from the programming mode | |
| How do release the door | |
| Fingerprint User | Put the Finger on the fingerprint sensor for 1 second |
| Card User | Read card |
Introduction
F6-EM supports fingerprint and EM RFID card. The performance has greatly improved.
The product uses the precise electron circuit and good productive technology, which is the metal structure fingerprint & card access machine. It is widely used in business affairs organization, office, factory, housing district etc.
The product use remote control or manager fingerprint for programming, support fingerprint and EM 125Khz card, easy to install and program.
Feature
- Metal case, anti-vandal
- Fingerprint access controller and reader, WG26 Input / output
- Capacity: 200 fingerprints and 500 cards
- Two accesses: card, fingerprint
Installation
- Remove the back cover from the device using the supplied security screw driver
- Drill 4 holes on the wall for screws and 1 hole for cable.
- Fix the back cover firmly on the wall with 4 flat head screws.
- Thread the cable through the cable hole
- Attach the device to the back cover


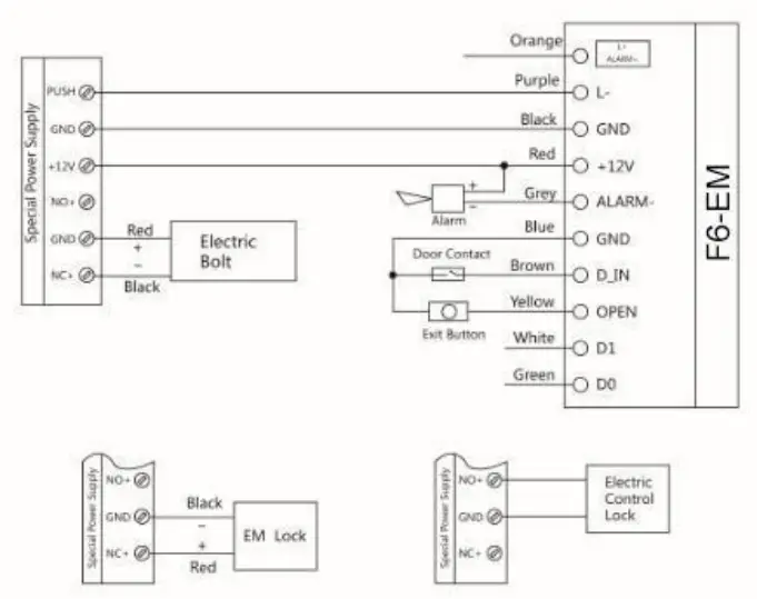
Wiring
| No. | Color | Function | Description |
| 1 | Green | DO | Wiegand output DO |
| 2 | White | D1 | Wiegand output D1 |
| 3 | Grey | Alarm- | Alarm Negative |
| 4 | Yellow | Open | Request to Exit Button |
| 5 | Brown | D IN | Door Contact |
| 6 | Red | +12V | (+) 12VDC Positive Regulated Power Input |
| 7 | Black | GND | (-) Negative Regulated Power Input |
| 8 | Blue | GND | Request to Exit Button& Door Contact |
| 9 | Purple | L- | Lock Negative |
| 10 | Orange | L+/Alarm+ | Lock Positive/Alarm Positive |
Connection Diagram
5.1 Common Power Supply

5.2 Special Power Supply

Manager Operation
There are 3 ways to add and delete users:
- by manager card
- by remote control
- by manager fingerprint
6.1 By Manager Card (the most convenient way)
6. 1.1 Add Fingerprint user
Manager add card
Enter 1st User Fingerprint Twice
2nd User Fingerprint Twice
Manager add card
Note: When add fingerprint, please input each fingerprint twice, during which the LED shines red then turn green, means the Fingerprint is enrolled successfully. When delete fingerprint, just input it once
6.1.2 Add Card user
Manager add card
1st User card
2nd User card
Manager add card
Remark:Fingerprint user ID is 3~1000, Card user ID is 1001~3000,when add fingerprint or Card by Manager card, it is produced automatically from 3~1000 or 1001~3000. (ID 1, 2 are belong to Manager Fingerprint)
6.1.3 Delete users
Manager delete card
User card
OR
Fingerprint once
Manager delete card
To delete more than 1 card or fingerprint, just input card or fingerprint continuously.
Note: When delete fingerprint, please input it once.
6.2 By Remote Control
6.2.1 Enter into Programming Mode:
* Master Code
# . Default Master Code: 888888
Remarks: All the steps below must be done after enter into programming mode.
6.2.2 Add Users:
A. ID number -Auto generation
To add fingerprint users:
1 input one fingerprint twice #
To add more than one fingerprints, just input finger continuously
To add card users:
1 Card # Or the Card Number (8 digit) #
To add more than one card, just input cards or card number continuously
Note: when add card users, it can just enroll the card number and don’t have to enroll the card itself. The card number is the 8 digit printing on the card.
In the same way, when delete card users, it can just enroll the card number to delete it and don’t have to get the card if it is lost.
B. ID number -Appointment
To add fingerprint users:
1 ID number # User Fingerprint #
Fingerprint User ID number can be any digit between 3-1000, but one ID number to one user
To add fingerprint users continuously:
1 st User Fingerprint # 2nd User Fingerprint … N # Nth User Fingerprint
To add card users:
1 ID number # Card #
Or 1 ID number # the Card Number (8 digit) #
Card User ID number can be any digit between 1001-3000, but one ID to one Card
To add card continuously:
6.2.3 Delete users:
Delete fingerprint users:
2 fingerprint once #
Delete card users:
2 Card # Or 2 Card Number #
To delete users continuously: just input fingerprint or card continuously
6.2.4 If Delete users by ID:
2 User ID #
Remarks: When delete users, the Master can just delete its ID number and don’t have to input fingerprint or card. It is the good option to delete if the users were left or cards
lost.
6.2.5 Save and exit from the programming mode: *
6.3 By Manager Fingerprint
6.3.1 Enter into programming mode:
* Master Code # .
6.3.2 Add Manager fingerprint:
1 1 input fingerprint twice 2 # input another fingerprint twice *
ID number 1: Manager add fingerprint
ID number 2: Manager delete fingerprint
The first Fingerprint: Manager add Fingerprint, it is to add the users
The second Fingerprint: Manager delete Fingerprint, it is to delete users
6.3.3 Add user:
Fingerprint:
Manager add Fingerprint Input User Fingerprint twice Repeat Manager add Fingerprint
Card:
Manager add Fingerprint Card Repeat Manager add Fingerprint
6.3.4 Add users continuously
Fingerprint:
6.3.5 Delete Fingerprint users 
6.3.6 Delete Card users 
6.4 Delete all the users
* Master Code # 20000 * #
Note: This will delete all fingerprints, cards, including Manager Fingerprint except Manager Card, before this operation it is suggested to make sure the data is un-useful.
6.5 Setting Facility Code
3 0~255 #
This operation might be required when F6-EM is acting as Wiegand reader and connecting to multi door controller
6.6 Setting Lock style and door relay time
Fail secure (unlock when power on)
* Master Code # 4 0~99 #
Fail safe (unlock when power off)
* Master Code # 5 0~99 #
Remarks:
- In programming mode, press 4 is to choose Fail Secure lock,0~99 is to set door relay time 0-99 seconds; press 5 is to choose Fail Safe lock, 0~99 is to set door relay time 0-99 seconds.
- Factory default setting is Fail safe lock, relay time 5 seconds.
6.7 Setting door open detection
* Master Code #
6 0 # to disable this function (factory default setting)
6 1 # to enable this function
When enable this function:
a) If open the door normally, but not closed after 1 minute, the inside Buzzer will alarm automatically, the alarm will be off itself after 1 minute
b) If the door was opened force, or the door was not opened in 120 seconds after lock was released, the inside Buzzer and outside Siren will both alarm.
6.8 Setting Security Status
* Master Code #
Normal status:
7 0 # (Factory default setting)
Lock on status: 7 1 #
If there is 10 times invalid card or wrong Password in 10 minutes, the device will lock on for 10 minutes.
Alarm status: 7 2 #
If there is 10 times invalid card or wrong Password in 10 minutes, the device will alarm.
6.9 Setting Two devices interlocked
# Master Code *
8 0 # to disable this function (factory default setting)
8 1 # to enable this function
6.10 Setting Alarm signal output time
* Master Code # 9 0~3 #
Alarm time is 0-3 minutes, factory default setting 1 minute.
User Operation
7.1 User to release the door
Card user: Read card
Fingerprint user: Input Fingerprint
7.2 Remove Alarm
When the device is in alarm(from built-in buzzer OR from alarm equipment outside), to remove it:
Read valid user’s card or fingerprint
Or Manager Fingerprint or Card
Or Master Code #
Advanced Application
8.1 F6-EM works as slave reader, connecting to Controller
F6-EM supports Wiegand output, it can be connected to the controller which support Wiegand 26 input as its slave reader, the connection diagram is as figure 1

If the controller is PC connection, the users ID can be shown in the software.
a) Card user, its ID is the same as the card number;
b) Fingerprint user, its ID is the combination of device ID and fingerprint ID
The device ID is set as below: * Master Code # 3 device ID #
Note: Device ID can be any digit of 0-255
For example: device ID was set 255, fingerprint ID is 3, then its ID to the controller is 255 00003.
8.2. F6-EM works as Controller, connecting slave reader
F6-EM supports Wiegand input, any card reader which supports Wiegand 26 interface can connect to it as its slave reader, no matter it is EM card reader or MIFARE card reader. The connection is showed as Finger 2. When add cards, it is required to do it at the slave reader, but not controller( except EM card reader, which can be added on both reader and controller)

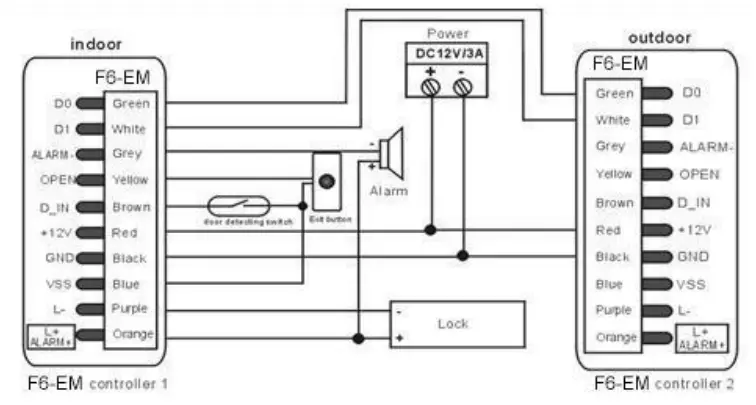
8.3. Two device interconnected – Single Door
Wiegand output, Wiegand input: The connection is showed as Figure 3. One F1-EM installed inside the door, the other outside the door. Either device acts as the controller and reader at the same time. It has below feature:
8.3.1 Users can be enrolled on either of the device. The information of the two devices can be communicated. In this situation the user capacity for one door can be up to 6000. Each user can use fingerprint or password for access.
8.3.2 The setting of the two F6-EM must be the same. If the master code was set different, the user enrolled in the outdoor unit can’t access from outside.

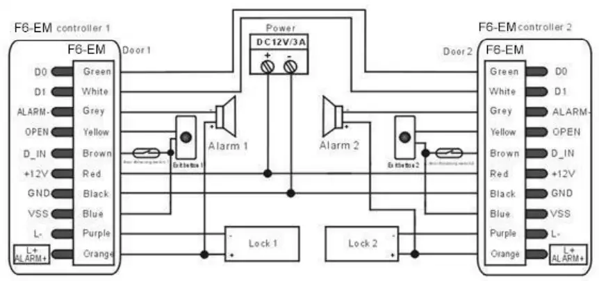
8.4. Two device interconnected & interlocked – Two Doors
The connection is showed as Figure 4, for the two doors, each door install one controller and one lock related. The interlocked function will go when either door is opened, the other door is locked forced, only close this door, the other door can be opened.
The interlocked function is mainly using in bank, prison, and other places where require higher security. Two doors are installed for one access.
The user enters fingerprint or card on controller 1, the door 1 will open, the user enters, and close door 1, only after that, the user can open the second door by entering fingerprint or card on second controller.
Reset to Factory Default
Power off, press the RESET key (SW14) on the PCB, hold it and power on, release it until hear two short beeps, the LED shines in orange, then read any two EM cards, the LED will turn in red, means reset to factory default setting successfully. Of the two EM cards read, the first one is Manager Add Card, the second one is Manager Delete Card.
Remark: Reset to factory default setting, the users’s information enrolled is still retained. When reset to factory setting, the two manager cards must e re-enrolled.
Sound and Light indication
| Operation Status | LED | Finger Sensor | Buzzer |
| Reset to factory default setting | Orange | – | Two short Ring |
| Sleeping mode | Red shines slow | – | – |
| Stand by | Red shines slow | Shine | – |
| Enter into programming mode | Red shines | – | Long Ring |
| Exit from programming mode | Red shines slow | – | Long Ring |
| Wrong operation | – | – | 3 Short Ring |
| Open the door | Green shines | – | Long Ring |
| Alarm | Red shines fast | – | Alarm |
Technical Specification
| Article | Data |
| Input Voltage | DC 12V±10`)/0 |
| Idle Current | 520mA |
| Active Current | 580mA |
| User Capacity | Fingerprint:1000; Card:2000 |
| Card Type | EM 125KHz card |
| Card Reading Distance | 3-6CM |
| Operating Temperature | -20°C-50°C |
| Operating Humidity | 20%RH-95%RH |
| Resolution | 450 DPI |
| Fingerprint Input Time | <1S |
| Identification Time | <1S |
| FAR | <0.0000256% |
| FRR | <0.0198% |
| Structure | Zinc Alloy |
| Dimension | 115mm×70mm×35mm |
Packing list
| Description | Quantity | Remark |
| F6-EM | 1 | |
| Infrared remote control | 1 | |
| Manager card | 2 | Manager Add Card &Delete Card |
| User Manual | 1 | |
| Security Screws ( 03*7.5mm) | 1 | To fix the device to the back cover |
| Screw driver | 1 | |
| Self tapping screws ( cp4*25mm) | 4 | Used for fixing |
| Pastern stopper ( cP6*25mm) | 4 | Used for fixing |
| Diode | 1 | IN4004 |

















