USER MANUAL

Note:
- Before using this lock, please pair it to the mobile phone App
- This lock is equipped with mechanical keys for manual unlocking. Remove mechanical keys from the package and keep them in a safe place and always have access to them.
- To power on the lock, four alkaline AA batteries(not included) are required. Non-alkaline and rechargeable batteries ARE NOT RECOMMENDED.
- This lock is used outdoors and indoors, it is designed to be exposed to direct sunlight or rain, the waterproof rating: IP5
- The operation of setting a lock has a stand-by time limit of 20 seconds; Without any activity, the lock will shut after 20 seconds.
- Keep your fingers clean when using this lock.
Please read this manual before operating your Smart Lock, and keep it for further reference.
Door Preparation
- Check door thickness and Door Frame.
• Door frame2110mm
• Door thickness: 38-50mm - Check door open direction.
Note: Please refer the above picture to adjust the direction of strike plate N and latch E.
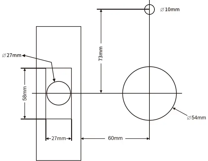
Door drill hole map

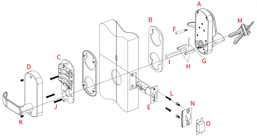
Packing List

Installation Diagram

| A)Outdoor lock body* 1 B) Silicon gasket* 2 C) Mounting plate* 1 D) Indoor lock body * 1 E) Single latch* 1 F) Cylindrical sleeve bolt * 1 G)Fixed pin for square spindle *1 | H) Cylindrical steeve female bolt 1) 80mm length Square spindle *1 J} M4 x 30mm cross flat head bolt* 3 K) M4 x 8mm cross flat head bolt* 2 L) M4 x 25mm cross flat head self-tapping screw* 4 M) Mechanical key * 2 N} Strike plate* 1 O) Latch holding plastic box * 1 |
Installation Instructions
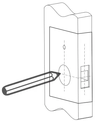
Step 1 According to the map drilling holes on the door.

*Note:
- Check the required backset (60mm or 70mm).
- Align the template along the vertical centerline of the single latch(E) at the desired height,and tape it to the door.
- Mark the holes first, then start drilling.
Step 2 Install the single latch (E) with screws (L) on the door.

- Note: The single latch has TWO backsets options:60mm or 70mm, please adjust it by yourself.
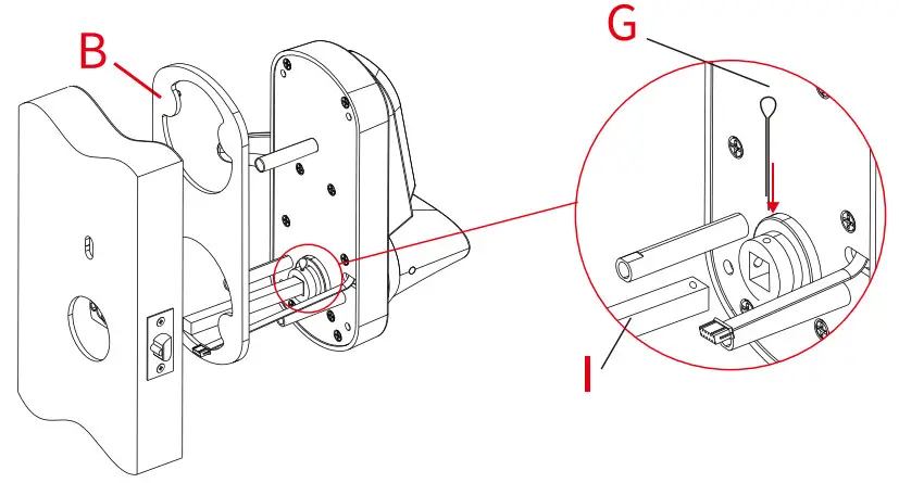
step 3 Install outdoor unit(A) with F & H.

- Note: Cylindrical sleeve bolt F is not a must if your door doesn’t have a hole for it.
Step 4 Install outdoor unite with gasket(B) & spindle(l) on the door, Pin(G) is for fixing spindle(|).

Step 5 Install mounting plate (C) with gasket(B) on the door.

- Note: Push the cable into the hole at first.
- Note: Cable goes under the latch.
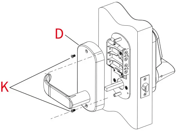
Step 6 Install indoor unit(D) on the door.

- Note: Install 4 pieces AA Alkaline batteries first.
Step 7 Testing the lock by rotating the back handle and using a key(M).

- Note: When the door is locked, the clutch is in the idle position, the front handle will be turned. However, the door will remain locked.

- Notes: Markk and drill holes for a strike.
Product Profile
Specifications
| Material | Zinc Alloy | Model NO. | S210BL-F | |
| Door Thickness | 38mm-50mm | Code Length | 6-12 digits | |
| Working Temperature | -20°C-70°C | Working Humidity | 20%-800/012H | |
| Working Power Consumption | <200mA | Static Power Consumption | <30uA | |
| Power Supply | 6V (4pcs AA Alkaline Batteries not included) | |||
| Unlocking Methods | Fingerprint, Bluetooth Access, Card, Passcode & Mechanical Key | |||
| User Capacity | 1 Admin Passcode | |||
| Unlimited Bluetooth eKey users | ||||
| 150 custom & permanent passcodes (other types of passcodes are unlimited) | ||||
| Product Dimension | Front | 68(W) x 154(H) x 78(D) mm | ||
| Back | 68(W) x 155(H) x 72(D) mm | |||
All specifications are subject to change without notice. All rights reserved.
Features
- Accessing the Lock
Five ways to access the lock: Fingerprint, Bluetooth access, Card, Pin code & Mechanical key. - Safety-There are multiple safety mechanisms within the lock.
a) Auto Lock: The smart lock’s latch features a sliding lock design, when unlock,
just gently move the door and it locks automatically.
b) Keypad Locked: After 6 failed pin code attempts, the keypad will shut down for 3 minutes before being able to attempt the pin again. Mechanical key and Bluetooth Unlock can be used to unlock in this state. - Randomizer-Before you enter your password, you can push some random numbers to
prevent the password from being inferred based on the fingerprints on the frequently
pushed numbers and from being seen by anyone nearby. - Battery Dead Alarm If the batteries are running low, the door lock informs you through a specific melody or keypad LED. You can easily replace the batteries without having to check the battery life.
- Emergency Power Supply– Emergency power supply interface equipped on the front bottom side of the smart lock: to unlock the door temporarily by connecting to the emergency power supply interface with a 9V backup battery. After unlocking, please replace the battery inside the lock immediately.
- Real-Time Record-You can manage your passcodes and check to unlock records in real-time on your App.
App Operation Guide
APP Installation and Registration
- Download the “TTLock” App form Google play store or Apple store.
- Install and register an account with your phone number or email.
Note: The APP only supports Android 4.3 / 1OS7.0 version and above. Once you pair a device with your phone/account, the device will not be able to link to other accounts, unless you remove the link from the App.
APP Connection
- Turn on the Bluetooth on your phone.
- Open the APP. Then click “Add Lock” and “Lock”.
- Touch the touch screen button of the smart lock to activate the lock, the number keys indicator light will be bright, and Click “Next” on the APP.
- Find the smart lock name which starts with “xx_xxx” and click “+”.
- Rename the name of the smart lock and click “OK”, then click “Finish”.
Note:
(1) If you do not see the + sign, it means that that device has already been paired with another phone/account and cannot be linked to your phone. You will need the previous owner to remove the device from the account or transfer control of the device to your account. Also, remember that your phone must be connected to the internet (3G / 4G / Wifi} when ADD / LINK a new device.
(2) Remove a Bluetooth Admin: The reset button is on the backside of the front panel, right behind the number 4 on the touchpad. Keep pressing the reset button with a piece of long and thin needle for over 5 seconds, your smart lock system will be restored to factory default settings and delete all smartphones and fobs from the memory.
APP Operation Instruction
- Send eKey
eKey is a function for you to authorize the Admin rights to other members, who have download the same APP on their own phones. All the people who hold can control the smart lock. - Generate Passcode
The passcode receiver can unlock the smart by entering the passcode manually. The passcode can be set as different type:Permanent /Timed / One-time(6 hours) /Erase (24 hours) / Customized / Recurring . All passcodes generated can be sent to those in need by mail and chatting tools. - eKeys: A file to manage the status and history of eKeys.
- Passcodes: A file to manage the status and history of Passcodes.
- Remote: In the phone App, connect G2 Gateway (not included, it needs to be purchased separately), and make the Gateway work together with WiFi, can use the phone App to remotely unlock anytime and anywhere.
- IC Cards: Can add and delete IC cards in the APP, place cards in the sensor area of the electronic digital keyboard, and add IC cards according to the voice prompt to successfully add IC cards to unlock. Note: can add 300 IC cards.
- Fingerprints: Can add and delete a fingerprint in the APP, place finger on the top of the front lock in the fingerprint sensing area, and add a fingerprint according to the voice
- Records: View locking and unlocking information to check when and who used it.
- Authorized Admin: Authorize the admin to the users who can operate the lock as an anA admin user.
- Setting
• Basics: Display the Lock Number, MAC/ID, Battery lever, Lock Name(you can manually change the name of the door), Lock Group(the administrator can add multiple locks for grouping, which is suitable for rental housing. It is more convenient for group management of personnel), Admin Passcode(the default passcode is the unlock passcode of the administrator, which can be manually changed to a custom passcode}.
• Auto Lock: Off-by-default. Open the App-click Setting, click Auto Lock-turn on, and set time to 10S, 15S, the 30S, 60S, or Custom seconds you need, then click OK. When the setup is completed, it will be automatically locked after unlocking (for example, it will be automatically locked 10 seconds after unlocking if the time is set as 10 seconds). - Lock Clock: Calibrate the time of the lock.
- Diagnosis: Analyse the problem of the lock.
- Read Operation Records: This operation will read all records stored in the lock.
- Firmware Upgrade: to check whether there is an updated version.
- Unlocking Notification: On-by-default. If this function is on, the administrator’s phone will receive the unlocking information when someone who assigned a key unlocks the door with the APP.
- System Settings
- Sound: On-by-default, you can manually close it to turn off the App system unlock operation sound.
- Touch to Unlock: Off-by-default, this function is invalid when the “lock” APP is turned off or running on the background of your phone. When the APP is open and connects within 10 meters from the lock, any family member can unlock the door by pressing any one touch screen button for at least 2 seconds. It is recommended to close the option if you do not need it.
- Lock Users: You can check your lock users here.
- Lock Group: the administrator can add multiple locks for grouping, which is suitable for rental housing. It is more convenient for achieving group management- ment of personnel. It can be modified or deleted if not needed.
- Transfer locks: This function is used to transfer the administrator rights. Once transferred, you will not be the administrator again.
- Transfer gateway: This function is used to transfer the gateway. Once transferred, you will lose the right for managing the gateway.
- Languages: system language.
- Screen Lock: After the function is turned on, you need to use your fingerprint or ApP setting. at .7 .8 account password to open the lock App. No need to verify again within 3 minutes.
Operation Instructions for Different Functions
- Unlock
- Unlock with APP: Turn on the app and click the lock icon @ in the interface to unlock it (The phone should be within 10 meters from the door lock).
- Unlock with Password: Enter the numeric password and then press the # key to confirm the unlocking (The admin password can be set in the App setting, the initial password is 123456) .
- Unlock by touching the keypad: Open the APP, then turn on the Touch to Unlock option” in the System Settings. Touch the keypad to unlock the door (The phone is required to be connected to WiFi or mobile data network and within 10 meters from the door lock).
- Unlock with IC Card: Please place the IC card in the sensor area of the electronic numeric keypad to unlock the within 0.5s. (The IC card can be set in the App).
- Unlock with Fingerprint: Put your finger in the fingerprint recognition sensor and the lock will unlock the identity within 0.5s. (The fingerprint can be set in the App).
- Remote Unlock with Gateway: In the phone App, connect G2 Gateway (not included, it needs to be purchased separately), and make the Gateway work together with WiFi, can use the phone App to remotely unlock anytime and anywhere.
- Unlock by Mechanical Key: Insert the key directly into the keyhole of the front lock, rotate the key, turn the handle down to unlock.
- Unlock manually: manually twist the knob on the Back panel to unlock it.
Lock
- Lock with APP: Turn on the App, press and hold the tock icon for 5 seconds to lock it. (The phone should be within 10 meters from the door lock).
- Auto-Lock: The smart lock’s latch features a sliding lock design, when you unlock it, just gently move the door and it locks automatically.
- Lock with the # key: Press and hold the # key on the front panel keypad for 3 to 5 seconds to lock.
- lock by Mechanical Key: Insert the key directly into the keyhole of the front lock, rotate the key, turn the handle up to lock.
- Lock manually: manually twist the knob on the Back panel to lock it.
Modify the Administrator’s Unlocking Passcode
Open the APP – locate the lock you want to change admin passcode – click Setting – click Basic – click Admin Passcode – enter the new passcode with 4-9 numerical digits – click OK (The phone is required to be connected to WiFi or mobile data network and within 10 meters from the lock).
Remote Authorization of key
Turn on the APP – click Send eKey – select the key type as “Timed” or “Permanent” Enter the APP account of the recipient-click Send button. – (The phone is required to be connected to WiFi or mobile data network)
Switch Administrator
- Delete the Administrator right
Open the APP- locate the lock – click Setting – click Delete – enter your account password – click OK – Using a new phone to pair the lock again. A lock can only be paired with one administrator phone. Please stand within 10 meters away from the lock to open and connect the APP. - Switch through the Transfer locks function.
Turn on the APP-click System Settings – click Transfer Locks – Select Locks – click Next – enter the recipient’s APP account and the verification code – Click Next – Finish (The phone is required to be connected to WiFi or mobile data network & within 10 meters from the lock).
Freeze / Delete / Authorize / Name / Operate Already Sent ekeys by Administrator
Turn on the APP- click eKeys- click the key that has been sent – click Name/validity / delete the key info you need – clicking the menu on the upper right corner to conduct the freeze/authorization operation. (The phone is required to be connected to WiFi or mobile data network.)
System Reset
The reset button is on the backside of the back panel, the bottom of the battery. Press and hold for 5 seconds directly by hand, the voice will prompt the next step, and then press “0000#” on the front panel digital electronic touch screen keyboard, your smart lock system will be restored to factory default settings and delete all smartphones and fobs from the memory.
FQA
Q: How can | reset my stock app account if | forgot my password?
A:
- Open the lock App, click Forgot password, enter the email address you registered for your ttlock account.
- Enter a new password, check the Get code. You should receive a verification code in the email, Enter the verification code to reset your password. Use the new password to sign in to the account.
Q: Can still use the smart lock when my phone is lost or turn off?
A:
- Yes. You can still use the traditional physical key or password to lock/unlock the door.
- Use a new phone to download the App, Sign in to your App account with the email or phone number and password. Enter the verification code, then you can use the new phone to unlock the door. Don’t forget to reset the door after you unlock it.
Q: The door won’t lock automatically when| close it.
A:
- Check if Auto Lock is set. If not, press and hold the # key on the panel keypad for 3 to 5 seconds to lock the door.
- If the door doesn’t lock automatically when Auto Lock is set, then the lock has been installed incorrectly.
- The Auto-Lock function is not activated when the batteries are completely discharged. Check if the batteries are discharged
Q: Lock configuration failed.
A:
- Remove the mechanical key from the cylinder.
- Check that the door was closed properly or if lock operation interfered.
Q: The App is disconnected from the door unit and/or |can’t find my lock on the App.
A:
- Close the App, turn off your phone’s Bluetooth. Then turn Bluetooth back on, and open the App.
- Refresh the App.
- The lock can only be connected to one user’s App. It’s possible that another user’s phone App is already connected to the lock. If don’t know which user is connected to it, you have to reset the lock.
Q: The smart lock has started beeping whenever |lock or unlocks the door.
A: This is an indication your battery is low; it’s time to change the batteries.
Q: I’m unable to open the door from a distance of 10 meters/yards
A:
- The app works via a Bluetooth connection, which can be impacted by the environment.
- For both security and functionality reasons, try moving as close as possible to the lock.”
- The battery is low, use the emergency power supply for the door.
Important Safeguards
- Read all instructions in their entirety.
- Familiarize yourself with all warning and caution statements.
- Remind all family members of safety precautions.
- Always have access to your lock’s standard key.
- If using the Lock with the # key or Auto-Lock features, make sure to have your smartphone, passcode or standard key with you to prevent locking yourself out.
- Replace low batteries immediately. Preventing Inadvertent Unlocking of Your Door.
WARNING
Failure to follow these safeguards could result in your lock opening inadvertently.
- Avoid keeping and storing phones and fobs unnecessarily close to the lock when inside the home.
- Restrict access to your lock’s back panel and routinely check your settings to ensure they have not been altered without your knowledge.
- Protect the password to your ttlock app and your account.
- When sending an eKey, always double-check that you are sending it to the correct recipient.
- Protect and restrict access to your smartphone so that your app settings cannot be altered without your knowledge.
- When sending eKeys, be aware of the difference between an Admin user and other users in the system. The Admin user can send, disable and delete eKeys.
- If your smart phone is lost or stolen, reset your lock. Resetting your smart lock system will restore your lock to factory settings and delete all smart phones and fobs.

















