
Megaflo Eco
Unvented Direct & Indirect
Hot Water Cylinders
Important
Please read & understand all these instructions before commencing installation.
Please leave this manual with the customer for future reference
Benchmark tm places responsibilities on both manufacturers and installers. The purpose is to ensure that customers are provided with the correct equipment for their needs, that it is installed, commissioned and serviced in accordance with the manufacturer’s instructions by competent persons and that it meets the requirements of the appropriate Building Regulations and relevant electrical qualifications. The Benchmark tm
Checklist can be used to demonstrate compliance with Building Regulations and should be provided to the customer for future reference. Installers are required to carry out installation, commissioning and servicing work in accordance with the Benchmark tm
Code of Practice which is available from the Heating and Hotwater
Industry Council who manage and promote the Scheme. Visit www.centralheating.co.uk for more information.
IMPORTANT NOTE TO USER: PLEASE REFER TO THE COMMISSIONING SECTION, PAGE 23 FOR IMPORTANT INFORMATION WITH RESPECT TO THE BENCHMARK SCHEME
Introduction
1.1 General
The following instructions are offered as a guide to the user and installer.
The installation must be carried out by a competent plumbing and electrical installer in accordance with Building Regulation G3 (England and Wales), Technical Standard P3 (Scotland) or Building Regulation P5 (Northern Ireland) and the Water Fitting Regulations (England and Wales) or Water Byelaws (Scotland).
1.2 Symbols used
In these instructions, various risk levels are employed to draw the user’s attention to particular information. In doing so we wish to safeguard the user, avoid hazards and guarantee the correct operation of the appliance.
DANGER
Risk of a dangerous situation causing serious physical injury.
WARNING
Risk of dangerous situation causing slight physical injury.
CAUTION
Risk of material damage.
Signals important information.
1.3 Abbreviations
` T&P – Temperature & Pressure relief valve
` PRV – Pressure Reducing Valve
` Prv – Pressure relief valve
1.4 Liabilities
Manufacturers liability
Our products are manufactured in compliance with the requirements of the various applicable European Directives.
This appliance complies with the requirements of the CE marking directive.
In the interest of UK customers, we are continuously endeavouring to make improvements in product quality. All the specifications stated in this document are therefore subject to change without notice.
Our liability as the manufacturer may not be invoked in the following cases:
` Failure to abide by the instructions on using the appliance.
` Faulty or insufficient maintenance of the appliance.
` Failure to abide by the instructions on installing the product.
Installer’s liability
The installer is responsible for the installation and the commissioning of the appliance. The installer must respect the following instructions:
- Read and follow the instructions given in the manuals provided with the appliance.
- Carry out installation in compliance with the prevailing legislation and standards.
- Perform the initial start up and carry out any checks necessary.
- Complete the commissioning checklist.
- Explain the installation to the user.
- If maintenance is necessary, warn the user of the obligation to check the appliance and maintain it in good working order.
- Give all the instruction manuals to the user.
Users liability
To guarantee optimum operation of the appliance, the user must respect the following instructions:
- Read and follow the instructions given in the manuals provided with the appliance.
- Call on qualified professionals to carry out installation and initial start up.
- Get your fitter to explain your installation to you.
- Have your required checks and services done.
- Keep the instruction manuals in good condition and close to the appliance.
This appliance can be used by children aged from 8 years and above and persons with reduced physical sensory or mental capabilities or lack of experience and knowledge if they have been given supervision or instruction concerning use of the appliance in a safe way and understand the hazards involved. Children shall not play with the appliance.
Cleaning and user maintenance shall not be made by children without supervision. Children must be supervised to ensure they do not play with the appliance.
– Water may drip from the discharge pipe of the pressure-relief device and this pipe must be left open to the atmosphere; (see page 18 for more details)
-the pressure-relief device is to be operated regularly to remove lime deposits and to verify that it is not blocked; (see page 18 for more details)
– How hot water can be drained. (see page 26 for more details)
– The type or characteristics of the pressurerelief device and how to connect it; (see
Figure 1 for details and Figure 18, page 30 for exploded view)
– A discharge pipe connected to the pressurerelief device is to be installed in a continuously downward direction and in frost free environment; (see page 18 for details)
Details on how to set the temperature controls for both immersion heaters and boiler controls can be found in section “Installation Instructions, page 20.
Safety
2.1 General safety warning
DANGER
This cylinder is unvented and as such becomes pressurised when in operation. The combination of pressurisation and hot water could lead to serious physical injury if the safety instructions in this manual are not adhered to.
WARNING
- Only competent persons having received adequate training are permitted to work on the appliance and the installation.
- Do not tamper with any of the safety valves or controls supplied with the cylinder.
- Before any work, switch off the mains supply to the appliance.
- Do not switch on if there is a possibility that the water in the cylinder is frozen.
CAUTION
Do not operate immersion heaters until the cylinder has been filled with water.
WARNING
When handling the unit, take appropriate precautions for the weight of the unit. Weights can be found in section 3, Tables 1&2, pages 5&6.
CAUTION
Annual maintenance is recommended by a competent person.
WARNING TO USER
- If this unvented water heater develops a fault, such as a flow of water from the discharge pipe, switch the heater off and contact the installer.
- Do not remove or adjust any component or part of this unvented water heater ; contact installer
- DO NOT bypass the thermal cut-out(s) in any circumstances.
Technical specifications
| !OL | !SZ L | !St L | !OL L | !OH | !OL Z | !OS Z | !OS? | 100 £ | !DOE | ||
| Max direct kW rating | 3 | 3 | 3 | 3 | 3 | 6 | 3 | 6 | 3 | 6 | |
| Immersion heat up times (Btm immersion, 3kW) | 75 | 139 | 167 | 179 | 208 | 208 | 252 | 252 | 294 | 294 | |
| Immersion heat up times (Top immersion, 3 kW) | N/A | N/A | N/A | N/A | N/A | 86 | N/A | 92 | N/A | 94 | |
| Immersion heat up times (Both immersions, 6kW) | N/A | N/A | N/A | N/A | N/A | 90 | N/A | 100 | N/A | 104 | |
| Coil surface area (m2) | 0.58 | 0.58 | 0.72 | 0.79 | 0.79 | 0.79 | 0.79 | 0.79 | 0.79 | 0.79 | |
| Coil heat up times | 151/min | 13. | 22. | 23. | 32. | 32.0 | 32.0 | 40. | 40. | 42. | 42. |
| 30I/min | 12.0 | 17. | 20.0 | 25. | 25. | 25. | 35. | 35. | 36. | 36. | |
| 45/min | 10. | 15. | 17.0 | 23. | 24. | 24. | 27. | 27. | 33. | 33. | |
| Coil rating (kW) 2 | 151/min | 20. | 20. | 21. | 19. | 19. | 19. | 20. | 20. | 21. | 21. |
| 30I/min | 23. | 25. | 25.0 | 25. | 25. | 25. | 24. | 24. | 25. | 25. | |
| 451/min | 27. | 28. | 29. | 27. | 27. | 27. | 29. | 29. | 28. | 28. | |
| Pressure drop through coil | 15I/min | 0.005 MPa (0.05 bar) | |||||||||
| 30I/min | 0.018 MPa (0.18 bar) | ||||||||||
| 45I/min | 0.030 MPa (0.30 bar) | ||||||||||
| Heat loss (kW/24hrs) | 0.91 | 1. | 1. | 1.20 | 1. | 1. | 2. | 2. | 2. | 2. | |
| Hot water capacity (volume to >40°C) | 87. | 139 | 159 | 197 | 200 | 200 | 240 | 240 | 284 | 284 | |
| Weight empty (kg) | 25 | 31 | 35 | 39 | 43 | 44 | 50 | 51 | 58 | 59 | |
| Weight full (kg) 1 | 117 | 168 | 190 | 217 | 238 | 238 | 283 | 283 | 341 | 341 | |
| Volume (Litres) 1 | 92 | 137 | 155 | 178 | 195 | 194 | 233 | 232 | 283 | 282 | |
| Max mains pressure | 1.6MPa (16 bar | ||||||||||
| Max design pressure | 0.8MPa (8 bar) | ||||||||||
| Operating pressure/PRV set pressure | 0.3MPa (3 bar) | ||||||||||
| Max primary pressure 3 | 1.0MPa (10 bar) | ||||||||||
| Expansion relief valve setting | 0.8MPa (8 bar) | ||||||||||
| T&P valve setting | 1.0MPa (10 bar)/90°C | ||||||||||
| T&P Part number | 95605810 | ||||||||||
| Immersion heater electrical rating | 3.0kW0240V/2.8kWG)230V – | ||||||||||
Table 1: Technical data – Indirect Cylinders
Notes:
- at 3 bar water inlet pressure
- at 80°C – +/- 2°C
- Although the primary coil pressure rating is 1.0MPa (10bar) the 2 port zone valve and coil compression nuts supplied with the cylinder is only rated 0.86MPa (8.6 bar). If the cylinder is to be plumbed into a system delivering 1.0MPa (10 bar) a suitable 2 port zone valve and the coil compression nuts supplied will have to be sourced.
- Tested to EN 12897:2006
| 70D | 125DD | 145DD | 170DD | 210DD | 250DD | 300DD | |
| Max direct kW rating | 3 | 6 | 6 | 6 | 6 | 6 | 6 |
| Immersion heat up times (Btm immersion, 3kW) | 75 | 139 | 175 | 193 | 205 | 267 | 309 |
| Immersion heat up times (Top immersion, 3 kW) | N/A | 65 | 83 | 87 | 89 | 96 | 92 |
| Immersion heat up times (Both immersions, 6kW) | N/A | 62 | 79 | 88 | 90 | 98 | 93 |
| Heat loss (kW/24hrs) | 0.91 | 1.05 | 1.18 | 1.20 | 1.42 | 1.61 | 1.69 |
| Hot water capacity (volume to >40°C) | 83 | 126 | 152 | 178 | 191 | 238 | 286 |
| Weight empty (kg) | 23 | 25 | 31 | 34 | 38 | 46 | 56 |
| Weight full (kg) ¹ | 115 | 165 | 183 | 216 | 237 | 282 | 339 |
| Volume (Litres) ¹ | 92 | 140 | 152 | 182 | 199 | 236 | 283 |
| Max mains pressure | 1.6MPa (16 bar) | ||||||
| Max design pressure | 0.8MPa (8 bar) | ||||||
| Operating pressure/PRV set pressure | 0.3MPa (3 bar) | ||||||
| Expansion relief valve setting | 0.8MPa (8 bar) | ||||||
| T&P valve setting | 1.0MPa (10 bar)/90°C | ||||||
| T&P Part number | 95 605 810 | ||||||
| Immersion heater electrical rating | 3.0kW@240V/2.8kW@230V ~ | ||||||
| 210DDD | 210DDDD | 250DDD | 250DDDD | 300DDD | 300DDDD | |
| Max direct kW rating | 9 | 12 | 9 | 12 | 9 | 12 |
| Immersion heat up times (9kW) | 68 | 68 | 81 | 81 | 97 | 97 |
| Immersion heat up times (12kW) | N/A | 51 | N/A | 60 | N/A | 73 |
| Heat loss (kW/24hrs) | 1.42 | 1.42 | 1.61 | 1.61 | 1.69 | 1.69 |
| Hot water capacity (volume to >40°C) | 191 | 191 | 238 | 238 | 286 | 286 |
| Weight empty (kg) | 39 | 40 | 47 | 48 | 57 | 58 |
| Weight full (kg) ¹ | 237 | 237 | 282 | 283 | 339 | 339 |
| Volume (Litres) ¹ | 198 | 197 | 235 | 235 | 282 | 281 |
| Max mains pressure | 1.6MPa (16 bar) | |||||
| Max design pressure | 0.8MPa (8 bar) | |||||
| Operating pressure/PRV set pressure | 0.3MPa (3 bar) | |||||
| Expansion relief valve setting | 0.8MPa (8 bar) | |||||
| T&P valve setting | 1.0MPa (10 bar)/90°C | |||||
| T&P Part number | 95 605 810 | |||||
| Immersion heater electrical rating | 3.0kW@240V/2.8kW@230V ~ | |||||
Notes:
- at 3 bar water inlet pressure
- Tested to EN 60379:2004
Table 2: Technical data – Direct Cylinders
| Direct | |||||||||||||
| Supplier’s name or trade mark | Megaflo Eco | ||||||||||||
| Supplier’s model identifier | D70 | 125DD | 145DD | 170DD | 210DD | 210DDD | 210DDDD | 250DD | 250DDD | 250DDDD | 300DD | 300DDD | 300DDDD |
| Storage volume V in litres | 92.0 | 140.0 | 155.0 | 182.0 | 199.0 | 199.0 | 199.0 | 236.0 | 236.0 | 236.0 | 283.0 | 283.0 | 283.0 |
| Mixed water at 40 °C V40 in litres | 78 | 167 | 183 | 218 | 241 | 241 | 241 | 307 | 307 | 307 | 359 | 359 | 359 |
| The declared load profile | M | M | M | L | L | L | L | L | L | L | XL | XL | XL |
| The water heating energy efficiency class of the model | B | B | C | C | C | C | C | C | C | C | C | C | C |
| The water heating energy efficiency in % | 38.6 | 39.2 | 37.5 | 38.2 | 37.5 | 37.5 | 37.5 | 37.8 | 37.8 | 37.8 | 37.7 | 37.7 | 37.7 |
| The annual electricity consumption in kWh | 3341 | 1311 | 1369 | 2682 | 2731 | 2731 | 2731 | 3513 | 3513 | 3513 | 4443 | 4443 | 4443 |
| Daily fuel consumption Q fuel in kWh | 6.110 | 6.010 | 6.350 | 12.380 | 12.670 | 12.670 | 12.670 | 20.480 | 20.480 | 20.480 | 20.580 | 20.580 | 20.580 |
| The thermostat temperature settings of the water heater, as placed on the market by the supplier | 60°C | ||||||||||||
| Specific precautions that shall be taken when the water heater is assembled, installed or maintained and disposed of at end of life | See page 3 to 29 | ||||||||||||
| Indirect | |||||||
| Model(s) | 70i | 125i | 145i | 170i | 210i | 250i | 300i |
| Energy efficiency class | B | B | B | B | B | C | C |
| Standing loss in W | 38.0 | 44.0 | 49.0 | 50.0 | 59.0 | 67.0 | 70.0 |
| Storage volume V in litres | 92.0 | 137.0 | 155.0 | 178.0 | 195.0 | 233.0 | 283.0 |
T able: T echnical parameters in accordance with European Commission regulations 814/2013 and 812/2013
Outer casing
White pre-coated corrosion protected steel body shell.
Polypropylene top and base mouldings. ABS electrical controls housings and enclosures.
Water container
Duplex stainless steel. 100% pressure tested to 1.6MPa (16 bar)
Connections
Stainless steel grade 1.4404 (316 L)
Pipe connections accept 22mm outside diameter pipe (compression nuts and olives supplied). Thread rate is 3/4″ BSP parallel to accept standard 3/4″ BSP female fittings if required
Thermal insulation
CFC/HCFC free fire retardant expanded polyurethane foam with zero ozine depletion potential. It has a Global Warming Potential (GWP) of 3.1
Safety Features
Direct models: Manually re-settable thermal cut-out on each immersion heater. Factory fitted T&P Relief Valve Indirect models: Manually re-settable thermal cut-out on immersion heater. Manually re-settable thermal cut-out for primary heating – must be wired in conjunction with 2 port motorised valve supplied. Factory fitted T&P Relief Valve
Figure 1: General dimensions – Direct models
* ONLY ON DDD AND DDDD MODELS
| Size | DIMENSIONS (mm) | ||||
| A | B | C | D | E | |
| 70D | N/A | 307 | 495 | 802 | N/A |
| 125DD | N/A | 307 | 479 | 1102 | 649 |
| 145DD | N/A | 307 | 895 | 1229 | 680 |
| 170DD | N/A | 307 | 1020 | 1384 | 805 |
| 210DD | N/A | 307 | 1095 | 1486 | 901 |
| 210DDD | N/A | 307 | 1095 | 1486 | 901 |
| 210DDDD | N/A | 307 | 1095 | 1486 | 901 |
| 250DD | N/A | 307 | 1323 | 1738 | 1109 |
| 250DDD | N/A | 307 | 1323 | 1738 | 1109 |
| 250DDDD | N/A | 307 | 1323 | 1738 | 1109 |
| 300DD | N/A | 307 | 1575 | 2053 | 1413 |
| 300DDD | N/A | 307 | 1574 | 2053 | 1413 |
| 300DDDD | N/A | 307 | 1574 | 2053 | 1413 |
| Size | DIMENSIONS (mm) | |||||
| A | B | C | D | E | F | |
| 70i | 316 | 355 | 495 | 802 | N/A | N/A |
| 125i | 316 | 355 | 794 | 1102 | N/A | 709 |
| 145i | 316 | 355 | 985 | 1229 | N/A | 810 |
| 170i | 316 | 355 | 1020 | 1384 | N/A | 934 |
| 210i | 316 | 355 | 1095 | 1486 | N/A | 1011 |
| 210i (6kW) | 316 | 355 | 1095 | 1486 | 893 | 1011 |
| 250i | 316 | 355 | 1323 | 1738 | N/A | 1238 |
| 250i (6kW) | 316 | 355 | 1323 | 1738 | 1108 | 1238 |
| 300i | 316 | 355 | 1574 | 2053 | N/A | 1526 |
| 300i (6kW) | 316 | 355 | 1575 | 2053 | 1413 | 1526 |
Table 2: Dimensions (see Figs. 1 and 2 for details) 

Description of the product
4.1 General description
This product is a purpose designed unvented water heater. The unit has a stainless steel inner vessel, which ensures an excellent standard of corrosion resistance. The outer casing is a combination of resilient thermoplastic mouldings and pre-painetd corrosion
proofed steel. All products are insulated with CFC free polyurethane foam to give good heat loss protection. The unit is supplied complete with all the necessary safety and control devices needed to allow connection to the cold water mains. All these components are preset and should not be tampered with.
4.2 Operation principle
The unvented cylinder is used to heat and store hot water for use in domestic or light commercial applications.
Depending on the model the water can be heated directly using Immersion heater(s) or indirectly through a coil in the unit using an indirect heat source.
To provide pressure to the tap or shower an unvented unit uses the incoming mains water pressure. To do this the cylinder is sealed and not vented. However, when the volume of water is heated it expands and without any room for expansion could cause the cylinder to rupture and fail. The cylinder requires no separate expansion vessel to accommodate this expansion as they incorporate an internal air gap.
4.3 Main components
See Figure 3 on page 9
4.4 Standard delivery
The delivery includes:
- Cylinder incorporating factory fitted immersion heater(s) and thermal controls and factory fitted temperature and pressure relief valve
- Instructions (inc benchmark commissioning checklist & service record)
- Cold water control pack
- Combination valve (inc pressure reducing valve, pressure relief valve, check valve and isolating valve)
- Tundish
- 2 port zone valve (indirect only)
- Wiring centre (indirect only)
- T&P relief valve insulation set
- Drain valve
4.5 Storage and Handling
If the unit is to be stored before installation it must be placed upright on a secure, level surface and be in a dry, frost free environment. The support surface must be capable of supporting the packaged weight of the unit, the packaged weights are displayed on the carton label.
Please take care when handling a packaged cylinder. The units are heavy and must only be moved manually using safe working practices. The package weights of each unit are displayed on the carton label. Once removed the units can be lifted by screwing the lifting handle provided onto the outlet boss, but again take note of the unit weights when deciding on a safe lifting method. DO NOT use the factory fitted T&P relief valve to lift or manoeuvre the unit.
Figure 4: Typical system installation schematic (not to scale)
Before installation
5.1 Installation regulations
WARNING
Installation of the appliance must be carried out by a qualified engineer in accordance with prevailing and national regulations as listed below.
- Building Regulations G3
- The Building Standards (Scotland)
- The Building Regulations (Northern Ireland)
- I.E.E Electrical Regs
- UK Water Regulations
5.2 Installation requirements
Water supply
In an unvented system the pressure and flowrate is directly related to the incoming water supply. For this reason it is recommended that the maximum water demand is assessed and the water supply checked to ensure this demand can be satisfactorily met.
- We suggest the minimum supply requirements should be 0.15MPa (1.5 bar) pressure and 20 litres per minute flow rate. However, at these values outlet flow rates may be poor if several outlets are used simultaneously.
- A 22mm cold water supply is recommended, however, if a smaller supply exists, which provides sufficient flow, this may be used (although more flow noise may be experienced).
- The higher the available pressure and flow rate the better the system performance.
- See tables 1&2 on pages 5&6 for cylinder operating pressures. This is controlled by the cold water combination valve assembly.
Outlet/terminal fittings (taps, etc.)
- The cylinder can be used with most types of terminal fittings.
- Outlets situated higher than the cylinder will give outlet pressures lower than that at the heater, a 10m height difference will result in a 1 bar pressure reduction at the outlet.
- All fittings, pipework and connections must have a rated pressure of at least 8 bar (dependant on cylinder being fitted) at 80°C.
Limitations
The cylinder should not be used in association with any of the following:
- Solid fuel boilers or any other boiler in which the energy input is not under effective thermostatic control, unless additional and appropriate safety measures are installed.
- Ascending spray type bidets or any other class 1 back syphonage risk requiring that a type A air gap be employed.
- Steam heating plants unless additional and appropriate safety devices are installed.
- Situations where maintenance is likely to be neglected or safety devices tampered with.
- Water supplies that have either inadequate pressure or where the supply may be intermittent.
- Situations where it is not possible to safely pipe away any discharge from the safety valves.
- In areas where the water consistently contains a high proportion of solids, e.g. suspended matter that could block the strainer, unless adequate filtration can be ensured.
- In areas where the water supply contains chloride levels that exceed 250mg/l.
5.3 Choice of location
The cylinder must be vertically floor mounted. Although location is not critical, the following points should be considered:
- The cylinder should be sited to ensure minimum dead leg distances, particularly to the point of most frequent use.
- Avoid siting where extreme cold temperatures will be experienced. All exposed pipe work should be insulated.
- The discharge pipework from the safety valves must have minimum fall of 1:200 from the unit and terminate in a safe and visible position.
- Access to associated controls and immersion heaters must be available for the servicing and maintenance of the system. Where these controls are installed against a wall a minimum distance of 250mm must be left (see Fig. 5).
- Note of the overall height of the unit in relation to the ceiling height and ensure that access and space is available for piping/connections to the outlet.
- Ensure that the floor area for the cylinder is level and capable of permanently supporting the weight when full of water (see Table 1, page 5 for weights).
- The tundish should be installed away from electrical components.

Installation
6.1 General
After reading the previous sections in this booklet and choosing a good location for the unit please install, paying attention to the following hydraulic, electrical and commissioning sections.
Boiler selection (Indirect units only)
- The boiler should have a control thermostat and non self-resetting thermal cut-out and be compatible with unvented storage water heaters.
- Where use of a boiler without a thermal cut-out is unavoidable a “low head” open vented primary circuit should be used. The feed and expansion cistern head above the cylinder should not exceed 2.5m.
- Can be a sealed system or open vented type – maximum primary pressure 10 bar.
- The boiler cannot be vented through the cylinder.

6.2 Water connections
WARNING
- Under no circumstances should the factory fitted temperature/pressure relief valve be removed other than by a competent person. To do so will invalidate any guarantee or claim.
- The cold water combination valve assembly must be fitted on the mains water supply to the cylinder.
- No control or safety valves should be tampered with or used for any other purpose.
- The discharge pipe should not be blocked or used for any other purpose.
- The tundish should not be located adjacent to any electrical components.
Refer to the installation schematic (Fig 3, page 9) for details on the pipework layout. Specific details for the discharge pipework layout is also provided in Figure 11 on page 18.

- All connections accept 22mm outside diameter pipe (compression nuts and olives supplied). The thread rate is 3/4″ BSP Male parallel to accept standard 3/4″ BSP Female fittings if required.
- The Cold Water Inlet Control kit supplied incorporates a full flow isolating valve which willenable the Megaflo Eco to be isolated from the mains supply for maintenance or servicing.
- The location of the unit should allow access to the T&P Relief Valve to allow re-charging of the internal air gap when necessary.
- The draining tap supplied should be installed in the cold water supply to the cylinder between the expansion valve and the heater at as low a level as possible.
- It is recommended that the outlet point of the drain pipework be at least 1 metre below the level of the heater (this can be achieved by attaching a hose to the drain tap outlet spigot).
Cold water control pack
CAUTION
- Flush supply pipework before connection to remove all flux and debris prior to fitting the inlet controls. Failure to do this may result in irreparable damage to the controls and will invalidate any warranty.

- The cold water control pack can be connected anywhere on the cold water cylinder supply.
- The control pack incorporates the strainer, check valve, core unit and expansion relief valve.
- The pressure setting is set to 3.0 bar.
- The valve can be fitted in any orientation to suit the installation as long as the valve is installed with the direction of flow arrows pointing in the correct direction.
- The expansion relief valve should be installed with the discharge pipework in either the horizontal position or facing downwards.
- No other valves should be placed between the cold water combination valve and the cylinder.
- The blank plastic plugs in the body of the pressure relief valve are pressure gauge connections to enable pressure monitoring to be carried out, should the system develop a fault. It is recommended that these be accessible (the pressure reducing valve has two – only one need be accessible).
Primary circuit control
- The 2 port motorised valve supplied with the cylinder MUST be fitted on the primary flow to the cylinder heat exchanger and wired such that in the event of the cylinder overheating it will close the primary circuit.
- Primary circulation to the cylinder heat exchanger must be pumped; gravity circulation WILL NOT WORK.
- It is recommended that an air bleed or automatic air vent is incorporated in the primary return pipe work close to the unit.
- Boiler flow temperature should be set to 82° (maximum flow temperature to primary heat exchanger 88°C).
Secondary circulation
If secondary circulation is required it is recommended that it be connected to the cylinder as shown (see figs. 9 and 9b).
- The secondary return pipe should be in 28mm pipe and incorporate a check valve to prevent backflow. ` A suitable WRAS approved circulation pump will be required.
- On large systems, due to the increase in system water content, it may be necessary to fit an additional expansion vessel to the secondary circuit. This should be done if the capacity of the secondary circuit exceeds 10 litres.
Pipe capacity (copper):
15mm O.D. = 0.13 l/m (10 litres = 77m)
22mm O.D. = 0.38 l/m (10 litres = 26m)
28mm O.D. = 0.55 l/m (10 litres = 18m)
Note: Plastic pipe capacities may be reduced due to thicker wall sections.
In direct electric installations where a secondary circulation is required particular attention should be paid by the installer to maintain the returning water temperature (guidelines state that a minimum of 55°C return temperature is advisable). Factors such as, but not limited to, secondary circulation flow rates, minimising heat loss of all secondary circuit pipework and timed operation during periods of high demand are critical to the correct operation and longevity of the heating element(s) and thermostats.
Secondary circulation is not recommended for direct electric units using off-peak tariffs where the secondary circulation is not controlled in conjunction with the heat source as performance can be affected.
T&P Relief valve insulation
A set of insulating components are supplied with the cylinder and should be installed to gain maximum heat and energy saving benefits by insulating the exposed metal parts of the T&P Relief Valve. See Figure 10 below for installation instructions.
IMPORTANT INFORMATION:
HOW TO INSULATE YOUR T&P RELIEF VALVE TO SAVE HEAT AND ENERGY A SET OF INSULATING PARTS FOR THE T&P RELIEF VALVE HAVE BEEN SUPPLIED WITH THIS WATER HEATER. INSTALL THE HEATER FIRST THEN FIT THE INSULATING PARTS BY FOLLOWING THE DIAGRAMS BELOW.
Discharge
It is a requirement of Building Regulation G3 that any discharge from an unvented system is conveyed to where it is visible, but will not cause danger to persons in or about the building. The tundish and discharge pipes should be fitted in accordance with the requirements and guidance notes of Building Regulation G3. The G3 Requirements and Guidance section 3.50 – 3.63 are reproduced in the following sections of this manual.
For discharge pipe arrangements not covered by G3 Guidance advice should be sought from your local Building Control Officer. Any discharge pipe connected to the pressure relief devices (expansion valve and temperature/pressure relief valve) must be installed in a continuously downward direction and in a frost free environment.
Water may drip from the discharge pipe of the pressure relief device. This pipe must be left open to the atmosphere. The pressure relief device is to be operated regularly to remove lime deposits and to verify that it is not blocked.
G3 REQUIREMENT
“…there shall be precautions…to ensure that the hot water discharged from safety devices is safely conveyed to where it is visible but will not cause danger to persons in or about the building.”
The following extract is taken from the latest G3 Regulations
Discharge pipes from safety devices
Discharge pipe D1
3.50 Each of the temperature relief valves or combined temperature and pressure relief valves specified in 3.13 or 3.17 should discharge either directly or by way of a manifold via a short length of metal pipe (D1) to a tundish.
3.51 The diameter of discharge pipe (D1) should be not less than the nominal outlet size of the temperature relief valve.
3.52 Where a manifold is used it should be sized to accept and discharge the total discharge from the discharge pipes connected to it.
3.53 Where valves other than the temperature and pressure relief valve from a single unvented hot water system discharge by way of the same manifold that is used by the safety devices, the manifold should be factory fitted as part of the hot water storage system unit or package.
Tundish
3.54 The tundish should be vertical, located in the same space as the unvented hot water storage system and be fitted as close as possible to, and lower than, the valve, with no more than 600mm of pipe between the valve outlet and the tundish (see Fig 11, page 18).
Note: To comply with the Water Supply (Water Fittings) Regulations, the tundish should incorporate a suitable air gap.
3.55 Any discharge should be visible at the tundish. In addition, where discharges from safety devices may not be apparent, e.g. in dwellings occupied by people with impaired vision or mobility, consideration should be given to the installation of a suitable safety device to warn when discharge takes place, e.g. electronically operated.
Discharge pipe D2
3.56 The discharge pipe (D2) from the tundish should: (a) have a vertical section of pipe at least 300mm long below the tundish before any elbows or bends in the pipework (see fig. 11); and
(b) be installed with a continuous fall thereafter of at least 1 in 200.
3.57 The discharge pipe (D2) should be made of:
(a) metal; or
(b) other material that has been demonstrated to be capable of safely withstanding temperatures of the water discharged and is clearly and permanently marked to identify the product and performance standard (e.g. as specified in the relevant part of BS 7291).
3.58 The discharge pipe (D2) should be at least one pipe size larger than the nominal outlet size of the safety device unless its total equivalent hydraulic resistance exceeds that of a straight pipe 9m long, i.e. for discharge pipes between 9m and 18m the equivalent resistance length should be at least two sizes larger than the nominal outlet size of the safety device; between 18 and 27m at least 3 sizes larger, and so on; bends must be taken into account in calculating the flow resistance. See Fig 11, Table 6 and the worked example.
Note: An alternative approach for sizing discharge pipes would be to follow Annex D, section D.2 of BS 6700:2006 Specification for design, installation, testing and maintenance of services supplying water for domestic use within buildings and their curtilages.
3.59 Where a single common discharge pipe serves more than one system, it should be at least one pipe size larger than the largest individual discharge pipe (D2) to be connected.
3.60 The discharge pipe should not be connected to a soil discharge stack unless it can be demonstrated that the soil discharge stack is capable of safely withstanding temperatures of the water discharged, in which case, it should:
(a) contain a mechanical seal, not incorporating a water trap, which allows water into the branch pipe without allowing foul air from the drain to be ventilated through the tundish;
(b) be a separate branch pipe with no sanitary appliances connected to it;
(c) if plastic pipes are used as branch pipes carrying discharge from a safety device they should be either polybutylene (PB) to Class S of BS 7291-2:2006 or cross linked polyethylene (PE-X) to Class S of BS 7291-3:2006; and
(d) be continuously marked with a warning that no sanitary appliances should be connected to the pipe.
Note:
- Plastic pipes should be joined and assembled with fittings appropriate to the circumstances in which they are used as set out in BS EN ISO 1043-1.
- Where pipes cannot be connected to the stack it may be possible to route a dedicated pipe alongside or in close proximity to the discharge stack.
Termination of discharge pipe
3.61 The discharge pipe (D2) from the tundish should terminate in a safe place where there is no risk to persons in the vicinity of the discharge.
3.62 Examples of acceptable discharge arrangements are:
(a) to a trapped gully with the end of the pipe below a fixed grating and above the water seal;
(b) downward discharges at low level; i.e. up to 100mm above external surfaces such as car parks, hard standings, grassed areas etc. are acceptable providing that a wire cage or similar guard is positioned to prevent contact, whilst maintaining visibility; and
(c) discharges at high level: e.g. into a metal hopper and metal downpipe with the end of the discharge pipe clearly visible or onto a roof capable of withstanding high temperature discharges of water and 3m from any plastic guttering system that would collect such discharges.
3.63 The discharge would consist of high temperature water and steam. Asphalt, roofing felt and nonmetallic rainwater goods may be damaged by such discharges.
Worked example of discharge pipe sizing
Fig. 11: shows a G1/2 temperature relief valve with a discharge pipe (D2) having 4 No. elbows and length of 7m from the tundish to the point of discharge.
From Table 6:
Maximum resistance allowed for a straight length of 22mm copper discharge pipe (D2) from a G1/2 temperature relief valve is 9.0m.
Subtract the resistance for 4 No. 22mm elbows at 0.8m each = 3.2m
Therefore the permitted length equates to: 5.8m 5.8m is less than the actual length of 7m therefore calculate the next largest size.
Maximum resistance allowed for a straight length of 28mm pipe (D2) from a G1/2 temperature relief valves equates to 18m.
Subtract the resistance of 4 No. 28mm elbows at 1.0m each = 4.0m
Therefore the maximum permitted length equates to: 14m
As the actual length is 7m, a 28mm (D2) copper pipe will be satisfactory.
| Valve Outlet Size | Minimum Size Of Discharge Pipe D1 | Minimum Size Of Discharge Pipe D2 From Tundish | Maximum Resistance Allowed, Expressed As A Length Of Straight Pipe (I.E. No Elbows Or Bends) | Resistance Created By Each Elbow Or Bend |
| G1/2 | 15mm | 22mm 28mm 35mm | up to 9m up to 18m up to 27m | 0.8m 1.0m 1.4m |
| G3/4 | 22mm | 28mm 35mm 42mm | up to 9m up to 18m up to 27m | 1.0m 1.4m 1.7m |
| G1 | 28mm | 35mm 42mm 54mm | up to 9m up to 18m up to 27m | 1.4m 1.7m 2.3m |
Table 6: Sizing of copper discharge pipe (D2) for common temperature relief valve outlet sizes
Figure 11: Typical discharge pipe arrangement (extract from Building Regulation G3 Guidance Section 3.50)
6.3 Electrical connections
In case of difficulty contact service support; contact details are available on page 40 of this booklet.
WARNING
- Disconnect from the mains electrical supply before removing any covers.
- Never attempt to replace the immersion heater(s) other than with the recommended immersion heater(s).
- DO NOT bypass the thermal cut-out(s) in any circumstances.
- All electrical wiring should be carried out by a competent electrician and be in accordance with the latest I.E.E Wiring Regulations.
- Each circuit must be protected by a suitable fuse and double pole isolating switch with a contact separation of at least 3mm in both poles.
- DO NOT operate the immersion heaters until the cylinder has been filled with water.
DIRECT models
- The immersion heaters are accessed by removing the Control Cover (see Fig 12).
- Unscrew the large screw on the cover using a flat ended screwdriver.
- Lift from the bottom of the cover at the point indicated on Fig 12 until cover comes away freely

- Where the Megaflo Eco’s are fitted with two immersion heaters. Each immersion heater is rated 3kW at 240V ~
- The immersion heater(s) should be wired in accordance with Fig 13. The immersion heater(s) MUST be earthed. The supply cable should be a minimum 1.5mm² 3 core HO5 VV-F sheathed cable and must be routed through the cable entry portsprovided with the outer sheath of the cable firmly secured using the cable securing bar provided.

- The immersion heater thermostat is factory set at 60 o
C. Should this require adjustment see Fig 14 for details of how to adjust the temperature setting. Each immersion heater has its own individual thermostatic control. The thermostat incorporates a thermal cut-out that will switch off the immersion heater in the event of a thermostat failure. The thermal cut-out reset button position is also shown on Fig 14. - Replace the Control Cover(s) before operating. To do this tilt the cover and align the top two lugs with the holes in the housing as indicated on Fig 12. Hinge the cover downwards and firmly press the cover until it “snaps” back into place. Secure by tightening the screw on the cover using a flat ended screwdriver. DO NOT OVER TIGHTEN

INDIRECT models
- The indirect controls and back-up immersion heater are accessed by removing the Control Cover (see Fig 12).
- Unscrew the large screw on the cover using a flat ended screwdriver.
- Lift from the bottom of the cover at the point indicated on Fig 12 until cover comes away freely.
- The back up immersion heater should be wired in accordance with the instructions given for DIRECT models. The immersion heater cannot be controlled by the boiler control or space heating programmer, it must be connected with its own dedicated electrical supply circuit.
Control Housing Details
Space and heating systems controls
- The controls provided with the cylinder will ensure the safe operation of the unit within the central heating system. Other controls will be necessary to control the space heating requirements and times that the system is required to function.
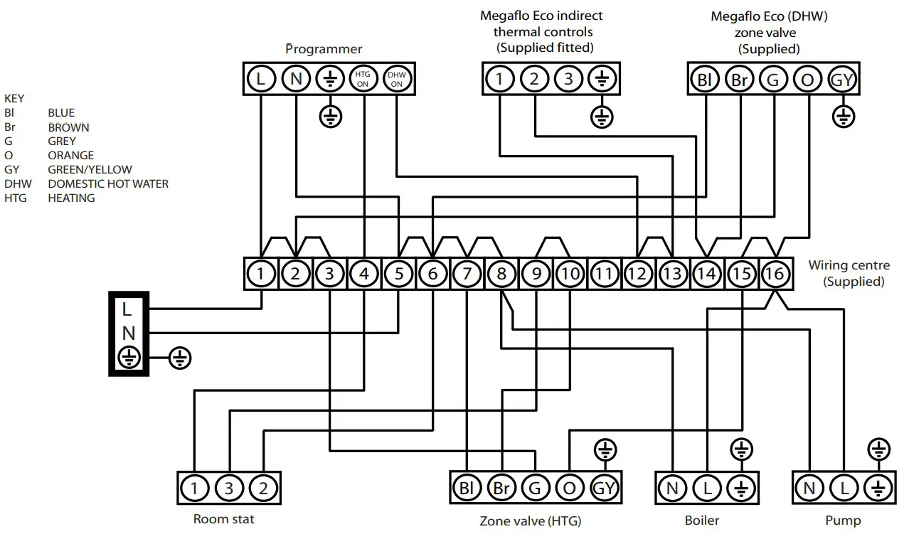
- The immersion heater and indirect thermal controls should be wired in accordance with Fig 15
- The immersion heater and indirect controls MUST be earthed. The supply cable for the immersion heater should be a minimum 1.5mm² 3 core HO5 VV-F sheathed cable and must be routed through the cable entry ports provided with the outer sheath of the cable firmly secured using the cable securing bar provided. The cable connecting the indirect control to the heating system must be an appropriate size for the maximum load of the heating controls and should be routed in the controls housing through the other cable entry port and secured using the cable securing bar provided.
- The immersion heater and indirect control thermostats are factory set at 60 o
C. Should this require adjustment see Fig 14 for details of how to adjust the temperature setting. The immersion heater and indirect controls each has its own individual thermostatic control. The thermostats incorporate a thermal cut-out that will switch off in the event of a thermostat failure. The thermal cutout reset button position is also shown on Fig 14. - Replace the Control Cover(s) before operating. To do this tilt the cover and align the top two lugs with the holes in the housing as indicated on Fig 12. Hinge the cover downwards and firmly press the cover until it “snaps” back into place. Secure by tightening the screw on the cover using a flat ended screwdriver. DO NOT OVER TIGHTEN
- The cylinder is compatible with most heating controls, examples of electrical circuits are shown in Figures. 16 & 17. However, other systems may be suitable, refer to the controls manufacturers instructions, supplied with the controls selected, for alternative system wiring schemes.

NOTES:
- A DOUBLE POLE ISOLATING SWITCH MUST BE INSTALLED IN THE MAINS SUPPLY.
- ALL EARTH CONNECTIONS MUST BE LINKED BACK TO THE MAINS EARTH SUPPLY.
- USE COPPER LINKS SUPPLIED TO MAKE CONNECTIONS BETWEEN TERMINALS.
- DO NOT MOUNT WIRING CENTRE ON CYLINDER.
- THE ABOVE DIAGRAM IS FOR GUIDANCE ONLY, HEATRAE SADIA ACCEPT NO LIABILITY FOR ANY LOSS OR DAMAGE ARISING FROM ANY ERRORS OR OMISSIONS.
THAT MAY BE INADVERTENTLY CONTAINED WITHIN THIS DIAGRAM. THE VARIOUS EQUIPMENT MANUFACTURERS SHOULD BE CONSULTED TO CONFIRM THE CORRECT OPERATION OF THEIR PRODUCTS WITHIN THE SYSTEM.
Figure 16: Wiring schematic – 2 x 2 Port valve heating system

NOTES:
- A DOUBLE POLE ISOLATING SWITCH MUST BE INSTALLED IN THE MAINS SUPPLY.
- ALL EARTH CONNECTIONS MUST BE LINKED BACK TO THE MAINS EARTH SUPPLY.
- ASSUMES BASIC BOILER WITH EXTERNAL PUMP.
- USE COPPER LINKS SUPPLIED TO MAKE CONNECTIONS BETWEEN TERMINALS.
- DO NOT MOUNT WIRING CENTRE ON CYLINDER.
- THE ABOVE DIAGRAM IS FOR GUIDANCE ONLY, HEATRAE SADIA ACCEPT NO LIABILITY FOR ANY LOSS OR DAMAGE ARISING FROM ANY ERRORS OR OMISSIONS.
THAT MAY BE INADVERTENTLY CONTAINED WITHIN THIS DIAGRAM. THE VARIOUS EQUIPMENT MANUFACTURERS SHOULD BE CONSULTED TO CONFIRM THE CORRECT OPERATION OF THEIR PRODUCTS WITHIN THE SYSTEM.
Figure 17: Wiring schematic – 2 Port valve in conjunction with 3 port mid-position valve heating system
WARNING
Should the Megaflo Eco be used in conjunction with a boiler that controls the water temperature via a sensor connected to the boiler controls it should be noted that the factory fitted indirect thermostat and thermal cut-out MUST NOT be disconnected or bypassed. To do so would invalidate the product approvals and warranty and it would not comply with Building Regulations. Should this method of control be adopted the Megaflo Eco Indirect thermostat should be set at maximum and the boiler cylinder control temperature set at 60 o C to avoid the thermostat over-riding the boiler control.
Where the boiler control does not directly power the 2 Port Motorised Valve supplied with the Megaflo Eco, the wiring should ensure that in the event of the thermal cutout on the Megaflo Eco Indirect controls operating power will be interrupted to the 2 Port Motorised Valve such that it closes and prevents flow of the primary heating fluid around the Megaflo Eco primary heat exchanger coil.
For further details of wiring the boiler, consult the boiler manufacturer’s installation instructions.
6.4 Filling the installation
- Ensure the drain cock is CLOSED.
- Open a hot tap furthest from the cylinder.
- Open the mains stop cock.
- Open the isolating valve (fitted to either the
Pressure reducing Valve or Expansion Relief Valve) by turning the blue handle so it is parallel with the direction of flow. It should be fully opened, partial opening will restrict the inlet flow rate. - Allow the unit to fill. When water flows from the tap, allow to run for a few minutes to thoroughly flush through any residue, dirt or swarf, then close thetap.
- Open successive hot taps to purge the system of air.
- Check all connections and system pipes for water tightness.
Commissioning
7.1 General
After filling the installation with water in the previous section please follow the following steps to complete the installation of the unit.
WARNING
DO NOT operate the immersion heaters or primary circuit until the cylinder has been filled with water.
7.2 Checklist before commissioning
- Check all water connections for leaks and rectify as necessary.
- Turn off mains water supply.
- Remove the pressure reducing valve head work to access the strainer mesh, clean and re-fit.
- Turn the water supply back on.
- Manually open, for a few seconds, each relief valve in turn, checking that water is discharged and runs freely through the tundish and out at the discharge point.
- Ensure that the valve(s) reseat satisfactorily.
7.3 Commissioning procedure
Direct units
- Switch on electrical supply to the immersion heater(s) and allow the cylinder to heat up to normal working temperature (60 – 65°C recommended).
- If necessary the temperature can be adjusted by inserting a flat bladed screwdriver in the adjustment spindle on front of the immersion heater (ELEMENT) control thermostat and rotating (see Fig. 14 page, 20 for details of how to adjust).
The adjustment represents a temperature range of 10°C to 70°C. - Check the operation of thermostat(s) and that no water has issued from the expansion relief valve or temperature/pressure relief valve during the heating cycle.
Indirect units
- Fill the indirect (primary) circuit following the boiler manufacturer’s commissioning instructions.
- To ensure the cylinder primary heat exchanger is filled, the 2 port motorised valve (supplied) should be manually opened by moving the lever on the motor housing to the MANUAL setting. When the primary circuit is full return the lever to the AUTOMATIC position.
- Switch on the boiler, ensure the programmer is set to Hot Water and allow the cylinder to heat up to a normal working temperature (60 – 65 o C recommended).
- If necessary the temperature can be adjusted by inserting a flat bladed screwdriver in the adjustment spindle on front of the indirect (BOILER) thermostat and rotating (see Fig. 14, page 20 for details of how to adjust). The adjustment represents a temperature range of 10°C to 70°C.
- Check the operation of thermostat(s) and that no water has issued from the expansion relief valve or temperature/pressure relief valve during the heating cycle.
- Remove the filling loop.
7.4 Benchmark
Benchmark
The cylinder is covered by the Benchmark Scheme which aims to improve the standards of installation and commissioning of domestic heating and hot water systems in the UK and to encourage regular servicing to optimise safety, efficiency and performance.
Benchmark is managed and promoted by the Heating and Hotwater Industry Council. For more information visit www.centralheating.co.uk.
Please ensure that the installer has fully completed the Benchmark Checklist (see page 34) of this manual and that you have signed it to say that you have received a full and clear explanation of its operation. The installer is legally required to complete a commissioning checklist as a means of complying with the appropriate Building Regulations (England & Wales).
All installations must be notified to Local Area Building Control either directly or through a Competent Persons Scheme. A Building Regulations Compliance Certificate will then be issued to the customer who should, on receipt, write the Notification Number on the
Benchmark Checklist.
This product should be serviced regularly to optimise its safety, efficiency and performance. The service engineer should complete the relevant Service Record on the Benchmark Checklist after each service.
The Benchmark Checklist may be required in the event of any warranty work.
Operation
8.1 General
WARNING
- If water discharges from the Temperature & Pressure relief valve on the cylinder shut down the heat source and/or switch off the immersion heater(s). DO NOT turn off the water supply. Contact a competent installer for unvented water heaters to check the system.
- DO NOT tamper with any of the safety valves fitted to the system. If a fault is suspected contact a competent installer.
- Disconnect from the mains electrical supply before removing any covers.
- DO NOT bypass the thermal cut-out(s) in any circumstances.
- Water stored at temperatures in excess of 60 o C can scald. Consideration to blend down water delivery temperatures at the point of use to a safe level should be given
- All electrical wiring should be carried out by a competent electrician and be in accordance with the latest I.E.E Wiring Regulations. Temperature controls – direct units immersion heater(s)
- A combined thermostat and thermal cut-out is provided for each immersion heater fitted. The thermostat is factory set to give a water storage temperature of approx. 60 o C, however it can be set to control between 10 o C and 70o C. This will usually have been done during installation and commissioning. Adjustments can only be made by opening the controls covers.
- Access to the thermostat can be made by opening the controls housing cover – DISCONNECT THE ELECTRICAL SUPPLY BEFORE OPENING THE COVER(S).
- Temperature adjustment is made by rotating the adjustment knob on the top of the thermostat. The adjustment represents a temperature range of 10°C to 70°C (see page 20, fig 14 for method of adjustment).
- Maximum working temperature is 70°C. In very hard water areas limit to 60/65°C to minimise the build up of limescale on the immersion heater element surfaces. DO NOT bypass the thermal cut-out(s) in any circumstances.
Temperature controls – indirect units
- A combined thermostat and thermal cut-out is provided for the control of the external boiler. The thermostat is factory set to give a water storage temperature of approx. 60 o C, however it can be set to control between 10 o C and 70 o C. This will usually have been done during installation and commissioning. Adjustments can only be made by opening the controls covers.
- Access to the thermostat can be made by opening the controls housing cover – DISCONNECT THE ELECTRICAL SUPPLY BEFORE OPENING THE COVER(S).
- Temperature adjustment is made by rotating the adjustment knob on the top of the thermostat. The adjustment represents a temperature range of 10°C to 70°C (see page 20, fig 14 for method of adjustment).
- Maximum working temperature is 70°C. In very hard water areas limit to 60/65°C to minimise the build up of limescale on the heat exchanger coil surfaces.
- The boiler thermostat and thermal cut-out must be wired in series with the 2 port motorised zone valve supplied to interrupt the flow of primary water around the heat exchanger coil when the control temperature has been reached.
- The controls fitted to the cylinder will affect the temperature of the stored water only, other controls will be provided in the system for time and temperature control of the space heating requirements. Consult the instructions provided with those controls for details of adjustments.
DO NOT bypass the thermal cut-out(s) in any circumstances.
Flow performance
When initially opening hot outlets a small surge in flow may be noticed as pressures stabilise. This is quite normal with unvented systems. In some areas cloudiness may be noticed in the hot water. This is due to aeration of the water, is quite normal and will quickly clear.
Operational faults
Operational faults and their possible causes are detailed in the Fault Finding section (page 27) of this book. It is recommended that faults should be checked by a competent installer
Maintenance
9.1 General
Maintenance requirements
Unvented hot water systems have a continuing maintenance requirement in order to ensure safe working and optimum performance. It is essential that the relief valve(s) are periodically inspected and manually opened to ensure no blockage has occurred in the valves or discharge pipework. Similarly cleaning of the strainer element and replacement of the air in the internal expansion volume will help to prevent possible operational faults.
The maintenance checks described below should be performed by a competent person on a regular basis, e.g. annually to coincide with boiler maintenance.
After any maintenance, please complete the relevant Service Interval Record section of the Benchmark Checklist on page 35 of this document.
9.2 Standard inspection & maintenance operations Inspection
The immersion heater boss can be used as an access for inspecting the cylinder internally. Safety valve operation
CAUTION
Water discharged may be very hot!
- Manually operate the temperature/pressure relief valve for a few seconds.
- Check water is discharged and that it flows freely through the tundish and discharge pipework.
- Check valve reseats correctly when released.
- Repeat the above procedure for the expansion relief valve. Strainer
- Turn off the isolating valve prior to the Pressure Reducing Valve or the main stop cock to the system.
- Open the lowest hot tap in the system to relieve the system pressure.
- Using a spanner unscrew the pressure reducing cartridge and remove the moulded housing. The strainer will be removed with the cartridge.
- Wash any particulate matter from the strainer under clean running water.
- Replace the strainer and screw the Pressure Reducing Valve cartridge into the moulded housing.
- Close hot tap, turn on isolating valve or main stop cock to the system. Check for leaks.
Descaling immersion heater(s)
- Turn off the mains water supply, isolate the electrical supply and turn off boiler
- Attach a hosepipe to the drain cock having sufficient length to take water to a suitable discharge point below the level of the unit.
- Open a hot tap close to the unit and open drain cock to drain unit.
- Open the cover(s) to the immersion heater housing(s) and disconnect wiring from immersion heater(s) thermostat(s).
- Unscrew the immersion heater and withdraw the immersion heater from the cylinder. Take care when lifting the immersion heater out of the cylinder and work within safe working practices.
- Carefully remove any scale from the surface of the element(s).
CAUTION
DO NOT use a sharp implement as damage to the element surface could be caused.
- Ensure sealing surfaces are clean and seals are undamaged, if in doubt fit a new immersion heater gasket. (spare part number 7035165)
- Replace immersion heater(s), making sure not to trap the immersion heater gasket.
- Rewire, check, close and secure immersion heater housing cover(s).
Re-commissioning - Check all electrical and plumbing connections are secure. Close the drain cock.
- With a hot tap open, turn on the cold water supply and allow unit to refill.
- DO NOT switch on the immersion heater(s) or boiler until the unit is full.
- When water flows from the hot tap allow to flow for a short while to purge air and flush through any disturbed particles.
- Close hot tap and then open successive hot taps in system to purge any air.
- When completely full and purged check system for leaks.
- The heating source (immersion heater(s) or boiler) can then be switched on.
Expansion volume re-charge
The air volume within the Megaflo Eco will periodically require recharging to ensure expanded water is accommodated within the unit. A discharge of water
INTERMITTENTLY from the expansion valve will indicate the air volume has reduced to a point where it can no longer accommodate the expansion.
INFO http://www.baxi.co.uk/information-and-advice/how-tovideos.htm
To recharge the air volume:
- Turn off the heat source to the cylinder
- Turn off the water supply to the unit by turning the isolating valve on either the pressure reducing valve or expansion valve. Turn the blue handle so it lies 90 o to the direction of flow.
- Open the lowest hot tap supplied by the Megaflo Eco.
- Hold open the temperature & pressure relief valveby twisting the knob on top of the valve until water ceases to run from the tap and gurgling noise at the valve stops.
- Close the temperature & pressure relief valve by releasing the knob.
- Turn on the isolating valve by turning the blue handle so it lies parallel to the direction of flow. When water flows from the hot tap,close the tap.
- The air volume will be automatically recharged as the unit refills.
- If after following this procedure water still discharges from the expansion valve further advice should be sought from a competent installer or the Megaflo Service Division.
Troubleshooting
WARNING
Do not tamper with any of the safety valves or controls supplied with the cylinder as this will invalidate any warranty.
10.1 Fault finding
Important
- After servicing, complete the relevant Service Interval Record section of the Benchmark Checklist located on pages 35 of this document.
- Servicing should only be carried out by competent persons in the installation and maintenance of unvented water heating systems.
- Any spare parts used MUST be authorised parts.
- Disconnect the electrical supply before removing any electrical equipment covers.
- NEVER bypass any thermal controls or operate system without the necessary safety valves.
- Water contained in the cylinder may be very hot, especially following a thermal control failure. Caution must be taken when drawing water from the unit.
The fault finding chart (table 7, below) will enable operational faults to be identified and their possible causes rectified. Any work carried out on the unvented water heater and its associated controls MUST be carried out by a competent installer for unvented water heating systems. In case of doubt contact service support.
Spare Parts
A full range of spare parts are available for the cylinder range (Table 8, page 29). Refer to the technical data label on the unit to identify the model installed and ensure the correct part is ordered. You will need to quote the serial number, which is printed on the data label.
| Fault | Possible cause | Remedy |
| No hot water | 1. Mains water supply off. | 1. Check and open stop cock. |
| 2. Strainer blocked. | 2. Turn off water supply. Remove strainer and clean ( see page 31). | |
| 3. Cold water combination valve incorrectly fitted. | 3. Check and refit as required. | |
| Water from hot taps is cold | 1. Back up immersion heater not switched on. | 1. Check and switch on. |
| 2. Back up immersion heater thermal cut-out has tripped. | 2. Check. Reset by pushing button (Figure 14, page 20). | |
| 3. Indirect programmer set to central heating only. | 3. Check. Set domestic to a hot water programme. | |
| 4. Indirect boiler not working. | 4. Check boiler operation. If fault is suspected consult boiler manufacturers instructions. | |
| 5. Indirect thermal cut-out has tripped. | 5. Check. Reset by pushing button. Check operation of indirect thermostat (Figure 14, page 20). | |
| 6. Indirect motorised valve not connected correctly. | 6. Check wiring and/or plumbing connections to motorised valve (see Figures 16&17, page 21). | |
| Water discharges from expansion relief valve | 1. Intermittently. Air volume in the cylinder has reduced | 1. See page 26 for details on how to test and recharge. |
| 2. Continually. 3 bar pressure reducing valve is not working correctly. | 2. Check pressure from 3 bar pressure reducing valve. If greater than 3 bar replace pressure reducing cartridge. | |
| 3. Continually. Expansion valve seat damaged. | 3. Remove expansion relief cartridge from 8 bar pressure relief valve and check seating, if necessary fit new cartridge. | |
| Water discharges from the T&P valve intermittently | 1. Air volume in the cylinder has reduced | 1. See page 26 for details on how to test and recharge. |
| 2. 8 bar expansion relief valve faulty. | 2. Check valve and replace if necessary | |
| Water discharges from the T&P valve continually | 1. Thermal control failure. Note water will be very hot. | 1. Switch off power supply to immersion heater(s) and shut down the boiler. DO NOT turn off the water supply. When discharge stops check all thermal controls, replace if faulty. |
| Milky water | 1 Oxygenated water. | 1. Water from a pressurised system releases oxygen bubbles when flowing. The milkiness will disappear after a short while. |
Table 7: Fault finding chart
Decommissioning
11.1 Decommissioning procedure
- Isolate electrical supplies and make safe
- Isolate the water supply
- Drain the cylinder
- Drain the primary circuit (indirect only)
- Remove cylinder
- Cap pipework
Environmental information
Products are manufactured from many recyclable materials. At the end of their useful life they should be disposed of at a Local Authority Recycling Centre in order to realise the full environmental benefits.
Insulation is by means of an approved CFC/HCFC free polyurethane foam with an ozone depletion factor of zero.
Spare parts
12.1 Spare parts list
A full range of spare parts are available for the cylinder range. Refer to the Technical Data label on the unit to identify the model installed and ensure the correct part is ordered.
| ITEM | DESCRIPTION | PART NUMBER |
| 1 | Cold water inlet control kit – Complete (includes Items 2, 4 & 6) | 95 605 894 |
| 2 | 3 bar Pressure reducing valve – Complete | 95 605 886 |
| 3 | 3 bar Pressure reducing valve – Cartridge | 95 605 891 |
| 4 | 8 bar Expansion valve – Complete | 95 605 893 |
| 5 | 8 bar Expansion valve – Cartridge | 95 605 888 |
| 6 | Stopcock | 95 605 885 |
| 7 | Immersion heater gasket | 7035165 |
| 8 | Immersion heater key spanner (NOT SHOWN) | 95 607 861 |
| 9 | Immersion heater blanking plug (NOT SHOWN) | 95 605 881 |
| 10 | Tundish (NOT SHOWN) | 95 605 838 |
| 11 | Insulation set for T&P relief valve (NOT SHOWN) | 95 607 922 |
| 12 | Temperature & Pressure relief valve (NOT SHOWN) | 95 605 810 |
| 13 | Set of compression nuts and olives (NOT SHOWN) | 95 607 838 |
| 14 | Drain valve 1/4 turn (NOT SHOWN) | 95 605 051 |
| 15 | Swept tee joint (for secondary return) (NOT SHOWN) | 95 605 812 |
| 16 | Direct element – Titanium lower | 95 606 988 |
| 17 | Immersion heater backnut – Brass | 95 607 940 |
| 18 | Direct combined thermostat / thermal cut-out | 95 612 720 |
| 19 | Direct (Titanium) controls cover | 95 614 119 |
| 20 | Direct mounting plate | 95 607 929 |
| 21 | 3 way terminal block | 95 607 932 |
| 34 | Direct element – Titanium upper | 95 606 989 |
| 22 | Indirect element – Incoloy | 95 606 984 |
| 23 | Immersion heater backnut – Plastic (Black) | 95 605 132 |
| 24 | Indirect combined thermostat / thermal cut-out | 95 612 719 |
| 25 | Indirect controls cover | 95 614 118 |
| 26 | Indirect mounting plate | 95 607 931 |
| 27 | 6 way terminal block | 95 607 933 |
| 28 | 2 port motorised valve (22mm compression connections)(NOT SHOWN) | 95 605 819 |
| 29 | 1/2″ BSP Sensor Pccket Assembly Long | 7 032 579 |


Direct control assembly and upper assembly on Indirect cylinders

Spare components are common to Upper and Lower Direct Control Assemblies Except for the Upper elements 34 and Lower element 16
Figure 19: Direct controls and immersion heater, exploded view
Indirect Control Assembly

Figure 20: Indirect controls and immersion heater, exploded view
Spares Stockists
Advanced Water Co.Ltd.
Unit D5 Enterprise Way
Vale Park, Evesham
Worcs WR11 1GS
Tel: 01386 760066
Fax: 01386 760077
Electric Water Heating Co.
2 Horsecroft Place
Pinnacles
Harlow
Essex CM19 5BT
Tel: 0845 0553811
E-Mail: [email protected]
SPD
Special Product Division
Units 9 & 10
Hexagon Business Centre
Springfield Road
Hayes
Middlesex UB4 0TY
Tel: 020 8606 3567
Parts Center
Tel: 0845 270 9800
www.partscenter.co.uk
Newey & Eyre
Unit 3-5 Wassage Way
Hampton Lovett Ind. Estate
Droitwich, Worcestershire WR9 0NX
Tel: 01905 791500
Fax: 01905 791501
UK Spares Ltd
Unit 1155
Aztec West
Almondsbury
Bristol BS32 4TF
Tel: 01454 620500
William Wilson Ltd
Unit 3A
780 South Street
Whiteinch
Glasgow G14 0SY
Tel: 0141 434 1530
Alternatively contact your local supplying merchant or wholesale branch
MAINS PRESSURE HOT WATER STORAGE SYSTEM COMMISSIONING CHECKLIST

*All installations in England and Wales must be notified to Local Authority Building Control (LABC) either directly or through a Competent Persons Scheme. A Building Regulations Compliance Certificate will then be issued to the customer.
©Heating and Hotwater Industry Council (HHIC)
Commissioning & service records
SERVICE RECORD It is recommended that your hot water system is serviced regularly and that the appropriate Service Record is completed. Service Provider Before completing the appropriate Service Record below, please ensure you have carried out the service as described in the manufacturer’s instructions.
Warranty
Lifetime Warranty*
The Megaflo Lifetime Warranty provides unrivalled levels of customer support and peace of mind in the unlikely event that a problem arises from a manufacturing defect.
It is supported by a large nationwide team of companyemployed field-based engineers and our own call centre, which is open 363 days a year.
This Lifetime Warranty applies in relation to the following Megaflo products:
- Megaflo cylinders
- Megaflo calorifiers
The Megaflo Domestic Lifetime* Warranty
The Megaflo Domestic Lifetime* Warranty covers Megaflo cylinders installed in domestic properties† against corrosion for the lifetime* of the owner.
The cold water combination valve (and expansion vessel, where supplied) is covered by a five year warranty from the date of purchase of the Megaflo product that includes both parts and labour. All other components, including any other valves, fittings and controls are covered by a two year warranty from the date of purchase of the Megaflo product that includes both parts and labour.
In the case of the Megaflo Systemready, Megaflo Systemfit and Megaflo SolaReady units the supplied pumps and motorized valves ( where fitted ) are also covered by this two year warranty.
Incoloy immersion heaters ( where fitted ) are covered by a two year warranty.
Titanium Immersion heaters ( where fitted ) are covered by a five year warranty.
The Megaflo Commercial Lifetime* Warranty
The Megaflo Commercial Lifetime Warranty covers
Megaflo cylinders and calorifiers installed in non-domestic properties^ against corrosion for a period of 30 years from the date of purchase.
All other components, including valves, expansion vessels, immersion heaters, fittings and controls are covered by a two year warranty from the date of purchase of the Megaflo product that includes both parts and labour.
Accessories
Shower heat recovery units are covered against manufacturing defects for a period of two years. Flat plate solar collectors are covered against manufacturing defects for a period of 10 years from the date of purchase of the Megaflo product. Evacuated tube solar collectors are covered against manufacturing defects for a period of five years from the date of purchase of the Megaflo product. All other solar accessories are covered against manufacturing defects for a period of two years from the date of purchase
of the Megaflo product. Outside of the UK
These warranties are valid for installations within the United Kingdom.
For installation in the Republic of Ireland please contact Potterton Myson (Ireland) Limited on 00353 (0) 1 4590870 For installations outside of the United Kingdom and the Republic of Ireland, please telephone Megaflo Export on
+44 1603 420271 for further details of the warranty terms and conditions applicable.
These warranty are valid provided that:
- The Megaflo product has been installed by a competent installer in accordance with the instructions contained in the installation instructions and in compliance with all relevant laws, guidance, codes of practice and regulations in force at the time of installation.
- The Megaflo product has not been modified or tampered with in any way, other than by a Heatrae Sadia or Baxi Customer Support approved engineer.
- The Megaflo product has not been subject to damage by scale.
- The Megaflo product and any part or parts of the Megaflo product (whether factory fitted or otherwise) have not been repaired or replaced other than by a Baxi Customer Support approved engineer and any replacement parts used on the Megaflo product are authorised Megaflo spare parts.
- The factory fitted temperature and pressure relief valve have not been tampered with or removed.
- The Megaflo product has not been subject to misuse or neglect.
- The Megaflo product has only been used for the storage of wholesome water. Should another substance be put through the product, the warranty will be invalid unless it is part of a disinfectant procedure carried out in accordance with BS EN 806.
- The Megaflo product has not been subjected to frost or freezing temperatures (except for solar collectors which are designed for external installation).
- The Benchmark™ commissioning checklist service record, included in the Megaflo installation instructions has been completed.
- Regular maintenance has been carried out by a competent person/, an approved engineer from Heatrae Sadia or any other part of the Baxi Group Baxi Customer Support approved engineer in accordance with the requirements set out in the maintenance section of the installation instructions.
- Access is available, at reasonable times and upon reasonable notice, to the Megaflo product to allow for any inspection repair or replacement.
- The product is registered within 60 days of purchase. This can be done by telephone, online or by using the registration form provided with the product.
- Evidence of purchase (for example a receipt or delivery note) and date of supply is submitted when making a claim.
- The Megaflo product has not been affected by any cause beyond our reasonable control including, without limitation: an act of God, explosion, flood, fire or accident; war or civil disturbance; strike, industrial action or stoppages of work; any form of government intervention; a third party act or omission including theft or malicious damage; failure by you to give us a correct delivery address or notify us of any change of address. .
If any of the following situations occur, the Megaflo LifetimeWarranty* will not apply: - Any wilful or accidental damage caused by your negligence
- Damage caused as a result of scale.
- Installation not in line with the installer and user manuals provided,
- Failure to comply with installation instructions (whether oral or in writing),
- Misuse of the Megaflo product or alteration of the Megaflo product not in accordance with the requirements set out above.
- Defects which are not reported to us outside of the warranty period on 0344 8711535 or [email protected]
- Any third party repair or replacement costs unless those costs have been agreed and authorised by Baxi Customer Support or Heatrae Sadia in writing prior to incurring the costs.
- In relation to the Megaflo Commercial Lifetime Warranty only, we will not be liable for any indirect and consequential losses and any loss of earnings, loss of business, or losses in relation to stress and inconvenience, howsoever caused.
Claims
Defects should be reported to us as soon as you are aware of them. Please report defect to us by contacting 0344 871 1535 or [email protected] .
Notes
We are only able to carry out warranty repair/replacement to Megaflo solar collectors which have safe access and that meet current Health & Safety working at heights requirements. The customer will cover the cost of any safety equipment including but limited to scaffolding and lifting equipment that is required to meet this standard and will appoint a contractor to carry this work out. Heatrae Sadia accepts no liability for any third party damage.
These warranties do not affect your statutory rights and remedies in relation to the Megaflo products.
Annual service
Annual services are available from Baxi Customer Support, the service division of Heatrae Sadia.
Please contact Baxi Customer Support on 0344 871 1535 for details.
*In domestic† properties, lifetime is the period during which the first owner of the Megaflo or new build home continues to own the property. Should the property be sold, the new owner and any subsequent owners will receive a 30 year
warranty from the date the original owner purchased the Megaflo or new home with a Megaflo installed. In nondomestic properties lifetime is a period of 30 years from the date of purchase by the original owner and is transferable to any new owner of the property.
†Domestic is any premises not being, or ever having been, wholly or partly utilised for business purposes.
^Non-domestic premises are any premises other than those defined as Domestic.†
All Megaflo warranties are conditional on the installation being carried out in accordance with the installation instructions supplied with the product. These warranties do not affect your statutory rights. Full terms and conditions
of these warranty packages are available on request or via www.heatraesadia.com/Megaflo
Heaatrae Sadia*, Hurricane Way, Norwich, Norfolk, NR6 6EA
Megaflo may introduce modifications to their products from time to time. Consequentially the details given in this brochure are subject to alteration without notice.
Contacts
Specification Advice Hotline
T: 01603 420220
F: 01603 420229
E: [email protected]
www.heatraesadia.com
* Heatrae Sadia is a trading name of Baxi Heating UK Limited, Brooks House, Coventry Road, Warwick, CV34 4LL
NOTES:……………….
Customer service
| Telephone: 0344 8711535 | Megaflo |
| Facsimile: 0344 8711528 | Hurricane Way |
| E-mail: [email protected] | Norwich |
| Norfolk | |
| NR6 6EA |
Important notice to installations outside of the UK.
References to legislation, legal requirements, regulations, building regulations benchmark, spares stockists and warranty are ONLY APPLICABLE WITHIN THE UK.
For local legislation, legal requirements, regulations, building regulations outside of the UK, contact your local Authority.
For spares stockists and warranty outside the UK, contact your local supplier or,
Export Sales
T: +44 (0)1603 420271
F: +44 (0)1603 420199
E: [email protected]
The HWA Charter’s Code of Practice requires that all members adhere to the following:
- To supply fit for purpose products clearly and honestly described
- To supply products that meet, or exceed appropriate standards and building and water regulations
- To provide pre and post sales technical support
- To provide clear and concise warranty details to customers

© 2016
36006062_issue _19



















