KOSPEL SWVPC-250 Domestic Hot Water Cylinder with Ch Buffer Tank

Product Information
The Wymiennik cieplej wody uytkowej z buforem c.o. is a domestic hot water cylinder with a buffer tank used for central heating. It has a rated capacity of 235 liters for hot water and 60 liters for central heating. It has a maximum pressure of 0.6 MPa for hot water and 0.3 MPa for central heating, and a maximum temperature of 95 degrees Celsius.
The product has a built-in safety valve, and its installation and usage must follow the instructions in the manual to ensure safe and reliable operation. The product is designed to be installed by a professional installation service, and the installation must comply with all relevant safety regulations and environmental protection laws.
Product Usage Instructions
- Before installation, read and understand the user manual to ensure the safe installation and operation of the product.
- Follow the installation instructions closely to ensure proper installation and avoid voiding the warranty.
- During installation, follow all relevant safety regulations, including fire safety, explosion prevention, and environmental protection laws.
- The product is designed to be installed in an upright position on three screw-in legs.
- Connect the product to the central heating system and hot water supply following the instructions in the manual.
- If the water pressure in your area exceeds 0.6 MPa, install a pressure regulator before connecting the product to the hot water supply.
- After installation, turn on the product and allow it to heat up to the desired temperature.
- Periodically check the product for leaks or signs of damage. If you notice any issues, refer to the troubleshooting section of the manual.
- If you need to discontinue the use of the product, follow the instructions in the manual for safe and proper disposal.
The manufacturer reserves the right to make changes to the product which are not present in this manual instruction.
Safety instructions
- Read and strictly follow this installation and operating instructions to ensure a long life and reliable cylinder operation.
- The manufacturer of this cylinder will not be liable for any damages due to the failure to follow the installation and operation instructions.
- During all work related to the installation, servicing or maintenance of the device, the principles of health and safety, explosion protection, fire protection, and environmental protection must be observed in accordance with the applicable requirements and regulations in the respective country.
- The cylinder must not be installed in rooms where the temperature may drop below 0°C.
- The cylinder installation and the initial start-up, as well as all electrical and hydraulic work, must be performed by a qualified professional installer.
- The cylinder is designed for vertical installation only (screw on feet).
- The device must be installed in such a place and in such a way in order not to flood the room in case of an emergency water leak.
- Connections to the water supply system, central heating system, and solar collectors must be made in accordance with the diagram in this installation instruction. Failure to follow the installation instruction invalidate the warranty and may cause cylinder damage.
- A connection to the water supply system must be made in accordance with legally binding norms.
- A cylinder is a pressure appliance designed for connection to the water supply system where the water pressure doesn’t exceed 0,6 MPa. If the water pressure exceeds 0,6 MPa, the pressure-reducing valve before the cylinder must be fitted.
- A small leak from the safety valve through the outlet pipe may occur- it’s a normal operating state of the appliance. The outlet pipe has to remain open. Do not clog it, as a clogged outlet may lead to the breakdown of the cylinder.
- Do not use the cylinder if you suspect that the safety valve may be faulty.
- The tank is equipped with a magnesium anode- an additional protection against corrosion. The anode is an operating part, therefore, it is exposed to wear. The condition of the magnesium anode should be controlled every 12 months. The anode must be replaced once every 18 months.
- The heating water must comply with all of the relevant local water quality standards.
- The rated temperature of water in the cylinder should not exceed 95°C.
The cylinder is suitable for fitting an immersion heater with a thermostat e.g. GRW 1.4, GRW 2.0. The immersion heater must be fitted in lieu of cork 1½″. The maximum length of the immersion heater is 430mm.
Description of device
A cylinder SWVPC is a device with a double tank intended to heat a medium system with a heat pump. The upper tank is enameled with a double heating coil, intended to prepare domestic hot water. In the lower part, there is a buffer with an unenamelled tank, an anti-corrosion inhibitor protected for transport.
A buffer tank is intended for heating water and/or cold storage in cooperation with central heating boilers and heat pumps. Additionally, buffer tanks may also perform the following function: divider (hydraulic clutch), hydraulic separator, and heating circuit from the boiler room. Can’t work with domestic hot water.
Connections
Connection to the central heating system
The cylinder must be fitted to the central heating system by pipe unions 1¼″. Cut-off valves must be installed before the pipe unions. A flow rate of heating water must be high enough to maximize cylinder efficiency (see ‚Technical data table). It concerns the forced circulation installation (with a central heating water pump).
Model SWVPC is equipped in a double heating coil.

Connection to the water system
Please follow the water connection instructions below:
- install the T-connection with 6 bar* safety valve and the drain valve to the fitting of the cold water inlet [ZW]. It’s forbidden to install a cut-off valve (or any flow reducer) between the tank and the safety valve and on its outlet. The safety valve must be installed in such a place as to quickly let you notice the outgoing water,
- install the cylinder equipped with the safety valve to the water system,
- install the cut-off valve on the cold water supply pipe.
The hot water outlet should be led to the connections in the upper part of the cylinder. Every cylinder is equipped with a connection intended for its installation to the DHW circulation. The buffer tank can be assembled in the heating system:
- open system according to the current standards,
- closed system according to the current standards.
Please note:
use the safety valve matched to the heat’s source. Installing a safety valve with inadequate capacity can result in an excessive pressure increase in the cylinder and as a result a leakage. In this case, the warranty does not cover the damage caused.
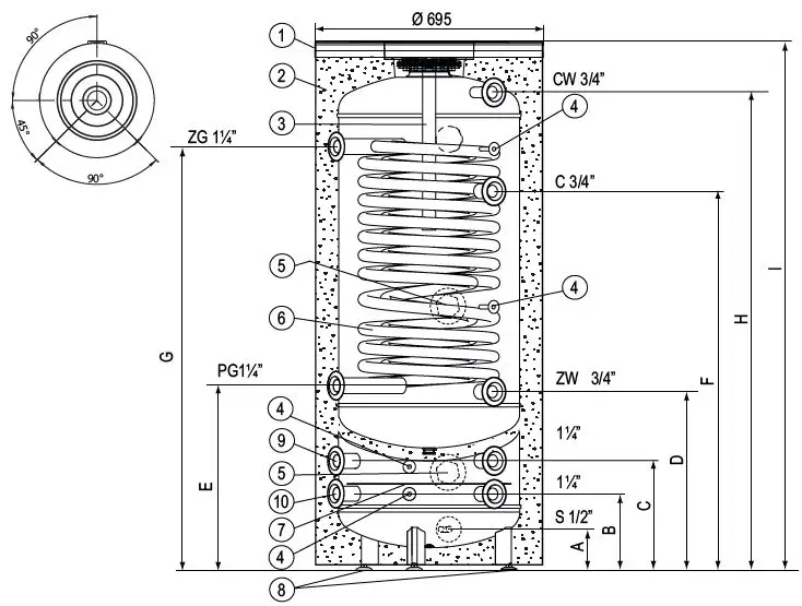
Construction SWVPC-250.60

- lower lid
- thermal insulation
- magnesium anode
- sensor pipe
- immersion heater connection (cork 1½″)
- double heating coil
- barrier
- feet
- –
CH feed
HP feed
- –
CH return
HP return- ZW – cold water
- CW – hot water
- ZG – heating medium supply of coil
- PG – the heating medium return of coil
- C – circulation
- S – buffer drain connection
- A-I – dimensions described in the diagram
Dimensions SWVPC
| A | 127 |
| B | 234 |
| C | 384 |
| D | 544 |
| E | 563 |
| F | 1154 |
| G | 1289 |
| H | 1454 |
| I | 1610 |
Startup
Before the start-up make sure that the installation procedures have been carried out in accordance with the regulations included in this manual.
The cylinder must be filled with water:
- turn on the valve on the cold water supply pipe,
- turn on the hot water outlet valve (water outflow without the air bubbles indicates that the tank is full),
- turn off the outlet valves.
Turn on the valves connecting the cylinder with the central heating system and fill the surface area of the buffer. To vent the buffer, you should use air vent on the supply. An air vent is also recommended at the highest point of the coil supply connection. Check for water and heating medium leaks. Check out the safety valve performance in accordance with the valve manufacturer’s instructions.
Tank emptying
In order to empty the tank:
- turn off the valves that connect the buffer tank to the central heating system,
- turn off the valves that connect the buffer tank to the PC circuit,
- turn off the valve to connect the cold water inlet to the cylinder,
- turn off the valve on the cold water inlet,
- turn on the drain valve.
Operation
Follow the guidelines below for safe and trouble-free cylinder operation:
- Check out the safety valve performance once every 14 days. Do not use the cylinder if the water does not come out (it indicates that the valve is broken).
- Clean the inside of the cylinder periodically. The frequency of cleaning depends on the degree of water hardness. The cleaning should be done by a qualified person.
- The wear condition of the anode must be inspected annually.
- The anode must be replaced once every 18 months.
- anode rod replacement [3]: take off the upper lid [1], take out an insulation ring, turn off the cut-off valve on the cold water supply pipe, turn on the hot water valve (mixer tap), turn the drain valve on, drain as much water as you need to easily unscrew the anode rod (avoiding room flooding). Remove the cork and unscrew the anode rod.
- Heat up the water above 70°C periodically for hygiene reasons.
- Failures or malfunctions notify to the seller.
- Insulate the outlet pipe and heating coil connection pipes to minimize heat loss (recommended).
The above activities are beyond of the scope of warranty service (should be done by the user).
How to deal with damage or irregularities
| Irregularity | Instructions for conduct |
| Water leakage from the tank | turn off the cold water supply valve and the CH system cut-off valves and contact the service |
| Excessive pressure build-up in the tank | |
| Pressure increase in the CH system | |
| Dirty water in the device | The tank should be cleaned of accumulated sediments – for this purpose, contact a specialized service company |
Technical data
| Domestic Hot Water Cylinder With CH Buffer Tank | SWVPC | ||
| Storage capacity | DHW | l | 235 |
| CH | 60 | ||
| Rated pressure | DHW | MPa | 0,6 |
| CH | 0,3 | ||
| Rated temperature | °C | 95 | |
| Minimum temp. of chilled water | °C | 6 | |
| Surface area of heating | m2 | 2,7 | |
| Capacity of coil | dm3 | 17,5 | |
| Power of coil | kW | 75* / 23** | |
| Efficiency of coil | l/h | 1900* / 575** | |
| Weight (without water) | kg | 157 | |
| Magnesium anode M8 ø40 | mm | 500 | |
- 80/10/45°C heating water temp./ supply water temp./ domestic water temperature; flowrate of
- 55/10/45°C heating water through the coil – 2,5m3/h.
Recycling and waste disposal
Removal of product and equipment:
Do not dispose of the product or equipment with household waste. Make sure that the product and all equipment are disposed of properly. Observe all applicable regulations.
Decommissioning
Used products must not be treated as household waste. By disposing of this product correctly you will help to prevent potential negative consequences for the environment that could otherwise arise through inappropriate waste handling. For more detailed information about recycling this product, please contact your local authority waste management service.
KOSPEL Sp. z o.o. 75-136 Koszalin, ul. Olchowa 1, Poland tel. +48 94 31 70 565
[email protected] www.kospel.pl
Made in Poland.
















