digitech BC281 Electric Bike Color Display

Product Description and Specifications 
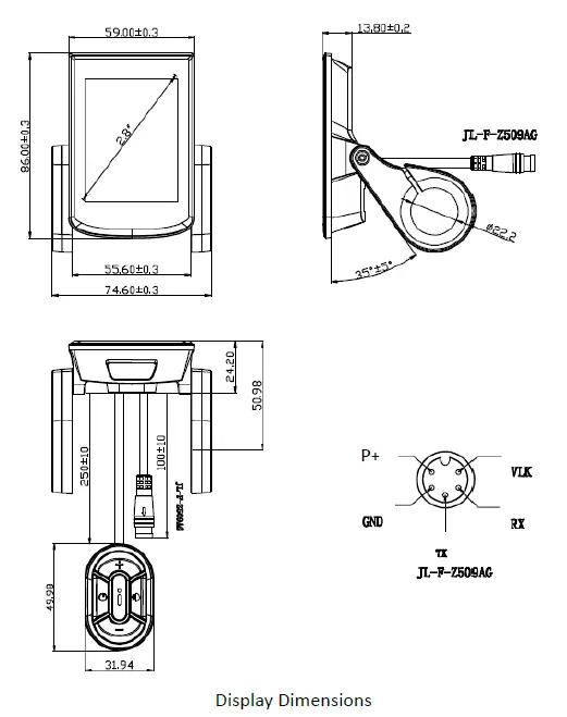
Parts Description
Function introduction
Features
BC281 supports the common riding parameters and statistical results, as well as some useful functions:
- Real-time speed, Max speed, Average speed
- Real-time motor power
- Battery indicator
- Assistant level
- Odometer, trip
- Trip time
- Light indicator
- Metric(km/h)/Imperial(mph) switching
- Error codes indicator
- Auto headlights, Brightness adjustment, automatic backlight
- Auto Power-off
- USB Port(5V/500mA)
Buttons Functions
| Name | Functions |
| [Power] | 1、 Power on/off |
| [+] | 1、 Parameter adjustment 2、 Menu operation 3、 Long pressàCruise on/off |
| [-] | 1、Parameter adjustment 2、Pedestrian mode on/off 3、Menu operation |
| [Light] | 1、 Light on/off |
| [i] | 1、 Parameters confirm 2、 Long pressàChange mode |
Operation
Power on/off
Long press the [Power] button to power on, the boot interface will be shown for about 2s, followed by the riding interface: 
In any interface, long press the [Power] button, the shutdown interface will be shown for about 2s before power off:
Riding interface

Assist level switch
- Click [+] or [-] to switch assist levels;
- Press and hold the [-] button to enter the pedestrian mode, and release to exit.

Turn on/off the light
Short press [light] button to turn on/off the light.
Error Code
Common error codes are as follows (Only for reference, depending on other electrical parts of the ebike): KM5S protocol Error Code
| Error Code | Meaning |
| 21 | Current or Mos Error |
| 22 | Throttle Error |
| 23 | Motor Phase Error |
| 24 | Motor Hall Error |
| 25 | Brake Error |
| 26 | Low-voltage protection |
| 30 | Communication Error |
User Menu
To enter the user menu, please long press the [+] and [-] combination buttons for 1s on the riding interface when static.
This interface will automatically return to the riding interface when there is no operation for more than 60s.
- Clear Datav
In the “Clear Data” menu interface, select the “Trip Distance” menu item, click the [+] / [-] to switch (the default option is “No”), and click [i] to confirm and automatically return to the previous menu interface.
- 2、 Factory Reset
In the “Clear Data” menu interface, select the “Factory Reset” menu item, click the [+] / [-] to switch (the default option is “No”), and click the [i] to confirm and automatically return to the previous menu interface. After “Factory Reset”, some functions need to be restarted to take effect.
- Set Unit
Select “Set Unit” and click the [i] to enter the submenu, you can select the unit: Select the “Set Unit” menu item, click [i] to enter, and click [+] /[-] to switch the unit. Click [i] to confirm and automatically return to the previous menu interface.
- Set Brightness
Select “Set Brightness” and click [i] to enter the submenu, the adjustment range is Auto, 1-5; Click [i] to confirm and automatically return to the previous menu interface.
- Auto Power-Off
Select “Auto Power-off” and click [i] to enter the submenu, the adjustment range is 0-99(unit: min), 0=Never auto power-off.
Click [i] to confirm and automatically return to the previous menu interface.
Speed Limit
Select “Speed Limit” and click [i] to enter the submenu, the adjustment range is 22-50km/h Click [i] to confirm and automatically return to the previous menu interface.
Personalization
Click [i] to enter the “Personalization” menu interface, you can set cruise control (CRU), reverse charging current (ACF), auto headlight (Auto Headlight), Assist level PWM (Power Set).
- Select “CRU”, press [i] to adjust ON/OFF;
- Select “ACF”, press [i] to adjust ON/OFF;
- Select “Auto Headlight”, press [i] to adjust ON/OFF;
- Select “Power Set”, press [i] to enter, and press [i] again to select “Power Mode”, click [+]/[-] to switch the assist level range, the adjustment range is 0-3/1-3/0-5/1-5/0-7/1-7/0-9/1-9. Click [i] to confirm and exit, click [+]/[-] to change the percentage value of each assist level.
- System Info
Select “System Info” and click [i] to check the version info. Click [i] to return to the previous menu interface.
Attentions
- Be sure to power of first before connecting and disconnecting the cable, or the display will be totally damaged;
- When fix the display to the ebike, please ensure that the torque of the screwdriver is about 0.5N.M (DO NOT EXCEED 0.6N.M), or it will cause damages to the handle;
- Do not put the display into water;
- The display can be wiped with wet and soft cloth, but DO NOT use any chemical liquid or spray on the display;
- Please abide by local laws and regulations when scrapping, discard or recycle in an environmentally friendly way, and do not discard the instrument or any accessories as resident waste;
- The damage and failure of the instrument caused by improper installation or use are not covered by the after-sale warranty.
- For more information and support, please contact [email protected].
digitech BC281 Electric Bike Color Display




Speed Limit
Personalization


















