H-5908
FROMM P328 SEALLESS
COMBO STRAPPING TOOL
1-800-295-5510 – uline.com





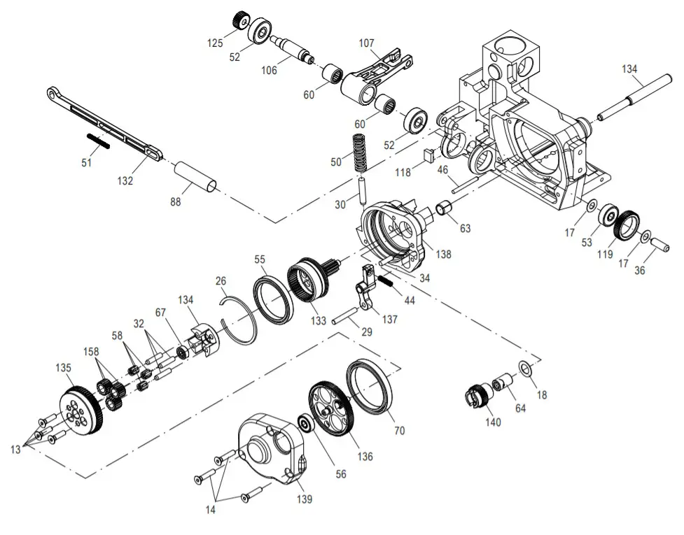
# | DESCRIPTION | QTY. | ULINE PART NO. | MFG. PART NO. |
| 1 | Screw M4 x 16 | 3 | H-6028 | N1.1196 |
| 2 | Screw M4 x 7.8 | 6 | H-6029 | N1.1305 |
| 3 | Hexagon Screw M4 x 8 | 1 | H-5908-1553 | N13553 |
| 4 | Flat Head Screw M4 x 12 | 2 | —- | N1.1910 |
| 5 | Flat Head Screw M4 x 8 | 2 | H-5909-1911 | N1.1911 |
| 6 | Flat Head Screw M4 x 60 | 1 | —- | N1.1927 |
| 7 | Flat Head Screw M4 x 16 | 1 | H-6030 | N1.1928 |
| 8 | Flat Head Screw M4 x 50 | 3 | H-6031 | N1.1934 |
| 9 | Flat Head Screw M4 x 40 | 2 | H-6032 | N1.1943 |
| 10 | Screw M4 x 70 | 1 | H-5909-11966 | N1.1966 |
| 11 | Screw M4 x 80 | 1 | H-5909-1972 | N1.1972 |
| 12 | Flat Head Screw M4 x 10 | 1 | H-6033 | N1.1973 |
| 13 | Countersunk Screw M4 x 16 | 3 | —- | N1.2188 |
| 14 | Countersunk Screw M4 x 20 | 3 | —- | N1.2189 |
| 15 | Countersunk Screw M4 x 10 | 2 | H-5908-SCREW | N1.2222 |
| 16 | Spacer Washer 6 x 18 x 0.5 | 1 | —- | N1.6305 |
| 17 | Spacer Washer 6 x 12 x 0.5 | 3 | —- | N1.6331 |
| 18 | Spacer Washer 9 x 15 x 0.5 | 1 | —- | N1.6386 |
| 19 | Safety Washer M4 | 24 | H-6034 | N1.6504 |
| 20 | PT-Screw 3 x 40 | 1 | H-956-1/25C | N1.7207 |
| 21 | PT-Screw 3 x 20 | 8 | H-6035 | N1.7211 |
| 22 | PT-Screw 2.2 x 5 | 1 | —- | N1.7222 |
| 23 | Security Ring 6 | 2 | H-2615-RNG | N2.1118 |
| 24 | Security Ring 5 | 5 | H-2615-1121 | N2.1121 |
| 25 | Spring Ring SW6 | 1 | H-2614-160 | N2.1606 |
| 26 | Spring Ring SB44 | 1 | —- | N2.1610 |
| 27 | Parallel Pin 4 m6 x 10 | 1 | —- | N2.2110 |
| 28 | Parallel Pin 4 m6 x 18 | 1 | H-5908-2119 | N2.2119 |
| 29 | Parallel Fin 4 m6 x 40 | 1 | H-5909-29 | N2.2124 |
| 30 | Parallel Pin 5 m6 x 26 | 1 | —- | N2.2126 |
| 31 | Parallel Pin 4 m6 x 28 | 1 | —- | N2.2142 |
| 32 | Parallel Fin 4 h6 x 18 | 3 | —- | N2.2145 |
| 33 | Parallel Pin 3 m6 x 10 | 2 | H-5909-33 | N2.2147 |
| 34 | Parallel Pin 4 m6 x 16 | 1 | —- | N2.2180 |
| 35 | Parallel Pin 3 m6 x 6 | 1 | H-956-PPIN | N2.2187 |
| 36 | Parallel Pin 6 h6 x 18 | 1 | —- | N2.2190 |
| 37 | Parallel Pin 3 m6 x 32 | 1 | H-5908-37 | N2.2193 |
| 38 | Dowel Pin 4 x 15 | 1 | —- | N2.2443 |
| 39 | Feather Key 2 x 2 x 6 | 1 | —- | N2.3364 |
| 40 | HammerHead Bolt 1.85 x 4.76 | 2 | —- | N2.4902 |
| 41 | Pressure Spring 0.6 x 4.8 x 20/15.5 | 2 | —- | N2.5157 |
| 42 | Pressure Spring 0.32 x 2.82 x 20.5/20.5 | 2 | H-5908-42 | N2.5178 |
| 43 | Pressure Spring 0.8 x 4.8 x 20/18.5 | 1 | H-5908-43 | N2.5237 |
| 44 | Pressure Spring 0.5 x 4 x 24/16.5 | 1 | H-5909-46 | N2.5296 |
| 45 | Dowel Pin 2 x 16 | 1 | —- | N21.2140 |
| 46 | Parallel Fin 3 h6 x 30 | 1 | —- | N21.2144 |
| 47 | Parallel Pin 5 h6 x 37.6 | 3 | —- | N21.2145 |
| 48 | Pressure Spring 0.9 x 10 x 15/5.5 | 1 | —- | N21.5124 |
| 49 | Pressure Spring 2.5 x 14.2 x 33.5/7.5 | 1 | —- | N21.5138 |
| 50 | Pressure Spring 1.25 x 9.8 x 45114.5 | 1 | H-7369 | N21.5139 |
| 51 | Pressure Spring 043 x 3.6 x 32.9/27.5 | 1 | —- | N21.5219 |
| 52 | Ball Bearing 7 x 22 x 7 | 2 | H-5908-1134 | N3.1134 |
| 53 | Ball Bearing 6 x 19 x 6 | 1 | H-5908-1159 | N31159 |
| 54 | Ball Bearing 30 x 42 x 7 | 2 | 11-956-BEAR | N3.1172 |
| 55 | Ball Bearing 35 x 44 x 5 | 1 | —- | N3.1178 |
| 56 | Ball Bearing 5 x 16 x 5 | 2 | H-5908-56 | N3.1185 |
| 57 | Ball 4 mm | 6 | H-6036 | N3.1702 |
| 58 | Needle Cage K 4 x 7 x 7 TN | 3 | —- | N3.2105 |
| 59 | Needle Cage K 5 x 9 x 13 TN | 3 | —- | N3.2107 |
| 60 | Needle Bushing 10 x 14 x 12 | 2 | 14-5909-2347 | N3.2347 |
| 61 | Needle Bushing 6 x 10 x 8 | 1 | —- | N3.2362 |
| 62 | Slide-Bearing 8 x 10 x 12 | 1 | H-6684 | N3.3150 |
| 63 | Slide-Bearing 8 x 10 x 10 | 1 | —- | N3.3172 |
| 64 | Needle-Free Wheeling 6 x 10 x 15 | 2 | H-6037 | N3.4509 |
| 65 | Free Wheeling 6 x 10 x 12 | 1 | 11-6038 | N3.4520 |
| 66 | Ball Bearing 10 x 19 x 5 | 2 | H-2614-179 | N31.1118 |
| 67 | Ball Bearing 4 x 11 x 4 | 2 | 14-2614-161 | N31.1120 |
| 68 | Ball Bearing 17 x 30 x 7 | 1 | H-5908-1151 | N311151 |
| 69 | Ball Bearing 15 x 24 x 5 | 1 | H-5908-1163 | N31.1163 |
| 70 | Ball Bearing 40 x 50 x 6 | 1 | —- | N31.1169 |
| 71 | Slide-Bearing 6 x 8 x 6 | 1 | —- | N31.3115 |
| 72 | Toothed Belt 9 mm | 1 | —- | N4.3236 |
| 73 | Label -‘CE’ | 1 | —- | N4.9159 |
| 74 | Adhesive Label -“Warnings’ | 1 | —- | N41.9127 |
| 75 | Adhesive Label – “WEEE’ | 1 | —- | N43.9164 |
| 76 | Adhesive Label -18 Volt’ | 1 | —- | N43.9192 |
| 77 | Adhesive Label -“FROMM’ | 1 | —- | N44.9104 |
| 78 | Type Plate – 7328° | 1 | —- | N44.9122 |
| 79 | Cover | 1 | —- | N5.2702 |
| 80 | Gear Motor | 1 | H-6039 | N51.1127 |
| 81 | Insertion Part | 1 | H-2614-2194 | N51.2194 |
| 82 | Contact Plug | 3 | —- | N51.2199 |
| 83 | Spring Pin | 1 | —- | N51.5477 |
| 84 | 0-Ring 24 x 2 | 2 | H-5908-6224 | N6.6224 |
| 85 | 0-RIng 8 x 2 | 1 | H-5908-6232 | N6.6232 |
| 86 | 0-Ring 29.5 x 3 | 2 | 1+5908-6220 | N61.6220 |
| 87 | Holding Down Clamp | 1 | —- | P301210 |
| 88 | Tube | 1 | 1+5909-1124 | P31.1124 |
| 89 | Rocker | 1 | —- | P32.0144 |
| 90 | Pinion | 1 | 142614-178 | P32.0149 |
| 91 | Body | 1 | —- | P32.0200 |
| 92 | Welding Excenhic | 1 | —- | P32.0202 |
| 93 | Spring Bolt | 1 | —- | P32.0203 |
| 94 | Gear Wheel | 1 | —- | P32.0204 |
| 95 | Idler Step | 1 | —- | P32.0205 |
| 96 | Lever | 1 | —- | P32.0206 |
| 97 | Gear Body | 1 | —- | P32.0207 |
| 98 | Gear | 1 | —- | P32.0208 |
| 99 | Gear Wheel | 1 | —- | P32.0209 |
| 100 | Gear Wheel | 1 | —- | P32.0210 |
| 101 | Conical Gear Wheel | 1 | —- | P32.0211 |
| 102 | Gear Wheel | 1 | —- | P32.0212 |
| 103 | Motor | 1 | 146040 | P32.0213 |
| 104 | Cover | 1 | —- | P32.0221 |
| 105 | End Cover | 1 | —- | P32.0222 |
| 106 | Welding Excentric | 1 | H-5908-1022 | P32.1022 |
| 107 | Rocker | 1 | H-6044 | P32.1024 |
| 108 | Ball Cage | 1 | —- | P32.1027 |
| 109 | Bolt | 1 | H-6045 | P32.1028 |
| 110 | Thrust Piece | 1 | —- | P32.1029 |
| 111 | Driving Pin | 1 | H-5909-113 | P32.1032 |
| 112 | Driver | 2 | H-6046 | P32.1035 |
| 113 | Handle Shaft | 1 | H7292 | P32.1215 |
| 114 | Pusher | 1 | H-5908-1251 | P32.1251 |
| 115 | Welding Gripper | 1 | H-1728-1511 | P32.1511 |
| 116 | Centering Sleeve | 1 | H-5908-116 | P32.1710 |
| 117 | Turning Button | 2 | H-2614-TB | P32.2009 |
| 118 | Guide | 1 | —- | P32.2012 |
| 119 | Gear Wheel | 1 | H-2615-GEAR | P32.2016 |
| 120 | Body | 1 | H-5908-8101 | P32.8101 |
| 121 | Motor Housing | 1 | H-6041 | P32.8103 |
| 122 | Steel Wised | 1 | H-5908-8106 | P32.8106 |
| 123 | Welding Stop Gripper | 1 | H-6047 | P32.8107 |
| 124 | Holder | 1 | H-5908-124 | P32.8108 |
| 125 | Pinion | 1 | H-5908-8115 | P32.8115 |
| 126 | Spring Slide | 1 | —- | P32.8116 |
| 127 | Spring Bolt | 1 | —- | P32.8117 |
| 128 | Strap Guide Plate | 1 | H-5908-8118 | P32.8118 |
| 129 | Magnet | 1 | —- | P32.8120 |
| 130 | Eccentric Shaft | 1 | —- | P32.8121 |
| 131 | Toothed Belt Pulley | 1 | —– | P32.8122 |
| 132 | Pusher | 1 | —– | P32.8125 |
| 133 | Gearwheel | 1 | —- | P32.8126 |
| 134 | Planet Shaft | 1 | —– | P32.8127 |
| 135 | Gear Wheel | 1 | —– | P32.8128 |
| 136 | Gear Wheel | 1 | —– | P32.8129 |
| 137 | Lever | 1 | H-5909-142 | P32.8130 |
| 138 | Gear Body | 1 | —– | P32.8131 |
| 139 | Gearing Cover | 1 | —– | P32.8132 |
| 140 | Gear Wheel | 1 | —– | P32.8134 |
| 141 | Gear Wheel | 1 | —– | P32.8135 |
| 142 | Housing | 1 | —– | P32.8136 |
| 143 | Swivel Shaft | 1 | —– | P32.8137 |
| 144 | Conical Gear Shaft | 1 | —– | P32.8138 |
| 145 | Gear Wheel | 1 | H-5908-8139 | P32.8139 |
| 146 | Retainer | 1 | —– | P32.8140 |
| 147 | Covering | 1 | —– | P32.8141 |
| 148 | Handle Lever | 1 | H-6685 | P32.8142 |
| 149 | Cover | 1 | H-5908-8158 | P32.8158 |
| 150 | End Cover | 1 | H-6051 | P32.8159 |
| 151 | Cover | 1 | H-5908-8195 | P32.8195 |
| 152 | Gear Wheel | 1 | —– | P33.0204 |
| 153 | Turning Button | 1 | —– | P33.2115 |
| 154 | Shrinkable Hose | 3 | —- | P33.2127 |
| 155 | Disk | 1 | 11-5908-DISK | P32.2145 |
| 156 | Dowel | 1 | —– | P33.2155 |
| 157 | Pusher | 1 | —– | P35.0146 |
| 158 | Idler Gear | 3 | —– | P35.3104 |
| 159 | Idler Gear | 3 | H-5908-3201 | P35.3201 |
| 160 | Seesaw Lever | 1 | H-1728-SLVR | P35.3220 |
| 161 | Seesaw Lever | 1 | H-2615-3221 | P35.3221 |
| 162 | Must Piece | 1 | H-5908-3223 | P35.3223 |
| 163 | Adhesive Label – ‘Button Panel’ | 1 | —– | N44.9160 |
| 164 | Base Model | 1 | —- | P32.0201 |
| 165 | Circuit Board | 1 | H-5908-0215 | P32.0215 |
| 166 | Motor Housing | 1 | H-6042 | P32.8105 |
| 167 | Gripper | 1 | H-5908-167 | P32.8112 |
| 168 | Gripper | 1 | 145908-168 | P32.8113 |
| 169 | Gripper | 1 | 145908-169 | P32.8114 |
| 170 | Circuit Board | 1 | —- | P32.8148 |
| 171 | Touch Contact-Switch | 1 | H-6043 | P32.8150 |
| 172 | Strap Stop | 1 | H-5908-8163 | P32.8163 |
| 173 | Strap Guide | 1 | —- | P32.8173 |
| 174 | Guide Case | 1 | H-5908-8179 | P32.8179 |
| 175 | Guide Fin | 1 | H-5908-175 | P32.8183 |
| 176 | Guide Pin | 1 | H-5908-176 | P32.8191 |
| 177 | Crater | 1 | H-5908-8197 | P32.8197 |
| 178 | insertion Part | 1 | H-5908-8198 | P32.8198 |
| 179 | Tensioning Wheel | 1 | H-5908-3202 | P35.3202 |
| Suspension Bracket (Not Shown) | 1 | H-5908-0223 | P32.0223 | |
1-800-295-5510
uline.com



















