MiSUMi SV Series Flat Belt Conveyor

Features: Streamlined structure has achieved the low cost. The conveyor maintains good running straightness by the use of the guided belt to prevent lateral movement.
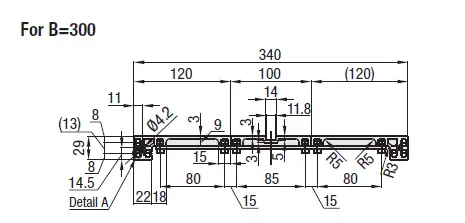
SVKB
- When L≥400, each slot has four (4) nuts inserted. When counterbores for inserting nuts are required, please specify in alterations.
- 1 When L≥2005, belt support rollers are mounted at these positions.
- The dimensions in the diagram are for Belt Specifications H (0.8mm thick). Take note that belt thickness varies by Belt Specifications.
- The “Detail A” section of the frame is used for pulley holder mounting. The nuts cannot be moved to this area.







| Output (W) | Motor | Reduction Ratio | Motor Length (A) | |
| Specification | Manufacturer | |||
| 6W | Constant Speed Motor | Panasonic | 12.5–25 | 101.0 |
| 30–180 | 108.0 | |||
| Oriental | 12.5–18 | 105.0 | ||
| 25–180 | 115.0 | |||
| Taiwanese | 12.5–75 | 119.7 | ||
| 90–180 | 125.7 | |||
| Variable Speed Motor | Oriental | 12.5–18 | 115.0 | |
| 25–180 | 125.0 | |||
| Taiwanese | 12.5–75 | 131.9 | ||
| 90–180 | 137.9 | |||
| 25W | Constant Speed Motor | Panasonic | 5–180 | 115.0 |
| Oriental | 5–18 | 117.0 | ||
| 25–180 | 127.5 | |||
| Taiwanese | 5–75 | 129.0 | ||
| 90–180 | 136.0 | |||
| Variable Speed Motor | Oriental | 5–18 | 127.0 | |
| 25–180 | 137.5 | |||
| Taiwanese | 5–75 | 139.5 | ||
| 90–180 | 146.5 | |||

Gearhead Reduction Ratio
- Conveyance speeds are reference values based on IM (motor rotational speed 1,500 rpm [50 Hz]/1,800 rpm [60 Hz]).
- May decrease depending on load condition.
| Gearhead Reduction Ratio | Belt Speed (m/min) | |
| 50Hz | 60Hz | |
| 5 | 56.4 | 67.7 |
| 7.5 | 37.6 | 45.1 |
| 9 | 31.3 | 37.6 |
| 12.5 | 22.6 | 27.1 |
| 15 | 18.8 | 22.6 |
| 18 | 15.7 | 18.8 |
| 25 | 11.3 | 13.5 |
| 30 | 9.4 | 11.3 |
| 36 | 7.8 | 9.4 |
| 50 | 5.6 | 6.8 |
| 60 | 4.7 | 5.6 |
| 75 | 3.8 | 4.5 |
| 90 | 3.1 | 3.8 |
| 100 | 2.8 | 3.4 |
| 120 | 2.4 | 2.8 |
| 150 | 1.9 | 2.3 |
| 180 | 1.6 | 1.9 |
| Part Number | Width B (mm) | Length L 5mm Increment | Motor | Belt Specification | Motor Manufacturer Selection Prices vary by manufacturer. | ||||
| Output (W) | Voltage (V) | Specification | Gearhead Reduction Ratio | ||||||
| 50 | (Single-Phase) | H (General Specifications, Green) W (General Specifications, White) G (For Sliding, Green) S (For Sliding, White) N (Non-Stick Food Grade, White) J (No Belt) * For belts other than the above, select from Belt Specification below. | |||||||
| 100 150 200 250 300 | 6 25 | TA100 TA110 TA115 TA200 TA220 | IM (Constant Speed Motor) SCM (Variable Speed Motor) | 5 7.5 9 12.5 15 18 25 30 36 50 60 75 90 100 120 150 180 | A (Panasonic Motor) | ||||
| SVKB | 400 When B = 300 or 400, Output = 6W and Gearhead | 300–3000 | TA230 | 5–9 not applicable for 6W Motor | SCM (Variable Speed Motor) is not selectable for A. | ||||
| 25 | (Three-Phase) SA2SA220 SA230 | IM(Constant Speed Motor) | |||||||
| Reduction Ratio= 12.5~30 are disabled. | |||||||||
| 6 25 | NV (No Motor) | NM (No Motor) | NH (No Gearhead) | R (No Motor, Gearhead) | |||||
- Connect the motor so that the belt rotates in the direction of conveyance.
- When “No motor, gearhead” is selected, the motor mounting hole pitch will vary depending on the motor’s power rating. Please see Technical Information in our Conveyor Selection web site for the dimension details.
- When “No motor, gearhead” is selected, this unit will be delivered unassembled. The customer is to assemble the unit according to the included assembly instructions. See our Conveyor Selection site for assembly procedures and packaging details. Note that warpage might occur in belts with the guided belt depending on the number of plies (thickness).
- It is not recommended to use the conveyor while it is tilted, regardless of the belt specifications.
| Belt Specification | Standard Belt | Optional Belt 1 | Optional Belt 2 | No Belt |
| General Purpose | H (Green), W (White) | — | — | J (No Belt) |
| For Sliding | G (Green), S (White) | — | — | |
| For Inclined Transfer | — | — | — | |
| Grip Type | — | — | GG (Green), GW (White) | |
| Oil Resistant | O (Green) | OW (White) | — | |
| Non-Stick Food Grade | N (White) | NB (Sky Blue), NBG (Lime Green) HH (Green), HW (White) | — | |
| Food Grade | — | KW (White), KSB (Sky Blue), PHB (Sky Blue) | — | |
| Static Conductive | D (Black) | — | — |
- If using Optional Belts, please select motor manufacturer A or B (Motor C is applicable for Standard Belt only.)
- Select a belt with a thickness of 1.0 mm or less for a motor output of 6 W.
| Belt Specification | Standard Belt | Optional Belt 1 | Optional Belt 2 | No Belt |
| General Purpose | H (Green), W (White) | — | — | J (No Belt) |
| For Sliding | G (Green), S (White) | — | — | |
| For Inclined Transfer | — | — | — | |
| Grip Type | — | — | GG (Green), GW (White) | |
| Oil Resistant | O (Green) | OW (White) | — | |
| Non-Stick Food Grade | N (White) | NB (Sky Blue), NBG (Lime Green HH (Green), HW (White) | — | |
| Food Grade | — | KW (White), KSB (Sky Blue), PHB (Sky Blue) | — | |
| Static Conductive | D (Black) | — | — |

Machine Weight(With a Motor Output of 6 W)
- Reference values (may vary depending on motor manufacturer)
| Belt Width | Distance Between Pulleys L(mm) | |||||
| B(mm) | 500 | 1000 | 1500 | 2000 | 2500 | 3000 |
| 50 | 3.7 | 4.8 | 5.8 | 6.9 | 7.9 | 9 |
| 100 | 4.4 | 5.8 | 7.3 | 8.7 | 10.4 | 11.8 |
| 150 | 5 | 6.8 | 8.7 | 10.5 | 12.8 | 14.6 |
| 200 | 5.7 | 7.9 | 10.1 | 12.3 | 15.1 | 17.3 |
| 250 | 6.3 | 8.9 | 11.6 | 14.3 | 17.3 | 20 |
| 300 | 6.8 | 10.5 | 11.9 | 16 | 19 | 22.1 |
| 400 | 8.2 | 12.4 | 15 | 19.7 | 23.9 | 27.7 |
- When the motor output is 25 W, add 1.1 kg.
| Motor Position Reversed |
| Additional Counterbores |
| Motor Cover with Window |
| Brackets for Speed Controller Included |
| Post-Assembly Insertion Nuts Included |
| Motor with Terminal Box |
| Stands (Legs) |
















