MiSUMi CVSX Flat Belt Conveyor Heavy Duty

Features
Up to 90W, Medium distance (up to 6m) transfer suited conveyor. The belt with the guide prevents lateral movement.
- Guided Flat Belt Conveyor Heavy Duty –
- Guided Belt to Prevent Lateral Movement,
- End Drive, 3-Groove Frame
- (Pulley Dia. 60mm / 30mm
| Frame | Motor Cover | Pulley Holder | |
| Material | Aluminum | Low Carbon Steel | 1018 Carbon Steel Equivalent |
| Surface Treatment | Clear Anodize | Paint | Paint |
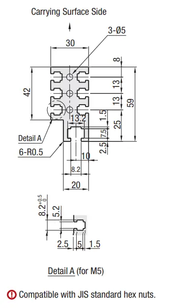
Frame Cross Section and Enlarged View (Symmetrical)
CVSF
60W/90W Motor Type
- When L≥2005, a belt support roller is mounted in the diagram location.
- When L≥4005, 2 belt support rollers are mounted in the diagram locations.
The dimensions in the diagram are for Belt Specifications H (0.8mm thick.). Take note that belt thickness varies by Belt Specifications.
Motor Specifications
| Output (W) | Motor | Reduction Ratio | Motor Length (A) | |
| Specification | Manufacturer | |||
|
60W |
Constant Speed Motor | Panasonic | 5–180 | 180.0 |
| Oriental | 5–180 | 185.0 | ||
| Taiwanese | 5–75 | 182.6 | ||
| 90–180 | 191.6 | |||
| Variable Speed Motor | Oriental | 5–180 | 215.0 | |
| Taiwanese | 5–75 | 194.6 | ||
| 90–180 | 203.6 | |||
|
90W |
Constant Speed Motor | Panasonic | 5–180 | 195.0 |
| Oriental | 5–180 | 200.0 | ||
| Taiwanese | 5–75 | 197.6 | ||
| 90–180 | 206.6 | |||
| Variable Speed Motor | Oriental | 5–180 | 230.0 | |
| Taiwanese | 5–75 | 209.6 | ||
| 90–180 | 218.6 | |||
Conveying Capacity
Gearhead Reduction Ratio
May decrease depending on load condition.
| Gearhead Reduction Ratio | Belt Speed (m/min) | |
| 50Hz | 60Hz | |
| 5 | 56.4 | 67.7 |
| 7.5 | 37.6 | 45.1 |
| 9 | 31.3 | 37.6 |
| 12.5 | 22.6 | 27.1 |
| 15 | 18.8 | 22.6 |
| 18 | 15.7 | 18.8 |
| 25 | 11.3 | 13.5 |
| 30 | 9.4 | 11.3 |
| 36 | 7.8 | 9.4 |
| 50 | 5.6 | 6.8 |
| 60 | 4.7 | 5.6 |
| 75 | 3.8 | 4.5 |
| 90 | 3.1 | 3.8 |
| 100 | 2.8 | 3.4 |
| 120 | 2.4 | 2.8 |
| 150 | 1.9 | 2.3 |
| 180 | 1.6 | 1.9 |
Conveyor Resource Site: http://www.misumiusa.com/conveyor/
Conveyor Selection, Design Your Own
Conveyor Kit, & Maintenance Parts Search
| Part Number | Width B (mm) | Length L 5mm Increment | Motor | Belt Specification | FYA (Additional Counterbores) 5mm Increment | Motor Manufacturer Selection The prices vary by manufacturer. | |||
| Output (W) | Voltage (V) | Specification | Gearhead Reduction Ratio | ||||||
|
440–6000 |
60 90 | (Single-Phase) | IM (Constant Speed Motor) SCM (Variable Speed Motor) | H (General Purpose, Green) W (General Purpose, White) G (For Sliding, Green) S (For Sliding, White) D (Static Conductive) O (Oil Resistant) N (Non-Stick Food Grade) J (No Belt) * For belts other than the above, select from Belt Specification below. | |||||
| TA100 | |||||||||
| TA110 | |||||||||
| TA115 | A (Panasonic Motor) | ||||||||
| CVSF | 100 200 300 400 500 | TA200 TA220 TA230 | 5 7.5 9 12.5 15 18 25 30 36 50 60 75 90 100 120 150 180 | 205<FYA<L-225 * When not specified, there will be no additional counterbores. | B (Oriental Motor) C (Taiwanese Motor) * SCM (Variable Speed Motor) is not selectable for A. | ||||
| (Three-Phase) SA200 | IM (Constant | ||||||||
| SA220 SA230 | Speed Motor) | ||||||||
| NV (No Motor) | NM (No Motor) | NH (No Gearhead) | R (No Motor, Gearhead) | ||||||
- Connect the motor so that the belt rotates in the direction of conveyance.
- Workpiece weighing over 10kg/unit might deform belt base plate.
- When the unit length (L dim.) is 2000mm or less, this will be delivered complete. For a unit over 2000mm, the frame is delivered in sections and the customer is to assemble according to the included assembly instructions. The assembly procedure manual can also be downloaded from our Conveyor Selection web site.
- When “No motor, gearhead” is selected, the motor mounting hole pitch will vary depending on the motor’s power rating. Please see Technical Information in our Conveyor Selection web site for the dimension details.
- When “No motor, gearhead” is selected, this unit will be delivered unassembled. The customer is to assemble the unit according to the included assembly instructions. See our Conveyor
- Selection site for assembly procedures and packaging details.
- Note that warpage might occur on the guided belts depending on the number of plies (thickness).
| Belt Specification | Standard Belt | Optional Belt 1 | Optional Belt 2 | No Belt |
| General Purpose | H (Green), W (White) | — | — |
J (No Belt) |
| For Sliding | G (Green), S (White) | — | — | |
| For Inclined Transfer | — | — | — | |
| Grip Type | — | — | GG (Green), GW (White) | |
| Oil Resistant | O (Green) | OW (White) | — | |
| Non-Stick Food Grade | N (White) | NB (Sky Blue), NBG (Lime Green) HH (Green), HW (White) | — | |
| Food Grade | — | KW (White), KSB (Sky Blue), PHB (Sky Blue) | — | |
| Static Conductive | D (Black) | — | — |
Note: If using Optional Belts, please select motor manufacturer A or B (Motor C is applicable for Standard Belt only.)
| Part Number | B | Available Types | |||||||||||||||||||||
| L440– 600 | L605– 800 | L805– 1000 | L1005– 1200 | L1205– 1400 | L1405– 1600 | L1605– 1800 | L1805– 2000 | L2005– 2200 | L2205– 2400 | L2405– 2600 | L2605– 2800 | L2805– 3000 | L3005– 3250 | L3255– 3500 | L3505– 3750 | L3755– 4000 | L4005– 4250 | L4255– 4500 | L4505– 5000 | L5005– 5500 | L5505– 6000 | ||
|
CVSF | 100 | • | • | • | • | • | • | • | • | • | • | • | • | • | • | • | • | • | • | • | • | • | • |
| 200 | • | • | • | • | • | • | • | • | • | • | • | • | • | • | • | • | • | • | • | • | • | • | |
| 300 | — | • | • | • | • | • | • | • | • | • | • | • | • | • | • | • | • | • | • | • | • | • | |
| 400 | — | — | • | • | • | • | • | • | • | • | • | • | • | • | • | • | • | • | • | • | • | • | |
| 500 | — | — | — | • | • | • | • | • | • | • | • | • | • | • | • | • | • | • | • | • | • | • | |

There’s more on the web: misumiusa.com
Check out misumiusa.com for the most current pricing and lead time.




















