Simplex Electromechanical
Control Panel
Panel Model: AFSCPS120/240
Installation Instructions and
Operation Manual
PRODUCT OVERVIEW
Applications
The AFS electromechanical simplex control panel controls single pumps in residential and light commercial wastewater pumping applications, general simplex pump control applications, and reservoir pump up and alarm applications.
General
With a focus on the “one size fits all” approach to residential simplex pumping control, our AFS engineers worked to provide a single simplex panel solution that fits nearly every typical application. AFS electromechanical simplex control panel standard features include: lockable NEMA 4X enclosure, nearly silent power relay that is rated for 30 amps and 100,000 cycles, dual voltage pump operation, redundant OFF/low-level alarm, an Auto/Off/Hand toggle switch, pump and controls circuit breakers, float operated motor control circuit and an audible/visible high water level alarm with manual audible alarm silence and automatic reset as standard features. The AFS electromechanical simplex panel can be used with either mechanical or mercury float switches and includes a simplified wiring diagram that is not removable from the interior of the panel. Listed per UL508 and cUL-508.
Materials of Construction
| Enclosure | Polycarbonate |
| Hinge | Polycarbonate |
| Latch | Stainless steel |
Specifications
| Height, in. (mm) | 10.5 (292) |
| Width, in. (mm) | 10.25 (260.35) |
| Depth, in. (mm) | 8.0 (203.2) |
| Panel ratings | 120/240 VAC, 20 amps max, 1-phase, 60 Hz |
Installation
- The AFS electromechanical simplex control panel is designed to operate with four, normally open signal floats when used in a pump-down application like a sewage or septic pump system. These floats operate (from top to bottom), (1) high-level alarm, (2) pump ON, (3) pump OFF, (4) and redundant OFF/low-level alarm functions.
- SJE Rhombus float type recommended for all 4 operations listed above: MilliAmpMaster Control Switch – Normally Open.
- All floats can be ordered with various cord lengths depending on the application and depth of the tank. 4. The AFS float tree assembly model number AFSFT4-0 includes the four required floats, tree, and adjustable float clips to make float adjustment and installation quick and easy.
- The control panel can be mounted on an exterior wall or treated post near the pump tank area and should be mounted within the visual site and 50’ of the pump tank riser lid location as required by the National Electric Code.
WARNING
ELECTRICAL SHOCK HAZARD
Disconnect all power sources before servicing. Failure to do so could result in serious injury or death
This control panel must be installed and serviced by a licensed electrician in accordance with National Electrical Code NFPA70, and state and local electrical codes. UL Type 4X enclosures are for indoor and outdoor use.
Warranty void if the panel is modified.
PANEL FEATURES
Control Panel Components

- 10” X 8” X 6” NEMA 4X enclosure rated for outdoor use
- Stainless steel lockable latch for added safety
- Large touch safe terminal strip for easy wiring
- Dual circuit breakers – one for pump power and a second for control and alarm power
- Pump run relay (30 amp), controls pump by switching electrical lines
- Simplified field wiring diagram inside box
- Pump run light
- Auto-OFF-Hand switch for easy control circuit troubleshooting
Float Arrangement (from the top down)
- High-Level Alarm – activates the audible and visual alarm when the pump is not operational or activated. The audible alarm can be deactivated by pressing the High Alarm Push to Silence button on the front of a panel
- Pump ON – provides closure signal to power relay to activate pump/motor
- Pump OFF – releases pump holding circuit deactivating power relay and pump/motor
- Redundant OFF – ensures the pump will not run under low-level conditions and also provides an audible and visual alarm to indicate tank leak or siphoning of tank contents. The Redundant OFF float is optional and bypassed using a provided jumper.
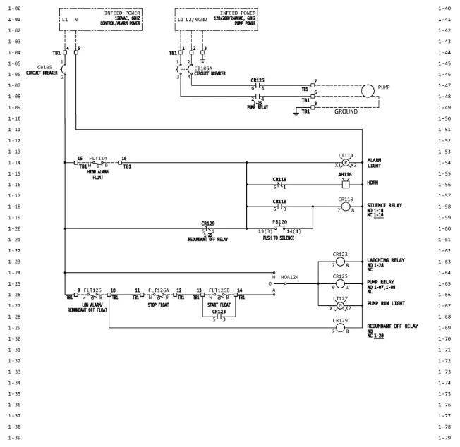
Basic Control Panel Wiring Connection Diagram (provided in the panel)

Complete Control Panel Wiring Diagram (See next page)

NOTES:
- FIELD WIRING IS SHOWN
- THE TEMPERATURE RATING OF FIELD-INSTALLED CONDUCTORS MUST BE AT LEAST 140° F. (60° C.).
- FIELD WIRING WILL ACCEPT COPPER CONDUCTORS ONLY.
- CONNECT THE GROUND LUG IN THE PANEL TO A SECURE EARTH GROUND.
- THE USE OF SEPARATE POWER SOURCES FOR THE PUMP AND ALARM IS RECOMMENDED.
- BRANCH CIRCUIT PROTECTION, OVERLOAD PROTECTION, MAIN DISCONNECT, AND OVER-CURRENT PROTECTION OF INCOMING FEEDER CIRCUIT PROVIDED BY OTHERS MUST BE SIZED ACCORDING TO THE PUMP/MOTOR MANUFACTURER SPECIFICATIONS
- THE INSTALLER MUST PROVIDE FOR THE CONTROL CIRCUIT AN INVERSE TIME CIRCUIT BREAKER NOT TO EXCEED 20 AMPS FOR BRANCH CIRCUIT PROTECTION.

| AFSS1DV | DWG NO |
| 05/11/21 | DATE |
| NTS | SCALE |
| ACW | DRAWN BY |
| SAJ | CHECKED BY |
AFS SIMPLEX ELECTROMECHANICAL CONTROL PANEL, DUAL VOLTAGE PART NUMBER: AFSCPS120/240 WIRING DIAGRAM
625 BEST AVE
COEUR D’ALENE, ID 83814
PHONE 208.664.2133
4444 S YELLOWSTONE HWY
IDAHO FALLS, ID 83402
208.529.6868
www.RCVVORST.COM
4101 E BROADWAY
SPOKANE, WA 99202
PHONE 509.534.5616
Simplex Electromechanical Control Panel


















