MINN KOTA 2884049 12 Volt Maxxum Control Board Instruction Manual

TOOLS AND RESOURCES REQUIRED
#2 Phillips Screwdriver • 1/2″ Open-End Wrench .
⚠ CAUTION
Always wear safety glasses and gloves. Disconnect all power to the trolling motor before beginning any work or maintenance. Johnson Outdoors Inc. is not responsible for any damage due to improper rigging or installation. If you do not have the skills, experience and tools to perform the following maintenance and repairs, we recommend you seek the help of a Minn Kota Authorized Service Center. A list of Authorized Service Centers can be found at http://www.minnkotamotors.com/Authorized-Service-Providers/. Or contact our Technical Service Department by email at [email protected] or, by dialing 800-227-6433.
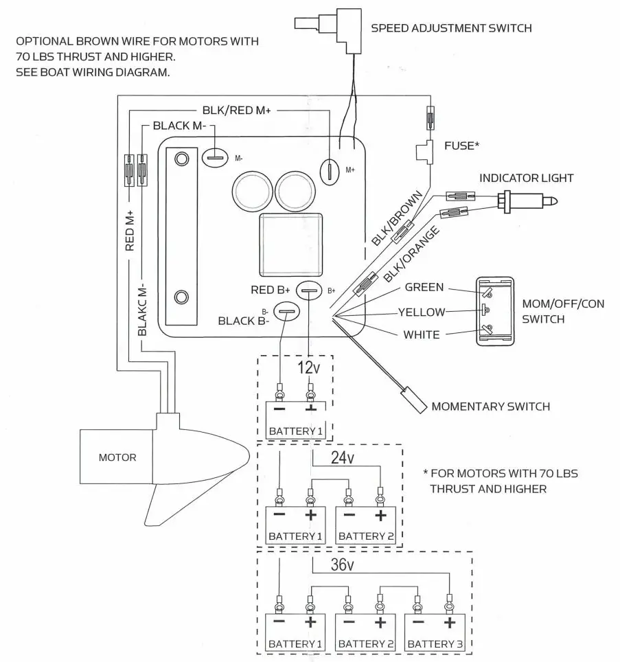
WIRING DIAGRAM

For warranty information please visit minnkotamotors.com

Minn Kata Consumer & Technical Service
Johnson Outdoors Marine Electronics, Inc.
PO Box8129
Mankato, MN 56001
121 Power Drive
Mankato, MN 56001
Phone (800) 227-6433
Fax (800) 527-4464
©2018 Johnson Outdoors Marine Electronics, Inc.
All rights reserved.

















