
Maximal FDV Series
Single Power Supply
Access Power Controllers (PTC)
Installation Guide
Maximal7FDV Access Power Controllers
Models Include:
Maximal3FDV
– 12VDC @ 4.6A or 24VDC @ 5.2A.
– Sixteen (16) PTC protected outputs.
Maximal5FDV
– 12VDC @ 8.6A.
– Sixteen (16) PTC protected outputs.
Maximal7FDV
– 24VDC @ 9.2A.
– Sixteen (16) PTC protected outputs.
Rev. SFDV031115
Installing Company: _______________
Service Rep. Name: ________________
Address: ________________________
Phone #: _______________________
MaximalFDV Series Overview:
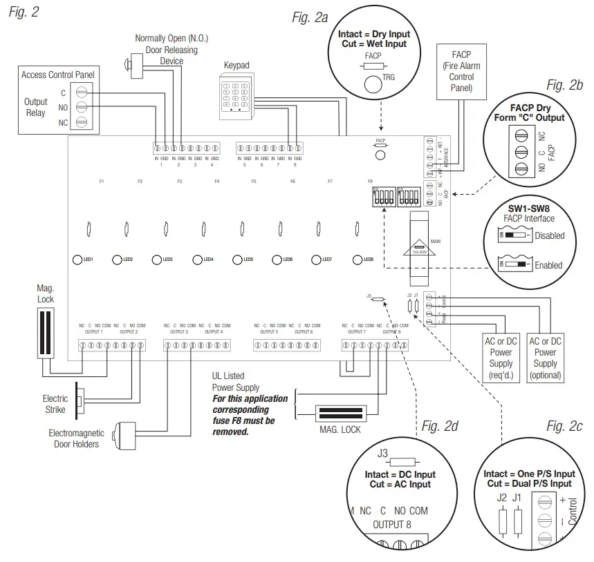
Altronix MaximalFDV Access Power/Controllers distribute and switch power to access control systems and accessories. They convert a 220VAC (working range 198VAC – 256VAC), 50/60Hz input into sixteen (16) independently controlled 12VDC or 24VDC PTC protected outputs. The outputs are activated by an open collector sink or normally open (NO) dry trigger input from an Access Control System, Keypad, Push Button, REX PIR, etc. Units will route power to a variety of access control hardware devices including: Mag Locks, Electric Strikes, Magnetic Door Holders, etc. The FACP Interface enables Emergency Egress, Alarm Monitoring, or may be used to trigger other auxiliary devices. The fire alarm disconnect feature is individually selectable for any or all of the sixteen (16) outputs.
MaximalFDV Series Configuration Chart:

These units are suitable to power: sensors, electro-mechanical devices (e.g. electric door strikes).
MaximalFDV Series Features:
ACM8CB Access Power Controller Modules:
- Sixteen (16) independently trigger controlled outputs. Output options:
a) Sixteen (16) Fail-Safe filtered power outputs.
b) Sixteen (16) Fail-Secure filtered power outputs.
c) Any combination of the above. - Sixteen (16) Access Control System trigger inputs. Input trigger options:
a) Sixteen (16) normally open (NO) dry trigger inputs.
b) Sixteen (16) open collector inputs.
c) Any combination of the above. - Sixteen (16) unswitched filtered aux. power outputs (outputs are rated @ 2.5A).
- Red LEDs on ACM8CB board indicate individual outputs are triggered (relays energized).
- Fire Alarm disconnect (latching or non-latching) is individually selectable for any or all of the sixteen (16) outputs.
Fire Alarm disconnect input trigger options:
a) Normally open (NO) or normally closed (NC) dry trigger input.
b) Polarity reversal input from FACP signaling circuit. - Green LED on ACM8CB board indicates FACP disconnect is triggered.
- FACP output relay indicates that FACP input is triggered (form “C” contact rated @ 1A/28VDC).
- eFlow Power Supply/Charger board provides common power for both ACM8CB Access Power Controller boards (factory wiring) and all connected access control devices (field wiring).
- ACM8CB board main fuses are rated @ 10A. Output PTCs are rated @ 2.5A.
eFlow Power Supply/Charger:
- Input: 220VAC (working range 198VAC – 256VAC), 50/60Hz.
- For output voltage and supply current refer to MaximalFDV series Configuration Chart, pg. 3.
- Auxiliary output rated @ 1A (unswitched).
- Overvoltage Protection.
- Built-in charger for sealed lead acid or gel type batteries.
- Maximum charge current 1.54A.
- Automatic switch over to stand-by battery when AC fails.
Transfer to stand-by battery power is instantaneous with no interruption. - Supervised Fire Alarm disconnect (latching or non-latching) 10K EOL resistor. Operates on a normally open (NO) or normally closed (NC) trigger.
- AC fail supervision (form “C” contacts).
- Battery fail and presence supervision (form “C” contacts).
- Low power shutdown. Shuts down DC output terminals if battery voltage drops below 71-73% for 12V units and 70-75% for 24V units (depending on the power supply). Prevents deep battery discharge.
- For fuse ratings refer to MaximalFDV Series Configuration Chart, pg. 3.
- Green AC Power LED indicates 220VAC present.
- AC input and DC output LED indicators.
- Short circuit and overload protection.
- Enclosure accommodates up to four (4) 12VDC/12AH batteries.
Enclosure dimensions (H x W x D): 26” x 19” x 6.25” (660.4mm x 482.6mm x 158.8mm).
MaximalFDV Installation Instructions:
Wiring methods shall be in accordance with the National Electrical Code/NFPA 70/ANSI, the Canadian Electric Code, Part I, Part II and with all local codes and authorities having jurisdiction. Product is intended for indoor use only.
| Power Supply Board LED Diagnostics | (pg. 6) |
| Access Power Controller LED Diagnostics | (pg. 6) |
| Power Supply Board Terminal Identification | (pg. 6) |
| Access Power Controller Terminal Identification | (pg. 7) |
| Power Supply Board Stand-by Battery Specifications | (pg. 7) |
| Power Supply Board Output Voltage Settings | (pg. 7) |
| Access Power Controller Typical Application Diagram | (pg. 8) |
| FACP/Optional Power Supply Hook-up Diagrams | (pg. 11) |
- Mount unit in desired location. Mark and predrill holes in the wall to line up with the top three keyholes in the enclosure. Install three upper fasteners and screws in the wall with the screw heads protruding. Place the enclosure’s upper keyholes over the three upper screws, level and secure. Mark the position of the lower three holes. Remove the enclosure. Drill the lower holes and install the three fasteners. Place the enclosure’s upper keyholes over the three upper screws. Install the three lower screws and make sure to tighten all screws (Enclosure Dimensions, pg. 12).
- Connect unswitched AC power (220VAC 50/60Hz) to terminals marked [L, N] (Fig. 3, pg. 9). Do not use terminal marked [G]. Use 14 AWG or larger for all power connections. Secure ground wire lead to earth ground lug.
Keep power-limited wiring separate from non power-limited wiring.
Minimum 0.25” spacing must be provided.
CAUTION: Do not touch exposed metal parts. Shut branch circuit power before installing or servicing equipment. There are no user serviceable parts inside. Refer installation and servicing to qualified service personnel. - Select desired DC output voltage by setting SW1 to the appropriate position on the Maximal3FDV power supply (Fig. 1a, pg. 7). Maximal5FDV power supply is factory set at 12VDC and Maximal7FDV power supply is factory set at 24VDC.
- Measure the output voltage of the unit before connecting any devices to ensure proper operation. Improper or high voltage will damage these devices.
- Output options (Fig. 2, pg. 8):
The unit will provide either sixteen (16) switched power outputs, sixteen (16) dry form “C” outputs, or any combination of both switched power and form “C” outputs.
(a) Fail-Safe Switched Power outputs:
For Fail-Safe operation connect the positive (+) input of the access control devices to terminal marked [NC]. Connect the negative (–) input of the access control devices to terminal marked [COM].
(b) Fail-Secure Switched Power outputs:
For Fail-Secure operation connect the positive (+) input of the access control devices to terminal marked [NO]. Connect the negative (–) input of the access control devices to terminal marked [COM]. - ACM8CB Auxiliary Power outputs (unswitched):
Connect access control devices that require constant power to terminals marked [C] positive (+) and [COM] negative (–). Outputs can be used to provide power for card readers, keypads, etc.
eFlow Auxiliary outputs (unswitched):
For auxiliary device connection this output will not be affected by Low Power Disconnect or Fire Alarm Interface. Connect device to terminals marked [+ AUX –] (Fig. 3, pg. 9). - Input trigger options (Fig. 2, pg. 8):
(a) Normally Open [NO] input trigger:
Inputs 1-8 are activated by normally open or open collector sink inputs. Connect access control panel outputs, keypads, push buttons, REX PIRs, etc. to terminals marked [IN] and [GND].
(b) Open Collector Sink inputs:
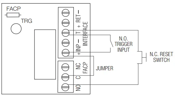
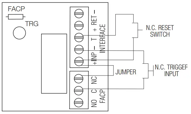
Connect the access control panel open collector sink positive (+) to terminals marked [IN] and the negative (–) to terminals marked [GND]. - ACM8CB Fire Alarm Interface options (Figs. 5-9, pg. 11):
A normally closed [NC] or normally open [NO] input trigger from a fire alarm control panel or a polarity reversal input from an FACP signaling circuit will affect selected outputs.
To enable FACP Disconnect for an output, turn the corresponding switch(es) [SW1-SW8] OFF on each ACM8CB board. To disable FACP disconnect for an output, turn the corresponding switch(es) [SW1-SW8] ON on each ACM8CB board.
(a) Normally Open [NO] input:
For non-latching hook-up refer to Fig. 6, pg. 11. For latching hook-up refer to Fig. 7, pg. 11.
(b) Normally Closed [NC] input:
For non-latching hook-up refer to Fig. 8, pg. 11. For latching hook-up refer to Fig. 9, pg. 11.
(c) FACP Signaling Circuit input trigger:
Connect the positive (+) and negative (–) from the FACP signaling circuit output to the terminals marked [+ INP –]. Connect the FACP EOL to the terminals marked [+ RET –] (polarity is referenced in an alarm condition). Jumper located next to TRG LED must be cut (Fig. 5, pg. 11). - FACP Dry form “C” output (Fig. 2b, pg. 8):
FACP form “C” contacts can be use to trigger reporting or signaling devices.
These contact switch upon a fire alarm input trigger to the ACM8CB boards. - Stand-by Battery Connections (Fig. 3, pg. 9):
For Access Control applications batteries are optional. When batteries are not used, a loss of AC will result in the loss of output voltage. When the use of stand-by batteries is desired, they must be lead acid or gel type. Connect battery to terminals marked [– BAT +] (Fig. 3, pg. 9). Use two (2) 12VDC batteries connected in series for 24VDC operation (battery leads included). Use batteries – Casil CL1270 (12V/7AH), CL12120 (12V/12AH), CL12400 (12V/40AH), CL12650 (12V/65AH) batteries or UL recognized BAZR2 and BAZR8 batteries of an appropriate rating. - Battery and AC Supervision outputs (Fig. 3, pg. 9):
It is required to connect supervisory trouble reporting devices to outputs marked [AC Fail, BAT Fail] supervisory relay outputs marked [NC, C, NO] to appropriate visual notification devices.
Use 22 AWG to 18 AWG for AC Fail & Low/No Battery reporting. - To delay AC reporting for 2 hrs., set DIP switch [AC Delay] to OFF position (Fig. 3, pg. 9).
To delay AC reporting for 1 min., set DIP switch [AC Delay] to ON position (Fig. 3, pg. 9). - Fire Alarm Disconnect (Fig. 3, pg. 9):
To enable Fire Alarm Disconnect set DIP switch [Shutdown] to ON position.
To disable Fire Alarm Disconnect set DIP switch [Shutdown] to OFF position. - Installation of tamper switch (Fig. 3b, pg. 9):
Mount UL Listed tamper switch (Altronix Model TS112 or equivalent) at the top of the enclosure. Slide the tamper switch bracket onto the edge of the enclosure approximately 2” from the right side (Fig. 3b, pg. 9).
Connect tamper switch wiring to the Access Control Panel input or the appropriate UL Listed reporting device. To activate alarm signal, open the door of the enclosure. - Multiple power supply inputs (Fig. 2, pg. 8):
When using an additional external power supply, jumpers J1 and J2 located on corresponding ACM8 board must be cut (Fig. 2c, 2d, pg. 8). Connect external access control power supply to the terminals marked [– Control +] (These terminals are paralleled to the [– Power +] terminals). When using DC power supplies, polarity must be observed. When using AC power supplies, polarity needs not to be observed.
(Fig. 2d, pg. 8) All field wiring connections must be made employing suitable gauge CM or FPL jacketed wire or equivalent substitute (Fig. 4a, pg. 10).
Maintenance:
Maintenance: Unit should be tested at least once a year for the proper operation as follows:
FACP Supervision: To ensure proper connection and operation of the Fire Alarm disconnect hookup, please follow the appropriate procedure below: Normally Open Input: Placing a short between terminals marked [T] and [+ INP] will trigger the Fire Alarm Disconnect. Remove the short to reset.
Normally Closed Input: Removing the wire from terminal marked [INP –] will trigger the Fire Alarm Disconnect. Replace the wire to terminal marked [INP –] to reset.
FACP Signal Circuit Input: It is necessary to trigger the Fire Alarm System. In all of the above scenarios the green TRG LED of the ACM8s will illuminate. All outputs selected for Fire Alarm Disconnect will activate releasing locking devices.
Note: All outputs [OUT 1 – OUT 8] must be in a normal (de-energized) condition prior to testing. When the unit is configuredfor Normally Open (Fig. 7, pg. 11) or Normally Closed (Fig. 9, pg. 11) latching operation it is necessary to reset the Fire Alarm Disconnect by activating the Normally Closed reset switch.
Output Voltage Test: Under normal load conditions, the DC output voltage should be checked for proper voltage level (refer to MaximalFDV series Configuration Chart, pg. 3).
Battery Test: Under normal load conditions check that the battery is fully charged, check specified voltage at the battery terminals and at the board terminals marked [+ BAT –] to ensure that there is no break in the battery connection wires.
Note: Maximum charge current is 1.54A. Expected battery life is 5 years; however, it is recommended to change batteries within 4 years or less if necessary.
Power Supply Board LED Diagnostics:
| Red (DC) | Green (AC/AC1) | Power Supply Status |
| ON | ON | Normal operating condition. |
| ON | OFF | Loss of AC. Stand-by battery supplying power. |
| OFF | ON | No DC output. |
| OFF | OFF | Loss of AC. Discharged or no stand-by battery. No DC output. |
| Red (Bat) | Battery Status |
| ON | Normal operating condition. |
| OFF | Battery fail/low battery. |
Access Power Controller LED Diagnostics:
| LED | ON | OFF |
| LED 1- LED 8 (Red) | Output relay(s) energized. | Output relay(s) de-energized. |
| Trg (Green) | FACP input triggered (alarm condition). | FACP normal (non-alarm condition). |
Power Supply Board Terminal Identification:
| Terminal Legend | Function/Description |
| L, N | Connect 220VAC 50/60Hz to these terminals: L to hot, N to neutral. Do not use terminal marked [G] |
| + DC — | Factory connected to ACM8 board. |
| Trigger EOL Supervised | Fire Alarm Interface trigger input from a short or FACP. Trigger inputs can be normally open, normally closed from an FACP output circuit (Fig. 3, pg. 9). |
| NO, GND RESET | FACP interface latching or non-latching (Fig. 3, pg. 9). |
| + AUX — | Auxiliary output rated 0 1A (unswitched) (Fig. 3, pg. 9). |
| AC FAIL NC, C, NO | Indicates loss of AC power, e.g. connect to audible device or alarm panel. Relay normally energized when AC power is present. Contact rating 1A 0 30VDC (Fig. 3, pg. 9). |
| BAT FAIL NC, C, NO | Indicates low battery condition, e.g. connect to alarm panel. Relay normally energized when DC power is present. Contact rating 1A 0 30VDC. A removed battery is reported within 5 minutes. Battery reconnection is reported within 1 minute (Fig. 3, pg. 9). |
| + BAT — | Stand-by battery connections. Maximum charge current 1.54A (Fig. 3, pg. 9). |
Access Power Controller Terminal Identification:
| Terminal Legend | Function/Description |
| — Power + | 12VDC or 24VDC from power supply/charger (factory connected). These terminals are paralleled to the [— Control +] terminals. |
| — Control + | These terminals are paralleled to the [— Power +] terminals. These terminals can be connected to an external access control power supply to provide isolated operating power for the devices. Jumpers J1 and J2 must be removed. |
| TRIGGER INPUT1 – INPUT 8 IN, GND | From normally open and/or open collector sink trigger inputs (request to exit buttons, exit PIRs, etc.) |
| OUTPUT 1- OUTPUT 8 NC, C, NO, COM | 12VDC to 24VDC trigger controlled outputs are rated at 2.5A. Maximal3FDV – 10.0-13.2VDC 0 4.6A or 20.19-26.4VDC 0 5.2A. Maximal5FDV – 10.03-13.2VDC 0 8.6A. Maximal7FDV – 20.17-26.4VDC 0 9.2A. Fail-Safe [NC positive (+) & COM Negative (—)], Fail-Secure [NO positive (+) & COM Negative (—)], Auxiliary output [C positive (+) & COM Negative (—)]. When using AC power supplies polarity needs not to be observed. Contacts shown in a non-triggered state. |
| FACP INTERFACE T, + INPUT — | Fire Alarm Interface trigger input from FACP. Trigger inputs can be normally open, normally closed from an FACP signaling circuit output (Figs. 5-9, pg. 11). |
| FACP INTERFACE NC, C, NO | Form “C” relay contact rated @ 1A 28VDC for alarm reporting. |
Power Supply Board Stand-by Battery Specifications:
| Battery | Maximal3FDV | Maximal5FDV | Maximal7FDV |
| 7AH | 10 Mins./6A | 5 Mins./10A | 5 Mins./10A |
| 12AH | 30 Mins./6A | 30 Mins./10A | 30 Mins./10A |
| 40AH | Over 4 Hours/6A | Over 2 Hours/10A | Over 2 Hours/10A |
| 65AH | Over 4 Hours/6A | Over 4 Hours/10A | Over 4 Hours/10A |
Power Supply Board Output Voltage Settings:

Access Power Controller Typical Application Diagram (for each ACM8CB):

Fig. 3 – Maximal3FDV, Maximal5FDV, and Maximal7FDV

CAUTION: When power supply board is set for 12VDC use only one (1) 12VDC stand-by battery.
Keep power-limited wiring separate from non power-limited.
Use minimum 0.25″ spacing.
12AH Rechargeable batteries are the largest batteries that can fit in this enclosure. An external battery enclosure must be used if using the 40AH or 65AH batteries.
NEC Power-Limited Wiring Requirements:
Power-limited and non power-limited circuit wiring must remain separated in the cabinet. All power-limited circuit wiring must remain at least 0.25” away from any non power-limited circuit wiring. Furthermore, all power-limited circuit wiring and non power-limited circuit wiring must enter and exit the cabinet through different conduits.
One such example of this is shown below. Your specific application may require different conduit knockouts to be used. Any conduit knockouts may be used. For power-limited applications use of conduit is optional. All field wiring connections must be made employing suitable gauge CM or FPL jacketed wire (or equivalent substitute).
Optional UL Listed battery enclosure must be mounted adjacent to the power supply via Class 1 wiring methods.
For Canadian installations use shielded wiring for all connections.
Note: Refer to wire handling drawing below for the proper way to install the CM or FPL jacketed wire (Fig. 4a).

FACP Hook-Up Diagrams:
| Fig. 5 Polarity reversal input from FACP signaling circuit output (polarity is referenced in alarm condition): | Fig. 6 Normally Open: Non-Latching FACP trigger input: |
![]() | ![]() |
| Fig. 7 Normally Open FACP Latching trigger input with reset (This output has not been evaluated by UL): | Fig. 8 Normally Closed: Non-Latching FACP trigger input: |
![]() | ![]() |
| Fig. 9 Normally Closed: Latching FACP trigger input with reset (This output has not been evaluated by UL): | ![]() |
Enclosure Dimensions (H x W x D approximate):
26” x 19” x 6.25” (660.4mm x 482.6mm x 158.8mm)

Altronix is not responsible for any typographical errors.
140 58th Street, Brooklyn, New York 11220 USA | phone: 718-567-8181 | fax: 718-567-9056
website: www.altronix.com | e-mail: [email protected] | Lifetime Warranty
IIMaximal3FDV/5FDV/7FDV Series
H13U
Maximal3FDV/5FDV/7FDV Series (PTC) Installation Guide
























