AUTOMATED FLOW SYSTEMS AFSCPS120 Dual Voltage Control Panel

PRODUCT OVERVIEW
Applications
The AFS logic dual mode simplex control panel controls a single pump in residential and light commercial wastewater pumping applications, demand and timed dose simplex pump control applications, and reservoir pump up and alarm applications.
General
Offering a more feature rich simplex panel platform compared to the AFS electromechanical simplex control, the simplex logic panel offers an array of additional operating and data observation options. Our AFS engineers worked to provide a single simplex panel solution that fit nearly every typical application while providing heightened system operation data. Each panel features lockable NEMA 4X enclosure, nearly silent power relay that is rated for 30 amps and 100,000 cycles, dual voltage pump operation, redundant OFF/low level alarm, an Auto and Manual mode of operation, pump and controls circuit breakers, and an audible/visible high water level alarm with manual audible alarm silence and automatic reset. The AFS logic dual mode simplex control digital backlit LCD provides pump control and historical system information, including: float status, elapsed time pump run, cycle counter, alarm counts, float error count, timer override count and on/off time, selectable dual mode operation to include demand and time dosing features. The AFS digital dual mode simplex panels can be used with either mechanical or mecury float switches, and includes a simplified wiring diagram that is not removeable from the interior of the panel.
Materials of Construction
- Enclosure: Polycarbonate
- Hinge: Polycarbonate
- Latch: Stainless steel
Specifications
- Height, in. (mm): 10.5 (292)
- Width, in. (mm): 10.25 (260.35)
- Depth, in. (mm): 8.0 (203.2)
- Panel ratings: 120, 208 & 240 VAC, 20 amps max, 1-phase, 60 Hz
Features
- Programmable digital controller
- Backlit LED display
- Demand and time dose modes (dual mode)
- 120, 208 & 240 volt single phase motor control
- Two wire pumps up to 20 amps
- Nearly silent power relay rated for 30 amps and 100,000 cycles
- Simplified wiring
- Lockable NEMA 4X enclosure
- Listed per UL-508 and cUL-508.
Installation
- The AFS dual mode simplex control panel is designed to operate with four, normally open signal floats when used in a pump down application like a sewage or septic pump system. These floats operate (from top to bottom), (1) high level alarm, (2) pump ON, (3) pump OFF, (4) and redundant OFF/low level alarm (optional with removal of the terminal link) functions.
- SJE Rhombus float type recommended for all 4 operations listed above: MilliAmpMaster Control Switch
- Normally Open. The AFS float tree assembly model number AFSFT4-0 includes the four required floats, tree and adjustable float clips to make float adjustment and installation quick and easy.
- All floats can be ordered with various cord lengths depending on application and depth of tank.
- The control panel can be mounted on an exterior wall or treated post near the pump tank area, and should be mounted within visual site and 50’ of pump tank riser lid location as required by National Electric Code.
This control panel must be installed and serviced by a licensed electrician in accordance with National Electrical Code NFPA70, state and local electrical codes. UL Type 4X enclosures are for indoor and outdoor use.
PANEL COMPONENTS
Control Panel Components

- 10.5” X 10.25” X 8” NEMA 4X enclosure rated for outdoor use
- Stainless steel lockable latch for added safety
- Large touch safe terminal strip for easy wiring
- Dual circuit breakers – one for pump power and a second for control and alarm power
- Pump run relay (30 amp), controls pump by switching electrical lines
- Simplified field wiring diagram inside box
- Pump run light (pump run light also on panel door exterior)
- Pump Push to Run switch for easy control circuit troubleshooting
PANEL PROGRAMMING

Viewing Panel Settings Press menu/enter button to view
- Float status or float error
- Elapsed time meter
- Cycle count
- High level & power fail alarm counts
- Float error counts
Timed Dose Mode Only
- Remaining ON/OFF times
- ON time
- OFF time
- Timer override count
Programming Panel Settings
Press set/change button for 3 seconds to enter program mode
- The display will show ON time in mm:ss.
- Press set/change button to set the pump ON time. Use menu/enter button to select digit desired to change. Use set/change button to change ON time.
- Press menu/enter button. The display will show OFF time in hh:mm.
- Press set/change button to set the pump OFF time. Use menu/enter button to select digit desired to change. Use set/change buttom to change OFF time.
Note: Setting the OFF times to 00:00 turns off timed dose mode and timed dose menu items. The panel will operate in demand mode.
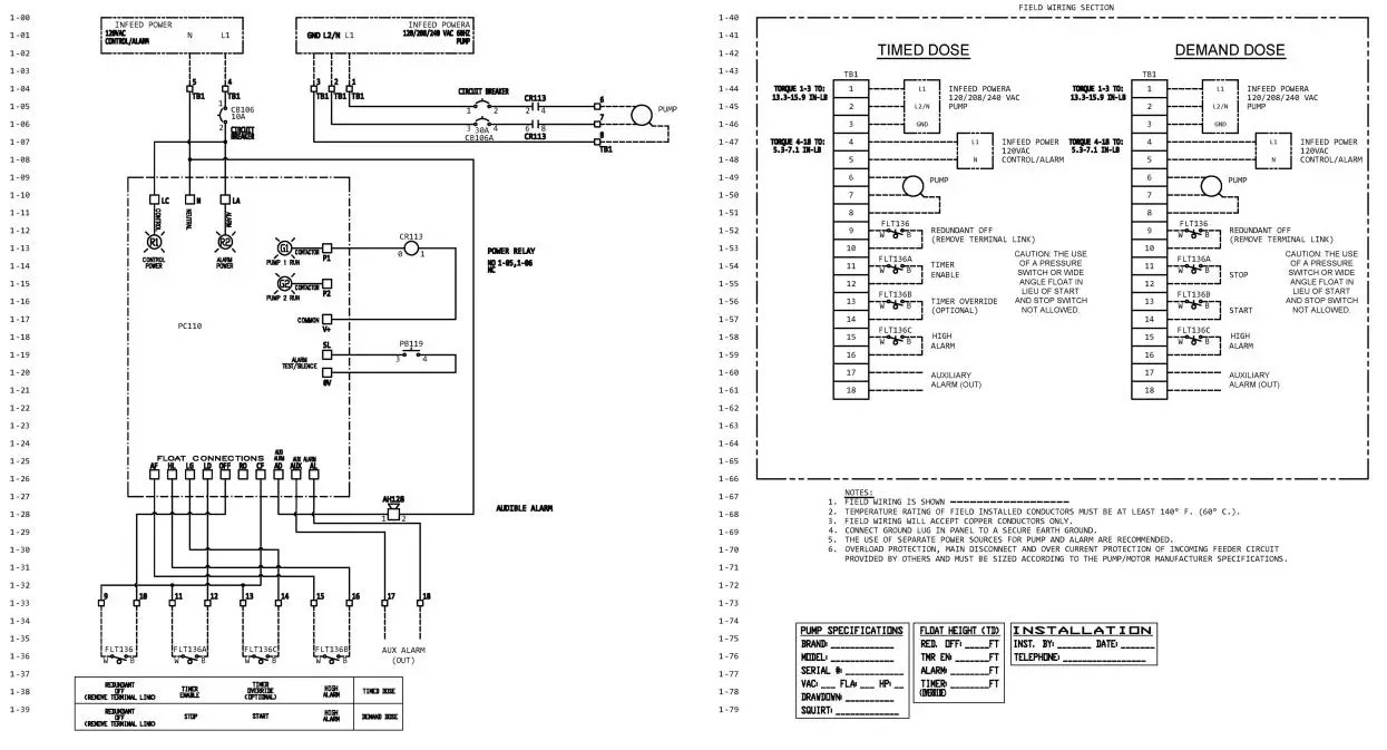
PANEL WIRING DIAGRAM
In Panel Wiring Connection Diagram

Complete Panel Wiring Schematic




















