MITSUBISHI ELECTRIC AE-200A Air Conditioning Control System

Before installing the controller, please read this Installation Manual carefully to ensure proper operation. Retain this manual for future reference.
Safety precautions
- Thoroughly read the following safety precautions prior to installation.
- Observe these precautions carefully to ensure safety.
- After reading this manual, pass the manual on to the end user to retain for future reference.
- The user should keep this manual for future reference and refer to it as necessary. This manual should be made available to those who repair or relocate the units. Make sure that the manual is passed on to any future air conditioning system user.
- All electrical work must be performed by qualified personnel.
- WARNING: indicates a hazardous situation which, if not avoided, could result in death or serious injury.
- CAUTION: indicates a hazardous situation which, if not avoided, could result in minor or moderate injury.
General precautions
- To reduce the risk of injury, electric shock, or malfunction, avoid contact with the sharp edges of certain parts.
- To reduce the risk of injury, wear protective gear when working on the controller.
Precautions for unit installation
- Properly dispose of the packing materials. Plastic bags pose a suffocation hazard to children.
- Take appropriate safety measures against earthquakes to prevent the controller from causing injury.
- To prevent injury, install the controller on a flat surface strong enough to support its weight.
Precautions for relocating or repairing the unit
- The controller must be repaired or moved only by qualified personnel. Do not disassemble or modify the controller. Improper installation or repair may result in injury, electric shock, or fire.
Parts to be used
Package contents

Commercially available parts

The total weight of the AE-200A/AE-50A/AE-200E/AE-50E and the Mounting Kit is approximately 2.7 kg. Use the appropriate amount of fixing screws to secure the strength.
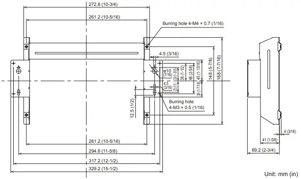
External dimensions
- Mounting Kit

General description of installation

- * Hereafter, AE-200A and AE-200E, unless otherwise specified, will be called “AE-200.”
- Hereafter, AE-50A and AE-50E, unless otherwise specified, will be called “AE-50.”
Selecting the installation site
Required installation space
- Required space around the AE-200/AE-50

- Required vertical shift distance
When the depth of the control box is below 200 mm (7-7/8 in), shift the controllers vertically as shown in the figure below so that their components will not be in contact with each other.
Installation
Before installation
- Remove the cover.
Refer to the Installation Manual of the AE-200/AE-50 for how to remove the cover.
- Attach the Mounting Kit.

- Reinstall the cover.
Installation method
- Installation using DIN rail
- Attach the supplied two DIN rail attachments to the Mounting Kit with the supplied screws.

Install the DIN rail attachments in the correct orientation as shown in the figure. - Install the DIN rail on a strong wall surface.

Mounting location
- Mounting the AE-200/AE-50 on the DIN rail

Removing the AE-200/AE-50 from the DIN rail
- Attach the supplied two DIN rail attachments to the Mounting Kit with the supplied screws.
- Wall-surface installation
- Install the AE-200/AE-50 on a strong wall with ø4 screws.

To remove the AE-200/AE-50 after the installation, remove the Plate A fixing screws that fix the AE-200/AE-50 and the Mounting Kit.
Mounting location
- Install the AE-200/AE-50 on a strong wall with ø4 screws.
Wiring connections
When routing the cables from the bottom, remove the service cover, cut out the knockout holes, cut a slit in the supplied rubber bushings (supplied with the AE-200/AE-50), attach the bushings to the knockout holes, insert the cables with no gap, and reinstall the service cover.

Please be sure to put the contact address/telephone number on this manual before handing it to the customer.
ABOUT COMPANY
HEAD OFFICE: TOKYO BLDG., 2-7-3, MARUNOUCHI, CHIYODA-KU, TOKYO 100-8310, JAPAN






























