Building Air-Conditioners Control System
LM ADAPTER
Model : LMAP04-E
Before using the unit, please read this Installation Manual carefully to ensure correct operation. Store this Installation Manual in a location that is easy to find.
Echelon®, LON®, LONWORKS®, Neuron®, 3150® and the Echelon logo are trademarks of Echelon Corporation egistered in the United States and other countries.
LonMaker™ and the Lon Users logo are trademarks of Echelon Corporation.
Safety Precautions
- Before installing this unit,make sure you read all the “Safety Precautions”.
- This manual describes the installation of LM ADAPTER and wiring to the outdoor unit.
- Please read the installation manual of air-conditioning units with regards to the installation method of air-conditioning units.
- The “Safety Precautions” provide very important points regarding safety. Make sure you follow them.
Symbols and Terms
| Statements identify condition or practices that could result in personal injury or loss of life. | |
CAUTION | Statements identify condition or practices that could result in damage to the unit or other property. |
- After reading this installation manual, keep it in a place where the final user can see it anytime he or she wants to it.
When someone moves, repairs or uses the LM ADAPTER, make sure that this manual is forwarded to the final user.
Symbols used in the illustrations
: Indicates a part which must be grounded.
: Indicates that the main switch must be turned off before servicing.
(This symbol is displayed on the main unit label.) <Color: Blue>
: Beware of electric shock.(This symbol is displayed on the main unit label) <Color: Yellow>
: Please pay attention to electric shock fully because this is not Safety Extra Low-Voltage (SELV) circuit.
And at servicing,please shut down the power supply for LM ADAPTER.
WARNING
Ask your dealer or technical representative to install.
Any deficiency cased by your own installation may result in an electric shock and fire.
Install in a place which is strong enough to withstand the weight of the unit
Any lack of the strength may cause the unit to fall down, resulting in a personal injury.
Any deficiency caused by installation may result in an electric shock, fire or incorrect operation.
Wire and connect using the desired cables securely so that any external force exerted on the cable is not imparted on to the terminal connections.
Imperfect connection and fixed may result in heating or fire.
Never modify or repair the unit by yourself.
Any deficiency caused by your modification or repair may result in an electric shock or fire. Consult with your distributor for repair.
Make sure that the unit is powered by a dedicated line.
Other appliances connected to the same line could cause an overload.
If it is assumed that moisture advances into the unit, such as the time of rainy weather, do not perform any work on electric circuits.
It may become the cause of damage of a fire and the unit by an electric shock or corrosion.
Ensure that installation work is done correctly following that installation manual.
Any deficiency caused by installation may result in an electric shock or fire.
All electrical work must be performed by a licenced technician, according to local regulations and the instructions given in this manual.
Any lack of electric circuit or any deficiency caused by installation may result in an electric shock or fire.
Securely install the cover (panel) of the LM ADAPTER.
If the cover (panel) is not installed properly, dust or water may enter the unit and fire or electric shock may result.
Do not move and re-install the unit yourself.
Any deficiency caused by installation may result in an electric shock or fire. Ask your distributor or special vender for moving and installation.
Make sure that there is a main power switch.
A ready accessible breaker for power source line helps reduce the risk of electric shocks.Installation of a breaker is mandatory in same areas.
CAUTION
Do not install the unit where combustible gas may leak.
If the gas leaks and accumulates around the unit, an explosion may result.
Do not use in any special environment.
Using in any place exposed to oil(including machine oil), steam and sulfuric gas may deteriorate the performances ignificantly or given damage to the component parts.
Do not wash with water.
Doing so may cause an electric shock or a malfunction.
Do not install in any steamy place such as bath room or kitchen.
Avoid any place where moisture is condensed into dew.
Doing so may cause an electric shock or a malfunction.
Do not install in any place at a temperature of more then 43 ˚C or less than -15˚C.
It may become the cause of modification and failure.
Safety dispose of the packing materials.
Tear apart and throw away plastic packaging bags so that children will not play with them. If children play with a plastic bag which was not torn apart, they face the risk of suffocation.
Be sure to shut off the power source of the unit and all the other unit to connected to the unit before wiring.
Doing so may cause an electric shock or a malfunction.
This appliance must be earthed.
Make sure to install a protective earth(PE) line. Do not connect the protective earth line to gas or water pipes, lightning conductors or telephone grounding lines. Improper
grounding may cause an electric shock.
A power-supply line and a transmission line do not band together, or are not contained in the same metal pipe.
Doing so may cause a malfunction of unit.
When installing the unit in a hospital, communication station, or similar place, provide sufficient protection against noise.
The inverter equipment, private power generator, highfrequency medical equipment, or radio communication equipment may cause the air conditioner to operate erroneously, or fail to operate. On the other hand, the air conditioner may affect such equipment by creating noise that disturbs medical treatment or image broadcasting.
Do not touch any PCB(Printed Circuit Board) with your hand or tools. Do not have dust collected on the PCB.
Doing so may cause an electric shock or fire.
Do not install in any place where acidic or alkaline solution or special spray are other be used.
Doing so may cause an electric shock or a malfuction.
Never connect the power source to the transmission line.
Doing so may caused a malfunction or a failture.
Use only an earth leakage breaker and fuse of the specified capacity.
If no earth leakage breaker is installed, it may cause an electric shock.
Using fuse and wire or copper wire with too large capacity may cause a malfunction of unit or fire.
Use standard wires in compliance with the current capacity.
A failure to this may result in an electric leakage, heating or fire.
Wire so that it dose not received any tension.
Tension may caused wire breakage, heating or fire.
Do not touch the switches with wet fingers.
Touching a switch with wet fingers can cause electric shock.
This appliance is not intended for use by persons (including children) with reduced physical, sensory or mental capabilities, or lack of experience and knowledge,
unless they have been given supervision or instruction concerning use of the appliance by a person responsible for their safety.
Children should be supervised to ensure that they do not play with the appliance.
Parts Include
Verify that the following parts are appended to the product.
- The external interface file (XIF) is necessary for the product.
Upon verifying the 16-digit program ID (PID) which is bonded on the board, please contact your dealer.
Specifications
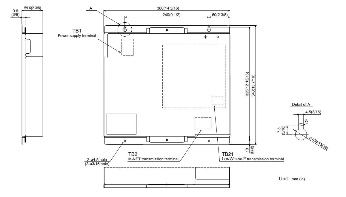
2-1 External View

2-2 Environment Specifications
Item | Description | ||
| Dimensions | 340 (H) x 360 (W) x 59.6 (D) mm / 13 7/16 (H) x 14 3/16 (W) x 2 3/8 (D) in | ||
| Net Weight | 3.3 kg | ||
| Power Source | ~ 220 – 240V (50 / 60 Hz) | ||
| Current Consumption | 50 mA (Maximum) | ||
| Operation Environment | Temperature | Operating Range | -15 to 43˚C |
| Storage Range | -20 to 60˚C | ||
| Humidity | 30% to 95% RH (No condensation) | ||
| Installation Environment | In the metal control box | ||
2-3 Connected Air Conditioning Equipment

2-4 LONWORKS® Network Specifications
Item | Description | |
| Neuron CHIP | FT3150-P20 (10MHz) | |
| Network Transformer | FT-X1 (Free Topology 78kbps) | |
| Performance | Average communication capacity | 2.5 inputs/second |
| Peak communication capacity | 50 inputs/second (for one second) | |
- The proper communication is not obtainable when communication intervals exceed its performance, assure sufficeint intervals.
- ACK Service is recommended for the network service.
- Detailed specifications for the LONWORKS® network can be found in “FT3120/FT3150 Smart Transceiver Data Book” by Echelon Corporation.
2-5 Network Variable Specification
The following are applied to the CITY-MULTI type indoor unit of the Multiple split type air conditioners CITY MULTI.
When Mr.SLIM, LOSSNAY, or Air To Water is used, please refer to the “Network Variable Specification” in details. Please contact your dealer to obtain the XIF file and the Network Variable Specification. 
Notes
- “n” of the network variable shows M-NET address of indoor units.
- It may be unable to be used by the system configuration of indoor units.
- It is possible to use with an “MA or ME” remote controller.
- For the use of this function, turn ON the switch(SW1-1) on LM ADAPTER.(Factory setting “OFF”)
- For the use of this function, turn ON the switch(SW1-8) on LM ADAPTER.(Factory setting “OFF”)
- For the use of this function, turn ON the switch(SW1-4) on LM ADAPTER.(Factory setting “OFF”)
- It is possible to use with other system controller.
- This function is available only for the conventional indoor units which don’t support the dual setpoint.
- These functions are available for the indoor units which support the dual setpoint.
- This function is available for the DOAS was manufactured in October, 2012 or later, when it uses with the DOAS.
- This function is available when the auto mode should be controlled by single set point like the conventional one.
Installation
<Notes>
Read and understand “Safety Precautions ” before performing the installation.
3-1 Locally Procured Parts
Prepare the following prior to installing the unit.
Locally procured parts | Contents | ||||||||||||||||||||||||||||||
| Power wire and ground wire | Use sheathed vinyl cord or wire. Wire type ……… Wire should not be lighter than ordinary PVC sheathed flexible cord IEC 60227 (designation 60227 IEC 53)Wire size………….. 0.75mm2 to 1.25mm2 (AWG18 to 16) | ||||||||||||||||||||||||||||||
| M-NET transmission wire | Use the sheathed vinyl cord or wire. Wire type ……… CPEVS, CVVS or equivalent” Wire size ……… Solid wire : ø1.2mm to ø1.6mm Twist type : 1.25mm2 to 2mm2 (AWG16 to 14) | ||||||||||||||||||||||||||||||
| LONWORKS® Network transmission wire | Use the wire which is recommended by Echelon Corporation. For details, refer to “FT3120/FT3150 Smart Transceiver Data Book”. For reference, Cable Types and Typical Parameters.
If a shielded cable is used, the shield should be connected to earth ground via a single 470kL, 1/4 W, £10%, metal film resistor to prevent static charge build-up. | ||||||||||||||||||||||||||||||
| Screw | To install the main body, prepare four M4 screws which are suitable for the installation area. | ||||||||||||||||||||||||||||||
| Main Power Switch (Circuit Breaker) |
Use a breaker with a contact distance of 3mm or more. |

3-2 Installation Method
- LM ADAPTER is not waterproof type.
- LM ADAPTER shall be installed in a control panel box (steel : thickness 1 mm (3/64 in) or more).
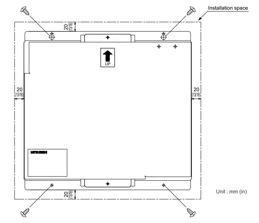
Please prepare the control panel box in consideration with installation space as shown in the Fig. (Install in an area capable of withstanding a 3.3 kg load.)
The unit shall be also installed in vertical direction only indicated by arrow making on the cover as shown in the Fig. - Use M4 screws as shown in Fig. below to fix the product.
To prevent the product from falling, make sure to fix at four places.

3-3 Wiring Methods
Use wire clamps provided to secure the wires and prevent external force from being conveyed by the wire to the wire connections.
* External force could cause deformation or damage to the terminal blocks.

Attach the appended binding band to the power wire and transmission wire, and fasten it, positioning the area at inner side than the wire clamp.
Make sure that the ground wire is longer than the other wires.
Use a small screwdriver to connect diameter 0.2 to 2.5 mm2 (AWG24 to 12) cable for terminal block (TB21) on the unit. Tightening torque is 0.5 to 0.6 Nm. Up to two wires can be connected to one terminal block.
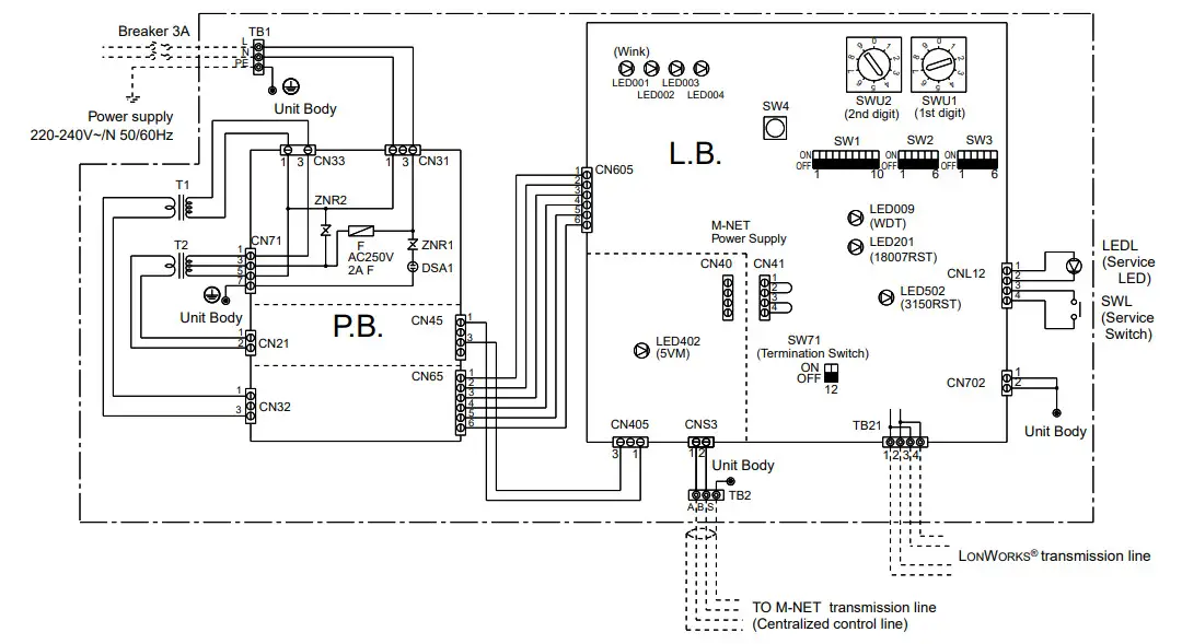
3-4 Electrical Wiring
SYMBOL EXPLANATION
| SYMBOL | NAME | |
| L.B | LM ADAPTER main board | |
| P.B | Power circuit board | |
| F | Fuse AC250V 2A F | |
| T1.2 | Transformer | |
| SW1, 2, 3 | Switch | Function selection |
| SW71 | Termination selection switch (LONWORKSe ) | |
| SWU1. 2 | M-NET address switch | |
| SWL | Service switch (LorMoRKse 1 | |
| SYMBOL | NAME | |
| LED001 – 004 | LED | Maintenance LED Use LED001 as Wink (LotqWoRks® ) at SW2-1 – 6 OFF |
| LED009/201/502/402 | Status LED | |
| LEDL | Service LED (LONWORKS® ) | |
| TB1 | Terminal block | Power source |
| TB2 | M-NET transmission line | |
| TB21 | LONWORKS® transmission line | |
| CN40/CN41 | Power Supply switch connector | |
| Grounding terminal | ||

Explanation of function switch
Note: Function switch setting of LM ADAPTER is different according to the management item of the equipment connected with LONWORKS®. Carefully set the system.
SW | Switch name | Function | Note | Factory setting | Set timing | |
| SW1-1 | Function switch of local prohibit | ON | local prohibit effective | Operation local prohibit nv input from LONWORKS® becomes Effective when switch is ON. Operation local prohibit nv input from LONWORKS® becomes invalid when switch is OFF. | OFF | Before power supply |
| OFF | local prohibit invalidity | |||||
| SW1-2 | Used together with system controller switch | ON | used together with system controller | OFF | Before power supply | |
| OFF | not used together with system controller | |||||
| SW1-3 | Indoor temperature state interval switch | ON | Transmission interval (1minutes or more) | *number of indoor units that should be connected is 30 or less | OFF | Before power supply |
| OFF | Transmission interval (10 minutes or more) | |||||
| SW1-4 | Reset filter sign/ Select enable/ disable operation duration | ON | Enable | When “ON”, the reset filter sign input and the operation duration output are enabled. | OFF | Before power supply |
| OFF | Disable | When “OFF”, the reset filter sign input and the operation duration output are disabled. | ||||
| SW1-5 | Function switch of LOSSNAY | ON | LOSSNAY is operated from LONWORKS® | Please turn on the switch when LOSSNAY is operation from LONWORKS®. | OFF | Before power supply |
| OFF | LOSSNAY interlocks with the indoor unit | Please turn off the switch when LOSSNAY interlocks with the indoor units. | ||||
| SW1-6 | Single set point mode switch | ON | Enable single set point mode | When “ON”, whole M-NET system operates in single set point mode. For example, if BMS does not support dual set point, apply this switch. | OFF | Before power supply |
| OFF | Enable dual set point mode | When “OFF”, the LMAP is detected as a device supports the dual set point. | ||||
| SW1-7 | Function switch of SNVT_switch | ON | SNVT Standard | When “ON”, the specifications of the nv using the SNVT_switch comply with the SNVT Standards. | OFF | Before power supply |
| OFF | Original | When “OFF”, the nv using the SNVT_switch has original specifications. | ||||
| SW1-8 | Select enable/ disable forced thermo OFF | ON | Enable forced thermo OFF | When “ON”, the forced thermo OFF nv input/output are enabled. | OFF | Before power supply |
| OFF | Disable forced thermo OFF | When “OFF”, the forced thermo OFF nv input/output are disabled. | ||||
| SW1-9 | Indoor units test run switch | ON | ON(test run) is transmitted to the indoor units | OFF | Always | |
| OFF | OFF is transmitted and indoor units stop test run | |||||
| SW1-10 | LMAP collective alarm detection time switch | ON | Enable | When “ON”, the LMAP collective alarm detection maximum time become the same as the LMAP03U (60 minutes) | OFF | Before power supply |
| OFF | Disable | |||||
| SW3-2 | Initialization switch of air conditioner units | ON | Connected cancellation command is transmitted to the indoor units | OFF | Always | |

System Settings
This chapter only describes the system settings of this product.
For the installation work and electrical work, refer to the last chapter “3. Installation”.
<Notes>
Read and understand the contents of Chapter 1 “Safety Precautions” before performing the installation.
The system setting is different depending on the system configuration connected.
Check the system configuration.
- When the system controllers are not used together.
- When the system controllers are used together.
4-1 If not used together with system controller. (MELANS)
Iteam | Setting | Factory setting |
| M-NET address of LM ADAPTER | SWU2, 1 [201 to 250] | 247 |
| LM ADAPTER power switch connector | CN41 to CN40 (supplies power) | CN41 |
| Combined switch for LM ADAPTER / system controller | SW1 – 2 [OFF] (Not used together with system controller) | OFF |
| OC central control (SC) on/off switch | SW2 -1 [OFF] (No central control) | OFF |
| OC power supply connector | CN41 as is (power not supplied) | CN41 |
(Note 1)Change the LM ADAPTER power supply switch connector CN41 to CN40.
The LM ADAPTER can not supply enough power for the MN converter.
(Note 2)When connecting LOSSNAY, settings must be made in the LM ADAPTER.
- Do not sequence LOSSNAY to the air conditioner. (Independent LOSSNAY)
Or when operation is to be controlled from LONWORKS® (BMS etc.) connected to the LOSSNAY remote controller.
LOSSNAY selection switch. (SW1-5)[ON] - When sequencing LOSSNAY to the air conditioner (sequenced LOSSNAY), and not controlling operation from LONWORKS®. (BMS etc.)
LOSSNAY selection switch. (SW1-5)[OFF]
When sequencing LOSSNAY to the air conditioner, the indoor unit and LOSSNAY sequence must be registered from the remote controller.(Refer to the remote controller installation manual for details on registering.)
(Note 3)When changing the system configuration, such as the M-NET address, always carry out the following steps.
- Turn the LM ADAPTER service switch (SW2-1) [ON].
Change the LM ADAPTER system information delete switch (SW3-2) from [OFF] to [ON]. - When erasing the system information, the maintenance LED “System Information Erase LED (LED001)” will turn ON.
- When the system information has been erased, the maintenance LED “System Information Erase LED (LED001)” will turn OFF, and the maintenance LED “System Information Erase Complete LED (LED002)” will turn ON.
- Turn the LM ADAPTER service switch (SW2-1) [OFF].
Change the LM ADAPTER system information delete switch (SW3-2) from [ON] to [OFF]. - Turn the LM ADAPTER power OFF.
- Make changes to change the unit system.(Addition of indoor unit, change of M-NET address, change of group, etc.)
- To change the LM ADAPTER M-NET address and settings, carry out the changing work.
- Turn the LM ADAPTER power ON.
(Note 4) Refer to the “System Design and Construction Manual” for the outdoor unit for details on the M-NET wiring length.
(Note 5) Set the M-NET address so that it is not duplicated with other units.
4-2 If used together with system controller.
Iteam | Setting | Factory setting |
| M-NET address of LM ADAPTER | SWU2, 1 [201 to 250] | 247 |
| LM ADAPTER power switch connector | CN41 to CN40 (supplies power) | CN41 |
| Combined switch for LM ADAPTER / system controller | SW1 – 2 [OFF] (Not used together with system controller) | OFF |
| OC central control (SC) on/off switch | SW2 -1 [OFF] (No central control) | OFF |
| OC power supply connector | CN41 as is (power not supplied) | CN41 |
(Note 1) When the LOSSNAY is interlocked, it should be configured from the shared system controller.
(Note 2) When changing the system configuration, such as the M-NET address, system controller being shared must be registered or changed.
(Note 3) Refer to the “System Design and Construction Manual” for the outdoor unit for details on the M-NET wiring length.
(Note 4) Set the M-NET address so that it is not duplicated with other units.
(Note 5) When setting the shared system controller, configure LM ADAPTER as a system controller in each group.
4-3 Initialization Settings of LONWORKS® Network
For details, refer to “FT3120/FT3150 Smart Transceiver Data Book” of Echelon Corporation.
For reference, the system specifications and Transmission specifications are described.
- Termination of LONWORKS®
The product can be set with the termination of LONWORKS®.
Termination Switch (SW71)
SW71-1 | SW71-2 | Termination Resistance Value |
| OFF | OFF | – ( Factory setting) |
| ON | OFF | 100L ± 1% |
| OFF | ON | |
| ON | ON | 50L ± 1% |
For details, refer to “FT3120/FT3150 Smart Transceiver Data Book” of Echelon Corporation.
For reference, the system specifications and Transmission specifications are described.
- System Specifications
• Up to 64 FT-X1 Transformers and FT Smart Transceivers are allowed per network segment.
• LPT-10 transceivers may be used on network segments with FTT-10A transceivers and FT Smart
Transceivers, but are subject to additional constraints, particularly on distance.
See the LONWORKS®
LTP-10 Link Power Transceiver User’s Guide for more information.
• The average temperature of the wire must not exceed +55˚C, although individual segments of wire may be as hot as +85˚C. - Transmission Specifications
Doubly-Terminated Bus Topology Specifications
Maximum bus length | Units | |
| Belden 85102 | 2700(8,858) | meters (feet) |
| Belden 8471 | 2700(8,858) | |
| Level IV 22AWG | 1400(4,593) | |
| JY(St)Y 2X2X0.8 | 900(2,953) | |
| TIA Category 5 | 900(2,953) |
Free Topology Specifications
Maximum node-to-node distance | Maximum total wire length | Units | |
| Belden 85102 | 500(1,640) | 500(1,640) | meters (feet) |
| Belden 8471 | 400(1,312) | 500(1,640) | |
| Level IV 22AWG | 400(1,312) | 500(1,640) | |
| JY(St)Y 2X2X0.8 | 320(1,050) | 500(1,640) | |
| TIA Category 5 | 250(820) | 450(1,476) |
The free topology transmission specification includes two components which must both be met for proper system operation. The distance from each transceiver to all other transceiver and to the termination (including the LPI-10 termination, if used) must not exceed maximum node-to-node distance.
If multiple paths exist, e.g., a loop topology, then the longest path should be used for the calculations.
The maximum total wire length is the total amount of wire connected per segment.
Confirming Operation
5-1 Flow of Onsite Adjustments
5-2 Preparation Material for Onsite Adjustments
- Preparation material for onsite adjustment
Tester
Onsite adjustment tools (LONWORKS® tools, M-NET onsite adjustment tool) - Reference materials
LM ADAPTER Installation Manual
LM ADAPTER Network Variable Specifications
LM ADAPTER Technical Manual
5-3 Preparation and Settings
- Perform the previous operations described in Chapter 3 “Installation”, Chapter 4 “System Settings”.
- If being used together with system controller, perform the installation and electrical installation for system controller.
- Perform the initial processing for the LM ADAPTER.
1. Turn on the power supply for LM ADAPTER.
2. If being used together with system controller, perform the initialization settings.
3. The indoor units will be idle until the LM ADAPTER initialization has been completed (LED002 goes out).
* This requires approximately 5 to 10 minutes.(If being used together with system controller, it will be approximately 3 minutes after the completion of the initialization settings.)
If you connect the power to the LM ADAPTER before connecting the power supply to the indoor units, the LED002 might stay lit.
If this case arises, reset the power supply to the LM ADAPTER.
Confirm that the LM ADAPTER’S maintenance LED (LED003, 004) are not lit.
* If the LM ADAPTER’S maintenance LED (LED003, 004) are lit, refer to the next chapter “6. Troubleshooting”.
4. (Note 1) Always refer to the previous chapter “4. System Settings” before changing the system configuration, such as the M-NET address.
* After confirming the above details, always refer to the following section “ 5-4 Test Run ” and make confirmations with trial operations.
(Note 2) Turn all of the switches in the service switch (SW2) [OFF] to confirm the ON/OFF status of the above maintenance LED (LED002, LED003 and LED004). - After confirming the above, always perform the test run as described in the next section “5-4. Test Run”.
5-4 Test Run
Perform the test run according to the test procedure of the test run check list.
- Test run of indoor units by local remote controller
1. Perform the test run of the indoor units by using the local remote controller or system controller.
Confirm that all indoor units are running normally. - Test-operation of the indoor unit from LM ADAPTER
Turn on SW1-9 of LM ADAPTER.
If there is even one indoor unit that is not running, the LM ADAPTER may not correctly recognize the indoor unit. Refer to the next chapter ” Troubleshooting “.
Finally turn off SW1-9, and verify that all indoor units are stopped. - Test-operation of the indoor unit from LONWORKS
If there is any tool which corresponds to LONWORke,verify that it can be operated from LONWORKS® network according to the follwing procedure.
Set the LM ADAPTER to the Configured.
If the LM ADAPTER has been already bound to a BMS (Building Management System) (the service LED is not ON), don’t apply any new binding.
During the test operation, use ” nvin Reguest ON/OFF ” to verify that the indoor unit can be operated. For details of ” nvin Reguest ON/OFF ” , refer to the following.
Troubleshooting
6-1 Abstract
If LM ADAPTER does not properly operate, first check the following contents.
Item | Normal state | Contents to check |
| LED009 (WDT) | ON | Check the Main Power Switch to the LM ADAPTER is not turned off, any connectors (CN605, CN65, CN32, CN33, CN31, CN71) are disconnected and for a blown fuse (F). |
| LED402 (5VM) | ON | Check the Main Power Switch to the LM ADAPTER is not turned off, any connectors (CN405, CN45, CN21, CN31, CN71) are disconnected and for a blown fuse (F). |
| LED502 (3150RST) | OFF | The LM ADAPTER’S initial processing has not been completed. Wait for 15 minutes after the power supply is turned on (Until the initializing process is completed). |
| LED201 (18007RST) | OFF | The LM ADAPTER’S initial processing has not been completed. Wait for 2 minutes after the power supply is turned on (Until the initializing process is completed). |
| Service LED | — | It blinks when it is not binding. At this time, operation is unavailable from the network side from LONWORKS®. Binding the equipment which corresponds to LONWORKS® network. |
| LED002 | OFF | If it is ON when the dip switch SW2 are all OFF, the LM ADAPTER is incompletely initialized. Wait for 15 minutes after the power supply is turned on (Until the initializing process is completed). |
| LED003 | OFF | If it is ON when the dip switch SW2 are all OFF, check the setting of the switches and so on, and turn on the power supply again. |
| LED004 | OFF | If it is ON when the dip switch SW2 are all OFF, there may be trouble at the indoor unit. Check the connection and setting of all indoor units. |
| CN40/41 | — | If the power supply unit is connected, insert the jumper connector to CN41. If the power supply unit is not connected, insert the jumper connector to CN40. |
| SW71 | — | LONWORKS® The switch sets the termination of LONWORKS® network. According to the system design of LONWORKS® network, check whether it is properly set or not. |
| M—NET Address switch SWU1, SWU2 | — | If system controller is used, check whether M-NET address is overlapped or not. Initial setting of LM ADAPTER is 247. |
| Dip switch SW1, SW2, SW3 | — | Check whether system controller is present or not (SW1-2), and whether the independent/combined LOSSNAY (SW1-5) is properly set or not. Moreover, verify that all other switches are all off. |
6-2 Troubleshooting
No. | Error content | Cause | Checking method and remedy |
| 1 | LED002 is ON | (1) It takes time for the initial processing to complete (normal). (2) Setting on M-NET side is not properly completed. (3) M-NET power supply switch has not been set. (4) The power supply to the air conditio- ner unit is disconnected. | It can take about 15 minutes for the initial processing to complete. Wait until the initial processing finishes. Verify that the test operation of the air conditioner is properly completed. Verify that M-NET transmission line is properly connected. Follow the instructions in “4. System Setting” and check the power supply unit setting, and the LM ADAPTER power supply switch connector setting. Verify that the air conditioner unit power supply is not disconnected. * Use a tester to check the voltage of the terminal (TB2). DC17-30 V |
| 2 | The air conditioner unit does not operate even by performing a test run using the LM ADAPTER’S switch SW1-9. | (1) The LM ADAPTER is not completely initialized. (2) Setting on M-NET side is not properly completed. (3) If system controller is used together LM ADAPTER is not registered to system controller. | Turn OFF all SW2. After verifying that LED002 is OFF, test the operation again.
Verify that the test operation of the air conditioner is properly completed. Verify that M-NET transmission line is properly connected. In system controller, register LM ADAPTER as the sub system controller. |
| 3 | The LOSSNAY unit does not operate even by performing a test run using the LM ADAPTER’S switch SW1-9. | (1) The LM ADAPTER is not completely initialized. (2) Setting on M-NET side is not properly completed. (3) If system controller is used in combination, LM ADAPTER is not registered to system controller. | Refer to 2-(1). Refer to 2-(2). Refer to 2-(3). |
| (4)The independent/interlocked LOSSNAY of LM ADAPTER is not set. | Turn on SW1-5 of LM ADAPTER, and reset the power supply. | ||
| 4 | Even if it is operated with the remote controller/system controller, it is not informed to the host on LON side. | (1) The LM ADAPTER is not completely initialized. (2) Setting on M-NET side is not properly completed. (3) If system controller is used in combination, LM ADAPTER is not registered to system controller. | Refer to 2-(1). Refer to 2-(2). Refer to 2-(3). |
| (4)LONWORKS® network transmission line is not properly connected. | Check for disconnection on TB21, short-circuit and wire breakage on the network wire and so on. | ||
| (5)The termination of LONWORKS® network is not properly set. | Verify that the termination of LONWORKS® network is properly set according to the system design. | ||
| (6) Binding of LONWORKS® network is not properly ended. | Apply the binding again. |
| Error content | Cause | Checking method and remedy | |
| 5 | Independent/interl ocked LOSSNAY can not be operated from the LON side. | (1) The LM ADAPTER is not completely initialized. (2) Setting on M-NET side is not properly completed. | Refer to 2-(1). Refer to 2-(2). |
| (3)If system controller is used together LM ADAPTER is not registered to system controller. | Refer to 2-(3). | ||
| (4)The independent/interlocked LOSSNAY of LM ADAPTER is not set. | Refer to 3-(4). | ||
| (5)LONWORKS® network transmission wire is not properly connected. | Refer to 4-(4). | ||
| (6)The termination of LONWORKS® network is not properly set. | Refer to 4-(5). | ||
| (7) Binding of LONWORKS® network is not properly ended. | Refer to 4-(6). | ||
| 6 | Air conditioner can not be operated from the LON side. | (1)The LM-ADAPTER is not completely initialized. | Refer to 2-(1). |
| (2)Setting on M-NET side is not properly completed. | Refer to 2-(2). | ||
| (3) If system controller is used together LM ADAPTER is not registered to system controller. (4) LONWORKS® network transmission wire is not properly connected. | Refer to 2-(3).
Refer to 4-(4). | ||
| (5)The termination of LONWORKS® network is not properly set. | Refer to 4-(5). | ||
| (6) Binding of LONWORKS® network is not properly ended. | Refer to 4-(6). | ||
| 7 | Prohibit local remote controller operation cannot be set from the LON side. | (1) Perform the LM ADAPTER’S prohibit local remote controller operation setting. | Turn on SW1-1 of LM ADAPTER, and reset the power supply. |
| 8 | Forced thermo OFF cannot be set from the LON side. | (1) Perform the LM ADAPTER’S forced thermo OFF setting. | Turn on SW1-8 of LM ADAPTER, and reset the power supply. |
6-2 Error code list
Error code | Display of trouble | Error content | Symptom | Cause | Checking method and remedy |
| 6600 | M-NET remote controller, MA remote controller, system controller | M-NET duplication error | • If it has been confirmed that a unit with the same M-NET address is transmitting. | • If there are two or more units with the same M-NET address at the unit and controller. | • Check that there are no duplicate addresses. After correcting problem, reset power supply. |
| 6601 | M-NET remote controller, MA remote controller, system controller | M-NET polarity not set error | • When discrimination of the polarity of the M-NET transmission wire. | • Interrupted power supply, Connectors (CN405, CN45, CN21, CN71). Damage to transformer (T2). • Interrupted power supply for M-NET transmission wire. | • Check for defects. Once corrected, reset the power supply. |
| 6607 | M-NET remote controller, MA remote controller, system controller or building control system | No ACK error | • If there is no response (ACK) from the recipient after a transmission. | • If recipient of transmission is LM ADAPTER. • Defect in transmission line (TB2)between LM ADAPTER. • Interrupted power LM ADAPTER power supply (TB1). • Blown fuse (F1) in LM ADAPTER disconnection on the loose connector (CN605, CN65, CN32, CN33, CN31). • Damage transformer in LM ADAPTER (T1, T2). Damage circuit board (L.B, P.B). | • Check these areas. After correcting problem, reset power supply. |
| 7302 | M-NET remote controller, MA remote controller, system controller | M-NET connection error (no connection to indoor unit or LOSSNAY unit) | Could not connect to any indoor units or LOSSNAY units. | • Power supply is not connected to indoor unit or LOSSNAY unit. • M-NET transmission cable is not connected. | • Check these areas. After correcting problem, reset power supply. |
| • Power supply is not connected to M-NET transmission cable. | |||||
| 7303 | M-NET remote controller, MA remote controller, system controller | M-NET connection error (no connection to master system controller) | DIP SW1-2 is OFF and the system controller is connected. DIP SW1-2 is ON and the system controller is not connected. | • M-NET transmission cable is not connected. • Power supply is not connected to M-NET transmission cable. • The DIP SW1-2 setting is different to the system configuration. | • Check these areas. After correcting problem, reset power supply. |
| 7305 | M-NET remote controller, MA remote controller, system controller | Initialization error | Initialization of the LM ADAPTER failed. | Damage in LM ADAPTER. | Reset the power supply. If the same error occurs again, the controller is faulty. |
Test run check sheet
Unit address | Test run of units (SW1-9) | Operation from LONWORKS® network | Confirmation of operating status | MEMO | |||||||||
| ON | OFF | ON | OFF | Operation mode | Set temperature | ON | OFF | Operation mode | Set temperature | Error | Intake temperature | ||
| 01 | |||||||||||||
| 02 | |||||||||||||
| 03 | |||||||||||||
| 04 | |||||||||||||
| 05 | |||||||||||||
| 06 | |||||||||||||
| 07 | |||||||||||||
| 08 | |||||||||||||
| 09 | |||||||||||||
| 10 | |||||||||||||
| 11 | |||||||||||||
| 12 | |||||||||||||
| 13 | |||||||||||||
| 14 | |||||||||||||
| 15 | |||||||||||||
| 16 | |||||||||||||
| 17 | |||||||||||||
| 18 | |||||||||||||
| 19 | |||||||||||||
| 20 | |||||||||||||
| 21 | |||||||||||||
| 22 | |||||||||||||
| 23 | |||||||||||||
| 24 | |||||||||||||
| 25 | |||||||||||||
| 26 | |||||||||||||
| 27 | |||||||||||||
| 28 | |||||||||||||
| 29 | |||||||||||||
| 30 | |||||||||||||
| 31 | |||||||||||||
| 32 | |||||||||||||
| 33 | |||||||||||||
| 34 | |||||||||||||
| 35 | |||||||||||||
| 36 | |||||||||||||
| 37 | |||||||||||||
| 38 | |||||||||||||
| 39 | |||||||||||||
| 40 | |||||||||||||
| 41 | |||||||||||||
| 42 | |||||||||||||
| 43 | |||||||||||||
| 44 | |||||||||||||
| 45 | |||||||||||||
| 46 | |||||||||||||
| 47 | |||||||||||||
| 48 | |||||||||||||
| 49 | |||||||||||||
| 50 | |||||||||||||
This product is designed and intended for use in the residential, commercial and light-industrial environment.
The product at hand is based on the following EU regulations:
- Low Voltage Directive 2006/95/EC
- Electromagnetic Compatibility Directive 2004/108/EC
- Restriction of Hazardous Substances 2011/65/EC
HEAD OFFICE: TOKYO BLDG. , 2-7-3, MARUNOUCHI, CHIYODA-KU, TOKYO 100-8310, JAPAN
Authorized representative in EU: MITSUBISHI ELECTRIC EUROPE B.V.
HARMAN HOUSE, 1 GEORGE STREET, UXBRIDGE, MIDDLESEX UB8 1QQ, U.K.
WT07000X01
















