<ORIGINAL>
Air-Conditioners
INDOOR UNIT
PEA-RP200, 250WKA
INSTALLATION MANUAL
FOR INSTALLER
For safe and correct use, please read this installation manual thoroughly before installing the air-conditioner unit.
A Access door
B Electrical parts box
C Air inlet
D Air outlet
E Ceiling surface
A Center of gravity
A Unit body
B Lifting machine
C Nuts (field supply)
D Washers (accessory)
E M10 hanging bolt (field supply)
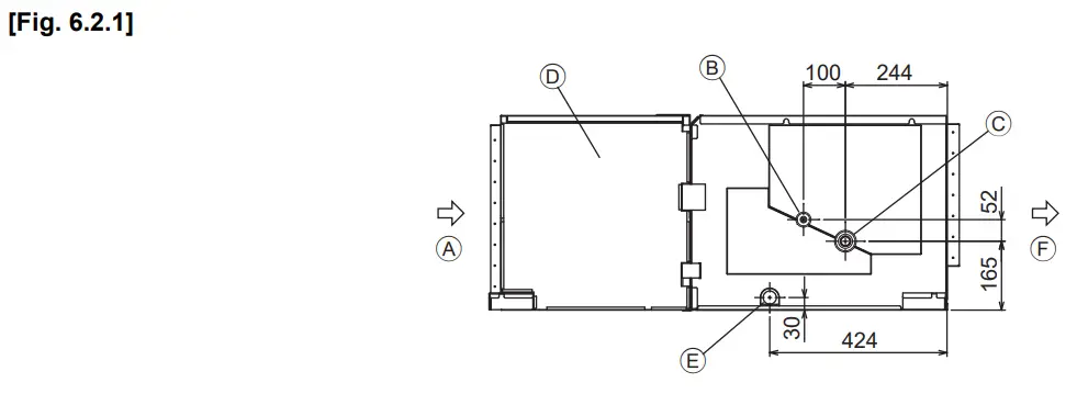
A Air inlet
C Refrigerant piping (gas)
E Drain pipe
B Refrigerant piping (liquid)
D Control box
F Air outlet
![]() | ![]() | ![]() |
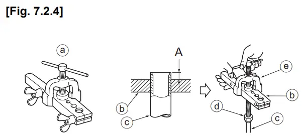
| a Copper tubes b Good c No good d Tilted e Uneven f Burred | a Burr b Copper tube/pipe c Spare reamer d Pipe cutter | a Flare nut b Copper tube |
![]() | ![]() | |
| a Flaring tool b Die c Copper tube d Flare nut e Yoke a Smooth all around b Inside is shining without any scratches c Even length all around | d Too much e Tilted f Scratch on flared plane g Cracked h Uneven i Bad examples | |
![]() | ![]() | ![]() |
| A Pipe cover (small) (accessory) B Caution: Pull out the thermal insulation on the refrigerant piping at the site, insert the flare nut to flare the end, and replace the insulation in its original position. Take care to ensure that condensation does not form on exposed copper piping. C Liquid end of refrigerant piping | D Gas end of refrigerant piping E Site refrigerant piping F Main body G Pipe cover (large) (accessory) H Thermal insulation (field supply) I Pull J Flare nut K Return to the original position | L Ensure that there is no gap here M Plate on main body N Band (accessory) O Ensure that there is no gap here. Place join upwards. |

A Downward slope of 1/100 or more
B Drain hose (Accessory)
C Indoor unit
D Collective piping
E Maximize this length to approx. 10 cm
A Indoor unit
B Insulation pipe (short) (accessory)
C Tie band (accessory)
D Band fixing part
E Insertion margin
F Drain hose (accessory)
G Drain pipe (O.D. ø32 PVC TUBE, field supply)
H Insulating material (field supply)
I Max.145 ± 5 mm
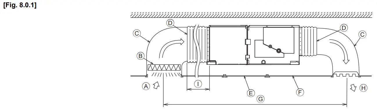
A Air inlet
C Duct
E Access door
G Ensure sufficient length to prevent short cycling
H Air outlet
B Air filter (supplied at the site)
D Canvas duct
F Ceiling
I Keep a duct-work length of 850 mm or more
A Switch 16 A
B Overcurrent protection 16 A
C Indoor unit
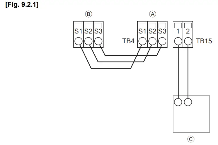
![]() | A Terminal block for indoor transmission cable B Terminal block for outdoor transmission cable C Remote controller |
![]() | A Non-polarized B TB15 C Remote Controller D TB4 |
![]() | ![]() |
| A Screw holding cover (2pcs) B Cover | A Control box B Knockout hole C Remove |
![]() | E Use PG bushing to keep the weight of the cable and external force from being applied to the power supply terminal connector. Use a cable tie to secure the cable. Wind the wire around the cable strap once to keep it from being pulled out. F Power source wiring G Tensile force H Use ordinary bushing I Power source terminal bed J Terminal bed for indoor transmission K Terminal bed for remote controller L To 1-phase power source M Transmission line N Terminal bed for outdoor transmission line O Transmission line to the remote controller |
![]() | A Term in al b ed B Round terminal C Transmission cable (polar) |


AIR CONDITIONER INDOOR UNIT
| MODEL | <G> |
| OPERATE | <COOLING> | <HEATING> | ||||||||||
| RATED VOLTAGE V | 220 | 230 | 240 | 220 | 230 | 240 | ||||||
| FREQUENCY Hz | 50 | 60 | 50 | 60 | 50 | 60 | 50 | 60 | 50 | 60 | 50 | 60 |
| RATED INPUT<INDOOR ONLY> kW | ||||||||||||
| RATED CURRENT<INDOOR ONLY> A | ||||||||||||
| PHASE | ~/N |
| REFRIGERANT | R410A |
| ALLOWABLE PRESSURE | MPa |
| IP CODE | IP20 |
| WEIGHT | kg |
| SERIAL No. | |
| YEAR OF |
MITSUBISHI ELECTRIC CORPORATION
MANUFACTURER: MITSUBISHI ELECTRIC CORPORATION
AIR-CONDITIONING&REFRIGERATION SYSTEMS WORKS
5-66, TEBIRA, 6-CHOME, WAKAYAMA CITY, JAPAN
MADE IN JAPAN
This product is designed and intended for use in residential, commercial, and light-industrial environments.
The product at hand is based on the following
EU regulations: • Low Voltage Directive 2014/35/EU
• Electromagnetic Compatibility Directive 2014/30/EU
• Machinery Directive 2006/42/EC
Please be sure to put the contact address/telephone number on this manual before handing it to the customer.
MITSUBISHI ELECTRIC CORPORATION
HEAD OFFICE: TOKYO BLDG., 2-7-3, MARUNOUCHI, CHIYODA-KU, TOKYO 100-8310, JAPAN
WT08744X01






























