systemair RS 100-50 EC SILEO EC Rectangular Dust Fans

Description
- EC-motors, high level of efficiency
- 100% speed controllable
- Integrated motor protection
- Can be installed in any position
- Potentiometer included for easy commissioning
The RSI models are thermally and acoustically insulated with 50mm mineral wool and perforated sheet steel on the inner surface. This gives a quiet running with many installation possibilities.
The RS/RSI EC series have impellers with backward-curved blades and are fitted to EC external rotor motors. These fans have a high capacity in relation to their compact design. The fans are delivered with a pre-wired potentiometer (0-10V) which allows you to easily find the desired working point.
EC fans are notable for their economical use of energy and excellent ease of control. They can be varied in speed to match the airflow demand, and operate at high efficiency levels. For the same air volume, they consume distinctly less energy than AC fan drives.
Motor protection is integrated in the electronics of the motor. The casing is manufactured from galvanized sheet steel.
Technical parameters
Nominal data
Voltage 400 V
Frequency 50/60 Hz
Phase 3 ~
Input power (P1) 2075 W
Current 3,21 A
Max. airflow 3,13 m³/s
R.p.m. 1415 r.p.m.
Weight 76,8 kg
Temperature data
Max. temperature of transported air 60 °C
Sound data
Sound pressure level at 3 m 67,8 dB(A)
Protection / Classification
Insulation class F
Enclosure class, motor IP54
ErP
ErP ready ErP 2018
Diagrams

Max efficiency
| Max efficiency | |||||||||||
| Hydraulic data | |||||||||||
| Working air flow | 1,88 | m³/s | |||||||||
| Working static pressure | 512 | Pa | |||||||||
| Power | 1895 | W | |||||||||
| Speed | 1413 | r.p.m. | |||||||||
| Current | 2,93 | A | |||||||||
| SFP | 1,01 | W/(l/s) | |||||||||
| Voltage | 400 | V | |||||||||
| Sound power level | 63 | 125 | 250 | 500 | 1k | 2k | 4k | 8k | Tot | ||
| Inlet | dB(A) | 69 | 81 | 79 | 83 | 81 | 79 | 74 | 66 | 88 | |
| Outlet | dB(A) | 72 | 83 | 83 | 84 | 85 | 80 | 74 | 65 | 90 | |
| Surrounding | dB(A) | 54 | 73 | 66 | 66 | 64 | 60 | 55 | 47 | 75 | |
Dimensions


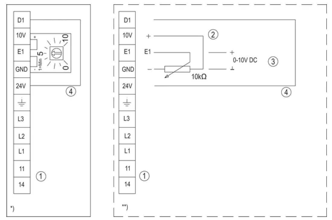
Wiring

*) = Internal potentiometer
**) = External speed control
- 11 & 14 = Alarm
For operation the relay is energized, connections “11” and “14” are bridged.
For fault the relay is de-energized (Diagnostics/faults).
Contact rating max. AC 250V 2A. - External potentiometer
- External input DC 0…10V
- External ON / OFF control via potential free contact
Accessories
Electric accessories
RT 0-30 Room Thermostat (5151)
CO2RT-R-D Transmitter (6993)
Presence detector/IR24-P (6995)
MTV-1/010 Controller 0..10V+ (30650)
MTP 10, 10K, Speed control (32731)
DTV200 (6261)
EC-Vent Room Unit (3018)
EC-Vent control board (3115)
REV-5POL/05 ON/OFF (33979)
MTP 20, on/off, 3-step (310220)
EC-Basic-H humidity (24807)
EC-Basic-T temperature (24805)
EC-Basic-U universal 0-10V (24806)
EC-Basic-CO2 and temperature (24808)
S-5EC/FRQ (76738)
DTV500A (96807)
PGK 100-50-3-2,0 Duct cooler (6601)
VBR 100-50-2 Water heating bat (5470)
VBR 100-50-3 Water heating bat (5478)
LDR 100-50 Silencer (5067)
FFK 100-50 filter cassette (30237)
DS 100-50 Flexible connection (1555)
WSG 100-50 weather prot.guard (30596)
SRK 100-50 Class 3 Damper (7029)
DXRE 100-50-3-2,5 Duct cooler (7959)
RB 100-50/45-3 400V/3 Duct hea (9649)
RB 100-50/68-4 400V/3 Duct hea (9650)
RKT-SYS-1000×500-S (43641)
RK-SYS-1000×500-R (43650)
RK-SYS-1000×500-S (43659)
Documentation
202341_Fans_Instructions_CE_A010.pdf (1,83MB)
EC-fans_Operation_and_maintenance_instr _206268_CE_(A022).pdf (2,88MB)
Specification text
Rectangular duct fan for easy and direct installation in ducts. For extract and supply air installations.
Galvanized sheet steel housing. Service cover. The fan unit is mounted on the service cover for easy cleaning and maintenance. Free-running, backward curved circular impeller made of composite PA6. Impeller acc. to VDI 2060, balancing quality G 6.3, dynamically balanced in two planes.
EC-external rotor motor, maintenance-free, the motor is placed inside the air flow for cooling. Integrated, electronic motor protection. Integrated speed controller, the fan is equipped with a potentiometer (0-10V) to set the operating point directly. Integrated, electronic motor protection.
Installation in any mounting position. For indoor installation
Name: RS 100-50 EC SILEO | Item no.: 92932
Document type: Product card | Document date: 2019-06-25 | Generated by: Online catalogue
Get In Touch
Call: 0845 6880112
Email: [email protected]
Our Address
Puravent, Adremit Limited, Unit 5a, Commercial Yard, Settle, North Yorkshire, BD24 9RH




















