Cesicia W00021 Textured Black 1-Light Dusk to Dawn Hardwired Outdoor Wall Lantern Sconce

MODEL: W00021 W00022
IMPORTANT SAFETY INSTRUCTIONS
- Warning: If any special control devices are used with this fixture, follow the instructions carefully to assure full compliance with N.E.C. requirements. If there are any questions, contact a qualified electric contractor.
- Warning: This product can expose you to chemicals including lead, which is known to the State of California, to cause cancer or birth defects or other reproductive harm. For more information, please go to www.P65Warnings.ca.gov
- Caution: Electrician installation highly recommended. All glass is fragile, use care when handling glass component(s) and or lamp(s). Read instructions carefully and turn electricity off at the main circuit breaker panel before beginning installation.
Important Notice
This is a generic instruction sheet used for various fixtures.
The finish, numbers of heads/arms, and style of fixture / glass / shade / diffuser may vary

(Required Supply Circuit: 120V, 60Hz. Bulb Type: 1*E26*60W Max)
Compatible Bulb Type (NOT Included)

The mostly suggested bulb type is a 11W LED ST58 or A19 bulb
COMPONENTS INCLUDED IN THE PACKAGE
Fixture with hardwares

Parts included in parts bag.
Parts X 2 for 2 pack item

ASSEMBLY & INSTALLATION STEPS
- Open the box from top, take out all the components, parts bag and manual from the box carefully.
- Check all the components against the parts list. Make sure get each parts on list. If any parts missing and glass damage, please contact the manufacturer at [email protected] to get a replacement. Parts are NOT included for which is shown as 0 under QTY.
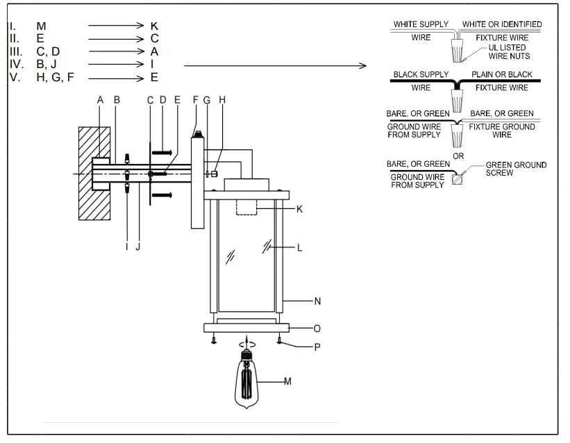
PARTS LIST
Part Name QTY Code
Junction Box 0
A
Leading Wire 2
B
Universal Mounting Bracket 1
C
(1.5″) Mounting Screw 2
D
Stud 2
E
Back Plate 1
F
Washer 2
G
Cap Nut 2
H
(Parts QTY X 2 for 2 pack item)
Part Name
QTY Code
Wire Nut 3
I
Wire 2
J
Socket 1
K Glass 1
L
Bulb 0
M
Pillars 4
N Bottom cover 1
O Screws 4
P - Refer to the illustration while doing assembly and follow the steps as below:
I Screw the bulb (M) onto socket (K) before installation.
II Thread two studs (E) onto the mounting bracket (C) at proper position.
III Attach the mounting bracket (C) to the junction box (A) by two mounting screws (D). Adjust the mounting bracket to a horizontal level.
IV Connect wires according to the wiring diagram as below.
V Attach the back plate (F) to two studs (E) and fix with two washers (G) and cap nuts (H)
In a case of glass damage, unlock 4 screws (P) on the bottom cover (O) and pillars (N) to release the damaged glass, then carefully replace with a new glass and lock the bottom cover (O) with the screws (P)
Illustration of assembly and wiring:













