
LUNA2000-(5-30)-S0
Quick Guide
Issue: 01
Part Number: 31500GCU
Date: 2021-04-01
HUAWEI TECHNOLOGIES CO., LTD.
Product Overview
LUNA2000 Battery Appearance
The LUNA2000 battery is applicable to the grid-tied or off-grid systems of residential rooftop PV plants. It can store and release electric energy based on service requirements.
Note: The 15 kWh model is used as an example.
Power Control Module and Battery Expansion Modules
The LUNA2000 battery consists of a power control module and battery expansion modules. The power control module is 5 kW, and a battery expansion module has a standard capacity of 5 kWh.
- Power control module (DCDC)
- Black start switch
- Battery terminals (BAT+/BAT–)
- COM port (COM)
- Battery cascading terminals (B+/B–)
- DC switch (DC SWITCH)
- COM port (COM)
- Fuse (9) Ground
- Battery terminals point (BAT+/BAT–)

- Battery expansion module
- Boss for alignment
- Battery cascading terminals (B+/B–)
- Battery cascading terminals (B+/B–)
- COM port (COM)
- Ground point
- Heat sink
- Ground point


Residential Rooftop PV System for Grid Connection
The residential rooftop PV system for grid connection generally consists of the PV module, LUNA2000 battery, grid-tied inverter, management system, AC switch, and power distribution box (PDB).
Device Installation
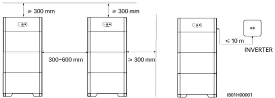
2.1 Installation Requirements
Installation Environment

Installation Space

Mounting Hole Dimensions
2.2 Installing the Floor Support
DANGER
Avoid drilling holes in the water pipes and cables buried in the wall.

If holes cannot be drilled on the ground, the battery expansion modules must be secured on the wall.
NOTE
- The M6x60 expansion bolts delivered with the battery are mainly used for solid concrete walls and concrete floors. If other types of walls and floors are used, ensure that the walls and floors meet the load-bearing requirements (one battery expansion module weighs 50 kg) and select the bolts by yourself.
- The power control module (DCDC) must be fixed on the wall. If the device is installed in an area prone to earthquakes or vibration, you can mark the battery module mounting holes and drill holes to install expansion bolts in step 2.
2.3 Installing Battery Expansion Modules
- Install the battery expansion modules and power control module on the support.
NOTICE
- The following describes how to install the battery expansion modules for a 15 kWh model.
- The installation of battery expansion modules for 5 kWh and 10 kWh models is the same. One battery expansion module is installed for a 5 kWh model, and two battery expansion modules are installed for a 10 kWh model.

Install the remaining battery modules and power module from bottom to top. After installing a module, secure the left and right connecting pieces, and then install the next module.
2. Secure the power control module to the wall.
3. (Optional) Secure the battery expansion modules to the wall by referring to step 2.
2.4 Wall-mounted Installation
Mounting Hole Dimensions
Installing the Support for Wall-mounted Installation
NOTE
For floor-mounted installation, the base is 50 mm high. If waterproofing requirements cannot be met, the battery can be installed on a wall. The mounting kits need to be purchased separately. For wall- and floor-mounted installation, ensure that the load-bearing capacity meets the requirements (one battery expansion module weighs 50 kg).
Internal Electrical Connections of the Battery
NOTICE
- Connect cables in accordance with local installation laws and regulations.
- Before connecting cables, ensure that the DC switch on the battery and all the switches connected to the battery are set to OFF. Otherwise, the high voltage of the battery may result in electric shocks.
3.1 Installing an Internal Ground Cable
3.2 Installing Internal DC Terminals
NOTE
- Internal electrical cables are delivered with the battery, see the Packing List in the packing case.
- The Amphenol terminal is used as the DC terminal between the power control module and the battery expansion modules.
3.3 Connecting Internal Signal Cables
Install the internal signal cables described in this section using the three signal cables with a diameter of 5 mm and rubber plugs delivered with the DCDC. Do not use signal cables with a diameter of 7 mm.

NOTICE
- When a communications terminal is connected to a single network cable, a waterproof rubber plug must be installed. Do not install a cable with a diameter of 5 mm into a Ф7 mm rubber plug, the 7 mm hole is used to connect to an inverter or cascaded battery.
- After inserting the terminal shell into the COM port, shake the terminal shell left and right and pull it back to ensure that it is securely installed, and tighten the nut (ensure that the rubber plug is tightly compressed). Otherwise, the waterproof performance is affected.
External Electrical Connections of the Battery
4.1 Preparing Cables
NOTICE
Connect cables in accordance with local installation laws and regulations.
NOTICE
- Before connecting cables, ensure that the DC switch on the battery and all the switches connected to the battery are set to OFF. Otherwise, the high voltage of the battery may result in electric shocks.
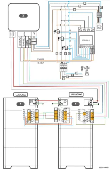
- The DC input power cable and signal cable between the battery and the inverter must be less than or equal to 10 m.
Prepare cables based on on-site requirements.
| No. | Cable | Type | Conductor Cross-Sectional Area Range | Outer Diameter |
| 1 | Ground cable | Single-core outdoor copper-core cable | 10 mm2 | – |
| 2 | DC input power cable (inverter to battery and battery to the battery) | Common outdoor PV cable in the industry | 4-6 mm2 | 5.5-9 mm |
| 3 | Signal cable (inverter to battery and battery to the battery) | Outdoor shielded twisted pair cable (8 cores) | 0.20-1 mm2 | 6.2-7 mm |
4.2 Routing Cables Out of the Cable Hole
NOTICE
Before connecting external cables, route the cables through the cable hole to avoid disconnecting after installation.
4.3 Installing a Ground Cable
NOTE
- Ground a ground point of the power control module.
- Apply silica gel or paint around the ground terminal after the ground cable is connected.

4.4 Installing DC Input Power Cables
NOTICE
- You are advised to connect the battery terminals (BAT+ and BAT–) on the switch side to the inverter and connect the other side to the cascaded battery.
- The battery terminals use the Staubli MC4 positive and negative metal terminals and DC connectors supplied with the solar inverter. Using incompatible positive and negative metal terminals and DC connectors may result in serious consequences. The caused device damage is not covered under warranty.
Assembling DC Connectors

Installing DC Input Power Cables
DANGER
Use dedicated insulated tools to connect cables. Ensure that battery cables are connected to the correct polarities. If the battery cables are reversely connected, the battery may be damaged.
4.5 Installing a Signal Cable
NOTICE
- When laying out a signal cable, separate it from power cables and keep it away from strong interference sources to prevent communication interruption.
- Ensure that the protective layer of the cable is inside the connector, that excess core wires are cut off from the protection layer, that the exposed core wire is totally inserted into the cable hole, and that the cable is connected securely.
- Use a plug to block the idle cable hole with the waterproof rubber ring, and then tighten the locking cap.
- If multiple signal cables need to be connected, ensure that the outer diameters of the signal cables are the same.
Communications Terminal Description
6pin–10pin are close to the groove side.
NOTE
It is recommended that the right side of the COM port be connected to the inverter and the left side of the COM port be connected to the cascaded batteries. The communications terminal insertion directions on the left and right sides of the COM port are different. Insert the communications terminals in the directions shown in the figures.
COM Port Pin Definitions

NOTE
The communications terminals on the inverter side need to be connected to RS485+\RS485-, EN+\EN-, and PE. The communications terminals on the cascading side need to be connected to RS485+\RS485-, EN+\EN-, CANH\CANL, and PE.
| No. | Label | Definition | Description |
| 1 | PE | The ground point on the shield layer | The ground point on the shield layer |
| 2 | Enable- | Enable signal GND | Connects to the enable signal GND of the inverter. |
| 3 | Enable+ | Enable signal+ | Connects to the enable signal of the inverter. |
| 4 | 485A | RS485A, RS485 differential signal+ | Connects to the RS485 signal port + of the inverter or cascaded batteries. |
| 5 | |||
| 6 | 485B | RS485B, RS485 differential signal- | Connects to the RS485 signal port – of the inverter or cascaded batteries. |
| 7 | |||
| 8 | CANAL | Extended CAN bus port | Used for signal cable cascading in battery cascading scenarios. |
| 9 | CANH | Extended CAN bus port | Used for signal cable cascading in battery cascading scenarios. |
| 10 | PE | The ground point on the shield layer | The ground point on the shield layer |
Connecting the Communications Terminal to the Inverter

4.6 (Optional) Cable Connections in Cascading Scenarios
Cascading Networking

Cascading DC Input Connection
Prepare DC connectors and connect DC battery cascading terminals (BAT+ and BAT–) for cascaded batteries. For details, see section 4.4 “Installing DC Input Power Cables“. The Staubli MC4 positive and negative metal terminals and DC connectors on the cascading side need to be purchased by customers.
Connecting the Communications Terminal for Cascaded Batteries
NOTICE
After inserting the terminal shell into the COM port, shake the terminal shell left and right and pull it back to ensure that it is securely installed, and tighten the nut (ensure that the rubber plug is tightly compressed). Otherwise, the waterproof performance is affected.
4.7 Connecting Cables to the Inverter
SUN2000-(2KTL-6KTL)-L1

COM Port Pin Definitions
| No. | Label | Definition | Description |
| 3 | 485 B2 | RS485B, RS485 differential signal- | Used for connecting to the RS485 signal ports of the battery. |
| 4 | 485 A2 | RS485A, RS485 differential signal+ | |
| 5 | GND | GND (EN-) | Used for connecting to GND of the enable signal. |
| 6 | EN+ | Enable signal+ | Used for connecting to the enable signal of the battery. |
SUN2000-(3KTL-12KTL)-M1

COM Port Pin Definitions

| No. | Label | Definition | Description |
| 7 | 485A2 | RS485A, RS485 differential signal+ | Used for connecting to the RS485 signal ports of the battery. |
| 9 | 485B2 | RS485B, RS485 differential signal- | |
| 11 | EN | Enable signal+ | Used for connecting to the enable signal of the battery. |
| 13 | GND | GND (EN-) | Used for connecting to GND of the enable signal. |
SUN2000-(2KTL-6KTL)-L1

SUN2000-(3KTL-12KTL)-M1
Verifying the Installation
5.1 Installing the Cover
After electrical connections are complete, check that cables are correctly and securely connected, install the external protective cover, and secure it using screws.
5.2 Verifying the Installation
| No. | Acceptance Criterion |
| 1 | The battery is installed correctly and securely. |
| 2 | The cables are routed properly as required by the customer. |
| 3 | Cable ties are secured evenly and no burr exists. |
| 4 | The ground cable is connected correctly and securely. |
| 5 | The battery switch and all switches connected to the battery are OFF. |
| 6 | The DC input power cables and signal cables are connected correctly and securely. |
| 7 | Idle terminals and ports are locked by watertight caps. |
| 8 | The installation space is proper, and the installation environment is clean and tidy. |
Power-On Commissioning
6.1 Connecting the Battery Supply
NOTICE
- Power on the LUNA2000 within 24 hours after unpacking. The power-off time cannot exceed 24 hours during maintenance.
- After turning on the battery switch, power on the inverter. For details about how to power the inverter, see the quick guide for the corresponding inverter model.
- If no PV module is configured, press the black start button.
Turn on the DC switch on the battery. After the battery is installed and powered on for the first time, the ring LED blinks for three circles. Observe the battery indicator to check the running status.
| Type | Status (Blinking at long intervals: On for 1s and then Off for 1s; Blinking at short Intervals: On for 0.2s and then Off for 0.2s) | Meaning | |
| Running indication | ![]() | ![]() | N/A |
| Steady green | Steady green | Operating mode | |
| Blinking green at long intervals | Blinking green at long intervals | Standby mode | |
| Off | Off | Sleep mode | |
| Blinking red at short intervals | N/A | Battery power control module environment alarm | |
| N/A | Blinking red at short intervals | Battery expansion module environment alarm | |
| Steady red | N/A | Battery power control module fault | |
| N/A | Steady red | Battery expansion module fault | |
| Battery system indication | ![]() | N/A | |
| Display green | Indicates battery level. One bar represents 10%. | ||
| Steady red | The first three bars indicate the number of faulty battery expansion modules. | ||
6.2 Battery Deployment
When the app connects to the inverter, a message is displayed, asking you to upgrade the inverter version. SDongle V100R001C00SPC117 and later versions support LUNA2000 battery. But the Smart Dongle cannot be upgraded locally. You need to perform the upgrade through the management system. The upgrade procedure is updated in the Quick Guide. You can scan the QR code on the right to obtain the Quick Guide.

https://support.huawei.com/enterprise/en/doc/EDOC1100160384
Creating a Plant
Download and install the FusionSolar app of the latest version by referring to the quick guide for the corresponding inverter model or the FusionSolar App Quick Guide. Register as an installer and create a PV plant or owner (skip this step if an account exists). You can obtain the FusionSolar App Quick Guide by scanning the QR code.
https://support.huawei.com/enterprise/en/doc/EDOC1100165052
Adding Batteries for an Existing Plant
Log in to the FusionSolar app using the installer‘s account, and choose My > Device Commissioning. Tap Quick Settings on the home screen to add the battery and set the battery working mode.
6.3 Setting Battery Control
On the home screen, choose Power adjustment > Battery control, and set the battery parameters and working mode.
6.4 Battery Status Check
After the battery is added, tap Device monitoring on the home screen to view the running status, level, power, and charge and discharge status of the battery.
6.5 Maintenance and Upgrade
Battery Upgrade
When the network is connected, on the app connection screen, tap
> File download in the upper-right corner. Then on the home screen, choose Maintenance > Upgrade device to upgrade the battery version.
Storage and Recharging
The batteries need to be recharged for a certain period of storage. For details, see the user manual.
Fuse Replacement
If a fuse needs to be replaced, replace it by referring to the user manual.
Statement
- The information in this document is subject to change without notice. Every effort has been made in the preparation of this document to ensure the accuracy of the contents, but all statements, information, and recommendations in this document do not constitute a warranty of any kind, express or implied. You can download this document by scanning the QR code.
- Before installing the device, read the user manual carefully to get familiar with product information and safety precautions.
- Only certified electricians are allowed to operate the device. Operation personnel must wear proper personal protective equipment (PPE).
- Before installing the device, check that the package contents are intact and complete against the packing list. If any damage is found or any component is missing, contact your dealer.
- The device damage caused by the violation of instructions in this document is not covered under warranty.
- The cable colors involved in this document are for reference only. Select cables in accordance with local cable specifications.
https://support.huawei.com/enterprise/en/doc/EDOC1100160384
Customer Service Contact Information
| Customer Service Contact Information | |||
| Region | Country | Hotline | |
| Europe | France | [email protected] | 80033888888 |
| Germany | |||
| Spain | |||
| Italy | |||
| United Kingdom | |||
| Netherlands | |||
| Others | For details, visit solar.huawei.com. | ||
| Asia Pacific | Australia | [email protected] | 1800046639 |
| Turkey | [email protected] | N/A | |
| Malaysia | [email protected] | 0080021686868 /1800220036 | |
| Thailand | (+66) 26542662 (charged by local call) | ||
| 1800290055 (toll-free in Thailand) | |||
| China | [email protected] | 400-822-9999 | |
| Others | [email protected] | 0060-3-21686868 | |
| Japan | Japan | [email protected] | 120258367 |
| India | India | [email protected] | 18001038009 |
| South Korea | South Korea | [email protected] | N/A |
| North America | United States | [email protected] | 1-877-948-2934 |
| Canada | [email protected] | 1-855-482-9343 | |
| Latin America | Mexico | [email protected] | 018007703456 /0052-442-4288288 |
| Argentina | 0-8009993456 | ||
| Brazil | 0-8005953456 | ||
| Chile | 800201866 (Only for Fixed) | ||
| Others | 0052-442-4288288 | ||
| Middle East and Africa | Egypt | [email protected] | 08002229000 /0020235353900 |
| United Arab Emirates | 8002229000 | ||
| South Africa | 800222900 | ||
| Saudi Arabia | 8001161177 | ||
| Pakistan | 92512800019 | ||
| Morocco | 800009900 | ||
| Others | 20235353900 | ||
Huawei Technologies Co., Ltd.
Huawei Industrial Base, Bantian, Longgang
Shenzhen 518129 People’s Republic of China
solar.huawei.com






















