HUAWEI SUN2000-600W-P Smart PV Optimizer

Product Overview
The Smart PV Optimizer is a DC-DC converter installed on the rear of PV modules in a PV system. It manages the maximum power point (MPP) of each PV module to improve the energy yield of the PV system, and performs functions such as module-level shutdown and module-level management.
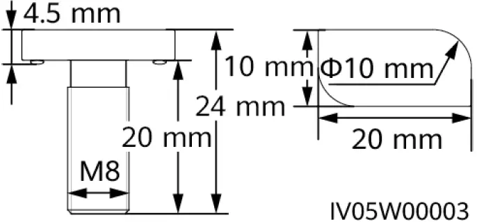
SUN2000-600W-P (Short Input Cable)/SUN2000-450W-P2
The length of the input power cable delivered with the optimizer is 150 mm. Select PV modules with appropriate cable length to ensure that the optimizer can connect to PV modules.
SUN2000-600W-P (Long Input Cable)
The length of the input power cable delivered with the optimizer is 1000 mm. Select PV modules with appropriate cable length to ensure that the optimizer can connect to PV modules.

Installing the Device
Installation Requirements
Clearance

- Do not install the optimizers in a position that might be soaked in water for two hours or longer.

- Improper operations during the installation and running of optimizers may cause fire. Do not store flammable or explosive materials in the installation area.

- Do not cut the cables delivered with the optimizers. Otherwise, the warranty will be voided.

- Avoid direct sunlight.

Installing the Optimizer
NOTICE
Properly plan the installation position of optimizers to ensure that the cables between the optimizer and the PV module and between adjacent optimizers can be properly connected, and the maximum communication distance between the optimizer and the solar inverter is within 350 m.
- After determining the installation position of the optimizer, remove the SN label from the optimizer and attach it to the physical layout template. For details, see instructions on the back of the physical layout template.

- Install the optimizer based on the selected installation mode.
Installed on an Extruded Aluminum Profile – T-shaped Bolt
NOTE
- The optimizer is mounted to an aluminum profile on the front or rear side with T-shaped bolt and nut.
- The T-shaped bolt and nut need to be purchased separately from Huawei. The bolt dimensions are as follows.


Installed on a PV Module Frame – Bolt Assembly
NOTE
- Before installation, ensure that a mounting hole has been reserved on the PV module frame.
- The bolt assembly and nut need to be purchased from a third party. Ensure that the length meets the installation requirements of the PV module frame.
Installed on a PV Module Frame – Frame Mounting Bracket (Front-mounted)
NOTICE
- Do not press the optimizer mounting ear against the positioning pole of the frame mounting bracket.
- Purchase the frame mounting bracket separately from Huawei.
- Install the PV module after the optimizer is installed.
Installing the Optimizer Cables
NOTICE
Ensure that the input (IN) and output (OUT) cables of the optimizer are correctly connected. If they are reversely connected, the device may be damaged.
- Connect the optimizer input (IN) cable to the PV module connection box.
- Connect the positive probe of the multimeter to the positive output terminal of the optimizer and the negative probe to the negative output terminal. Check the output voltage and resistance of a single optimizer.

- The voltage V1 is 0 V.
- The resistance R1 is 1 kΩ (±10%). If the probes are reversely connected, the measured resistance is less than the resistance measured when the probes are correctly connected, which might be less than 0.9 kΩ.
Resistance Cause Suggestions 0.9 kΩ ≤ R1 ≤ 1.1 kΩ The optimizer is normal. N/A R1 < 0.9 kΩ If the probes of the multimeter are correctly connected, the optimizer is faulty. Replace the optimizer. 1.1 kΩ < R1 - The sunlight is weak.
- The optimizer input is not connected.
- The optimizer output is connected to the PV module output.
- The optimizer is faulty.
- Measure the resistance when the sunlight is sufficient.
- Connect the optimizer input power cables.
- Correct the optimizer cable connection. Connect the optimizer input power cables to the output cables of the PV module.
- If the resistance is still abnormal, replace the optimizer.
NOTICE
The measurement precision of the PV string output resistance depends on the resistance setting of the multimeter. Select the lowest resistance setting that can meet the measurement requirements.
Common Exception Scenarios
The probes are reversely connected. The measured value R2 is less than the resistance measured when the probes are correctly connected.
The optimizer input is not connected: 1.1 kΩ < R1
The sunlight is weak: 1.1 kΩ < R1
The optimizer output is connected to the PV module output:
1.1 kΩ < R1
- Check that the optimizer input is properly connected, and connect the output power cables to the optimizer. Measure the PV string resistance when the sunlight is sufficient.

Full Configuration of Optimizers- If R is infinite, an open circuit occurs in the PV string or the cables are connected to different PV strings. Rectify the PV string open-circuit fault and correctly group the PV string cables.
- If R4 is less than R3, A is the positive cable of the PV string, and B is the negative cable of the PV string. If R3 is less than R4, B is the positive cable of the PV string, and A is the negative cable of the PV string. Attach correct cable labels.
- The resistance of each pair of PV module and optimizer is 1 kΩ. The total resistance of a PV string is 1 kΩ times the number of optimizers. If the total resistance is 10 kΩ, the number of optimizers in the PV string is 10.
Note: The total resistance of a PV string is (R3 + R4)/2.
- Connect cables between the PV string and the solar inverter.

Power-On Commissioning
- The physical layout of the optimizers must be provided so that you can easily locate faulty optimizers based on the physical layout diagram.
- The physical layout of the optimizers must be provided to use the optimizer disconnection detection function. After optimizer disconnection detection is performed, the locating result can be viewed on the Optimizer layout page.
- Choose Maintenance > Sub device management > Auto search to add an optimizer. Create a physical layout on the Physical layout design screen. For details, see the corresponding solar inverter quick guide or Fusion Solar App Quick Guide. The solar inverter quick guide is delivered with the solar inverter. You can scan the QR code to obtain Fusion Solar App Quick Guide.

NOTICE
If the system has change requirements, such as adding, deleting, and replacing an optimizer, adjusting the physical position of an optimizer, or adjusting the PV string connected to the solar inverter input, power off the inverter and wait for 5 minutes before performing the change operation to avoid human injuries. After the change is performed, the optimizer search process must be performed again and the physical layout diagram must be updated. Otherwise, the networking is incomplete, optimizer faults cannot be located, or the system fails.
Troubleshooting
- Open the Fusion Solar app, log in to intl.fusionsolar.huawei.com using the installer account, choose Me > Device Commissioning, and connect to the WLAN hotspot of the solar inverter.
- Select installer and enter the login password. Click Log In. The device commissioning screen is displayed.
- Choose Device Monitoring, select the PV string and check the optimizer status.
| Status | Description |
| Green | The optimizer is running properly. |
| Gray | The optimizer is offline. Check that the SN and location information are correct and search for the device again. |
| Red | The optimizer is faulty. |

| Fault Alarm | Cause | Suggestions |
| Input overvoltage | Optimizer input overvoltage occurred. | Check whether the open-circuit voltage of the PV module connected to the optimizer exceeds 80 V. |
| Overtemperature protection | The optimizer internal temperature is too high. |
|
| Internal hardware fault | An internal fault occurred in the optimizer. | Contact your dealer or Huawei technical support. |
| Output back feed | Optimizer output back feed occurred. |
|
| Abnormal output voltage | The optimizer output voltage is abnormal. |
|
| Upgrade failed | The optimizer software upgrade failed. |
|
Replacing an Optimizer
- Power off the solar inverter and remove the faulty optimizer.
- Install a new optimizer and correctly connect its cables.
- Power on the solar inverter. On the Device Commissioning screen, choose Maintenance > Sub device management, and tap Auto search to add the new optimizer.
- On the Device Commissioning screen, choose Maintenance > Optimizer layout, select the corresponding PV module, and bind the new optimizer. Click Submit.


Precautions
| Scenario | Optimizer | Energy Storage | Description |
| Off-grid | No | Yes | Optimizers are not supported. |
| On/Off- grid | Yes | No | After the power grid fails, the system switches to the off-grid mode and is powered off at night. If the power grid is not recovered on the next day, the system cannot start automatically when the irradiance is normal. After the power grid recovers and the irradiance is normal, the system automatically starts. |
| On/Off- grid | Yes | Yes |
|
WARNING
- The optimizer uses Staubli MC4 DC connectors. Ensure that the DC connectors to be connected are of this model. If the DC connectors to be connected are not of the Staubli MC4 model, the connector compatibility report and third-party lab (TUV, VED, or Bureau Veritas) report from the DC connector manufacturer must be available. Using incompatible DC connectors may result in serious consequences. The resulting device damage is beyond the warranty scope.
- The optimizer is not supported in the pure off-grid ESS networking. Otherwise, the system may fail to start.
- Partial configuration scenario: The total open-circuit voltage of the PV modules in a PV string cannot exceed the maximum input voltage of the solar inverter under any condition.
NOTICE
- The information in this document is subject to change without notice. Every effort has been made in the preparation of this document to ensure accuracy of the contents, but all statements, information, and recommendations in this document do not constitute a warranty of any kind, express or implied.
- Only qualified and trained electrical technicians are allowed to operate the device. Operation personnel should understand the composition and working principles of the grid-tied PV power system and local regulations.
- Carefully read this document prior to installation to get familiar with product information and safety precautions. Huawei shall not be liable for any consequence caused by violation of the storage, installation, and operation regulations specified in this document and the solar inverter user manual.
- Use insulated tools when installing the device. For personal safety, wear proper personal protective equipment (PPE).
- If an optimizer does not connect to any other device, connect the OUT+ and OUT– ports of the optimizer respectively to the IN+ and IN– ports to protect the terminals from water.
- It is recommended that the positive and negative cables (PV+/PV–) between the optimizer and the solar inverter be placed side by side to avoid cable winding.
- The input end of the optimizer should be connected to the PV module connection box, and the output end to the adjacent optimizer or a solar inverter. Do not reversely connect the input and output cables. Otherwise, the optimizer may be damaged.
- The screenshots are for reference only. The actual screens may vary. Local physical layout using the solar inverter is used as an example. For details about the remote physical layout using the management system, see the Fusion Solar App Quick Guide.
Installation Video
NOTICE
You can scan the QR codes below to obtain the installation videos.
Huawei Digital Power Technologies Co., Ltd.
Huawei Digital Power Antuoshan Headquarters, Futian Shenzhen 518043, People’s Republic of China
solar.huawei.com









The optimizer input is not connected: 1.1 kΩ < R1
The sunlight is weak: 1.1 kΩ < R1
The optimizer output is connected to the PV module output:
Full Configuration of Optimizers



















