Cylindrical Inductive Long-Distance Proximity Sensors
PRD Series (DC 2-wire)
INSTRUCTION MANUAL
TCD210246AA
PRDT12-8DO Cylindrical Inductive Long Distance Proximity Sensors
Thank you for choosing our Autonics product.
Read and understand the instruction manual and manual thoroughly before using the product.
For your safety, read and follow the below safety considerations before using. For your safety, read and follow the considerations written in the instruction manual, other manuals and Autonics website.
Keep this instruction manual in a place where you can find easily.
The specifications, dimensions, etc. are subject to change without notice for product improvement. Some models may be discontinued without notice.
Follow Autonics website for the latest information.
Safety Considerations
- Observe all ‘Safety Considerations’ for safe and proper operation to avoid hazards.
symbol indicates caution due to special circumstances in which hazards may occur.
Warning Failure to follow instructions may result in serious injury or death.
- Fail-safe device must be installed when using the unit with machinery that may cause serious injury or substantial economic loss. (e.g. nuclear power control, medical equipment, ships, vehicles, railways, aircraft, combustion apparatus, safety equipment, crime/disaster prevention devices, etc.) Failure to follow this instruction may result in personal injury, economic loss or fire.
- Do not use the unit in the place where flammable/explosive/corrosive gas, high humidity, direct sunlight, radiant heat, vibration, impact, or salinity may be present. Failure to follow this instruction may result in explosion or fire.
- Do not disassemble or modify the unit. Failure to follow this instruction may result in fire.
- Do not connect, repair, or inspect the unit while connected to a power source. Failure to follow this instruction may result in fire.
- Check ‘Connections’ before wiring. Failure to follow this instruction may result in fire.
Caution Failure to follow instructions may result in injury or product damage.
- Use the unit within the rated specifications. Failure to follow this instruction may result in fire or product damage.
- Use a dry cloth to clean the unit, and do not use water or organic solvent. Failure to follow this instruction may result in fire.
- Do not supply power without load. Failure to follow this instruction may result in fire or product damage.
Cautions during Use
- Follow instructions in ‘Cautions during Use’. Otherwise, it may cause unexpected accidents.
- 12 – 24 VDC= power supply should be insulated and limited voltage / current or Class 2, SELV power supply device.
- Use the product, after 0.8 sec of supplying power.
- Wire as short as possible and keep away from high voltage lines or power lines, to prevent surge and inductive noise. Do not use near the equipment which generates strong magnetic force or high frequency noise (transceiver, etc.). In case installing the product near the equipment which generates strong surge (motor, welding machine, etc.), use diode or varistor to remove surge.
- If the surface is rubbed with a hard object, PTFE coating can be worn out.
- This unit may be used in the following environments.
– Indoors (in the environment condition rated in ‘Specifications’)
– Altitude max. 2,000 m
– Pollution degree 2
– Installation category II
Cautions for Installation
- Install the unit correctly with the usage environment, location, and the designated specifications.
- Do NOT impacts with a hard object or excessive bending of the wire lead-out. It may cause damage the water resistance.
- Do NOT pull the 0 3.5 mm cable with a tensile strength of 25 N, the 0 4 mm cable with a tensile strength of 30 N or over and the 0 5 mm cable with a tensile strength of 50 N or over. It may result in fire due to the broken wire.
- When extending wire, use AWG 22 cable or over within 200 m.
Ordering Information
This is only for reference, the actual product does not support all combinations. For selecting the specified model, follow the Autonics website.
- Characteristic
No mark: General type
A: Spatter-resistant type - Connection
No mark: Cable type
W: Cable connector type
CM: Connector type - Body length
No mark: Normal
L: Long - DIA. of sensing side
Number: DIA. of sensing side (unit: mm) - Sensing distance
Number: Sensing distance (unit: mm) - Power supply
D: 12 – 24 VDC
X: 12 – 24 VDC
(non-polarity) - Control output
O : Normally open
C: Normally closed - Cable
No mark: Standard type
I: Standard type (IEC standards)
V: Oil resistant cable type
IV: Oil resistant cable type (IEC standards)
Connections
- LOAD can be wired to any direction.
- Connect LOAD before suppling the power.
- No need to consider polarity for non-polarity type of power supply.
Cable type
Cable connector type / Connector type
- For LOAD connection, follow the cable type connection.
- Fasten the connector not to shown the thread. (0.39 to 0.49 N m)
- Fasten the vibration part with PTFE tape.

| Pin | Color | Func. |
| 1 | – | – |
| 2 | – | – |
| 3 | Blue | 0V |
| 4 | Brown | +V |
| IEC standards | ||||
| Pin | Normally open | Normally close | ||
| Color | Func. | Color | Func. | |
| Brown | +V | Brown | +V | |
| – | – | Blue | OV | |
| – | – | – | – | |
| a® | Blue | OV | – | – |
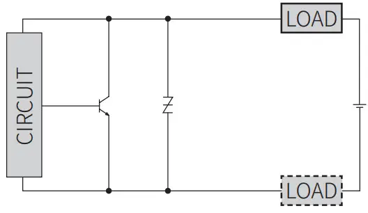
Inner circuit
Operation Timing Chart

Sold Separately
- Connector cable, connector connection cable
- Transmission coupler
- Spatter protection cover
- Fixed bracket
| Installation | Flush type | |||
| General | PRD | PRD | PRD | PRD |
| Spatter-resistant | – | PRDA | PRDA | PRDA |
| DIA. of sensing side | ∅8 mm | ∅ 12 mm | ∅18 mm | ∅30 mm |
| Sensing distance | 2 mm | 4 mm | 7 mm | 15 mm |
| Setting distance | 0 to 1.4 mm | 0 to 2.8 mm | 0 to 4.9 mm | 0 to 10.5 mm |
| Hysteresis | 15% of sensing distance | 10% of sensing distance | ||
| Standard sensing target: iron | 8 x 8 xlmm | 12 x 12 x 1 mm | 20 x 20 x 1 mm | 45 x 45 x 1 mm |
| Response frequency “) | 1 kHz | 450 Hz | 250 Hz | 100 Hz |
| Affection by temperature | < ± 10 %for sensing distance at ambient temperature 20 °C (DIA of sensing side ∅ 8 mm: ± 15 %) | |||
| Indicator | Operation indicator (red) | |||
| Approval | ||||
| Installation | Non-flush type | |||
| General | PRD 108-4 M | PRD• T12-8 0 | PRD• T18-14 | PRD•T30-25 |
| DIA. of sensing side | ∅8 mm | ∅ 12 mm | ∅18 mm | ∅30 mm |
| Sensing distance | 4 mm | 8 mm | 14 mm | 25 mm |
| Setting distance | 0 to 2.8 mm | 0 to 5.6 mm | 0 to 9.8 mm | 0 to 17.5 mm |
| Hysteresis | 15% of sensing distance | < 10% of sensing distance | ||
| Standard sensing target: iron | 12 X 12 X 1 mm | 25 X 25 X 1 mm | 40 X 40 X 1 mm | 75 X 75 X 1 mm |
| Response frequency “) | 800 Hz | 400 Hz | 200 Hz | 100 Hz |
| Affection by temperature | < + 10 %for sensing distance at ambient temperature 20 °C (DIA of sensing side ∅ 8 mm: ± 15 %) | |||
| Indicator | Operation indicator (red) | |||
| Approval | ||||
01) The response frequency is the average value. The standard sensing target is used and the width is set as 2 times of the standard sensing target, 1/2 of the sensing distance for the distance.
| Unit weigh (package)01) | 08 mm | 012 mm | 018 mm | 030 mm | |
| Cable | Normal | ≈ 43 g (≈ 63g) | ≈ 62g(≈ 74g) | ≈ 97 g (≈ 115g) | ≈ 143 g (≈ 180g) |
| ≈ 72 g(≈ 84 g) | ≈ 122 g (≈ 134 g) | ≈ 221 g (≈ 184 g) | |||
| Long | – | ≈ 82 g(≈ 94 g) | ≈ 127 g (≈ 145 g) | ≈ 183 g (≈ 220 g) | |
| Cable connector | Normal | ≈ 25 g (≈ 45g) | ≈ 32 g (≈ 55g) | ≈ 62g(≈ 80g) | ≈ 130 g (≈ 145g) |
| ≈ 42 g(≈ 54 g) | ≈ 65 g (≈ 77 g) | ≈ 143g(≈ 155 g) | |||
| Long | – | – | ≈ 92 g (≈ 110 g) | – | |
| Connector | Normal | ≈ 10 g(≈ 32g) | ≈ 20g(≈ 50g) | ≈ 42 g (≈ 60g) | ≈ 110 g (≈ 150 g) |
| – | ≈ 26g (≈ 38 g) | ≈ 49g (≈ 61 g) | ≈ 134 g (≈ 46 g) | ||
| Long | – | – | ≈ 60 g(≈ 78 g) | ≈ 150 g (≈ 190 g) | |
- In case of normal body length, it is written in
order.
In case of long body length, it is only available general type.
| Power supply | 12 – 24 VDC |
| Leakage current | DIA. of sensing side ∅ 8mm: ≤ 0.8 mA DIA. of sensing side ∅ 12 mm, ∅ 18 mm, ∅ 30 mm: ≤ 0.6 mA |
| Control output | 2 to 100 mA |
| Residual voltage sul | ≥ 3.5 V (Non-polarity: ≤ 5V) |
| Protection circuit | Surge protection circuit, output short over current protection circuit, reverse polarity protection |
| Insulation resistance | ≥ 50 MO (500 VDC |
| Dielectric strength | DIA. of sensing side 08 mm :1,000 VAC∼ 50/60 Hz for 1 min (between all terminals and case) (connector type: 1,500 VAC∼ 50/60 Hz for 1 min (between all terminals and case)) DIA. of sensing side ∅ 12 mm, 018 mm, ∅ 30 mm :1,500 VAC∼ 50/60 Hz for 1 min (between all terminals and case) |
| Vibration | 1 mm double amplitude at frequency 10 to 55 Hz (for 1 min) in each X, Y, Z direction for 2 hours |
| Shock | 500 m/s2 (≈ 50 G) in each X, Y, Z direction for 3 times |
| Ambient temperature | -25 to 70 °C, storage: -30 to 80 °C (non-freezing or non-condensation) |
| Ambient humidity | 35 to 95 %RH, storage: 35 to 95 %RH (non-freezing or non-condensation) |
| Protection structure | IP67 (IEC standards) |
| Connection | Cable type / Cable connector type/Connector type model |
| Cable spec. Ca) | DIA. of sensing side ∅ 8 mm: ∅ 3.5 mm, 2-wire DIA. of sensing side ∅ 12 mm: ∅ 4 mm, 2-wire DIA. of sensing side ∅18 mm, ∅ 30 mm: ∅ 5 mm, 2-wire |
| Wire spec. | ∅ 3.5 mm cable : AWG 24 (0.08 mm, 40-core), insulator diameter: ∅ 1 mm ∅ 4 mm, ∅ 5 mm cable : AWG 22 (0.08 mm, 60-core), insulator diameter: 01.25 mm |
| Connector spec. | M12 connector |
| Material | Standard type cable (black): polyvinyl chloride (PVC) Oil resistant cable (gray): polyvinyl chloride (oil resistant PVC) |
| General | Case/Nut: nickel plated brass (DIA. of sensing side ∅ 8 mm connector type case: 5U5303), washer: nickel plated iron, sensing side: PBT |
| Spatter-resistant | Case/Nut: PTFE coated brass, washer: PTFE coated iron, sensing side: PTFE |
- Check the condition of connected device.
- Cable type: 2 m, Cable connector type: 300 mm
Cut-out Dimensions
- Unit: mm, For the detailed drawings, follow the Autonics web site.

∅ 8 mm ∅ 12 mm ∅ 18 mm ∅ 30 mm Mounting hole (H) ∅ 8.5 +0.50 ∅ 12.5 +0.50 ∅ 18.5 +0.50 ∅ 30.5 +0.50 TAP M8x1 M12x1 M18x1 M30x1 
∅ 8 mm ∅ 12 mm ∅ 18 mm ∅ 30 mm ∅ A 15 21 29 42 B 13 17 14 35
Setting Distance Formula
Detecting distance can be changed by the shape, size or material of the target. For stable sensing, install the unit within the 70 % of sensing distance.
Setting distance (Sa)
= Sensing distance (Sn) x 70 0/0 
Mutual-interference & Influence by Surrounding Metals
- Mutual-interference
When plural proximity sensors are mounted in a close row, malfunction of sensor may be caused due to mutual interference. Therefore, be sure to provide a minimum distance between the two sensors, as below table.
- Influence by surrounding metals
When sensors are mounted on metallic panel, it must be prevented sensors from being affected by any metallic object except target. Therefore, be sure to provide a minimum distance as below chart.
(unit:mm)Sensing side ∅ 8 mm ∅ 12 mm ∅ 18 mm ∅ 30 mm Item Flush Non-flush Flush Non-flush Flush Non-flush Flush Non-flush A 20 80 25 120 50 200 110 350 B 15 60 25 100 35 110 90 300 C 0 12 2.5 15 3.5 14 6 20 d 8 24 18 40 27 70 45 120 m 6 8 12 20 24 40 45 90 n 12 24 18 40 27 70 45 120
Tightening Torque
Use the provided washer to tighten the nuts. The tightening torque of the nut varies with the distance from the fore-end. [Figure 1] If the nut tip is located at the front of the product, apply the front tightening torque. the allowable tightening torque table is for inserting the washer as [Figure 2]. 
| Sensing side | ∅ 8 mm | ∅ 12 mm | ∅ 18 mm | ∅ 30 mm | ||||
| Strength | Flush | Non-flush | Flush | Non-flush | Flush | Non-flush | Flush | Non-flush |
| Front size | 7 mm | 5 mm | 13 mm | 7 mm | – | – | 26 mm | 12mm |
| Front torque | 3.92 N m | 6.37 N m | 14.7 N m | 49 N m | ||||
| Rear torque | 8. 82 N m | 11. 76 N m | 14.7 N m | 78.4 N m | ||||
18, Bansong-ro 513Beon-gil, Haeundae-gu, Busan, Republic of Korea, 48002
www.autonics.com
+82-2-2048-1577
[email protected]



(unit:mm)
















