Rectangular Flat-type
Inductive Proximity Sensors
PFI Series (DC 3-wire)
INSTRUCTION MANUAL
TCD210253AB
Thank you for choosing our Autonics product.
Read and understand the instruction manual and manual thoroughly before using the product.
For your safety, read and follow the below safety considerations before using.
For your safety, read and follow the considerations written in the instruction manual, other manuals and Autonics website.
Keep this instruction manual in a place where you can find easily.
The specifications, dimensions, etc. are subject to change without notice for product improvement. Some models may be discontinued without notice.
Follow Autonics website for the latest information.
Safety Considerations
- Observe all ‘Safety Considerations’ for safe and proper operation to avoid hazards.
symbol indicates caution due to special circumstances in which hazards may occur.
Warning Failure to follow instructions may result in serious injury or death.
- Fail-safe device must be installed when using the unit with machinery that may cause serious injury or substantial economic loss. (e.g. nuclear power control, medical equipment, ships, vehicles, railways, aircraft, combustion apparatus, safety equipment, crime/disaster prevention devices, etc.) Failure to follow this instruction may result in personal injury, economic loss or fire.
- Do not use the unit in the place where flammable/explosive/corrosive gas, high humidity, direct sunlight, radiant heat, vibration, impact, or salinity may be present.
Failure to follow this instruction may result in explosion or fire. - Do not disassemble or modify the unit.
Failure to follow this instruction may result in fire. - Do not connect, repair, or inspect the unit while connected to a power source.
Failure to follow this instruction may result in fire. - Check ‘Connections’ before wiring.
Failure to follow this instruction may result in fire.
Caution Failure to follow instructions may result in injury or product damage.
- Use the unit within the rated specifications.
Failure to follow this instruction may result in fire or product damage. - Use a dry cloth to clean the unit, and do not use water or organic solvent.
Failure to follow this instruction may result in fire.
Cautions during Use
- Follow instructions in ‘Cautions during Use’. Otherwise, it may cause unexpected accidents.
- 12-24 VDC
power supply should be insulated and limited voltage/current or Class 2, SELV power supply device. - Use the product, after 0.8 sec of supplying power.
- Wire as short as possible and keep away from high voltage lines or power lines, to prevent surge and inductive noise.
Do not use near the equipment which generates strong magnetic force or high frequency noise (transceiver, etc.).
In case installing the product near the equipment which generates strong surge (motor, welding machine, etc.), use diode or varistor to remove surge. - This unit may be used in the following environments.
– Indoors (in the environment condition rated in ‘Specifications’)
– Altitude max. 2,000 m
– Pollution degree 2
– Installation category II
Cautions for Installation
- Install the unit correctly with the usage environment, location, and the designated specifications.
- Do NOT impacts with a hard object or excessive bending of the wire lead-out. It may cause damage the water resistance.
- Do NOT pull the Ø 2.5 mm cable with a tensile strength of 20 N, the Ø 4 mm cable with a tensile strength of 30 N or over and the Ø 5 mm cable with a tensile strength of 50 N or over. It may result in fire due to the broken wire.
- When extending wire, use AWG 22 cable or over within 200 m.
- Tighten the installing screws with under 1.47 N m torque.
Ordering Information
This is only for reference, the actual product does not support all combinations.
For selecting the specified model, follow the Autonics website.
![]()
- Control output
N: NPN Normally Open
N2: NPN Normally Closed
P: PNP Normally Open
P2: PNP Normally Closed
Product Components
- M3 Bolt × 2
Connections
- Cable type

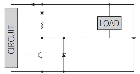
- Inner circuit (NPN output)

- Inner circuit (PNP output)

Operation Timing Chart
| Normally open | Normally closed | ||
| Sensing target | |||
| Load | |||
| Output voltage | NPN output | ||
| PNP output | |||
| Operation indicator (red) |
Specifications
| Installation | Upper side type |
| Model | PFI25-8D▢ |
| Sensing side length | 25 mm |
| Sensing distance | 8 mm |
| Setting distance | 0 to 5.6 mm |
| Hysteresis | ≤10 %of sensing distance |
| Standard sensing target: iron | 25 x 25 x 1 mm |
| Response frequency eu | 200 Hz |
| Affection by temperature | ≤ +10 %for sensing distance at ambient temperature 20 °C |
| Indicator | Operation indicator (red) |
| Approval | |
| Unit weight | |
| 01) There;ponsefrequency is the average value. The standard sensing target is used and the width is set as t.mes of the standard sensing target, 1/2 of the sensing distance for the distance. | |
| Power supply | 12 – 24 VDC= (ripple ≤ 10 40, operating voltage: 10 – 30 VDC= |
| Current consumption | ≤ 10 mA |
| Control output | ≤ 200 mA |
| Residual voltage | 5 1.5 V |
| Protection circuit | Surge protection circuit, output short over current protection circuit, reverse polarity protection |
| Insulation type | ≥50 MΩ (500 VDC= megger) |
| Dielectric strength | 1.500 VAC∼ 50 / 60 Hz for 1 min |
| Vibration | 1 mm double amplitude at frequency 10 to 55 Hz (for 1 min) in each X, Y. Z direction for 2 hours |
| Shock | 500 m/s2(7– 50 G) in each X, Y, Z direction for 3 times |
| Ambient temperature | -25 to 70 °C, storage: -30 to 80 °C (no freezing or condensation) |
| Ambient humidity | 35 to 95 %RH, storage: 35 to 95 %RH (no freezing or condensation: |
| Protection structure | 11,67 (IEC standards) |
| Connection | Cable type model |
| Wire spec. | Ø 4 mm, 3-wire, 2 m |
| Connector spec. | AWG 22 (0.08 mm, 60-core), insulator diameter: Ø1.25 mm |
| Material | Case: PPS, standard type cable (black): polyvinyl chloride (PVC) |
Dimensions
- Unit: mm, For the detailed dimensions of the product, follow the Autonics web site.

Setting Distance Formula
Detecting distance can be changed by the shape, size or material of the target.
For stable sensing, install the unit within the 70% of sensing distance. Setting distance (Sa)
= Sensing distance (Sn) × 70%

Mutual-interference & Influence by Surrounding Metals
- Mutual-interference
When plural proximity sensors are mounted in a close row, malfunction of sensor may be caused due to mutual interference.
Therefore, be sure to provide a minimum distance between the two sensors, as below table.
| A | 100 mm | B | 80 mm |

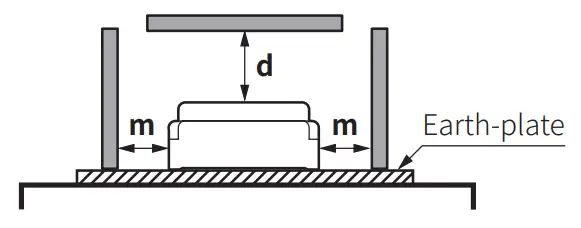
- Influence by surrounding metals
When sensors are mounted on metallic panel, it must be prevented sensors from being affected by any metallic object except target. Therefore, be sure to provide a minimum distance as below chart.
| d | 15 mm | m | 5 mm |

18, Bansong-ro 513Beon-gil, Haeundae-gu, Busan, Republic of Korea, 48002
www.autonics.com I +82-2-2048-1577 I [email protected]



















