Autonics PRWL30-15AC Cylindrical Inductive Proximity Sensors

PRODUCT INFORMATION
The PR series is a range of cylindrical inductive proximity sensors that are designed for use in AC 2-wire systems. They are suitable for use in a variety of applications, including nuclear power control, medical equipment, ships, vehicles, railways, aircraft, combustion apparatus, safety equipment, and crime/disaster prevention devices.
Safety Considerations
It is important to follow the safety considerations outlined in the user manual to prevent injury or damage. These include:
- A fail-safe device must be installed when using the unit with machinery that may cause serious injury or substantial economic loss.
- Do not use the unit in a place where flammable/explosive/corrosive gas, high humidity, direct sunlight, radiant heat, vibration, impact, or salinity may be present.
- Do not disassemble or modify the unit.
- Do not connect, repair, or inspect the unit while connected to a power source.
- Check connections before wiring.
Usage Instructions
Follow these instructions to use the PR series cylindrical inductive proximity sensors:
- Ensure that the unit is used within its rated specifications to prevent fire or product damage.
- Clean the unit with a dry cloth and do not use water or organic solvent to prevent fire or electric shock.
- Do not supply power without load to prevent fire or product damage.
- Install the unit indoors in the environment condition rated in ‘Specifications’ with a maximum altitude of 2,000 m, pollution degree 2, and installation category II.
- Use the ordering information provided in the user manual to select the specified model.
- Check the connection type before wiring the unit.
- Refer to the operation timing chart provided in the user manual to understand how the unit operates.
- Ensure that the standard sensing target is iron and that the response frequency is 20 Hz.
WELCOME
- Thank you for choosing our Autonics product.
- Read and understand the instruction manual and manual thoroughly before using the product.
- For your safety, read and follow the below safety considerations before using.
- For your safety, read and follow the considerations written in the instruction manual, other manuals and Autonics website.
- Keep this instruction manual in a place where you can find easily.
- The specifications, dimensions, etc. are subject to change without notice for product improvement. Some models may be discontinued without notice.
- Follow Autonics website for the latest information.
Safety Considerations
- Observe all ‘Safety Considerations’ for safe and proper operation to avoid hazards.
- symbol indicates caution due to special circumstances in which hazards may occur.
- Warning Failure to follow instructions may result in serious injury or death.
- Fail-safe device must be installed when using the unit with machinery that may cause serious injury or substantial economic loss. (e.g. nuclear power control, medical equipment, ships, vehicles, railways, aircraft, combustion apparatus, safety equipment, crime/disaster prevention devices, etc.)
Failure to follow this instruction may result in personal injury, economic loss or fire. - Do not use the unit in the place where flammable/explosive/corrosive gas, high humidity, direct sunlight, radiant heat, vibration, impact, or salinity may be present.
Failure to follow this instruction may result in explosion or fire. - Do not disassemble or modify the unit.
Failure to follow this instruction may result in fire or electric shock. - Do not connect, repair, or inspect the unit while connected to a power source.
Failure to follow this instruction may result in fire or electric shock. - Check ‘Connections’ before wiring.
Failure to follow this instruction may result in fire or electric shock
- Fail-safe device must be installed when using the unit with machinery that may cause serious injury or substantial economic loss. (e.g. nuclear power control, medical equipment, ships, vehicles, railways, aircraft, combustion apparatus, safety equipment, crime/disaster prevention devices, etc.)
- Caution Failure to follow instructions may result in injury or product damage.
- Use the unit within the rated specifications.
Failure to follow this instruction may result in fire or product damage. - Use a dry cloth to clean the unit, and do not use water or organic solvent.
Failure to follow this instruction may result in fire or electric shock. - Do not supply power without load.
Failure to follow this instruction may result in fire or product damage
- Use the unit within the rated specifications.
Cautions during Use
- Follow instructions in ‘Cautions during Use’. Otherwise, it may cause unexpected accidents.
- Wire as short as possible and keep away from high voltage lines or power lines, to prevent surge and inductive noise.
- Do not use near the equipment which generates strong magnetic force or high frequency noise (transceiver, etc.).
- In case installing the product near the equipment which generates strong surge (motor, welding machine, etc.), use diode or varistor to remove surge.
- Do not connect capacity load to the output terminal directly.
- If the surface is rubbed with a hard object, PTFE coating can be worn out.
- This unit may be used in the following environments.
- Indoors (in the environment condition rated in ‘Specifications’)
- Altitude max. 2,000 m
- Pollution degree 2
- Installation category II
Cautions for Installation
- Install the unit correctly with the usage environment, location, and the designated specifications.
- Do NOT impacts with a hard object or excessive bending of the wire lead-out. It may cause damage the water resistance.
- Do NOT pull the Ø 3.5 mm cable with a tensile strength of 25 N, the Ø 4 mm cable with a tensile strength of 30 N or over and the Ø 5 mm cable with a tensile strength of 50 N or over. It may result in fire due to the broken wire.
- When extending wire, use AWG 22 cable or over within 200 m.
Ordering Information
This is only for reference, the actual product does not support all combinations.
For selecting the specified model, follow the Autonics website.

- Characteristic
- No mark: General type
- A: Spatter-resistant type
- Connection
- No mark: Cable type
- W: Cable connector type
- CM: Connector type
- Body length
- No mark: Normal
- L: Lon
- DIA. of sensing side
Number: DIA. of sensing side (unit: mm) - Sensing distance
Number: Sensing distance (unit: mm) - Control output
- O: Normally open
- C: Normally closed
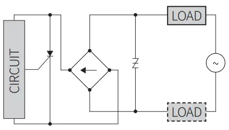
Connections
- LOAD can be wired to any direction.
- Connect LOAD before suppling the power.
Cable type

Cable connector type / Connector type
- For LOAD connection, follow the cable type connection.
- Fasten the connector not to shown the thread. (0.39 to 0.49 N m)
- Fasten the vibration part with PTFE tape.

Pin Color Function ① – – ② – – ③ Blue 100 – 240 VACᜠ 50 / 60 Hz
④ Brown
Inner circuit
Operation Timing Chart

Sold Separately
- Connector cable, connector connection cable
- Transmission coupler
- Spatter protection cover
- Fixed bracket
Specifications
| Installation | Flush type | ||
| General | PR□12-2A□ | PR□18-5A□ | PR□30-10A□ |
| Spatter-resistant | PRA□12-2A□ | PRA□18-5A□ | PRA□30-10A□ |
| DIA. of sensing side | Ø 12 mm | Ø 18 mm | Ø 30 mm |
| Sensing distance | 2 mm | 5 mm | 10 mm |
| Setting distance | 0 to 1.4 mm | 0 to 3.5 mm | 0 to 7 mm |
| Hysteresis | ≤ 10 % of sensing distance | ||
| Standard sensing target: iron | 12 × 12 × 1 mm | 18 × 18 × 1 mm | 30 × 30 × 1 mm |
| Response frequency 01) | 20 Hz | ||
| Affection by temperature | ≤ ± 10 % for sensing distance at ambient temperature 20 ℃ | ||
| Indicator | Operation indicator (red) | ||
| Approval | ᜢ ᜫ | ᜢ ᜫ | ᜢ ᜫ |
| Installation | Non-flush type | ||
| General | PR□12-4A □ | PR□18-8A □ | PR□30-15A □ |
| DIA. of sensing side | Ø 12 mm | Ø 18 mm | Ø 30 mm |
| Sensing distance | 4 mm | 8 mm | 15 mm |
| Setting distance | 0 to 2.8 mm | 0 to 5.6 mm | 0 to 10.5 mm |
| Hysteresis | ≤ 10 % of sensing distance | ||
| Standard sensing target: iron | 12 × 12 × 1 mm | 25 × 25 × 1 mm | 45 × 45 × 1 mm |
| Response frequency 01) | 20 Hz | ||
| Affection by temperature | ≤ ± 10 % for sensing distance at ambient temperature 20 ℃ | ||
| Indicator | Operation indicator (red) | ||
| Approval | ᜢ ᜫ | ᜢ ᜫ | ᜢ ᜫ |
The response frequency is the average value. The standard sensing target is used and the width is set as times of the standard sensing target, 1/2 of the sensing distance for the distance.
| Unit weight (package) | Ø 12 mm | Ø 18 mm | Ø 30 mm | |
| Cable | Normal | ≈ 72 g (≈ 84 g) 01) | ≈ 118 g (≈ 130 g) 02) | ≈ 170 g (≈ 207 g) |
| Long | – | ≈ 130 g (≈ 142 g) | ≈ 208 g (≈ 245 g) | |
| Cable connector | Normal | ≈ 42 g (≈ 54 g) | ≈ 66 g (≈ 78 g) | ≈ 122 g (≈ 134 g) |
| Long | – | ≈ 78 g (≈ 90 g) | ≈ 158 g (≈ 195 g) | |
| Connector | Normal | ≈ 30 g (≈ 42 g) | ≈ 54 g (≈ 66 g) | ≈ 142 g (≈ 154 g) |
| Long | – | ≈ 66 g (≈ 78 g) | ≈ 182 g (≈ 194 g) | |
- Spatter-resistant type: ≈ 66 g (≈ 78 g)
- Spatter-resistant type: ≈ 106 g (≈ 118 g)
| Power supply | 100 – 240 VACᜠ 50 / 60 Hz, operating voltage: 85 – 264 VACᜠ |
| Leakage current | ≤ 2.5 mA |
| Control output | DIA. of sensing side Ø 12 mm: 5 to 150 mA DIA. of sensing side Ø 18 mm, Ø 30 mm: 5 to 200 mA |
| Residual voltage | ≤ 10 V |
| Protection circuit | Surge protection circuit |
| Insulation resistance | ≥ 50 MΩ (500 VDCᜡ megger) |
| Insulation type | Double insulation or reinfored insulation (symbol: ) dielectric strength between the measuring input part and the power part: general type 1 kV, spatter-resistant type 1.5 kV |
| Dielectric strength | General type : 2,500 VACᜠ 50/60 Hz for 1 min (between all terminals and case) Spatter-resistant type : 1,500 VACᜠ 50/60 Hz for 1 min (between all terminals and case) |
| Vibration | 1 mm double amplitude at frequency 10 to 55 Hz (for 1 min) in each X, Y, Z direction for 2 hours |
| Shock | 500 m/s² (≈ 50 G) in each X, Y, Z direction for 3 times |
| Ambient temperature | -25 to 70 ℃, storage: -30 to 80 ℃ (no freezing or condensation) |
| Ambient humidity | 35 to 95 %RH, storage: 35 to 95 %RH (no freezing or condensation) |
| Protection structure | IP67 (IEC standards) |
| Connection | Cable type / Cable connector type 01) / Connector type 01) model |
| Cable spec. 02) | DIA. of sensing side Ø 12 mm: Ø 4 mm, 2-wire DIA. of sensing side Ø 18 mm, Ø 30 mm: Ø 5 mm, 2-wire |
| Wire spec. | AWG 22 (0.08 mm, 60-core), insulator diameter: Ø 1.25 mm |
| Connector spec. | M12 connector |
| Material | Standard type cable (black): polyvinyl chloride (PVC) |
| General | Case/Nut: nickel plated brass, washer: nickel plated iron, sensing side: PBT |
| Spatter-resistant | Case/Nut: PTFE coated brass, washer: PTFE coated iron, sensing side: PTFE |
- Except spatter-resistant type
- Cable type: 2 m,
- cable connector type: 300 mm
Cut-out Dimensions
Unit: mm, For the detailed drawings, follow the Autonics website

Setting Distance Formula
- Detecting distance can be changed by the shape, size or material of the target.
- For stable sensing, install the unit within the 70% of sensing distance.
- Setting distance (Sa) = Sensing distance (Sn) × 70%

Mutual-interference & Influence by Surrounding Metals
Mutual-interference
- When plural proximity sensors are mounted in a close row, malfunction of sensor may be caused due to mutual interference.
- Therefore, be sure to provide a minimum distance between the two sensors, as below table.

Influence by surrounding metals
When sensors are mounted on metallic panel, it must be prevented sensors from being affected by any metallic object except target. Therefore, be sure to provide a minimum distance as below chart.

| Sensing side Item | Ø 12 mm | Ø 18 mm | Ø 30 mm | |||
| Flush | Non-flush | Flush | Non-flush | Flush | Non-flush | |
| A | 12 | 24 | 30 | 48 | 60 | 90 |
| B | 24 | 36 | 36 | 54 | 60 | 90 |
| ℓ | 0 | 11 | 0 | 14 | 0 | 15 |
| Ø d | 12 | 36 | 18 | 54 | 30 | 90 |
| m | 6 | 12 | 15 | 24 | 30 | 45 |
| n | 18 | 36 | 27 | 54 | 45 | 90 |
Tightening Torque
- Use the provided washer to tighten the nuts.
- The tightening torque of the nut varies with the distance from the fore-end. [Figure 1]
- If the nut tip is located at the front of the product, apply the front tightening torque. the allowable tightening torque table is for inserting the washer as [Figure 2].

Sensing side
Strength
Ø 12 mm Ø 18 mm Ø 30 mm Flush Non-flush Flush Non-flush Flush Non-flush Front size 13 mm 7 mm – – 26 mm 12 mm Front torque 6.37 N m 14.7 N m 49 N m Rear torque 11.76 N m 14.7 N m 78.4 N m
ABOUT COMPANY
- 18, Bansong-ro 513Beon-gil, Haeundae-gu, Busan, Republic of Korea, 48002
- www.autonics.com
- +82-2-2048-1577
- [email protected]























