HANYOUNGNUX HP3 Digital Scalemeter

Thank you for purchasing HANYOUNG product.
Please check whether the product is the exactly same as you ordered.
Before using the product, please read this instruction manual carefully.
Please keep this manual where you can view at any time
Safety information
Before using the product, please read the safety information thoroughly and use it properly.
Alerts declared in the manual are classified to Danger, Warning and Caution by their criticality
DANGER indicates an imminently hazardous situation which, if not avoided, will result in death or serious injury
WARNING indicates a potentially hazardous situation which, if not avoided, could result in death or serious injury
CAUTION indicates a potentially hazardous situation which, if not avoided, may result in minor or moderate injury
Warning
- If there is a possibility of an accident caused by errors or malfunctions of this product, install external protection circuit to prevent the accident.
- This product does not contain an electric switch or fuse, so the user needs to install a separate electric switch or fuse externally. (Fuse rating : 250 V 0.5 A)
- This product is built in 24 V output. Do not use loaded power more than 70 mA.
- To prevent defection or malfunction of this product, supply proper power voltage in accordance with the rating.
- When you change the using range (URV, LRV) Please change it before setting up than any other data. If you change URV or LRV, it could affect other data and cause problem.
- To prevent electric shock or devise malfunction of this product, do not supply the power until the wiring is completed.
- Since this product is not designed with explosion-protective structure, do not use it at any place with flammable or explosive gas.
- Do not decompose, modify, revise or repair this product. This may cause malfunction, electric shock or fire.
- Reassemble this product while the power is off. Otherwise, it may causemal function or electric shock.
- Due to the danger of electric shock, use this product installed onto a panel while an electric current is applied.
Caution
- The contents of this manual maybe changed without prior notification.
- If the user use the product with methods other than specified by the manufacturer, there may be bodily injuries or property damages.
- Check to make sure that there is no damage or abnormality of the product during delivery.
- The ambient temperature needs to be 0 ~ 50 ℃ (In case of installment in narrow space, 40 ℃). The ambient humidity is 20 ~ 90 % R.H. (No icing).
- Do not use this product at any place with corrosive (especially noxious gas or ammonia) or flammable gas.
- Do not use this product at any place with direct vibration or impact.
- Do not use this product at any place with liquid, oil, medical substances, dust, salt or iron contents. (Use at Pollution level 1 or 2)
- Do not polish this product with substances such as alcohol or benzene.
- Do not use this product at any place with excessive induction trouble, static electricity or magnetic noise.
- Do not use this product at any place with possible thermal accumulation due to direct sunlight or heat radiation.
- Install this product at place under 2,000 m in altitude.
- When the product gets wet, the inspection is essential because there is danger of an electric leakage or fire.
- To avoid inductive noise to input wires, separate the power line from the load wire.
- Keep Input wire away from output wire.
- If there is excessive noise from the power supply, using insulating transformer and noise filter is recommended. The noise filter must be attached to a panel grounded, and the wire between the filter output side and power supply terminal must be as short as possible.
- It is effective to use a twisted cable for power supply against noise.
- Turn off the power before changing a sensor.
- This product confirms with IP65. But Waterproof between Panel and product is up to the packing between them. Please make good use of packing.
- Do not connect anything to the unused terminals.
- After checking polarity of terminal, connect wires at the correct position.
- Mark appropriate on the ON/OFF switch for the emergency.
- For the continuous and safe use of this product, the regular maintenance is recommended.
- Some parts of this product have limited life span, and others are changed by their usage.
- The warranty period for this product including parts is one year if this product is properly used.
Suffix code
| Model | Code | Information |
| HP3- | None | |
| Optional | 0 | Digital scalemeter None |
| 1 | RS232 | |
| 2 | RS485 |
Specification

Dimension and Panel cutout
[Unit : mm]

Parameter structure

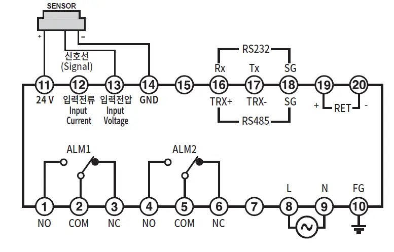
Connection diagram

Contact ⑪ – ⑫ is only applied to 2 wire current retransmission transducer.
Wiring Examples
Internal power
24 V d.c 2 wire 4 – 20 mA transmitter (24 V d.c 2 wire 4 – 20 mA transmitter)

24 V d.c 3 wire 1 – 5 V transmitter (24 V d.c 3 wire 1 – 5 V transmitter)

External power
24 V d.c 2 wire 4 – 20 mA transmitter (24 V d.c 2 wire 4 – 20 mA transmitter)

24 V d.c 3 wire 1 – 5 V transmitter (24 V d.c 3 wire 1 – 5 V transmitter)

1 – 5 V input (1 – 5 V Input)

4 – 20 mA input (4 – 20 mA Input)

Parts Name

- Alarm 1 indicating lamp
- Alarm 2 indicating lamp
- Communication lamp
- PV Indicator
- Measurement indication
- SET : SET mode
Modify parameter value

Parameter

- When you change the using range (URV, LRV) Please change it before setting up than any other data. If you change URV or LRV, it could affect other data and cause problem.
- 1 : EUS -100 ~ 100% within the range of -19999 ~ 19999
Alarm relay and AL1, AL2 lamp function

Indication of Error and Function

HANYOUNGNUX CO.,LTD
28, Gilpa-ro 71beon-gil,
Michuhol-gu, Incheon, Korea
TEL : +82-32-876-4697
http://www.hanyoungnux.com



















