INSTALLATION AND
OPERATION MANUAL
Jandy® Versa Temp
JRT Series Heat Pump
H0744700 Versa Temp JRT Series Heat Pump
WARNING
FOR YOUR SAFETY – This product must be installed and serviced by a contractor who is licensed and qualified in pool equipment by the jurisdiction in which the product will be installed where such state or local requirements exist. The maintainer must be a licensed HVAC technician certified in heat pump repair and maintenance by the jurisdiction in which the product will be installed where such state or local requirements exists. The technician must possess and comply with all certifications and regulations regarding the purchasing, handling, transportation and reclamation of R410A refrigerant. In the event no such state or local requirement exists, the installer or maintainer must be a professional with sufficient experience in pool equipment installation and maintenance so that all of the instructions in this manual can be followed exactly. Before installing this product, read and follow all warning notices and instructions that accompany this product. Failure to follow warning notices and instructions may result in property damage, personal injury, or death. Improper installation and/or operation may void the warranty.
Improper installation and/or operation can create unwanted electrical hazard which can cause serious injury, property damage, or death.
ATTENTION INSTALLER – This manual contains important information about the installation, operation and safe use of this product. This information should be given to the owner/operator of this equipment.
Section 1. General Information
1.1 Introduction
This manual provides installation and operation instructions for the Jandy JRT models of heat pumps. Read these installation and operation instructions completely before proceeding with the installation.
Consult Zodiac Pool Systems LLC (“Zodiac”) with any questions regarding this equipment. To obtain additional copies of this manual contact us at 800-822-7933.
Zodiac Pool Systems LLC
2882 Whiptail Loop #100
Carlsbad, CA 92010 USA
The Jandy JRT heat pump gets electrical power from an external source and provides a dual digital thermostat control system for pool/spa combinations or preheat convenience.
This heat pump is specifically designed for heating fresh water swimming pools and spas. Do not use it as a general service heater. Consult your dealer for the appropriate Jandy® products for these applications.
NOTE “Fresh water swimming pools and spas” include systems that utilize saltwater chlorine generator units, such as the Jandy Aqua Pure®
Electronic Chlorine Generator. Please ensure that the salt content of the pool/spa does not exceed 4500 ppm and water flow rate is within 30-70 gpm (114-265 lpm). Always install any type of sanitation device on the outlet of the heater with a check valve between the heater outlet and sanitation device. See Section 3.3
ATTENTION
Installation and service must be performed by a qualified installer or service agency.
To the Installer:
After installation, these instructions must be given to the homeowner or left on or near the heat pump.
To the User:
This manual contains important information that will help you in operating and maintaining this heat pump. Please retain it for future reference.
1.2 Consumer Information and Safety
The Jandy JRT series of heat pumps are designed and manufactured to provide many years of safe and reliable service when installed, operated and maintained according to the information in this manual and the installation codes referred to in later sections. Throughout the manual, safety warnings and cautions are identified by the “
“ symbol. Be sure to read and comply with all of the warnings and cautions.
Spa/Hot Tub Safety Rules
WARNING
The U.S. Consumer Product Safety Commission warns that elevated water temperature can be hazardous. Consult heater operation and installation instructions for water temperature guidelines before setting temperature.
WARNING
The following “Safety Rules for Hot Tubs,” recommended by the U.S. Consumer Product Safety Commission, should be observed when using the spa.
WARNING
Spa or hot tub water temperature should never exceed 104°F (40°C). One hundred degrees Fahrenheit (100°F [38°C]) is considered safe for a healthy adult. Special caution is
recommended for young children.
WARNING
The drinking of alcoholic beverages before or during spa or hot tub use can cause drowsiness which could lead to unconsciousness, and subsequently result in drowning.
WARNING
Pregnant women take note! Soaking in water above 102°F (38.5°C) can cause fetal damage during the first three (3) months of pregnancy (which could result in the birth of a brain-damaged or deformed child). If pregnant women are going to use a spa or hot tub, they should make sure the water temperature is below 100°F (38°C) maximum.
WARNING
The water temperature should always be checked with an accurate thermometer before entering a spa or hot tub. Temperature controls may vary by as much as 1F° (1°C).
WARNING
Persons with a medical history of heart disease, diabetes, circulatory or blood pressure problems should consult their physician before using a hot tub or spa.
WARNING
Persons taking any medication which induces drowsiness (e.g., tranquilizers, antihistamines, or anticoagulants) should not use spas or hot tubs.
WARNING
Prolonged immersion in hot water can induce hyperthermia.
WARNING
Hyperthermia occurs when the internal body temperature reaches a level several degrees above the normal body temperature of 98.6°F (37°C) Symptoms include dizziness, fainting, drowsiness, lethargy, and an increase in the internal body temperature. The effects of hyperthermia include:
- Lack of awareness of impending hazard
- Failure to perceive heat
- Failure to recognize need to leave spa
- Physical inability to leave spa
- Fetal damage in pregnant women
- Unconsciousness resulting in a danger of drowning
WARNING
This appliance is not intended for use by persons (including children) with reduced physical, sensory or mental capabilities, or lack of experience and knowledge, unless they have been given supervision or instruction concerning use of the appliance by a person responsible for their safety.
WARNING
PREVENT CHILD DROWNING: Do not let anyone, especially small children, sit, step, lean or climb on any equipment installed as part of your pool’s operational system. Locate the components of your operational system at least 1.5m (5 ft.) from the pool so children cannot use the equipment while in the pool and be injured or drown.
Swimming Pool Energy Saving Tips
It is important to note that a heat pump will not heat a pool as fast as a large gas or electric pool heater. If the pool water is allowed to cool significantly, it may take several days to return to the desired swimming temperature. For weekend use, it is more economical to maintain the pool water temperature at or near your desired swimming temperature. If you do not plan to use your pool for a prolonged period, then you might choose to turn the heat pump completely off or decrease the temperature setting of the control several degrees to minimize energy consumption.
Jandy offers the following recommendations to help conserve energy and minimize the cost of operating your heat pump without sacrificing comfort.
- The American Red Cross recommends a maximum water temperature of 78°F (25°C). Use an accurate pool thermometer. A difference of 4°F (2°C), between 78°F and 82°F (26°C and 28°C), will significantly increase energy consumption.
- Carefully monitor the water temperature of your pool in the summertime. You can reduce heat pump usage due to warmer air temperatures.
- During the winter or when on vacation for longer than a week, turn off the heat pump.
- Find the proper setting on the heat pump temperature control and use the Set Point Lockout or lock the cover on the heat pump controller to discourage further adjustments.
- Set the pump time clock to start the pump no earlier than 6:00 AM during the pool heating season. This is the time when nightly heat loss balances.
- Where possible, shelter the pool from prevailing winds with well-trimmed hedges or other landscaping, cabanas, or fencing.
- The use of an automatic pool cover, if installed, provides a valuable safety feature, reduces heat loss, conserves chemicals, and reduces the load on filtration systems..
- The use of a solar blanket can reduce the heat loss caused by evaporation on the surface area of the pool.
1.3 Warranty
The Jandy JRT heat pump is sold with a limited factory warranty.
Make all warranty claims to your Jandy® dealer or directly to Jandy. Claims must include the heat pump serial number and model (this information can be found on the rating plate), installation date, and name of the installer. Shipping costs are not included in the warranty coverage.
The warranty does not cover damage caused by improper assembly, installation, operation, winterizing, field modification, or failure to earth bond and properly ground the unit. Any changes to the heat pump, evaporator, heat exchanger, wiring, or improper installation may void the warranty.
1.4 Codes and Standards
The Jandy JRT heat pump is listed by ETL® as complying with the latest edition of the “UL Standard for Electrical Heat Pumps, Air-Conditioners, and Dehumidifiers”, UL 60335-2-40 and CSA No. 60335-2- 40.
All Jandy heat pumps must be installed in accordance with the local building and installation codes as per the utility or authority having jurisdiction. All local codes take precedence over national codes. In the absence of local codes, refer to the latest edition of the National
Electrical Code® (NEC® ) in the United States and the Canadian Electrical Code (CEC® ) in Canada for installation.
1.5 Technical Assistance
Consult the Jandy technical support department or your local Jandy dealer with any questions or problems involving your Jandy equipment. An experienced technical support staff is ready to assist you in assuring the proper performance and application of Jandy products. For technical support call the Jandy technical support department at (800) 822-7933.
1.6 Materials Needed For Installation
The following items are needed and are to be supplied by the installer for all heat pump installations:
- Plumbing connections (2”).
- Level surface for proper drainage. (See equipment pad for pitch requirements)
- Suitable electrical supply line. See rating plate on unit for electrical specifications. A junction box is not needed at the heat pump; connections are made inside of the heat pump electrical compartment. Conduit may be attached directly to the heat pump jacket.
NOTE Flex conduit is recommended for connecting the electrical supply wires to the heat pump so that the front panel may be removed easily for servicing. - Electric cutout switch that will interrupt all power to the unit. This switch must be within line of sight of the heat pump.
- Watertight conduit to run the electrical supply line.
1.7 Specifications
Suitable for indoor and outdoor use. Clearances shown in Table 2 must be adhered to.
Water Pipe/Heater Connection
| Plastic | 2” PVC (Unions included) |
| Flow Rate | |
| Maximum | 70 gpm (265 lpm) |
| Optimum | JRT2000R= 42 gpm (159 lpm), JRT2500R = 48 gpm (182 lpm), JRT3000R = 57 gpm (216 lpm) |
| Minimum | JRT2000R/2500R = 20 gpm (76 lpm) JRT3000R= 30 gpm (114 lpm) |
| Operating Water Temperature | |
| Minimum | 32° F (0° C) |
| Maximum | 104° F (40° C) |
Maximum Working
| Water Pressure | 75 psi |
Electrical Supply
Voltage Requirements
| 1-Phase | 230 VAC 60Hz |
Maximum Working
| Refrigerant Pressure 600 PSI | 600 PSI |
Dimensions
See Figure 1 for heat pump’s dimensions and for dimensions to critical connections.
Technical Specifications
See Table 1 for the Jandy JRT heat pump technical specifications.

| MODEL | JRT2000R | JRT2500R | JRT3000R |
| VOLTAGE | 208/230V/60HZ | 208/230V/60HZ | 208/230V/60HZ |
| OUTPUT (80/80/80)* | 103,000 BTUs | 116,000 BTUs | 130,000 BTUs |
| INPUT (80/80/80)* | 4.72 kW | 5.23 kW | 6.57 kW |
| COP (80/80/80)* | 6.4 | 6.5 | 5.8 |
| OUTPUT (80/63/80)** | 96,000 BTUs | 109,000 BTUs | 124,000 BTUs |
| COP (80/63/80)** | 6.1 | 6.1 | 5.6 |
| OUTPUT (50/63/80)** | 62,000 BTUs | 70,000 BTUs | 82,000 BTUs |
| COP (50/63/80)*** | 4.1 | 4.1 | 4.0 |
| RLA (RUNNING LOAD AMPS) | 28.3A | 29A | 32.5A |
| LRA (LOCKED ROTOR AMPS) | 178A | 145A | 148A |
| MINIMUM CIRCUIT AMPACITY | 38A | 39A | 40A |
| MAX OVER CURRENT PROTECTION# | 40A | 50A | 50A |
| CHILLER FEATURE | YES | YES | YES |
| HOT GAS DEFROST | YES | YES | YES |
| HEAT EXCHANGER | Ti Twisted Coil | ||
| COMPRESSOR | Scroll | ||
| CABINET | ABS | ||
| MAXIMUM HEIGHT BELOW WATER LEVEL | 10 feet | ||
| MINIMUM HEIGHT ABOVE WATER LEVEL | 5 feet | ||
| OPTIMAL WATER FLOW | 42 GPM | 48 GPM | 57 GPM |
| MINIMUM WATER FLOW | 20 GPM | 20 GPM | 30 GPM |
| MAXIMUM WATER FLOW | 70 GPM | ||
| AIR FLOW | 3600 CFM | ||
| UNION SIZE | 2” PVC Tail Piece / Nut | ||
| WEIGHT | 232 lbs | 242 lbs | 252 lbs |
* Rated in accordance with AHRI Standard 1160. Test Conditions: 80˚ F Air, 80% RH, 80˚ F Water.
** Rated in accordance with AHRI Standard 1160. Test Conditions: 80˚ F Air, 63% RH, 80˚ F Water.
*** Rated in accordance with AHRI Standard 1160. Test Conditions: 50˚F Air, 63% RH, 80˚F Water.
**** Max Over Current Protection refers to the maximum breaker size allowed. If this value is not a standard breaker size, use the next smallest standard size breaker.
The breaker size must not be smaller than the Minimum Circuit Ampacity value.
Table 1. Jandy JRT Heat Pump Technical Specifications
Section 2. Installation Instructions
2.1 General Information
Install the Jandy® heat pumps in accordance with the procedures in this manual, local codes and ordinances, and in accordance with the latest edition of the appropriate national code. (See Section 1.4, “Codes and Standards”.) Correct installation is required to assure safe operation. The requirements for Jandy heat pumps include the following:
- Field assembly (if required).
- Appropriate site location and clearances.
- Sufficient air ventilation.
- Proper electrical wiring.
- Adequate water flow.
This manual provides the information needed to meet these requirements. Review all application and installation procedures completely before continuing the installation.
2.2 Location Requirements
NOTE Indoor installations are not recommended. Call Jandy technical support for more information at (800) 822-7933.
CAUTION
When pool equipment is located below the pool surface, a leak from any component can cause large scale water loss or flooding. Zodiac cannot be responsible for such water loss or flooding or resulting damage.
Avoid placing the heat pump in locations where it can cause damage by water or condensate leakage. If this is not possible, provide a suitable drain pan to catch and divert any leakage.
All criteria given in the following sections reflect minimum clearances. However, each installation must also be evaluated, taking into account the prevailing local conditions such as proximity and height of walls, and proximity to public access areas.
Clearances
The heat pump must be placed to provide clearances on all sides for maintenance and inspection. See Table 2. Access in front of the heat pump of 24” (60 cm) provides adequate room for serviceability.
If the heat pump is to be installed under a vertical overhang, the unit must have a minimum of 5 feet (1.5 meters) clearance from the top of the heat pump.
Table 2. Heat Pump Clearances
| Side of Heat pump | Minimum Clearances for Operation | Recommended Clearances for Serviceability | ||
| Inches | Centimeters | Inches | Centimeters | |
| Front | 24 | 60 | 36 | 90 |
| Rear | 12 | 30 | 24 | 60 |
| Left | 12 | 30 | 24 | 60 |
| Right | 12 | 30 | 24 | 60 |
| Top | 60 | 150 | 60 | 150 |
NOTE: Clearances listed in Table 2 are manufacturer’s tested values. These are given as minimum values. Where local and national codes apply, and values are different than those listed in Table 2, use the greater value to ensure safe and proper operation.
In the U.S., the heat pump must be installed at least 5 feet (1.5 meters) from the inside wall of the pool or spa unless the heat pump is separated from the pool or spa by a 5 foot (1.5 meters) high solid fence or other permanent barrier.
In Canadian installations, the minimum distance to be maintained from the inside wall of the pool or spa is 3 meters (approx. 10 feet).
Equipment Pad
Place the heat pump on a flat slightly pitched surface, such as a concrete or fabricated slab (pad). This allows proper drainage of condensation and rain water from the base of the unit. If possible, the pad should be placed at the same level or slightly higher than the filter system equipment pad.
NOTE Ensure that the pad is pitched not more than ¼ inch per foot per toward the compressor end (front) of the heat pump. Pitch slab from back to front ¼ inch per foot maximum and level from side to side.
Condensation and Drainage
Condensation will occur from the evaporator coil while the unit is running and drain at a steady rate, usually 3 to 5 gallons (11.4 to 18.9 liters) per hour, depending upon ambient air temperature and humidity. The more humid the ambient conditions, the more condensation will be produced. Keep the drain holes of the base of the unit clear of debris.
If the heat pump is installed indoors*, means of condensate disposal must be provided
* Indoor installation requires factory consultation
Lawn Sprinklers
Keep lawn sprinkler heads from spraying on the heat pump to prevent corrosion and damage. Use a deflector if needed.
Roof Run-off
Make sure the heat pump is not located where large amounts of water may run-off from a roof into the unit. Sharp sloping roofs without gutters will allow massive amounts of rain water, mixed with debris from the roof to be forced through the unit. A gutter or down spout may be needed to protect the heat pump.
Installation of Anchor Clamps
In Florida, building codes require that the heat pump be anchored to the equipment pad or platform to withstand high wind pressures created during hurricanes. Other jurisdictions may have similar requirements. Please check your local codes for further details.
This heat pump is provided with anchor clamps designed to hold the unit to the equipment pad in high wind conditions. Installation of the anchor clamps is recommended in all installations and are required in Florida (reference Florida Building Code, Mechanical Section 301.13).
To install the anchor clamps:
- Be sure that the heat pump is in its permanent location on the equipment pad.
- Place the clamps at the base of the heat pump in the locations indicated in Figure 2.
- Fit the hook of each clamp over the lip on the base panel of the heat pump. The hook should fit between the lip of the base panel and the evaporator coil guard (see Figure 3).
- Mark the position of the hole in each clamp on the equipment pad.
- Drill a hole in the cement using a masonry drill bit, with a diameter as determined by the concrete anchor, at each of the marks on the equipment pad. The hole should be approximately 1-3/4” deep.
- Insert a bolt anchor into each of the holes. Be sure the anchors are set completely into the holes.
- Position the anchor clamps so that the holes in the clamps are over the bolt anchors. Be sure that the clamp hooks are over the lip of the heat pump base (see Figure 3).
- Insert an anchor bolt through each clamp into the anchor and tighten to secure the clamp and heat pump to the equipment pad.

Section 3. Water Connections
3.1 Plumbing Layout
Figure 4 illustrates the standard plumbing layout with a single heat pump unit. Following the diagram from right to left, the plumbing sequence is as follows:
Pool > Pool Pump > Filter > Heat Pump > Check
Valve > Chemical Loop > Chlorinator > Pool
NOTE For normal installations, do not install a shutoff valve or any kind of variable restriction in the water piping between the heat pump outlet and the pool/spa.
Arrangement of pool system components other than as illustrated in the preceding and following diagrams can affect the operation of the heat pump’s water pressure switch. Location of the heat pump above or below the pool water surface can also affect operation of the switch. In general, the pressure switch can be adjusted to accommodate this effect if the heat pump water connections are no more than 10 feet below the pool water surface or no more than 5 feet above it. See instructions for pressure switch adjustment (Section 5.6) in the heat pump start-up section of this manual for more information. If the heat pump is installed outside of this range, an external flow switch may need to be installed in the plumbing upstream of the heat pump. Call the Jandy technical support department at (800) 822-7933 for details.
Be advised that when pool equipment is located below the pool surface a leak can result in large scale water loss or flooding. Jandy cannot be responsible for such water loss or flooding or the damage caused by either occurrence.
3.2 Water Connections at Heat Pump
Filtered water is plumbed to the inlet, located on the lower rear of the heat pump. The inlet water connection is on the left. Heated water flows through the outlet, located on the left. Two inch (2”) unions are provided.
Plastic piping (PVC Schedule 40) should be connected to the heat pump. The unions, provided with the unit, accept 2” PVC pipe.
If the water flow is greater than 70GPM, then an external bypass must be installed. See piping diagram for more detail.
CAUTION
Make sure that flow requirements and pool water turn over rates can be maintained with the installation of additional heat pumps and plumbing restrictions.
3.3 Check Valve Installation
WARNING
A check valve can interfere with the proper operation of certain Suction Vacuum Release System (SVRS) products. To avoid possible entrapment hazard, serious injury, or death, make sure to review the operation/owners manual of your particular SVRS product before installing the check valve.
The heat pump must be protected from back-siphoning of water. If there is any chance of back-siphoning, provide a check valve between the pool and the filter pump inlet.
When an automatic chemical feeder is installed in the plumbing, it must be installed downstream of the heat pump. A check valve must be installed between the heat pump and the chemical feeder to prevent backs phoning of chemically saturated water into the heat pump where it will damage the components.
3.4 Multiple Unit Installation
Heat Pump and Heater Combination
In certain regions of the country it may be more economical to run a heat pump during the warmer months and a gas heater during the cooler months.
In some situations it may be desirable to run the heat pump in the “Chiller” mode during the hottest portion of the year and a heater during the cooler months.
The Jandy® heat pump may be plumbed with a gas or electric heater or any combination of heat sources including solar. All heat sources must be plumbed in series to work correctly and efficiently.
Figure 5 illustrates a recommended plumbing layout for a heat pump / heater / solar combination heating system for a pool / spa combination. Your system may not contain all of these components, but the basic plumbing will apply by eliminating the component in the illustration that is not a part of your system.
Multiple Heat Pump Connections
All plumbing on multiple heat pump installations must be done in parallel (see Figures 6 and 7). An equal flow of water to each heat pump is important for optimum operation.
NOTE It may be necessary to adjust water pressure switch if a unit is installed below the water level. See Section 5.6 for details on when and how to adjust the pressure switch.
NOTE Each heat pump allows a maximum flow rate of
70 gpm (265 lpm) and requires a minimum of
20 gpm (76 lpm) for JRT2000R/2500R and
30 gpm (114 lpm) for JRT3000R.

Figure 4. Standard Plumbing Layout



3.5 Head Loss Curves

Section 4. Electrical Connections
4.1 General Information
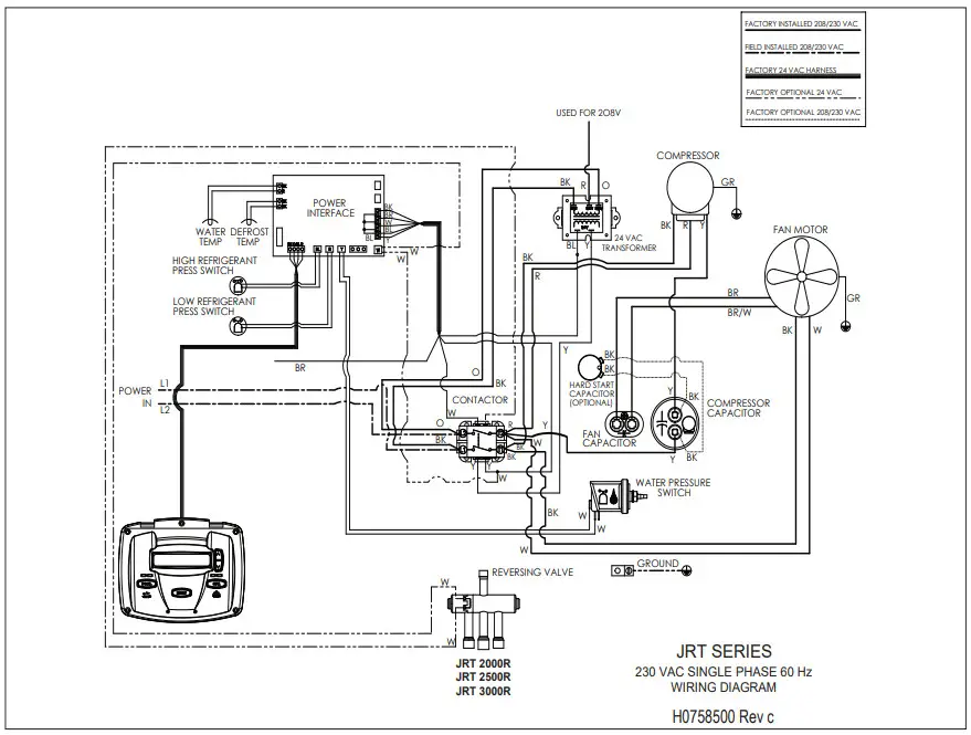
Wiring connections must be made exactly as shown in the wiring diagram found on the inside of the heat pump access compartment (see Figure 8 for single phase electrical wiring). The heat pump must include a definite means of grounding and bonding. There is a bonding lug on the right side of the heat pump, where a bond wire must be attached.
4.2 Main Power
Electrical wiring to the heat pump must be in accordance with the latest edition of the National Electric Code ® (NEC ® ), ANSI/National Fire Protection Association (NFPA 70 ® ) in the United States, and in Canada, the Canadian Electrical Code (CSA ® C22.1), unless local code requirements indicate otherwise. The heat pumps come factory-wired intended for use with 230 VAC, 60 Hz single phase. See the rating plate for the electrical specifications. All wiring must be done by a certified electrician.
The following is the procedure to wire the Jandy JRT heat pump to the electrical source specified on the Rating Plate:
- Be sure the power to the circuit for the heat pump is turned off.
- Remove the three (3) screws that attach the service/access panel to the heat pump unit (see Figure 9).
- Remove the front panel.
- Remove the screw on the right side of the control box.
- Open the control box.
- Run the electrical conduit through the base of the unit.
- Connect the electrical conduit to the right-side of the control box with the conduit connector.
- Connect the wires to the terminals on the main contactor as shown in the wiring diagram. See Figure 8.
- Connect the ground wire to the ground lug provided in the electrical compartment.
- Close the control box and secure with the provided screw.
- Reseat the service access panel and secure with the provided screws.
- Connect a copper bonding wire (8 AWG). In Canada, it shall be not smaller than 6 AWG (13.3 mm 2 ) to the bonding lug on the right side of the heat pump.
WARNING
ELECTRICAL SHOCK HAZARD. This heat pump contains wiring that carries high voltage.
Contact with these wires may result in severe injury or death. Disconnect power circuit before connecting the heat pump
CAUTION
Label all wires prior to disconnection when servicing controls. Wiring errors can cause improper and dangerous operation. Verify proper operation after servicing.
WARNING
Follow all applicable installation codes. Prior to Installation or performing any service, turn off all switches and the main breaker in the pool/spa pump electrical circuit. Failure to comply may cause a shock or hazard resulting in severe personal injury or death.
While disconnecting and/or connecting any electrical wiring, be careful not to damage or abrade any of the wiring
4.2.1 Disconnect Means
A means for disconnecting the power to the heat pump must be located within sight of the equipment and installed in accordance with local code.

Figure 8. JRT Single-Phase Electrical Supply Wiring Diagram
Figure 9. Jandy JRT Heat Pump Front View
4.3 Bonding
CAUTION
This heater must be connected to a bonding grid with a solid copper wire not smaller in diameter than 8 AWG (In Canada, it shall be no smaller than 6 AWG.)
The National Electrical Code® (NEC® in the United States) or the Canadian Electrical Code (CEC in Canada) requires pool equipment to be bonded to each other. Check your local codes to determine if the NEC or CEC and/or other local installation codes are enforced by the Authority Having Jurisdiction (AHJ in the United States) or the local competent authorities in Canada. A solid, copper 8.37 mm2 (8 AWG) wire is required per the NEC, and 13.3 mm² (6AWG) per the CEC, for bonding the equipment to a permanent bonding connection that is acceptable to the local AHJ or the local competent authorities in Canada.
Refer to your locally enforced codes for the acceptable bonding wire gauge. Connect to the bonding point located on the bottom of the heat pump to a common bonding point. Do not use the heat pump as the common bonding point. Each piece of non-related pool equipment requiring a ground should also be bonded to the common, approved bonding point.
National Electrical Code® (NEC®) requires bonding of the Pool Water. Where none of the bonded pool equipment, structures, or parts are in direct connection with the pool water; the pool water shall be in direct contact with an approved corrosion-resistant conductive surface that exposes not less than 5800 mm² (9 in²) of the surface area to the pool water at all times.
The conductive surface shall be located where it is not exposed to physical damage or dislodgement during usual pool activities, and it shall be bonded in accordance with the bonding requirements of NEC Article 680. Refer to locally enforced codes for any additional pool and spa bonding requirements.
4.4 Optional Remote Controls
Electrical wiring must be in accordance with all applicable national and local codes and ordinances.
Connection to a Remote Pool-Off-Spa Selector (3-Wire Connection) Install the Remote Pool-Off-Spa Selector
- Turn off the power to both the pool/spa control system and the heat pump unit.
- Remove the screws that attach the service/access panel to the heat pump unit and the cover to the junction box (see Figure 9).
- Run the wires from the pool/spa control system into the conduit connection labeled “Low Voltage Connection”, located on the lower right hand side of the heat pump (see Figure 9).
- Connect the wiring from the pool/spa control system to the heat pump remote control terminal (see Figure 10a).

- Restore power to the heat pump and the pool/spa control system.
Confit guru the Control Panel
- Make sure the control is in the OFF mode.
- To enter the Service Setup mode, press and hold the MENU, POOL, and SPA buttons for 5 seconds.
NOTE The display will revert back to OFF after one minute since the last key press. - Press the Up or Down button to display REMOTE. Press the MENU button. The SELECT REMOTE OFF (default remote) appears, use the Up or Down button to scroll through the Remote options. When you reach HILO-COM, press the MENU button to select the remote. Press POOL or SPA to exit the Service Setup mode.
Two-Wire Connection to an Aqua Link® RS or TSTAT
A 2-wire remote will only control one function; heating or cooling. It cannot control both functions with the remote control.
Confit guru the Aqua Link RS Control System
- Turn off the power to both the pool/spa control system and the heat pump unit.
- Connect two (2) wires to the Aqua Link RS green 10-pin terminals 1 and 2.
- Put DIP S2-1 (pin #1 of the 4 position DIP switch) into the ON position (see Figure 11).

Install the Remote TSTAT
- Turn off the power to both the pool/spa control system and the heat pump unit.
- Remove the screws that attach the service/access panel to the heat pump unit and the cover to the junction box (See Figure 9).
- Run the wires from the pool/spa control system into the conduit connection labeled “low voltage connection”, located on the lower right hand side of the heat pump (See Figure 9).
- Connect the wiring from the pool/spa control system to the heat pump remote control terminal (See Figure 10b).
- Restore power to the heat pump and the pool/spa control system.
Confi gure the Control Panel
- Make sure the control is in the OFF mode.
- To enter the Service Setup mode, press and hold the MENU, POOL, and SPA buttons for 5 seconds.
NOTE The display will revert back to OFF after one minute since the last key press. - Press the Up or Down button to display REMOTE. The SELECT REMOTE OFF (default remote) appears, use the Up or Down button to scroll through the Remote options. When you reach REMOTE TSTAT, press the MENU button to select the remote. Press POOL or SPA to exit the Service Setup mode.
- Press SPA. For heating, adjust the setpoint to the maximum setting. For chilling, adjust the setpoint to the minimum setting.


RS485 (4 wire) Connection to AquaLink®RS
Using an Aqua link RS control and RS485 connection will allow you to control both the heating and cooling function with the remote.
- Confit rm the Jady JRT heat pump and Aqua Link RS software revisions are compatible.
Jandy JE Heat Pump Power Interface Software Rev. Aqua Link® RS Software Revision 3.0 or Later N or Later NOTE Only a revision “N”, or higher, program chip in the RS system will support the Jandy JRT heat pump interface.
- Turn off the power to both the heat pump and the RS control and open the RS Power Center enclosure and remove the front dead panel.
- Remove the two (2) screws holding the bezel in place and turn the bezel over to view the circuit board on the back.
- Locate the programmed chip on the Power Center Board. In the center of the chip is the revision letter. If the revision letter is “N” or higher go to step 5. If the revision level is “MMM” or lower, replace the board or connect as shown in Section 4.5
- Use 22 gauge 4-conductor wire (Zodiac®Part No. 4278) to run between the heat pump and the RS control, and match the wire color order.
- The wires coming from the Jandy JE heat pump can be “doubled up” on the red terminal bar with the four (4) wires coming from the indoor controller.
NOTE If you need to install more than two (2) wires in each terminal, order a Jandy® Multiplex PCB Kit, which includes the Multiplex Board (Jandy Part No. 6584). Never put more than two (2) wires into each of the pins of the terminal bar. - Check all wiring, then apply power to both the heat pump and the RS control system. Operation can be verified in either Service or Auto mode. See the RS Control System manual for instructions about operation.
When the Jandy JE heat pump is first powered and there is an RS control connected to the heat pump, the display on the heat pump will show “JANDY REMOTE ONLINE PUSH MENU TO DISABLE”. When the JRT heat pump is online with the RS control, all functionality of the control on the heat pump is disabled.
The heat pump functions can be controlled only at the RS unit.
To temporarily use the heat pump controls, press the MENU button. The message “JANDY REMOTE ONLINE PUSH MENU TO DISABLE” will disappear from the heat pump display. All functionality has now been returned to the control on the heat pump. In this mode the RS unit is no longer controlling the heat pump.
To return the functionality to the RS unit, cycle (turn off and then turn on) the power to the heat pump, or press the MENU button for 5 seconds to enter the User Setup Mode and then enable the Jandy Remote.
NOTE If connecting more than two (2) items to the RS Power Center red, 4-pin connector, a Multiplex PCB is required
Connection to a Secondary User Interface
- Turn off the power to the heat pump.
- Remove the three (3) screws that attach the front panel to the heat pump and remove the front panel. See Figure 9.
- Remove the screw on the right side of the control box.
- Open the control box.
- Run four (4) 22 AWG solid copper wires into the low voltage soft membrane located on the lower left-hand side of the heat pump. The wires may be up to 300 feet (91.4 m) in length.
- Connect the wires to the 4 position terminal on the lower left-hand corner of the Power Interface PC Board, labeled “User Interface1”. See Figure 8. The wires will be added to the existing wiring to the User Interface installed on the heat pump.
Section 5. Operation
CAUTION
Do not use this heat pump if any part has been under water. Immediately call a qualified service technician to inspect the heater and replace any part of the control system which has been under water.
CAUTION
Keep all objects off the top of the heat pump.
Blocking air flow could damage the unit and may void the warranty.
5.1 Initial Start-up Precautions
Be sure that there is water in the pool and that the surface level is above the skimmer or other inlet of the pool’s filter system.
With any new pool or spa installation, operate the filter pump with the heat pump off long enough to completely clean the water. This will remove any installation residue from the water.
Clean the filter at the end of this operation before starting the heat pump. When raising the temperature of a cold pool, program the time clock to run the pump continuously.
This lets the filter system and heat pump operate continuously until the water reaches the temperature setting on the temperature control. When that happens, the heat pump will automatically shut off, but the filter pump will keep running.
5.2 Operating the Controller
Your new Jandy JRT heat pump is controlled by an advanced microprocessor based controller that provides a sophisticated yet simple interface to operate your heat pump for maximum efficiency and enjoyment of your pool. To locate the control buttons, see Figure 13.

Off Mode
When the control panel is turned off, the screen displays HEAT PUMP IS OFF PRESS POOL OR SPA.
Pool Mode – (Normal Heat)
To enable the pool mode, press POOL. The associated left green LED indicator will light and the unit will display SET:XXX°.
NOTE XXX represents the current temperature setting on the control. The default setting for pool temperature is 80°F (26°C).
You can change the temperature set point by pressing the Up or Down button. Repeatedly press the Up or Down button until you reach the desired temperature set point. After 5 seconds of inactivity, the new set point is stored in memory.
When the water temperature falls to 1 degree below the temperature setting and after a 5 minute delay, the control will start the heat pump and the associated right LED will light RED.
Pool Mode – (Optional Maintain Heat)
If connected to an Aqua Link, the Maintain Heat mode allows the heat pump to monitor the temperature of the water 24 hours a day by turning the pool pump on and sampling the water temperature.
NOTE This feature only works when connected to an Aqua Link.
When the water temperature drops below the programmed temperature set point, the control will start the heat pump.
To operate in pool mode with the Maintain Heat feature, press POOL, then press MENU, press the Down button until MAINTAIN POOL HEAT is displayed, press the
MENU button.
The associated left green LED indicator will light and the unit will display SET:XXX°. Change the temperature set point by pressing the Up or Down button until the desired set point is displayed. After 5 seconds of inactivity, the new set point is stored in memory.
Spa Mode – (Normal Heat)
To enable the spa mode, press SPA. The associated left green LED indicator will light and the unit will display SET:XXX°.
NOTE XXX represents the current temperature setting on the control. The default setting for spa temperature is 102°F (38°C).
You can change the temperature set point by pressing the Up or Down button. Repeatedly press the Up or Down button until you reach the desired temperature set point. After 5 seconds of inactivity, the new set point is stored in memory. When the water temperature falls to 1 degree below the temperature setting and after a 5 minute delay, the control will start the heat pump and the associated right LED will light RED.
To enable the spa mode, press SPA. The associated left green LED indicator will light and the unit will display SET:XXX°.
NOTE XXX represents the current temperature setting on the control. The default setting for spa temperature is 102°F (38°C).
You can change the temperature set point by pressing the Up or Down button. Repeatedly press the Up or Down button until you reach the desired temperature set point. After 5 seconds of inactivity, the new set point is stored in memory. When the water temperature falls to 1 degree below the temperature setting and after a 5 minute delay, the control will start the heat pump and the associated right LED will light RED.
Spa Mode – (Optional Maintain Heat)
If connected to an Aqua Link, the Maintain Heat mode allows the heat pump to monitor the temperature of the water 24 hours a day by turning the spa pump on and sampling the water temperature.
NOTE This feature only works when connected to an Aqua Link.
To operate in spa mode with the Maintain Heat feature, press SPA, then press MENU, press the Down button until MAINTAIN SPA HEAT is displayed, press the MENU button. The associated left green LED indicator will light and the unit will display SET:XXX°. Change the temperature set point by pressing the Up or Down button until the desired set point is displayed. After 5 seconds of inactivity, the new set point is stored in memory.
button until the desired set point is displayed. After 5 seconds of inactivity, the new set point is stored in memory.
5.3 Chiller Operating Feature
Pool Mode – (Normal Chill)
To enable the pool mode, press POOL. The associated left green LED indicator will light and the unit will display SET:XXX°.
NOTE XXX represents the current temperature setting on the control. The default setting for pool temperature is 80°F (26°C).
Press the MENU button. Press the Up or Down button until you reach POOL CHILL, press the MENU button.
Press the MENU button. Press the Up or Down button until you reach POOL CHILL, press the MENU button.
You can change the temperature set point by pressing the Up or Down button. Repeatedly press the Up or Down button until you reach the desired temperature set point. After 5 seconds of inactivity, the new set point is stored in memory. When the water temperature rises to 1 degree above the temperature setting and after a 5 minute delay, the control will start the heat pump and the associated right LED will light GREEN.
Pool Mode – (Optional Maintain Chill)
If connected to an Aqua Link, the Maintain Chill option mode allows the unit to monitor the temperature of the water 24 hours a day by turning the pool pump on and sampling the water temperature.
NOTE This feature only works when connected to an Aqua Link.
When the temperature of the water rises above the desired temperature setting, the control will then turn on the unit and the associated right green LED will light.
To operate in pool mode with the Maintain Chill feature, press POOL, then press MENU, then press the Down button until MAINTAIN POOL CHILL is displayed, press the MENU button. The associated left green LED indicator will light and the unit will display SET:XXX°.
Change the temperature set point by pressing the Up or Down button until the desired set point is displayed. After 5 seconds of inactivity, the new set point is stored in memory.
Spa Mode – (Optional Maintain Chill)
If connected to an Aqua Link, the Maintain Chill mode allows the heat pump to monitor the temperature of the water 24 hours a day by turning the spa pump on and sampling the water temperature.
NOTE This feature only works when connected to an Aqua Link.
When the water temperature rises above the programmed temperature set point, the control will start the heat pump.
To operate in the spa mode with the Maintain Chill feature, press SPA, then press MENU, press the Down button until MAINTAIN SPA CHILL is displayed, press the MENU button. The associated left green LED indicator will light and the unit will display SET:XXX°.
Change the temperature set point by pressing the Up or Down button until the desired set point is reached. After 5 seconds of inactivity, the new set point is stored in memory.
5.4 User Setup Options
The User Setup options allow the user to select specific Languages, Temperature Scale, Spa Timer, and Display Light options.
Language Setup
- Make sure the control is in the OFF mode.
- To enter the User Setup mode, press and hold the MENU button for 5 seconds.
NOTE The display will revert back to OFF after one minute since the last key press. - To select a language, use the Up or Down button to display SELECT USER SETUP LANGUAGE. Press the MENU button. The SELECT LANGUAGE ENGLISH (default language) appears, use the Up or Down button to scroll through the language options. When you reach the desired language, press the MENU button to select
the language. Press POOL or SPA to exit the User Setup mode.
Temperature Scale Setup
- Make sure the control is in the OFF mode.
- To enter the User Setup mode, press and hold the MENU button for 5 seconds.
- To select temperature scale, use the Up or Down button to scroll through to display SELECT
USER SETUP TEMPERATURE SCALE. Press the MENU button. The SELECT TEMP SCALE °F (default temperature scale) appears, use the Up or Down button to scroll through the scale options. When you reach the desired temperature scale, press the MENU button to select. Press POOL or SPA to exit the User Setup mode.
Spa Timer Setup
- Make sure the control is in the OFF mode.
- To enter the User Setup mode, press and hold the MENU button for 5 seconds.
- To select spa timer, use the Up or Down button to scroll through to display SELECT USER SETUP SPA TIMER. Press the MENU button. The SELECT SPA TIMER CONTINUOUS (default spa timer setting) is displayed. To turn the spa on or off indefinitely, press the MENU button to select.
To select the length of time for the spa to run, use the Up or Down button to scroll to display SELECT SPA TIMER TIME SELECTION. Press the MENU button to select. The display SELECT SPA TIME 01:00 HRS (default time setting) is displayed. Use the Up or Down button to select the length of time for the spa to run (between 00:15 to 23:00 hours incremented by 00:15 minutes). Press the MENU button to select how long the spa will run. Press POOL or SPA to exit the User Setup mode.
Display Light Setup
- Make sure the control is in the OFF mode.
- To enter the User Setup mode, press and hold the MENU button for 5 seconds.
- To select display light setup, use the Up or Down button to scroll through to display SELECT USER SETUP DISPLAY LIGHT. Press the MENU button. The SELECT DISPLAY LIGHT 2 MIN TIMEOUT (default display light setting) is displayed. This option allows the display light to turn off after 2 minutes. Press the MENU button to select. Use the Up or Down button to scroll to display SELECT DISPLAY LIGHT LIGHT OFF, this option allows the display light to turn off, press the MENU button to select. Use the Up or Down button to scroll to display SELECT DISPLAY LIGHT LIGHT ON, this option allows the display light to turn on, press the MENU button to select. Press POOL or SPA to exit the User Setup mode.
5.5 Set Point Lockout
Make sure the control is in the ON mode (POOL or SPA), press and hold the Up and Down buttons for 5 seconds. The set point will be locked and the control will operate in the mode it was in when the Set Point Lockout occurred. If an attempt to change the set point is made while the control is in Set Point Lockout, the control will display SET POINT LOCKED. To unlock the Set Point Lockout, press and hold the Up and Down buttons for 5 seconds. The unit will display SET POINT UNLOCKED.
5.6 Water Pressure Switch Adjustment
CAUTION
The water pressure switch should be adjusted to turn the heater off when the pump is off. Setting the switch to close at too low of a flow can damage the appliance. Adjust the switch to turn the heater off, not on.
The pressure switch is preset at the factory for activation at 3 psi (21 kPa). This is the minimum setting for the water pressure switch and works for all basic installations. Only adjust the water pressure switch if the heat pump does not operate when the proper flow is applied to unit or if the heat pump does not shut off when the filter pump is off. Occasionally, unusual plumbing configurations or necessary restrictions in the plumbing may cause pressure sensing problems. In these rare situations, the plumbing system configuration may require adjustment of the water pressure switch. Adjustment of the pressure switch may be necessary if any part of the filter system piping is 3 feet (1 m) or
more above the top of the heat pump jacket.
Do not adjust the pressure switch if the heat pump is installed more than 5 feet (1.5 m) above or 10 feet (3 m) below the pool surface. Consult your local Zodiac® dealer for recommendations.

On some installations, the piping from the heat pump to the pool is very short. The back pressure could be too low to trigger the pressure switch. If this happens, it may be necessary to install a directional fitting or elbows where the return line enters the pool. This will increase back pressure enough for the heat pump to operate properly. If this configuration is necessary, be sure to check that the system flow is above the minimum requirement of 30 gpm (114 lpm) after the direction fitting or elbow has been installed.
Make sure the pool filter is clean before making any pressure switch adjustment: A dirty filter will restrict the water flow and the pressure switch cannot be adjusted properly.
To adjust the pressure switch:
- Be sure that all valves in the system are set to allow water flow through the heat pump. Start the filter pump.
- Set the heat pump control to call for heat. Set the heat pump control to the POOL HEAT mode.
- If the heat pump control displays “NO FLOW”, then the flow in the system may be below the minimum flow of 30 gym (114 lpm) needed for the safe operation of the heat pump. Investigate and correct any flow problems before adjusting the water pressure switch.
- The water pressure switch is located on the water inlet pipe. Remove the blue cover.
- Re-install the blue cover.
- After confirming the flow rate is at a minimum of 30 gpm (114 lpm), slowly rotate the thumb wheel on the water pressure switch in a counterclockwise direction until the “NO FLOW” indicator disappears from the control display. Remember that there is a time delay before the heat pump compressor will start.
- Once the heat pump is running, turn off the filter pump. The heat pump should turn off immediately.
- If the heat pump continues to operate when the filter pump is off, turn the thumb wheel on the water pressure switch in a clockwise direction until “NO FLOW” is displayed on the control and the heat pump shuts down.
- Check the setting of the water pressure switch by starting and stopping the filter pump and checking the control display and operation of the heater between each flow change.
- If the water pressure switch cannot be adjusted to accommodate the conditions listed above, an external flow switch must be added to the plumbing system to ensure that the heat pump will not operate without the proper flow through the heat exchanger.
5.7 Hot Gas Defrost
Under certain conditions of temperature and humidity, frost might form on the surface of the Heat Pump coil. This layer of frost will interfere with the operation of the heat pump by making the unit work harder and, therefore, inefficiently.
The JRT heat pump has a cycle called a defrost cycle, which removes the frost from the outdoor coil: the unit will defrost regularly when frost conditions occur.
Two types of Defrost modes are available in the JRT units:
Hot Gas (set at Factory)
The hot gas defrost process uses the naturally occurring high-temperature refrigerant vapor from the discharge side of the compressor to warm the evaporator coil and melt the ice accumulated on it.
Air Defrost
In the air defrost cycle, the heat pump is automatically operated in reverse, for a moment, in the cooling cycle. This action temporarily warms up the outdoor coil and melts the frost from the coil.
To switch from Hot gas (set as Factory) to Air defrost mode:
- Make sure the control is in the OFF mode.
- To enter the Service Setup mode, press and hold the MENU, POOL, and SPA buttons for 5 seconds.
- Press the Up or Down button to display DEFROST and press MENU to enter the submenu.
- Use the Up or Down button to scroll through the Defrost options (HOT GAS and AIR DEFROST).
- Press the MENU button to select the option desired.
- Press POOL or SPA to exit the Service Setup mode.
| Test | Recommended Level |
| Free Chlorine or | 1.0 to 3.0 ppm |
| Bromine | 2.0 to 4.0 ppm |
| pH | 7.2 to 7.8 (Ideal ranges being between 7.4 and 7.6) |
| Total Alkalinity (TA) | 80 to 120 ppm |
| Calcium Hardness (CH) | 175 to 400 ppm |
| Cyanuric Acid | 30 to 50 ppm |
| Total Dissolved Solids (TDS) | 1000 to 2000 ppm (Excluding dissolved NaCl from Salt Chlorine Generator) |
| * Concentration levels taken from “Basic Pool and Spa Technology” published by APSP (Association of Pool and Spa Professionals). | |
Table 3. Optimal Water Chemistry Ranges
Section 6. General Maintenance
6.1 Water Chemistry
Proper chemical balances are necessary for sanitary bathing conditions as well as ensuring your heat pump’s long life. Be sure to keep your chemical and mineral concentration levels within the values indicated in Table 3.
NOTE For spas, it is also necessary to perform water changes in addition to chemical treatment. It is recommended to change the spa water every 60 days for light usage and every 30 days if usage is heavy.
6.2 Winterizing
CAUTION
Failure to winterize could cause damage to the heat pump and may void the warranty.
In areas where freezing temperatures occur, you should protect your pump, filter, and heat pump from the elements. Perform the following steps to completely drain the heat pump (see Figure 14).
- Turn off the electrical power to the heat pump at the main breaker panel.
- Shut off the water supply to the heat pump.
- Disconnect the water inlet and outlet unions
- Cover only the top of the heat pump to prevent debris from falling into the unit. Do not wrap the sides of the heat pump with any plastic or other material that will retain heat or moisture inside the unit.
6.3 Spring Start-Up
If your heat pump has been winterized, perform the following steps when starting the system in the Spring:
- Uncover the heat pump and inspect the top and sides for any debris or structural problems.
- Connect the water inlet and outlet unions located on the lower front panel of the heat pump.
- Turn on the filter pump to supply water to the heat pump. Circulate water through the system long enough to cycle all of the pool water through the filter. Check for leaks in and around the heat pump.
- Check the pool chemistry and balance as necessary.
- Turn on the electrical power to the heat pump at the main breaker panel.
6.4 Inspection and Service
Jandy heat pumps are designed and constructed to provide long performance life when installed and operated properly under normal conditions. Periodic inspections are important to keep your heat pump running safely and efficiently through the years.
Owner Inspection
CAUTION
Do not use this heat pump if any part has been under water. Immediately call a qualified service technician to inspect the heater and replace any part of the control system which has been under water.
Jandy recommends that you inspect your heat pump on a regular basis and especially after abnormal weather conditions. The following basic guidelines are suggested for your inspection:
- Keep the top and surrounding areas of the heat pump clear of all debris.
- Keep all plants and shrubs trimmed and away from the heat pump.
The heat pump will produce condensation (water) while in operation. The heat pump base is designed to allow the condensation to exit through the bottom drain port when the unit is running. The condensation will increase as the outdoor air humidity level increases. Check the following at regular intervals to ensure proper condensate drainage:
- Visually inspect and clear the bottom drain ports of any debris that could clog the ports.
- Ensure that condensate water does not puddle inside the heat pump
- Ensure that condensate run-off is properly directed away from the equipment pad to keep it from undermining the pad.
During normal operation, the heat pump produces 3 to 5 gallons of condensate per hour. If condensate drainage is above this range during operation or if water continues to drain from the base when the heat pump is not in operation for more than an hour, a leak in the internal plumbing may have occurred. Call a qualified heat pump technician to investigate the problem.
Keep the top air flow discharge and air flow intake area clear of debris so the air flow though the heat pump is not restricted. The cooler discharge air from the top should not accumulate and be drawn into the side air intake coils. Keep all plants and shrubs trimmed away from the heat pump.
Make sure the front of the unit is accessible for future service.
Keep lawn sprinkler heads from spraying on the heat pump to prevent corrosion and damage. Use a deflector if needed.
If the unit is installed under a very sharp roof pitch or under a roof without a gutter, a gutter or diverter should be fitted to prevent excessive water from pouring down into the unit.
Professional Inspection
Inspections performed at least once a year by a qualified technician are required to maintain your heat pump’s safe and efficient operation. The following basic safety checks must be performed.
- Check for loose or broken wires and terminal connections.
- Verify the pressure switch or flow switch operation. Turn the heat pump OFF. Disconnect the power to the pump time clock, or turn the pump time clock to an OFF position. Turn the heat pump back ON. The heat pump must not come on.
- Inspect the electrical controls, specifically the following:
a. High and Low Limits
b. Pressure Switch or Flow Switch
c. Temperature Control - Inspect the evaporator coil for blockage and clean as necessary.
- Check for spider webs or debris in the condensate drain; clean if necessary.
- Conduct a normal operating cycle and observe that the unit operates properly.
Section 7. Professional Maintenance and Service
7.1 Heat Pump Design
The Jandy heat pump is one of the most efficient ways to heat a pool or spa. The heat pump transfers heat from the outside air to the pool or spa water by means of an internal heat exchanger.
When the fan is turned on, warm air is drawn through the refrigerant charged evaporator, turning the cold liquid refrigerant to a warm gas. The gas then flows through the compressor where it is compressed resulting in a much higher temperature.
The hot gas enters the heat exchanger where the water extracts the heat. The pump pulls in cool pool water, which in turn converts the hot gas back into a liquid refrigerant and starts the cycle over again.
The JRT heat pump uses a refrigerant called R-410A. It is a non-ozone depleting refrigerant that is accepted by the EPA.
The EPA requires certification to purchase or use R-410A. It is recommended that service personnel be trained in installation, service, brazing, and maintenance procedures.
NOTE The maximum heat output and efficiency of a heat pump is dependent upon the quality and performance of the major components used. Equally important are the environmental conditions (for example, air temperature, humidity, water temperature, and wind).
7.2 Heat Pump Components and Operation
Evaporator – As air passes through the evaporator, the refrigerant in the evaporator absorbs heat from the ambient air. The warmer the ambient air and the larger the surface area of the evaporator the more heat it can collect.
Fan – The heat pump fan produces high volume airflow.
Adequate airflow is required to move warm air through the large evaporator.
Compressor – The compressor compresses the refrigerant gas to a higher pressure, increasing the temperature.
Heat Exchanger – As the final step to the heating process, the heat exchanger transfers the heat from the hot gas to the water. (Also known as a condenser.)
Reversing Valve – (For Hybrid Units with Optional Chiller and Hot Gas Defrost) The reversing valve reverses the flow of the refrigerant, which results in transferring cold gas to the water, thus lowering the temperature.
Section 8. Troubleshooting
8.1 Troubleshooting Guide
The following table provides symptoms and solutions for general troubleshooting problems for the heat pump.
| SYMPTOM | CORRECTIVE ACTION |
| Heat pump will not start, no control board display. | Breaker or fuse may be tripped. Reset breaker or check fuse. If heat pump still does not run, call for service. Three-phase models only – The phases may be reversed or there may be a loss of phase, call for service. |
| Heat pump will not start, control board display working. | Heat pump may be in delay count down of 5 minutes. Make sure control board thermostat is calling for heater to come on (check setting on thermostat and temperature reading). Make sure heat pump is not in cooling mode. |
| Heat pump runs but does not heat. | Verify cold air is blowing out the top of the heat pump. If the heat pump has just been installed or if the pool water has been allowed to cool significantly, it is necessary to run the heat pump continually for 24-48 hours. If the heat pump has been in operation for some time, increase the circulating pump time, or switch the control board to Maintain Heat function. If heating a spa, verify no air intake stand pipes are open. If heat pump still does not heat, call for service. |
| Heat pump does not run and control board displays: FAULT-NO FLOW | Verify circulating pump is on and all necessary valves are in the correct positions. Verify filter and skimmers are clean. Check water level in pool. Temporarily turn off all fountains and water falls that bypass the heat pump water inlet. If this does not correct the problem, call for service. |
| Heat pump does not run and control board display shows: FAULT- HIGH REF PRESSURE | Verify circulating pump is on and that there are no water flow restrictions to the heat pump. If the filter pump is a two speed or variable speed pump, switch to a higher speed. Make sure all necessary valves are open or in the proper positions to allow proper water flow to the heat pump. Verify filter and skimmers are clean. Check for water level in the pool. This condition may also appear if the heat pump has not been operated for an extended period. To clear the condition, cycle the heat pump, on and off, up to 3 times. If this does not correct the problem, call for service. |
| Heat pump does not run or short cycles and control board display shows: FAULT- LOW REF PRESSURE | Check that fan is operating and air is coming out of the top of the heat pump, while short cycling. If heat pump does not run at all, call for service. |
| Heat pump leaking water. | Possible heat exchanger or plumbing leak. Turn the heat pump off, then turn circulating pump off for at least one hour to see if the water leak stops. If the water leak stops, normal condensation is occurring. If the water leak continues, after the heat pump is shut off for at least one hour, call for service. |
Table 4. Heat Pump Troubleshooting Guide
8.2 Diagnostics
In the event a pressure switch opens or another fault condition occurs, the LCD screen will display the fault until the problem has been resolved. Please refer to the following table for the list of diagnostic conditions.
| DIAGNOSTIC CONDITION | DESCRIPTION |
| FAULT- NO FLOW | Low or restricted water flow through the heat pump. The external bypass valve is in the wrong position, or the water flow switch has malfunctioned. The water flow switch opens creating a fault and the heat pump shuts off. |
| FAULT- LOW REF PRESSURE | When the ambient temperature is low, the suction pressure can drop significantly. This fault will cause the low pressure switch to open and the control will shut off the compressor. |
| FAULT- HIGH REF PRESSURE | When the head pressure builds too high, the high pressure switch will open causing the heat pump to shut off immediately. The control will sense this fault condition and shut off the compressor until the switch re-closes. |
| FAULT- HIGH WATER TEMP | When the POOL or SPA water temperature heats to the maximum allowed temperature or above, there could be safety risks for anyone in the water. The water thermostat will read this temperature and the control will shut off the heat pump unless it is in CHILLER mode. This feature also remains active when the control calls for heat through a remote thermostat. This is to insure that water temperature does not go to an abnormally high level due to a possible malfunction of the remote sensor. |
| FAULT- SHORTED COIL SENSOR -or- FAULT- OPEN COIL SENSOR | In the event that the coil temperature sensor malfunctions or is not connected the control will shut off the heat pump. |
| FAULT- SHORTED WATER SENSOR -or- FAULT- OPEN WATER SENSOR | In the event that the water temperature sensor malfunctions or is not connected the control will shut off the heat pump. |
Table 5. Heat Pump Diagnostics
Section 9. Replacement Parts
9.1 Ordering Information
To order or purchase parts for the JRT models of heat pumps, contact your nearest Jandy dealer or distributor. See the Jady web site at www.Jandy.com for the nearest service center. If they cannot supply you with what you need, contact Jandy customer support department, telephone (800) 822-7933.
9.2 Jandy JRT Heat Pumps Parts List
| Key No. | Description | Model No. | Order Part No. |
| 1 | Fan Grille | All | R0933900 |
| 2 | Fan Motor | All | R0934000 |
| 3 | Fan Blade | All | R0934100 |
| 4 | Fan Top | All | R0934200 |
| 5 | Evaporator Coil / Guard | 2000R, 2500R | R0934300 |
| 5 | Evaporator Coil / Guard | 3000R | R0934400 |
| 6 | Compressor | 2000R | R0934500 |
| 6 | Compressor | 2500R | R0934600 |
| 6 | Compressor | 3000R | R0934700 |
| 7 | Base | All | R0934800 |
| 8 | Electrical Box Cover w/ Hardware | All | R0934900 |
| 9 | Front Panel | 2000R, 2500R | R0935000 |
| 9 | Front Panel | 3000R | R0935100 |
| 10 | Temperature Sensor | All | 7790 |
| 11 | Filter Drier | All | R0935200 |
| 11 | Filter Drier (Bi-flow) | All | R0935300 |
| 12 | Thermal Expansion Valve | 2000R, 2500R | R0935400 |
| 12 | Thermal Expansion Valve | 3000R | R0935500 |
| 13 | Air Temperature Sensor | All | R0935600 |
| 14 | High Pressure Switch | All | R0935700 |
| 15 | Low Pressure Switch | All | R0935800 |
| 16 | Water Pressure Switch | All | R0935900 |
| 17 | User Interface | All | R0591900 |
| 18 | Interface Cover | All | R0592000 |
| 19 | Reversing Valve (optional) | All | R0936000 |
| 20 | Transformer | All | R0936100 |
| 21 | Power Interface PCB | All | R3009200 |
| 22 | Fan Capacitor | All | R0936300 |
| 23 | Run Capacitor (1 phase) | All | R0936200 |
| 24 | Contactor (1 phase) | All (1 Phase) | R0936400 |
| 25* | Anchor Bracket Set | All | R0936600 |
| 26 | Universal Union, Buttress Set | All | R0472700 |
| 27* | Schrader Valves (2-pack) | All | R0937100 |
| 28* | External Fastener Kit | All | R0937300 |
| 29* | Compressor Blanket | All | R0951700 |
9.3 Jandy JRT Heat Pumps Exploded View
Figure 15. Jandy JRT Heat Pumps Exploded View (JRT2000R Shown)
9.4 Jandy JRT Single Phase Electric Box
Figure 16. Jandy JRT Single Phase Electric Box
Zodiac Pool Systems LLC
2882 Whiptail Loop #100, Carlsbad, CA 92010
1.800.822.7933
www.Jandy.com
Zodiac Pool Systems Canada, Inc.
2-3365 Mainway, Burlington, Ontario, L7M 1A6
+ 1 (888) 647-4004
www.ZodiacPoolSystems.ca
©2022 Zodiac Pool Systems LLC. All rights reserved. ZODIAC® is a registered trademark of Zodiac International,
S.A.S.U. used under license. All other trademarks referenced herein are the property of their respective owners.
H0744700 Rev E
ETL LISTED
CONFORMS TO
UL 60335-2-40
CERTIFIED TO
CAN/CSA C22.2 NO.60335-2-40![]()
















