LENNOX KG 024 Rooftop Units

WARNING
FIRE OR EXPLOSION HAZARD. Failure to follow safety warnings exactly could result in serious injury, death, or property damage.Do not store or use gasoline or other flammable vapors and liquids in the vicinity of this or any other appliance. Installation and service must be performed by a qualified installer, service agency or the gas supplier.
WHAT TO DO IF YOU SMELL GAS
- Do not try to light any appliance.
- Extinguish any open flames.
- Do not touch any electrical switch; do not use any phone in your building.
- Leave the building immediately
- Immediately call your gas supplier from a neighbor’s phone. Follow the gas supplier’s instructions.
- If you cannot reach your gas supplier, call the fire department.
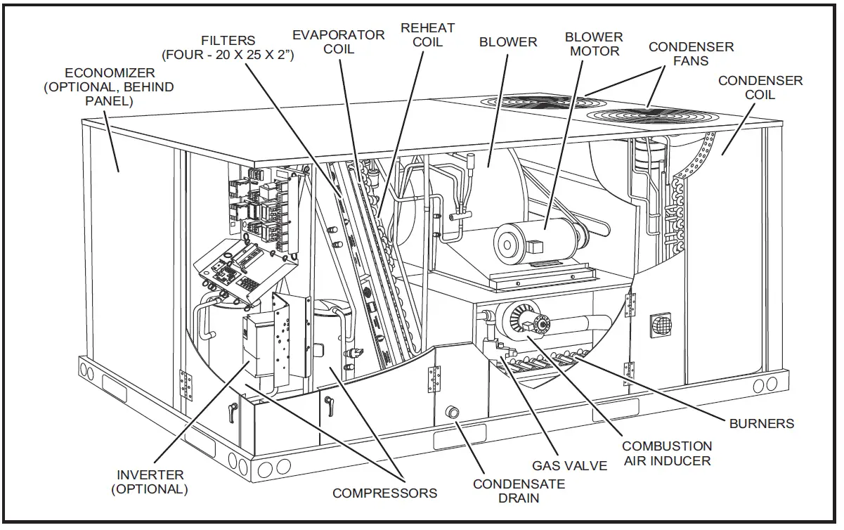
KG 024, 030, 036, 048, 060, 074 Parts Arrangement

KG 092, 102, 120, & 150 Parts Arrangement

KG 180, 210, 240, 300 Parts Arrangement

Safety
- Keep unit area clear and free of combustible materials, gasoline and other flammable vapors and liquids.
- Do not obstruct air flow to unit. Unit must receive an unobstructed flow of combustion and ventilating air.
WARNING
Danger of explosion and fire. Failure to follow safety warnings exactly could result in dangerous operation, serious injury, death or property damage.
CAUTION
As with any mechanical equipment, contact with sharp sheet metal edges can result in personal injury. Take care while handling this equipment and wear gloves and protective clothing.
CAUTION
Label all wires prior to disconnection when servicing controls. Wiring errors can cause improper and dangerous operation. Verify proper operation after servicing.
WARNING
Improper installation, adjustment, alteration, service or maintenance can cause property damage, personal injury or loss of life. Installation and service must be performed by a licensed professional HVAC installer or equivalent, service agency, or the gas supplier.
WARNING
Electric shock hazard. Can cause injury or death. Before attempting to perform any service or maintenance, turn the electrical power to unit OFF at disconnect switch(es). Unit may have multiple power supplies.
WARNING
Danger of electrical shock, explosion and fire. Improper servicing could result in dangerous operation, serious injury, death or property damage.
WARNING
Do not use this furnace if any part has been under water. A flood-damaged furnace is extremely dangerous. Attempts to use the furnace can result in fire or explosion. A qualified service agency should be contacted to inspect the furnace and to replace all gas controls, control system parts, electrical parts that have been wet or the furnace if deemed necessary.
WARNING
Danger of explosion. Can cause injury or product or property damage. If overheating occurs or if gas supply fails to shut off, shut off the manual gas valve to the appliance before shutting off electrical supply.
Unit Operation
FOR YOUR SAFETY READ BEFORE LIGHTING
BEFORE LIGHTING smell all around the furnace area for gas. Be sure to smell next to the roof because some gas is heavier than air and will settle on the roof. The gas valve may be equipped with either a gas control lever or gas control knob. Use only your hand to push the lever or turn the gas control knob. Never use tools. If the the lever will not move or the knob will not push in or turn by hand, do not try to repair it. Call a qualified service technician. Force or attempted repair may result in a fire or explosion. The unit is equipped with an automatic spark ignition system. There is no pilot. In case of a safety shutdown, move thermostat switch to OFF and return the thermostat switch to HEAT. For logic units and units with electronic temperature controls, shut off the main disconnect and then turn it on to reset the ignition control. Placing Unit Into Operation
WARNING
Danger of explosion and fire. Can cause injury or product or property damage. You must follow these instructions exactly.
Gas Valve Operation
- Set thermostat to lowest setting.
- Turn off all electrical power to appliance.
- This appliance is equipped with an ignition device which automatically lights the burner. Do not try to light the burner by hand.
- Open the heat section access panel.
- Turn gas valve switch to OFF. See Figure 1, Figure 2, or Figure 3. On Honeywell VR8305Q gas valves, turn knob on gas valve clockwise
to OFF. Do not force. See Figure 4. - Wait five (5) minutes to clear out any gas. If you then smell gas, STOP! Immediately call your gas supplier from a neighbor’s phone. Follow the gas supplier’s instructions. If you do not smell gas, go to the next step.




- Turn gas valve switch to ON. See Figure 1, Figure 2, or Figure 3. On Honeywell VR8305Q gas valves, turn knob on gas valve counterclockwise
to ON. Do not force. See Figure 4. - Close or replace the heat section access panel.
- Turn on all electrical power to appliance.
- Set thermostat to desired setting.
NOTE – When unit is initially started, steps 1 through 9 may need to be repeated to purge air from gas line.
- The ignition sequence will start.
- If the appliance does not light the first time (gas line not fully purged), it will attempt up to two more ignitions before locking out.
- If lockout occurs, repeat steps 1 through 10.
- If the appliance will not operate, follow the instructions “Turning Off Gas to Appliance” and call your service technician or gas supplier.
Turning Off Gas to Unit
- If using an electromechanical thermostat, set to the lowest setting.
- Before performing any service, turn off all electrical power to the appliance.
- Open or remove the heat section access panel.
- Turn gas valve switch to OFF. On Honeywell VR8305Q gas valves, turn knob on gas valve clockwise
to OFF. Do not force. - Close or replace the heat section access panel.
WARNING
Danger of explosion. Can cause injury or death. Do not attempt to light manually. Unit has a direct spark ignition system.
Burner Flame
WARNING
Danger of explosion and fire. Can cause injury or product or property damage. Periodically inspect burner flame to ensure proper unit operation.
The primary air is permanently set for normal operation. The flame will be basically blue with some clear yellow streaking in the end of the flame. Inspect the burner flame periodically during the heating season using the inspection port provided on the burner access panel.
Flue Passage and Vent Inspection
Annually, before heating season, inspect the combustion air louvers, vent cap, heat exchanger, burners and combustion air inducer for corrosion, deterioration or deposits of debris. Remove any obstructions or blockage. See Figure 5, Figure 6, or Figure 7.


Service
To maintain efficiency and longevity, your equipment must be serviced yearly by a qualified service technician. Failure to provide proof of service can void warranty.
CAUTION
Label all wires prior to disconnection when servicing controls. Wiring errors can cause improper and dangerous operation. Verify proper operation after servicing.
Servicing Filter
Units are equipped with filters as shown in Table 1. Filters should be checked monthly and replaced when necessary. Take note of air flow direction marking on filter frame when reinstalling filters. See Figure 8.
NOTE – Replace factory-installed filters within 30 days of initial unit start-up. Refer to local codes or appropriate jurisdiction for approved filters
WARNING
Units are shipped from the factory with temporary filters. Replace filters before building is occupied. Damage to unit could result if filters are not replaced with approved filters. Refer to appropriate codes.
TABLE 1 UNIT FILTERS

Lubrication
All motors are lubricated at the factory. No further lubrication is required. Blower shaft bearings are prelubricated. For extended bearing life, relubricate at least once every two years with a lithium base grease, such as Alvania 3 (Shell Oil), Chevron BRB2 (Standard Oil) or Regal AFB2 (Texas Oil). Use a hand grease gun for relubrication. Add only enough grease to purge through the bearings so that a bead of grease appears at the seal lip contacts.
Manifold Pressures
Manifold pressures are shown in table 2. Refer to Figure 1, Figure 2, or Figure 3, or Figure 4 to locate pressure ports.
TABLE 2 MANIFOLD PRESSURES in w.g.
Burners
Clean the burners as follows:
- Turn off the electrical power and the gas supply to the unit.
- Remove the burner compartment access panel.
- Remove top burner box panel. See Figure 9 or Figure 10.
- Remove screws securing burners to burner support and lift the individual burners or the entire burner assembly from the orifices. Clean as necessary. Spark gap on ignition electrode must be properly set. Refer to the Heating Adjustment section in the installation instructions.

- Replace burners and screws securing burner. Replace the top burner box panel and burner compartment access panel.
- Turn on the electrical power and the gas supply to the unit. Follow the operating instructions attached to the unit and use the inspection port in the access panel to check the flame.

Combustion Air Inducer
A combustion air inducer proving switch checks combustion air inducer operation before allowing power to the gas controller. The gas controller will not operate if the inducer is obstructed. Under normal operating conditions, the combustion air inducer wheel should be checked and cleaned prior to the heating season. However, it should be examined periodically during the heating season to establish an ideal cleaning schedule.
Clean the combustion air inducer as follows
- Turn off the electrical power and the gas supply to the unit.
- Remove the mullion on the right side of the heat section.
- Disconnect the pressure switch air tubing from the combustion air inducer port.
- Remove and retain the screws securing the combustion air inducer to the flue box.
- 180-300S Units Only – Remove and retain two screws from the bracket supporting the vent connector before removing vent connector. See Figure 7.
- Clean the inducer wheel blades with a small brush and wipe off any dust from the housing. Clean accumulated dust from the front of the flue box cover.
- Return the combustion air inducer motor and the vent connector to their original location. Secure with retained screws. It is recommended that the combustion air inducer gasket be replaced during reassembly.
- Replace mullion.
- Use a small brush to clean the combustion air inlet louvers on the heat access panel.
Flue Passageway and Flue Box
- Remove the combustion air inducer assembly as described in the Combustion Air Inducer subsection.
- Remove the flue box cover. Clean the flue box with a wire brush as required.
- Clean the tubes with a wire brush.
- Reassemble the unit. The flue box cover gasket and combustion air inducer gasket should also be replaced during reassembly.
Service Reminder
Call a qualified service technician if the unit is inoperative. Before calling, always check the following to be sure service is required
- Be sure electrical disconnect switches are ON.
- Check room thermostat for proper setting.
- Replace any blown fuses or reset circuit breakers.
- Gas valve should be ON.
- Air filters should not be plugged, limiting air flow.
- Make sure all access panels are in place.
Repair Parts Listing
When ordering repair parts, include the complete model number and serial number listed on the ETL/CSA rating plate – e.g. KGC120S4BH1Y.
Gas Heat Section Parts
- Heat Exchanger
- Combustion Air Assembly
- Combustion Air Proving Switch
- Burner Assembly
- Burner Manifold Assembly
- Main Burner Orifices
- Flame Roll-out Switches
- Auxiliary Limit Controls
- Ignition Electrode Assembly
- Ignition Lead
- Ignition Sensor Assembly
- Sensor Lead
- Combination Gas Valve
- Limit Controls
Cooling Parts
- Compressors
- Condenser Fan Motors
- Condenser Fan Blades
- Condenser Fan Run Capacitors
- Freezestats
- Condenser Fan Mounting Bracket
- Fan Grille
- Indoor Blower Motors
- Blower Wheel
- Expansion Valve
- Distributor
- Exhaust Fans (Opt.)
- Reversing Valve (Reheat units only)
Electrical Control Parts
- Compressor Contactors
- Circuit Breakers (Opt.)
- Transformer (Control)
- Transformer (Contactor)
- Blower Contactor
- Limit, Blower Relay
- Heat Relays
- Condenser Fan Relays
- Capacitor CAB
- Relay CAB
- Disconnect Switch (Opt.)
















