Schneider Electric MTN644992 SpaceLogic KNX Binary Input
For your safety
Danger
HAZARD OF ELECTRIC SHOCK, EXPLOSION, OR ARC FLASH
Safe electrical installation must be carried out only by skilled professionals. Skilled professionals must prove profound knowledge in the following areas:
- Connecting to installation networks
- Connecting several electrical devices
- Laying electric cables
- Connecting and establishing KNX networks
- Safety standards, local wiring rules and regulations
Failure to follow these instructions will result in death or serious injury.
Caution
The device may be damaged!
- The internal device connection of the potentials is not suitable for carrying load currents.
- Only operate the device according to the specifications stated in the Technical data.
- All the devices that are installed next to the binary in- put must be equipped with basic insulation at the very least.
Failure to follow these instruction can result in equipment damage.
Binary input introduction
The binary input REG-K/4×230 is used to connect four conventional 230 V devices (such as movement detectors and light-sensitive switches) to the KNX bus.
The binary input has a bus coupler. It is installed on a DIN rail acc. to EN 60715, with the bus connection made via a bus connecting terminal. A data rail is not required.
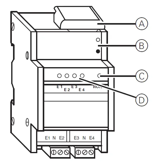
Operating and display elements
A Cover of the bus connecting terminal
B Programming button and programming LED (behind hinged cover)
C Operational LED
D Channel status LEDs
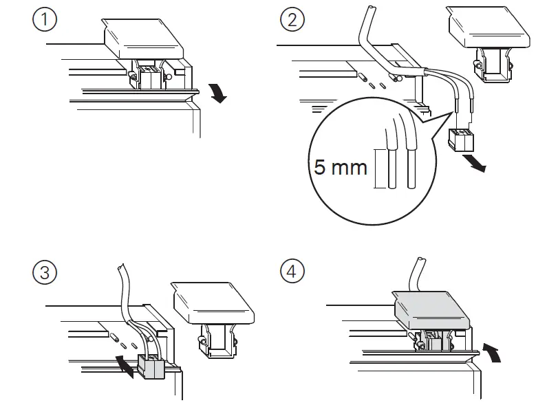
Installing the binary input
- Set the binary input onto the DIN rail.

- Connect KNX.

WARNING
Risk of fatal injury from electrical current. The device could be damaged.
Safety clearance must be guaranteed in accordance with IEC 60664-1. There must be at least 4 mm between the individual cores of the 230 V supply cable and the KNX line.
CAUTION
The device could be damaged.
High voltages can cause damage. Never connect devices with more than 230 V.
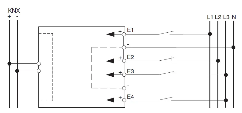
Connect the input cables.
When the bus voltage is connected and there is a signal at the input, the corresponding yellow channel status LED will light up.
Note: The N conductors must be connected to the device. Inputs E1 to E4 have a common potential (4 x N). Inputs E1 to E4 can be assigned to each other with different phases.
Putting the binary input into the operation
- Press the programming button.
The programming LED lights up. - Load the physical address and the application into the device from the ETS.
The operating LED lights up: The application was loaded successfully, and the device is ready for operation.
Technical data
- Supply from KNX: DC 24 V / max.18 mA
- Insulation voltage: AC 4 kV bus/inputs
Inputs
- Nominal voltage: AC 230 V ±10 %, 50/60 Hz
- 0 signal: < 40 V
- 1 signal: > 160 V
- Nominal current: AC approx. 7 mA
Permitted cable
- length: max. 100 m/channel
Ambient temperature
- Operation: -5 °C to +45 °C
- Storage: -25 °C to +55 °C
- Transport: -25 °C to +70 °C
- Max. humidity: 93 % relative humidity, no moisture condensation
- Environment: The device is designed for use at a height of up to 2000 m above sea level (MSL).
Connections
- Inputs, outputs: Screw terminals
- Single-core: 1.5 mm2 to 2.5 mm2
Finely stranded
- (with core end sleeve): 1.5 mm2 to 2.5 mm2
- KNX: Bus connecting terminal
Dimensions
- Height x width x
- depth: 90 x 45 x 65 mm
- Device width: 2.5 modules
Schneider Electric -Contact
Schneider Electric Industries SAS
35 rue Joseph Monier Rueil Malmaison 92500 France
If you have technical questions, please contact the Customer Care Centre in your country.
se.com/contact
UK Representative
Schneider Electric Limited Stafford Park 5 Telford, TF3 3 BL, UK




















